Скачать Серия 3.015-2/82 Выпуск II-8. Сборные железобетонные колонны, траверсы и вставки. Вариант армирования сталью класса Aт-IVc. Рабочие чертежиДата актуализации: 10.08.2017 Серия 3.015-2/82
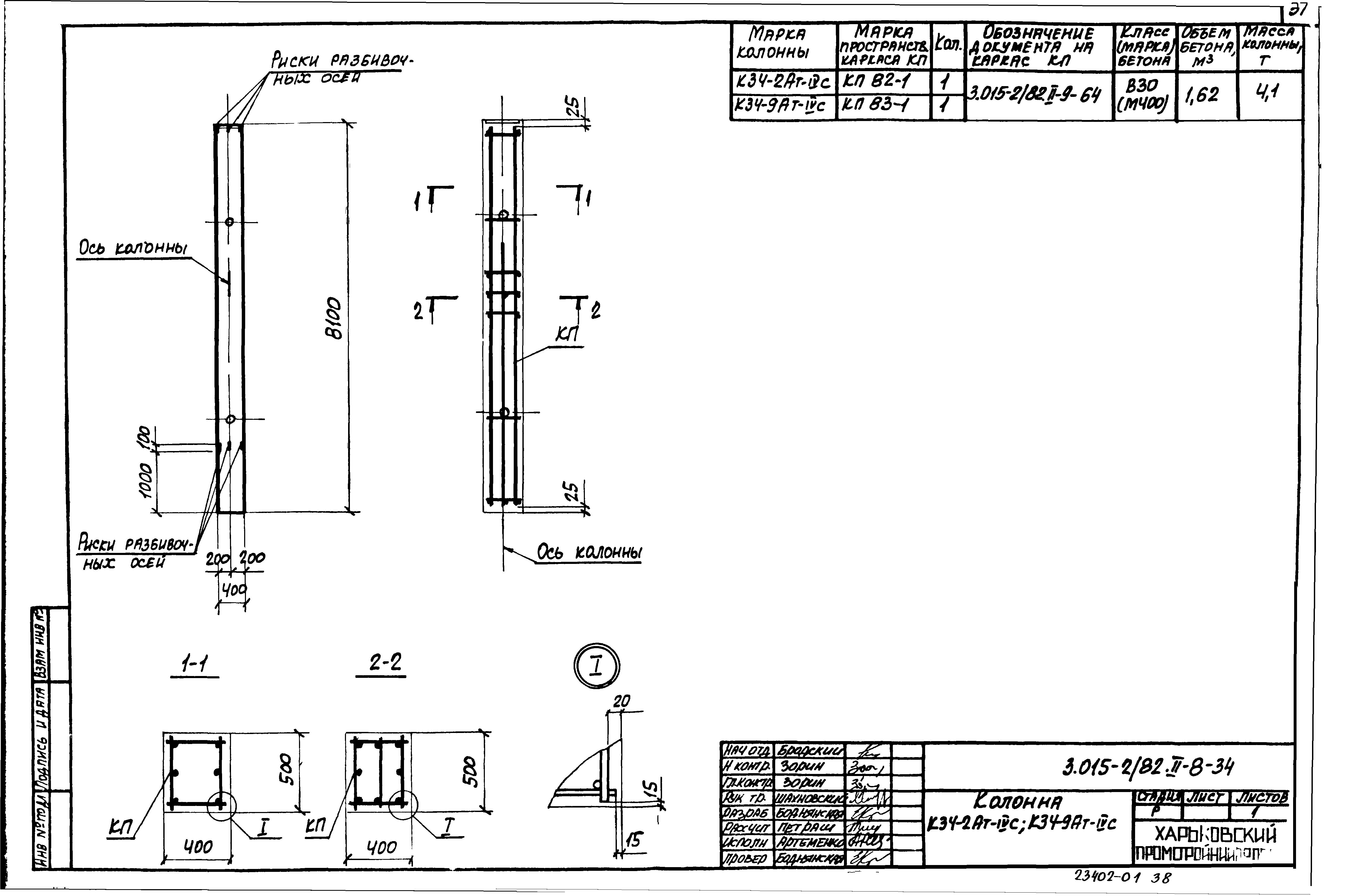
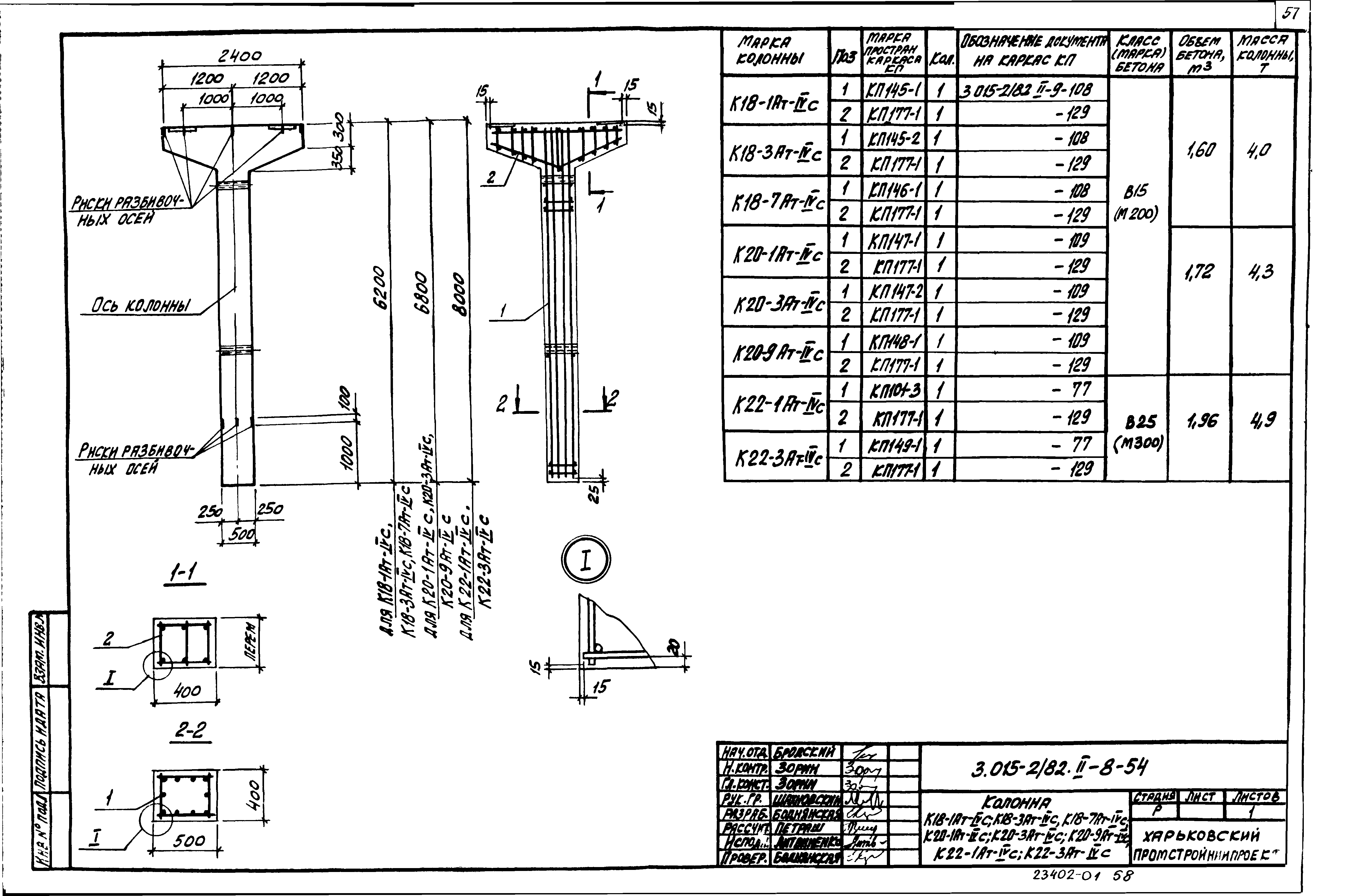
Выпуск II-8. Сборные железобетонные колонны, траверсы и вставки. Вариант армирования сталью класса Aт-IVc. Рабочие чертежиОбозначение: | Серия 3.015-2/82 | Обозначение англ: | Series 3.015-2/82 | Статус: | не действует | Название рус.: | Выпуск II-8. Сборные железобетонные колонны, траверсы и вставки. Вариант армирования сталью класса Aт-IVc. Рабочие чертежи | Дата добавления в базу: | 01.09.2013 | Дата актуализации: | 05.05.2017 | Дата введения: | 01.01.1989 | Дата окончания срока действия: | 01.02.1995 | Оглавление: | 3.015-2/82.II-8-ТТ Технические требования 3.015-2/82.II-8-НИ Номенклатура железобетонных конструкций 3.015-2/82.II-8-1 Траверса Т1-1Ат-IVс 3.015-2/82.II-8-2 Траверса Т2-1Ат-IVс, Т2-2Ат-IVс 3.015-2/82.II-8-3 Траверса Т3-1Ат-IVс, Т3-3Ат-IVс 3.015-2/82.II-8-4 Траверса Т4-1Ат-Ivс 3.015-2/82.II-8-5 Траверса Т5-1Ат-IVс, Т5-2Ат-IVс 3.015-2/82.II-8-6 Траверса Т5-3Ат-IVс, Т5-4Ат-IVс 3.015-2/82.II-8-7 Траверса Т6-1Ат-IVс, Т6-2Ат-IVс 3.015-2/82.II-8-8 Траверса Т6-3Ат-IVс, Т6-4Ат-IVс 3.015-2/82.II-8-9 Траверса Т6-5Ат-IVс 3.015-2/82.II-8-10 Траверса Т6-6Ат-IVс, Т6-7Ат-IVс 3.015-2/82.II-8-11 Траверса Т7-1Ат-IVс, Т7-2Ат-IVс 3.015-2/82.II-8-12 Траверса Т7-3Ат-IVс 3.015-2/82.II-8-13 Траверса Т8-Ат-IVс 3.015-2/82.II-8-14 Траверса Т9-Ат-IVс 3.015-2/82.II-8-15 Вставка В1-1Ат-IVс 3.015-2/82.II-8-16 Вставка В1-2Ат-IVс 3.015-2/82.II-8-17 Колонна К1-1Ат-IVс 3.015-2/82.II-8-18 Колонна К1-2Ат-IVс 3.015-2/82.II-8-19 Колонна К2-1Ат-Ivс...К2-6Ат-Ivс; К3-1Ат-Ivс; К3-2Ат-Ivс; К3-4Ат-Ivс; К3-5Ат-Ivс; К3-7Ат-Ivс; К3-8Ат-Ivс; К4-1Ат-Ivс; К4-2Ат-Ivс; К4-4Ат-Ivс; К4-5Ат-Ivс; К4-7Ат-Ivс; К4-8Ат-Ivс 3.015-2/82.II-8-20 Колонна К3-3Ат-Ivс; К4-3Ат-Ivс; К5-2Ат-Ivс; К5-8Ат-Ivс 3.015-2/82.II-8-21 Колонна К3-6Ат-Ivс; К4-6Ат-Ivс 3.015-2/82.II-8-22 Колонна К5-1Ат-Ivс; К5-3Ат-Ivс...К5-6Ат-Ivс; К25-1Ат-Ivс...К25-3Ат-Ivс; К25-10Ат-Ivс; К27-5Ат-Ivс 3.015-2/82.II-8-23 Колонна К5-7Ат-Ivс; К25-9Ат-Ivс; К33-6Ат-Ivс 3.015-2/82.II-8-24 Колонна К6-1Ат-Ivс...К6-4Ат-Ivс 3.015-2/82.II-8-25 Колонна К25-4Ат-Ivс...К25-7Ат-Ivс; К25-11Ат-Ivс; К25-12Ат-Ivс; К27-1Ат-Ivс; К27-3Ат-Ivс; К27-4Ат-Ivс; К27-6Ат-Ivс; К27-11Ат-Ivс; К27-13Ат-Ivс 3.015-2/82.II-8-26 Колонна К25-8Ат-Ivс; К25-13Ат-Ivс; К33-1Ат-Ivс; К33-7Ат-Ivс 3.015-2/82.II-8-27 Колонна К26-1Ат-Ivс; К28-2Ат-Ivс; К28-3Ат-Ivс; К31-2Ат-Ivс; К31-3Ат-Ivс 3.015-2/82.II-8-28 Колонна К27-2Ат-Ivс; К27-12Ат-Ivс; К30-2Ат-Ivс; К30-12Ат-Ivс 3.015-2/82.II-8-29 Колонна К28-5Ат-Ivс; К28-4Ат-Ivс; К28-5Ат-Ivс; К31-1Ат-Ivс; К31-4Ат-Ivс...К31-6Ат-Ivс; К34-4Ат-Ivс; К34-5Ат-Ivс; К34-10Ат-Ivс 3.015-2/82.II-8-30 Колонна К29-1Ат-Ivс; К29-2Ат-Ivс; К32-1Ат-Ivс; К32-2Ат-Ivс 3.015-2/82.II-8-31 Колонна К30-1Ат-Ivс; К30-3Ат-Ivс; К30-4Ат-Ivс; К30-6Ат-Ivс...К30-11Ат-Ivс; К30-13Ат-Ivс; К33-2Ат-Ivс; К33-3Ат-Ivс 3.015-2/82.II-8-32 Колонна К30-5Ат-Ivс; К33-4Ат-Ivс; К33-5Ат-Ivс 3.015-2/82.II-8-33 Колонна К34-1Ат-Ivс; К34-6Ат-Ivс; К34-11Ат-Ivс 3.015-2/82.II-8-34 Колонна К34-2Ат-Ivс; К34-9Ат-Ivс 3.015-2/82.II-8-35 Колонна К34-3Ат-Ivс; К34-7Ат-Ivс 3.015-2/82.II-8-36 Колонна К35-1Ат-Ivс; К35-3Ат-Ivс 3.015-2/82.II-8-37 Колонна К35-2Ат-Ivс 3.015-2/82.II-8-38 Колонна К7-1Ат-Ivс; К7-2Ат-Ivс; К7-5Ат-Ivс; К7-9Ат-Ivс; К7-10Ат-Ivс; К7-13Ат-Ivс; К9-1Ат-Ivс; К9-2Ат-Ivс; К9-6Ат-Ivс; К9-9Ат-Ivс; К13-3Ат-Ivс 3.015-2/82.II-8-39 Колонна К7-3Ат-Ivс; К7-4Ат-Ivс; К7-6Ат-Ivс...К7-8Ат-Ivс; К7-11Ат-Ivс; К7-12Ат-Ivс; К7-14Ат-Ivс 3.015-2/82.II-8-40 Колонна К8-1Ат-Ivс; К8-2Ат-Ivс; К14-2Ат-Ivс; К14-4Ат-Ivс; К14-9Ат-Ivс; К14-10Ат-Ivс 3.015-2/82.II-8-41 Колонна К9-3Ат-Ivс; К9-12Ат-Ivс; К11-3Ат-Ivс; К11-13Ат-Ivс 3.015-2/82.II-8-42 Колонна К9-4Ат-Ivс; К9-8Ат-Ivс; К9-10Ат-Ivс; К9-11Ат-Ivс; К11-4Ат-Ivс; К11-8Ат-Ivс; К11-10Ат-Ivс; К11-11Ат-Ivс; К13-2Ат-Ivс 3.015-2/82.II-8-43 Колонна К9-5Ат-Ivс; К9-7Ат-Ivс; К9-13Ат-Ivс; К9-14Ат-Ivс 3.015-2/82.II-8-44 Колонна К10-1Ат-Ivс; К10-4Ат-Ivс; К12-1Ат-Ivс; К12-4Ат-Ivс; К14-1Ат-Ivс; К14-11Ат-Ivс 3.015-2/82.II-8-45 Колонна К10-2Ат-Ivс; К10-3Ат-Ivс; К12-2Ат-Ivс; К12-3Ат-Ivс; К14-3Ат-Ivс; К14-5Ат-Ivс...К14-8Ат-Ivс 3.015-2/82.II-8-46 Колонна К11-1Ат-Ivс; К11-2Ат-Ivс; К11-6Ат-Ivс; К11-9Ат-Ivс; К11-12Ат-Ivс 3.015-2/82.II-8-47 Колонна К11-5Ат-Ivс; К11-7Ат-Ivс; К11-14Ат-Ivс; К11-15Ат-Ivс; К13-1Ат-Ivс; К13-4Ат-Ivс; К13-5Ат-Ivс; К13-6Ат-Ivс 3.015-2/82.II-8-48 Колонна К15-1Ат-Ivс; К15-3Ат-Ivс; К15-4Ат-Ivс; К15-7Ат-Ivс; К15-8Ат-Ivс; К15-10Ат-Ivс 3.015-2/82.II-8-49 Колонна К15-2Ат-Ivс; К15-5Ат-Ivс; К15-9Ат-Ivс 3.015-2/82.II-8-50 Колонна К15-6Ат-Ivс 3.015-2/82.II-8-51 Колонна К16-1Ат-Ivс; К16-2Ат-Ivс; К16-6Ат-Ivс; К16-7Ат-Ivс; К22-2Ат-Ivс 3.015-2/82.II-8-52 Колонна К16-3Ат-Ivс...К16-5Ат-Ivс; К18-2Ат-Ivс; К18-5Ат-Ivс; К18-8Ат-Ivс; К20-2Ат-Ivс; К20-5Ат-Ivс; К20-7Ат-Ivс 3.015-2/82.II-8-53 Колонна К18-1Ат-Ivс; К18-3Ат-Ivс; К18-7Ат-Ivс; К20-1Ат-Ivс; К20-3Ат-Ivс; К20-9Ат-Ivс; К22-1Ат-Ivс; К22-3Ат-Ivс 3.015-2/82.II-8-54 Колонна К18-4Ат-Ivс; К18-9Ат-Ivс; К20-4Ат-Ivс; К20-10Ат-Ivс 3.015-2/82.II-8-55 Колонна К18-6Ат-Ivс; К20-6Ат-Ivс; К20-8Ат-Ivс 3.015-2/82.II-8-56 Колонна К19-1Ат-Ivс; К21-1Ат-Ivс; К23-1Ат-Ivс; К23-8Ат-Ivс 3.015-2/82.II-8-57 Колонна К19-2Ат-Ivс; К19-5Ат-Ivс; К19-7Ат-Ivс; К21-2Ат-Ivс; К21-5Ат-Ivс; К23-7Ат-Ivс; К23-12Ат-Ivс 3.015-2/82.II-8-58 Колонна К19-3Ат-Ivс; К21-3Ат-Ivс; К21-7Ат-Ivс; К23-4Ат-Ivс; К23-6Ат-Ivс; К23-11Ат-Ivс 3.015-2/82.II-8-59 Колонна К19-4Ат-Ivс; К19-6Ат-Ivс; К21-4Ат-Ivс; К21-6Ат-Ivс; К21-8Ат-Ivс 3.015-2/82.II-8-60 Колонна К23-2Ат-Ivс; К23-3Ат-Ivс; К23-9Ат-Ivс; К23-10Ат-Ivс; К23-13Ат-Ivс; К23-14Ат-Ivс 3.015-2/82.II-8-61 Колонна К23-5Ат-Ivс 3.015-2/82.II-8-62 Колонна К23-5Ат-Ivс 3.015-2/82.II-8-63 Колонна К24-2Ат-Ivс; К24-2Ат-Ivс 3.015-2/82.II-8-64 Колонна К24-3Ат-Ivс...К24-6Ат-Ivс 3.015-2/82.II-8-65 Ведомость расхода стали на элемент, кг | Разработан: | Харьковский Промстройниипроект
| Утверждён: | 27.07.1988 Госстрой СССР (Государственный комитет Совета Министров СССР по делам строительства) (USSR Gosstroy 6/6-1511)
| Издан: | ЦИТП Госстроя СССР (CITP, Gosstroy (USSR) 1989 г. )
| Расположен в: |
| Чем заменён: | |
                                                                                 
|