Скачать Выпуск 0. Балки пролетного строения длиной 22,16 м, высотой 1,23 м, изготавливаемые в опалубке балок длиной 24 м по рабочим чертежам инв.№ 384/46. Рабочие чертежиДата актуализации: 10.08.2017
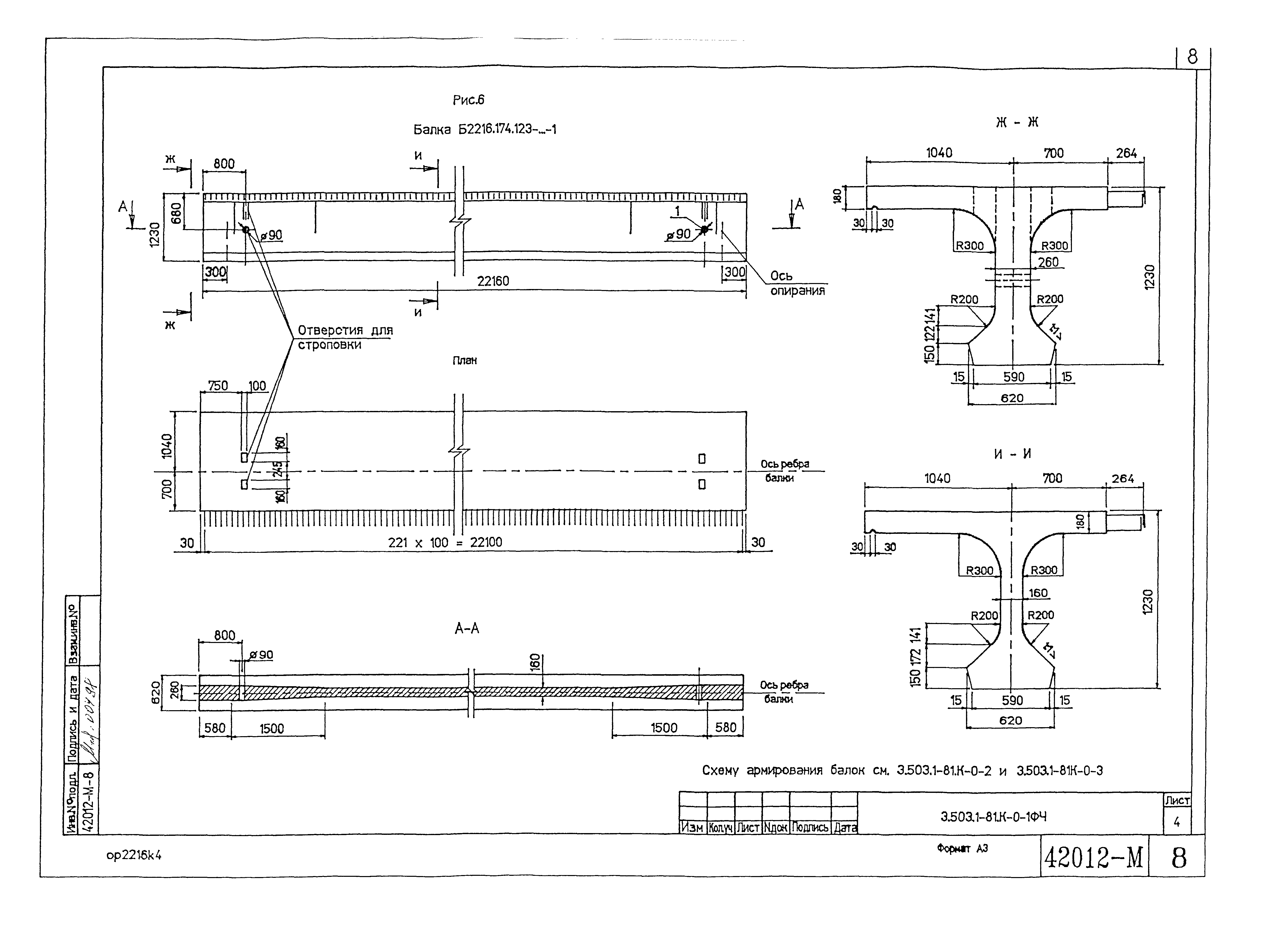
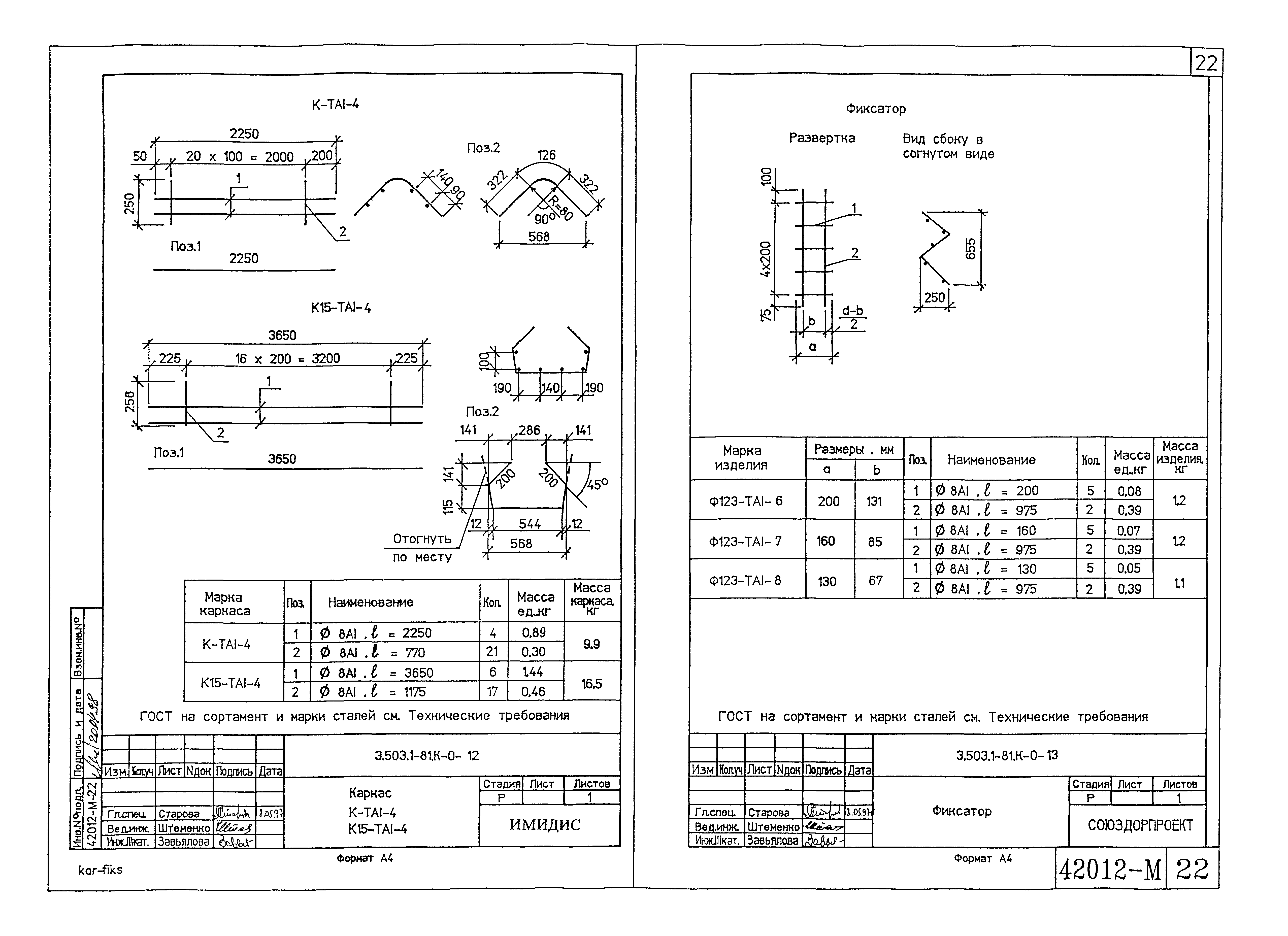
Выпуск 0. Балки пролетного строения длиной 22,16 м, высотой 1,23 м, изготавливаемые в опалубке балок длиной 24 м по рабочим чертежам инв.№ 384/46. Рабочие чертежиСтатус: | не определен законодательством | Название рус.: | Выпуск 0. Балки пролетного строения длиной 22,16 м, высотой 1,23 м, изготавливаемые в опалубке балок длиной 24 м по рабочим чертежам инв.№ 384/46. Рабочие чертежи | Дата добавления в базу: | 01.09.2013 | Дата актуализации: | 05.05.2017 | Дата введения: | 08.05.1997 | Область применения: | Настоящие рабочие чертежи сборных предварительно напряженных железобетонных балок пролетных строений длиной 22,16 м разработаны для моста через реку Черновка на автодороге М5 Самара-Уфа-Челябинск. Компоновка габарита в соответствии с общим видом моста | Разработан: | Союздорпроект Минтрансстроя
| Утверждён: | 08.05.1997 Союздорпроект Минтрансстроя (Soyuzdorproject, Mintransstroy )
| Расположен в: |
|
                      
|