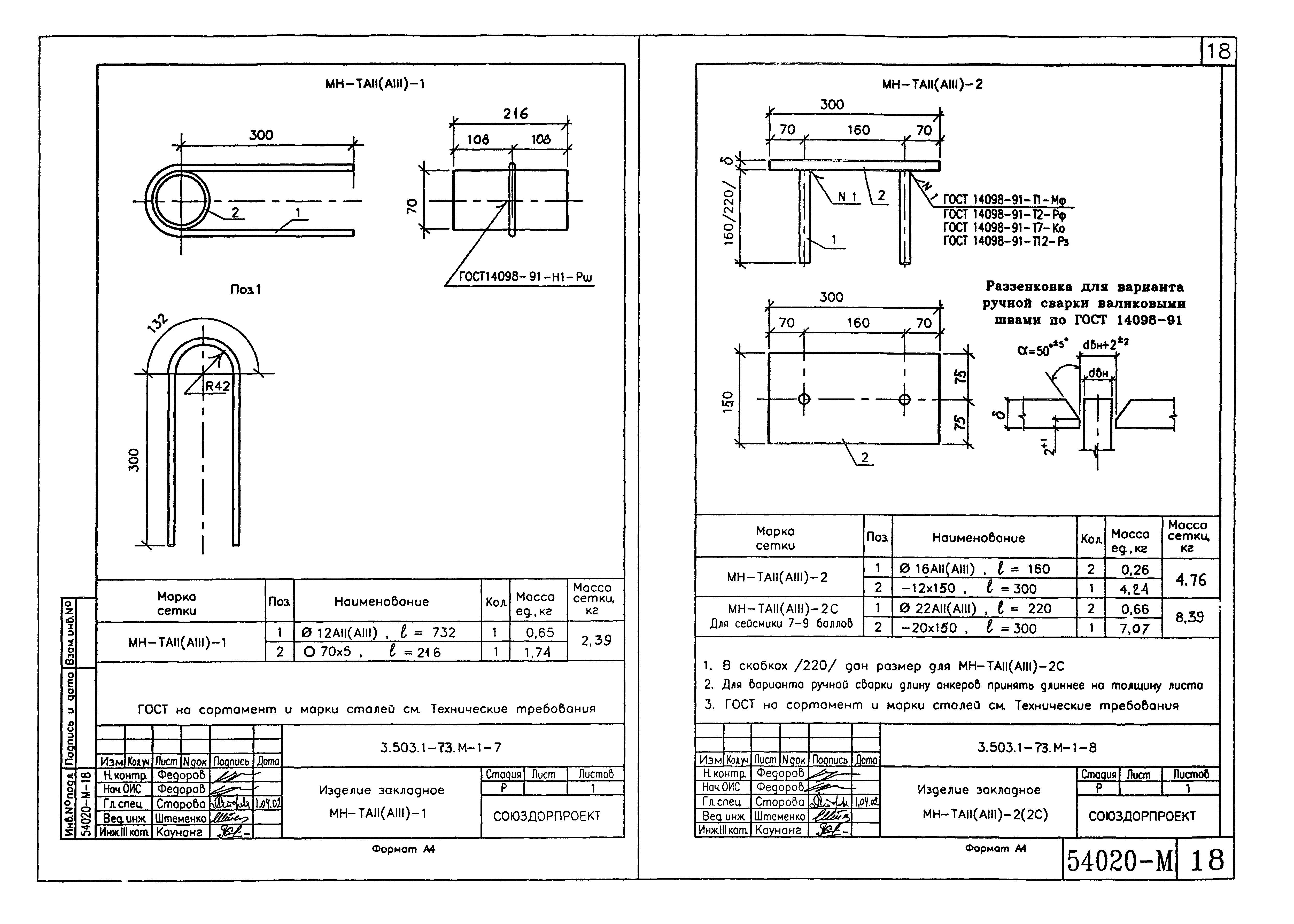
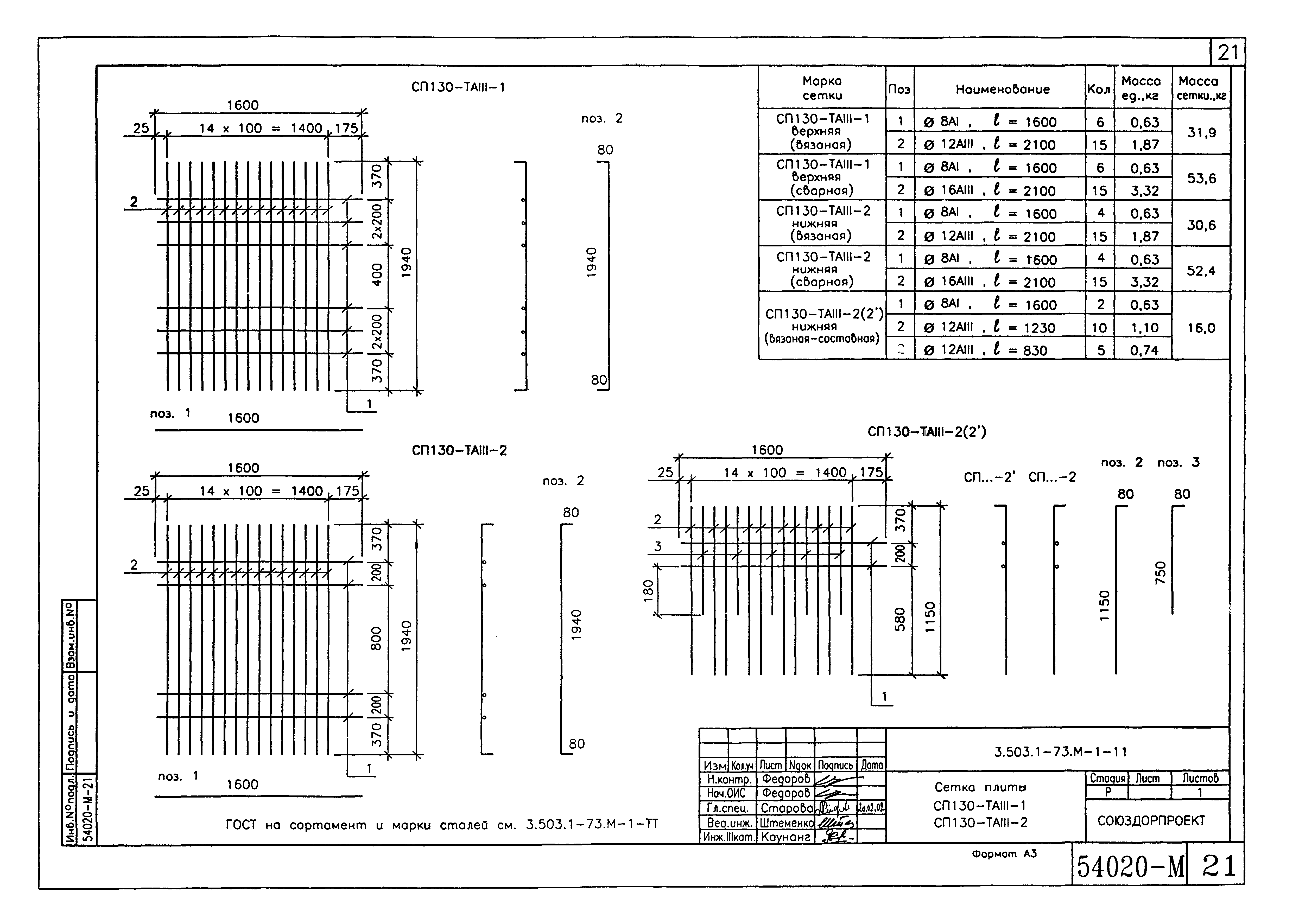
Скачать Выпуск 1. Балки пролетного строения длиной 12 м, высотой 0,93 м, изготавливаемые в опалубке балок по серии 3.503.1-73 (Балки марок Б 1200.130.93-Т25АIIIв, Б 1200.130.93-Т28АIIIв, Б 1200.130.93-Т25АIIIс и Б 1200.130.93-Т28АIIIс). Рабочие чертежиДата актуализации: 10.08.2017
Выпуск 1. Балки пролетного строения длиной 12 м, высотой 0,93 м, изготавливаемые в опалубке балок по серии 3.503.1-73 (Балки марок Б 1200.130.93-Т25АIIIв, Б 1200.130.93-Т28АIIIв, Б 1200.130.93-Т25АIIIс и Б 1200.130.93-Т28АIIIс). Рабочие чертежиСтатус: | не определен законодательством | Название рус.: | Выпуск 1. Балки пролетного строения длиной 12 м, высотой 0,93 м, изготавливаемые в опалубке балок по серии 3.503.1-73 (Балки марок Б 1200.130.93-Т25АIIIв, Б 1200.130.93-Т28АIIIв, Б 1200.130.93-Т25АIIIс и Б 1200.130.93-Т28АIIIс). Рабочие чертежи | Дата добавления в базу: | 01.09.2013 | Дата актуализации: | 05.05.2017 | Дата введения: | 20.02.2002 | Разработан: | Союздорпроект Минтрансстроя
| Утверждён: | 20.02.2002 Союздорпроект Минтрансстроя (Soyuzdorproject, Mintransstroy )
| Расположен в: |
|
                                        
|