Скачать Выпуск 1. Балки пролетного строения длиной 21 м, изготавливаемые в опалубке балок длиной 24 м по типовому проекту серии 3.503.1-81 выпуск 7-1. Рабочие чертежиДата актуализации: 10.08.2017
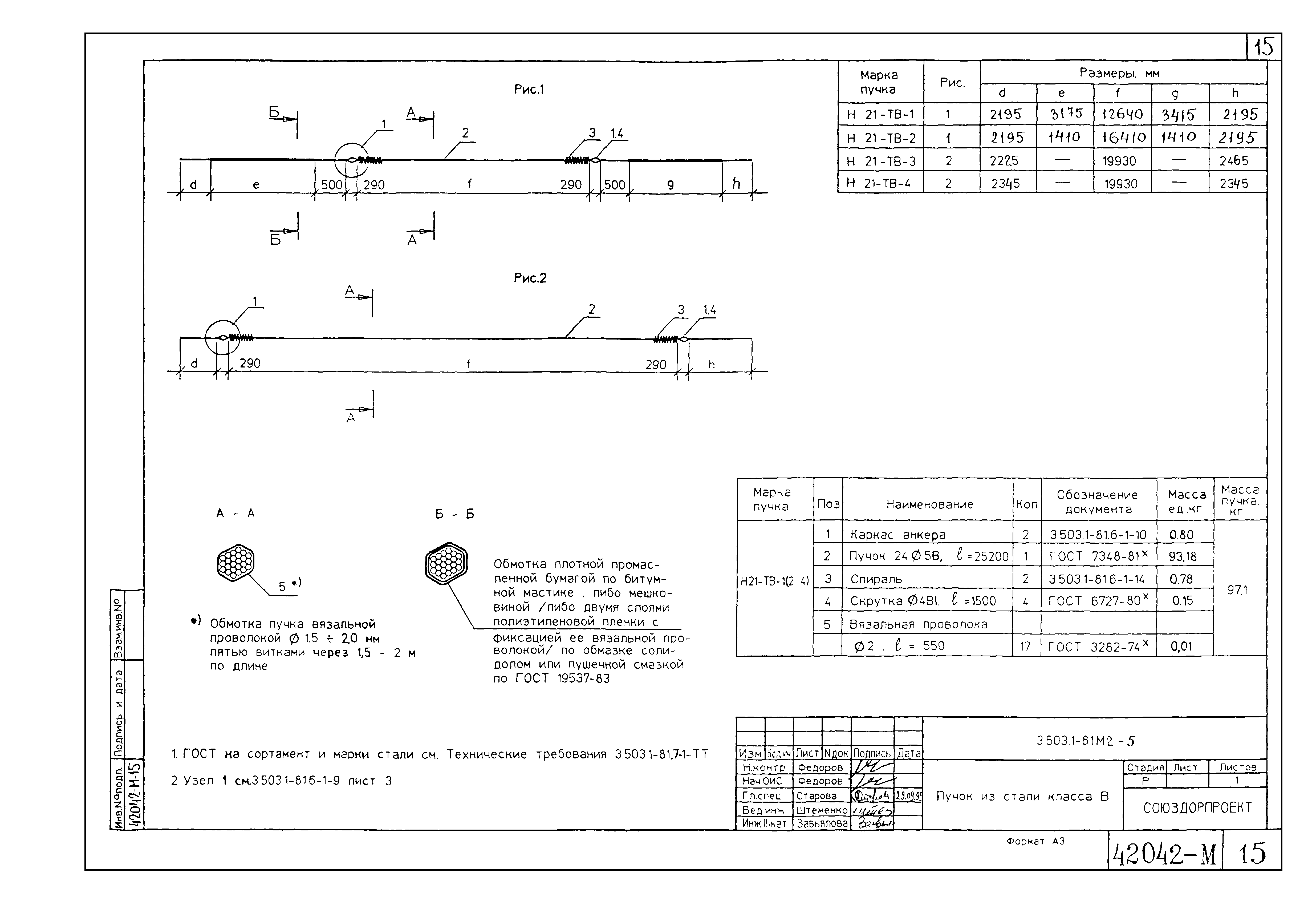
Выпуск 1. Балки пролетного строения длиной 21 м, изготавливаемые в опалубке балок длиной 24 м по типовому проекту серии 3.503.1-81 выпуск 7-1. Рабочие чертежиСтатус: | не определен законодательством | Название рус.: | Выпуск 1. Балки пролетного строения длиной 21 м, изготавливаемые в опалубке балок длиной 24 м по типовому проекту серии 3.503.1-81 выпуск 7-1. Рабочие чертежи | Дата добавления в базу: | 01.09.2013 | Дата актуализации: | 05.05.2017 | Дата введения: | 16.09.1999 | Оглавление: | 3.503.1-81.М2-ТТ Технические требования 3.503.1-81.М2-1ФЧ Балка пролетного строения Б 2100.140.123. Опалубочный чертеж 3.503.1-81.М2-2ФЧ Балка пролетного строения Б 2100.174.123. Опалубочный чертеж 3.503.1-81.М2-3 Балка пролетного строения Б 2100.Ь.123. Схема армирования балки напрягаемой арматурой 3.503.1-81.М2-4 Балка пролетного строения Б 2100.Ь.123. Схема армирования балки напрягаемой арматурой 3.503.1-81.М2-5 Пучок из стали класса В 3.503.1-81.М2-6 Изделие закладное МН-ТАIII(АIII)-15(16) 3.503.1-81.М2-7 Сетка ребра CP123-TAII - 13(14,15) CP123-TAI-16 3.503.1-81.М2-8 Сетка ребра СР123-ТАIII-13(14,15) 3.503.1-81.М2-9 Сетка торца СТ123-ТАII(АIII)-1. Фиксатор 3.503.1-81.М2-10РС Ведомость расхода стали | Разработан: | Союздорпроект Минтрансстроя
| Утверждён: | 16.09.1999 Союздорпроект Минтрансстроя (Soyuzdorproject, Mintransstroy )
| Расположен в: |
|
                  
|