Информационная система
«Ёшкин Кот»

Скачать базу одним архивом
Скачать обновления
История создания базы
Карта сайта

Скачать СТМ 4-14-93 Приборы и вспомогательные устройства. Способы установки на фасадах щитов и пультов. Электрические регуляторы и сигнализаторы. Часть 1

Дата актуализации: 10.08.2017

СТМ 4-14-93

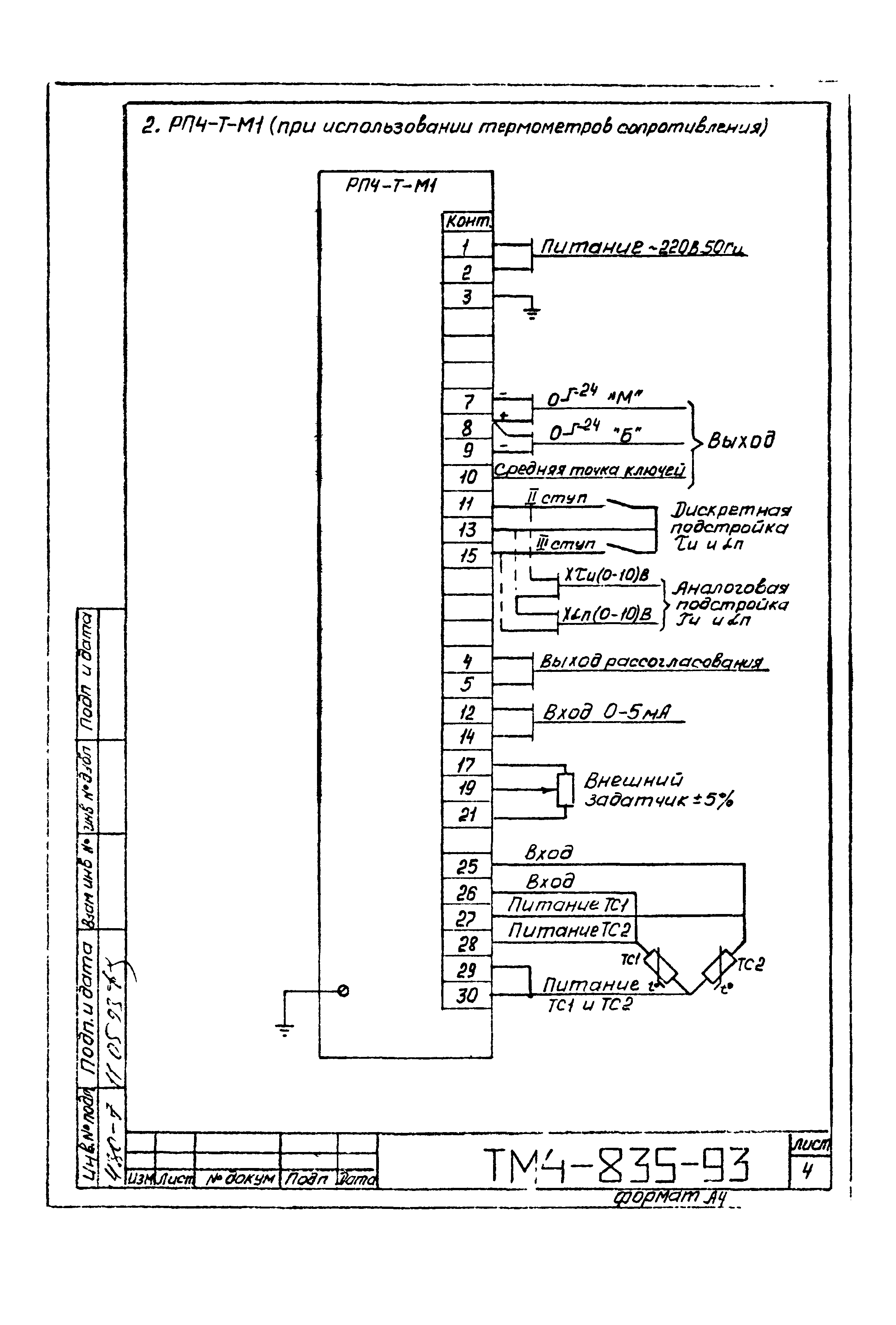
Приборы и вспомогательные устройства. Способы установки на фасадах щитов и пультов. Электрические регуляторы и сигнализаторы. Часть 1

Обозначение: СТМ 4-14-93
Обозначение англ: 4-14-93
Статус:действует
Название рус.:Приборы и вспомогательные устройства. Способы установки на фасадах щитов и пультов. Электрические регуляторы и сигнализаторы. Часть 1
Дата добавления в базу:01.09.2013
Дата актуализации:05.05.2017
Дата введения:01.06.1993
Область применения:Типовые чертежи предназначены для применения проектными организациями при разработке рабочей документации по автоматизации технологии производства и инженерного оборудования, а также организациями, монтирующими приборы и заводами-изготовителями щитов и пультов ассоциации "Монтажавтоматика". Проектные организации должны применять данные чертежи в рабочей документации без доработки и не включать их в состав рабочей документации
Оглавление:Ведомость документов
Общие указания
Типовые монтажные чертежи
Разработан: ГПКИ Проектмонтажавтоматика
Утверждён: Ассоциация Монтажавтоматика
Издан: ГПКИ Проектмонтажавтоматика (1993 г. )
Расположен в:Техническая документация Экология СТРОИТЕЛЬНЫЕ МАТЕРИАЛЫ И СТРОИТЕЛЬСТВО Установки в зданиях Инженерное оборудование зданий в целом ЭЛЕКТРОТЕХНИКА Электрическая арматура Электрическая арматура в целом МАШИНОСТРОЕНИЕ Промышленные автоматизированные системы Промышленные автоматизированные системы в целом Строительство Нормативные документы Отраслевые и ведомственные нормативно-методические документы Производство монтажных и специальных строительных работ
Заменяет собой:
  • СТМ 4-14-88 часть 1 «Электрические регуляторы и сигнализаторы»
СТМ 4-14-93СТМ 4-14-93СТМ 4-14-93СТМ 4-14-93СТМ 4-14-93СТМ 4-14-93СТМ 4-14-93СТМ 4-14-93СТМ 4-14-93СТМ 4-14-93СТМ 4-14-93СТМ 4-14-93СТМ 4-14-93СТМ 4-14-93СТМ 4-14-93СТМ 4-14-93СТМ 4-14-93СТМ 4-14-93СТМ 4-14-93СТМ 4-14-93СТМ 4-14-93СТМ 4-14-93СТМ 4-14-93СТМ 4-14-93СТМ 4-14-93СТМ 4-14-93СТМ 4-14-93СТМ 4-14-93СТМ 4-14-93СТМ 4-14-93СТМ 4-14-93СТМ 4-14-93СТМ 4-14-93СТМ 4-14-93СТМ 4-14-93СТМ 4-14-93СТМ 4-14-93СТМ 4-14-93СТМ 4-14-93СТМ 4-14-93СТМ 4-14-93СТМ 4-14-93СТМ 4-14-93СТМ 4-14-93СТМ 4-14-93СТМ 4-14-93СТМ 4-14-93СТМ 4-14-93СТМ 4-14-93СТМ 4-14-93СТМ 4-14-93СТМ 4-14-93СТМ 4-14-93СТМ 4-14-93СТМ 4-14-93СТМ 4-14-93СТМ 4-14-93СТМ 4-14-93СТМ 4-14-93СТМ 4-14-93СТМ 4-14-93СТМ 4-14-93СТМ 4-14-93СТМ 4-14-93СТМ 4-14-93СТМ 4-14-93СТМ 4-14-93СТМ 4-14-93СТМ 4-14-93СТМ 4-14-93СТМ 4-14-93СТМ 4-14-93СТМ 4-14-93СТМ 4-14-93СТМ 4-14-93СТМ 4-14-93СТМ 4-14-93СТМ 4-14-93СТМ 4-14-93СТМ 4-14-93СТМ 4-14-93СТМ 4-14-93СТМ 4-14-93СТМ 4-14-93СТМ 4-14-93СТМ 4-14-93СТМ 4-14-93СТМ 4-14-93СТМ 4-14-93СТМ 4-14-93СТМ 4-14-93СТМ 4-14-93СТМ 4-14-93СТМ 4-14-93СТМ 4-14-93СТМ 4-14-93СТМ 4-14-93СТМ 4-14-93

© 2013 Ёшкин Кот :-) Карта сайта