Скачать СТМ 14-2-2003 Приборы для измерения и регулирования давления, разрежения. Установка на оборудовании и строительных основанияхДата актуализации: 10.08.2017 СТМ 14-2-2003
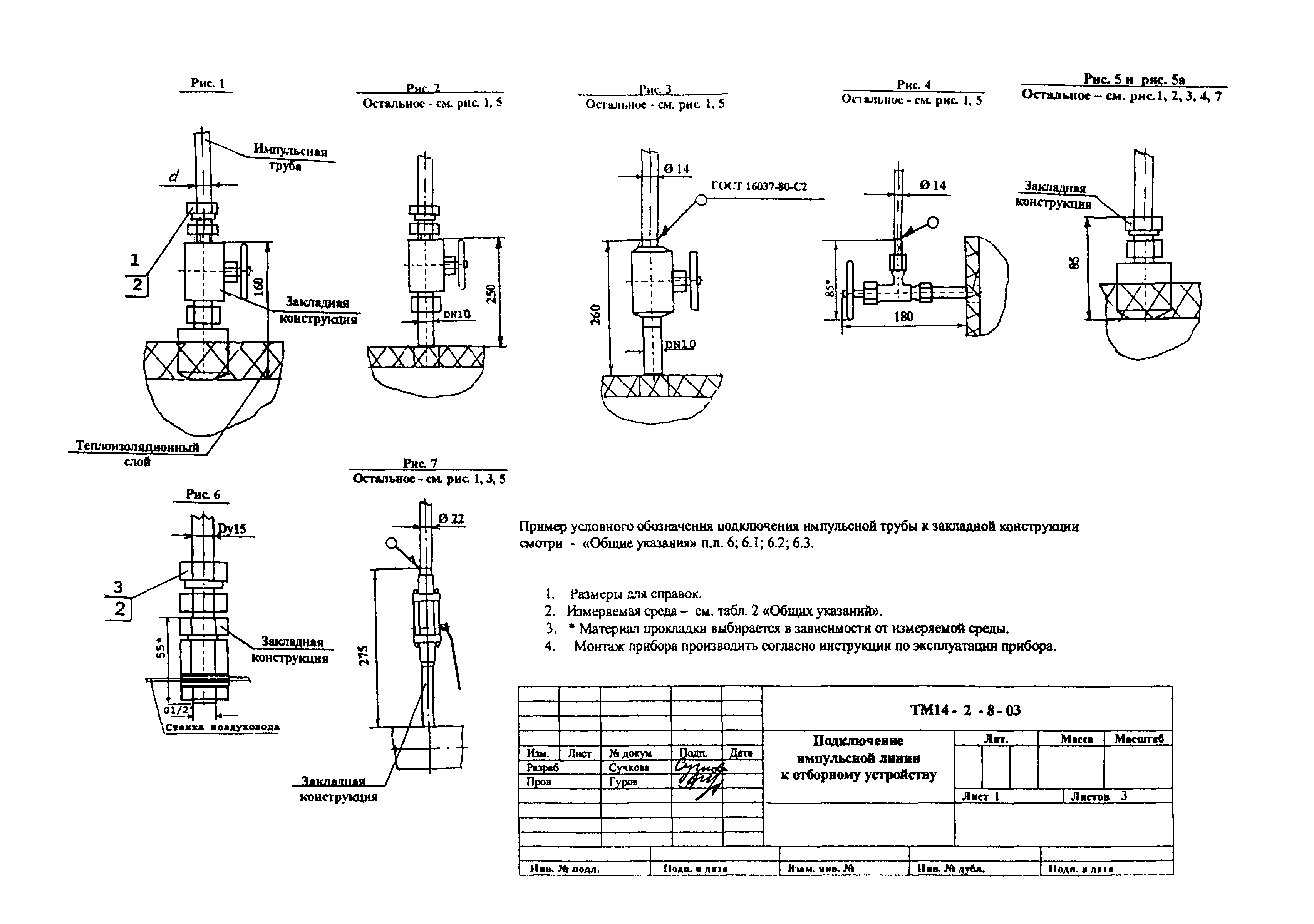
Приборы для измерения и регулирования давления, разрежения. Установка на оборудовании и строительных основанияхОбозначение: | СТМ 14-2-2003 | Обозначение англ: | 14-2-2003 | Статус: | отменен | Название рус.: | Приборы для измерения и регулирования давления, разрежения. Установка на оборудовании и строительных основаниях | Дата добавления в базу: | 01.09.2013 | Дата актуализации: | 05.05.2017 | Дата введения: | 02.11.2009 | Область применения: | Настоящий сборник типовых монтажных чертежей (СТМ) является переизданием сборника СТМ 14-2-01 с включением в него новых типовых чертежей (ТЧ), в связи с выпуском новых ТУ на отборные устройства. С выходом СТМ 14-2-2003 утрачивает силу ранее действующий сборник СТМ 14-2-01. При этом ТЧ, включенные ранее сборника СТМ 14-2-98, являются действующими. Чертежами сборника предусмотрена установка приборов общепромышленного исполнения для измерения избыточного или абсолютного давления и вакуума | Оглавление: | 1. Общие указания 2. Перечень приборов устанавливаемых на отборных устройствах | Разработан: | Ассоциация Монтажавтоматика ООО Норма-РТМ
| Утверждён: | Ассоциация Монтажавтоматика
| Издан: | ООО Норма-РТМ (2003 г. )
| Расположен в: |
| Чем заменён: | - СТО 51246464-002-2009 «Системы автоматизации. Проектирование закладных конструкций для отборов давления, разрежения, вакуума»
| Нормативные ссылки: | |
                                                                   
|