Информационная система
«Ёшкин Кот»

Скачать базу одним архивом
Скачать обновления
История создания базы
Карта сайта

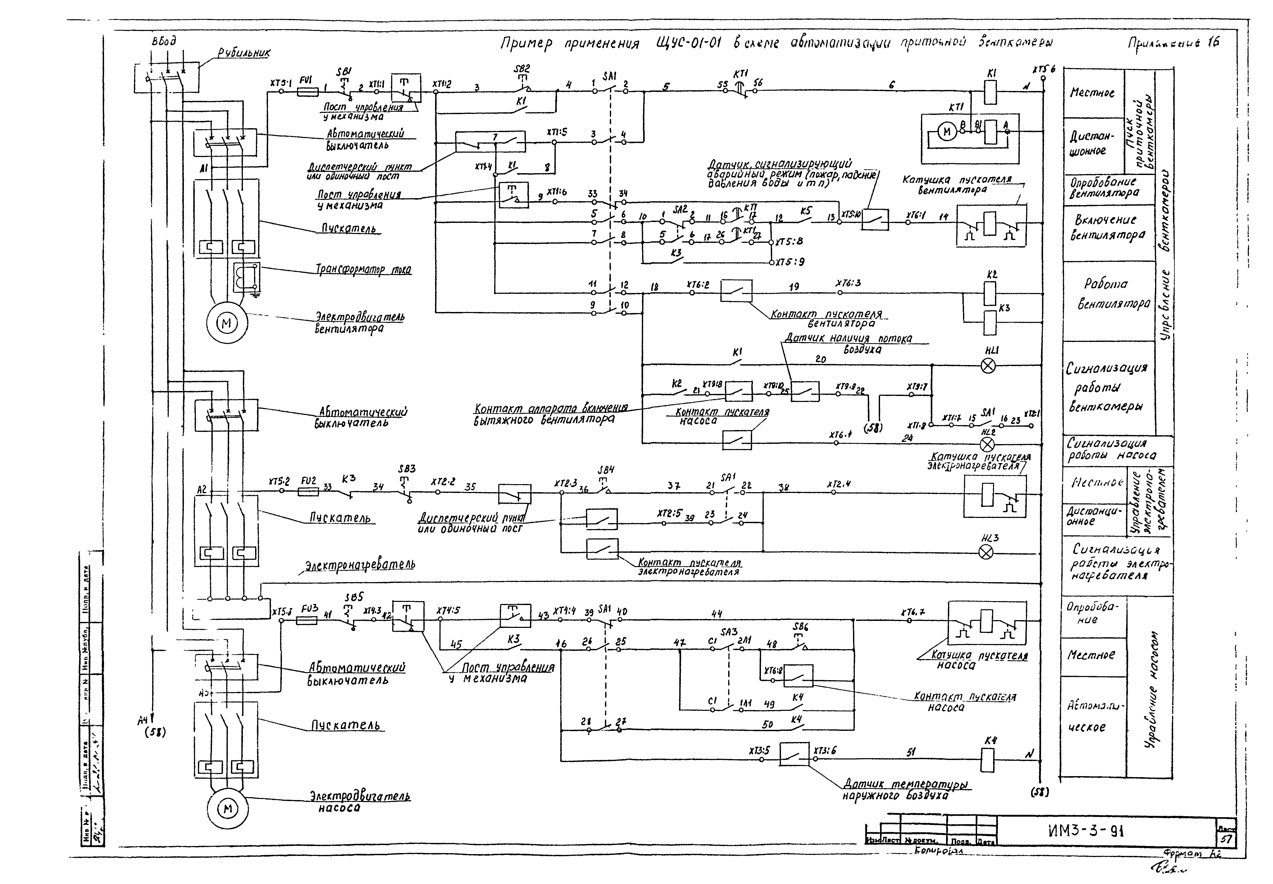
Скачать ИМ 3-3-91 Применение щитов ШУС-01 для автоматизации приточных вентиляционных камер

Дата актуализации: 10.08.2017

ИМ 3-3-91

Применение щитов ШУС-01 для автоматизации приточных вентиляционных камер

Обозначение: ИМ 3-3-91
Обозначение англ: 3-3-91
Статус:действует
Название рус.:Применение щитов ШУС-01 для автоматизации приточных вентиляционных камер
Дата добавления в базу:01.09.2013
Дата актуализации:05.05.2017
Дата введения:01.10.1991
Область применения:Настоящий информационный материал предназначен для проектных организаций в качестве пособия при разработке проектов автоматизации приточных вентиляционных камер с применением щитов управления и контроля с унифицированными схемами ШУС-01 по ТУ 36.22.22.008-87
Оглавление:1. Введение
2. Назначение и технические характеристики
3. Указания по применению
4. Особенности щита ШУС-01-15
Приложения
Утверждён:08.07.1991 Ассоциация Монтажавтоматика
Принят:02.07.1991 ГПКИ Проектмонтажавтоматика (Projectmontazhavtomatika GPKI )
Издан: Минмонтажспецстрой СССР (1991 г. )
Расположен в:Техническая документация Экология СТРОИТЕЛЬНЫЕ МАТЕРИАЛЫ И СТРОИТЕЛЬСТВО Установки в зданиях Системы электроснабжения ЭЛЕКТРОТЕХНИКА Электрические провода и кабели Электрические провода и кабели в целом МАШИНОСТРОЕНИЕ Промышленные автоматизированные системы Промышленные автоматизированные системы в целом Строительство Нормативные документы Отраслевые и ведомственные нормативно-методические документы Производство монтажных и специальных строительных работ
Заменяет собой:
  • ИМ 3-3-87
Нормативные ссылки:
ИМ 3-3-91ИМ 3-3-91ИМ 3-3-91ИМ 3-3-91ИМ 3-3-91ИМ 3-3-91ИМ 3-3-91ИМ 3-3-91ИМ 3-3-91ИМ 3-3-91ИМ 3-3-91ИМ 3-3-91ИМ 3-3-91ИМ 3-3-91ИМ 3-3-91ИМ 3-3-91ИМ 3-3-91ИМ 3-3-91ИМ 3-3-91ИМ 3-3-91ИМ 3-3-91ИМ 3-3-91ИМ 3-3-91ИМ 3-3-91ИМ 3-3-91ИМ 3-3-91ИМ 3-3-91ИМ 3-3-91ИМ 3-3-91ИМ 3-3-91ИМ 3-3-91ИМ 3-3-91ИМ 3-3-91ИМ 3-3-91ИМ 3-3-91ИМ 3-3-91ИМ 3-3-91ИМ 3-3-91ИМ 3-3-91ИМ 3-3-91ИМ 3-3-91ИМ 3-3-91ИМ 3-3-91ИМ 3-3-91ИМ 3-3-91ИМ 3-3-91ИМ 3-3-91ИМ 3-3-91ИМ 3-3-91ИМ 3-3-91ИМ 3-3-91ИМ 3-3-91ИМ 3-3-91ИМ 3-3-91ИМ 3-3-91ИМ 3-3-91ИМ 3-3-91ИМ 3-3-91ИМ 3-3-91ИМ 3-3-91ИМ 3-3-91ИМ 3-3-91ИМ 3-3-91ИМ 3-3-91ИМ 3-3-91ИМ 3-3-91

© 2013 Ёшкин Кот :-) Карта сайта