Информационная система
«Ёшкин Кот»

Скачать базу одним архивом
Скачать обновления
История создания базы
Карта сайта

Скачать Типовой проект 704-1-162.83 Альбом III. Оборудование резервуаров для хранения нефтепродуктов с давлением насыщенных паров 200-500 мм рт. ст. при подземной установке в сухих и мокрых грунтах

Дата актуализации: 10.08.2017

Типовой проект 704-1-162.83

Альбом III. Оборудование резервуаров для хранения нефтепродуктов с давлением насыщенных паров 200-500 мм рт. ст. при подземной установке в сухих и мокрых грунтах

Обозначение: Типовой проект 704-1-162.83
Обозначение англ: 704-1-162.83
Статус:не действует
Название рус.:Альбом III. Оборудование резервуаров для хранения нефтепродуктов с давлением насыщенных паров 200-500 мм рт. ст. при подземной установке в сухих и мокрых грунтах
Дата добавления в базу:01.09.2013
Дата актуализации:05.05.2017
Оглавление:Механическая часть
   Общие данные
   Общий вид резервуаров емкостью 3, 5, 10 и 25 куб. м
   Общий вид резервуаров емкостью 50, 75 и 100 куб. м
   Общий вид резервуаров емкостью 3 - 100 куб. м. Спецификация
   Установка оборудования на крышке горловины резервуара
   Патрубок замерного люка. Общий вид
   Труба дыхательная
   Патрубок приема Ду80. Общий вид. Деталь
   Патрубок раздачи Ду80. Общий вид. Детали
   Патрубок приема ПП. Патрубок раздачи ПР Ду100. Общий вид. Деталь
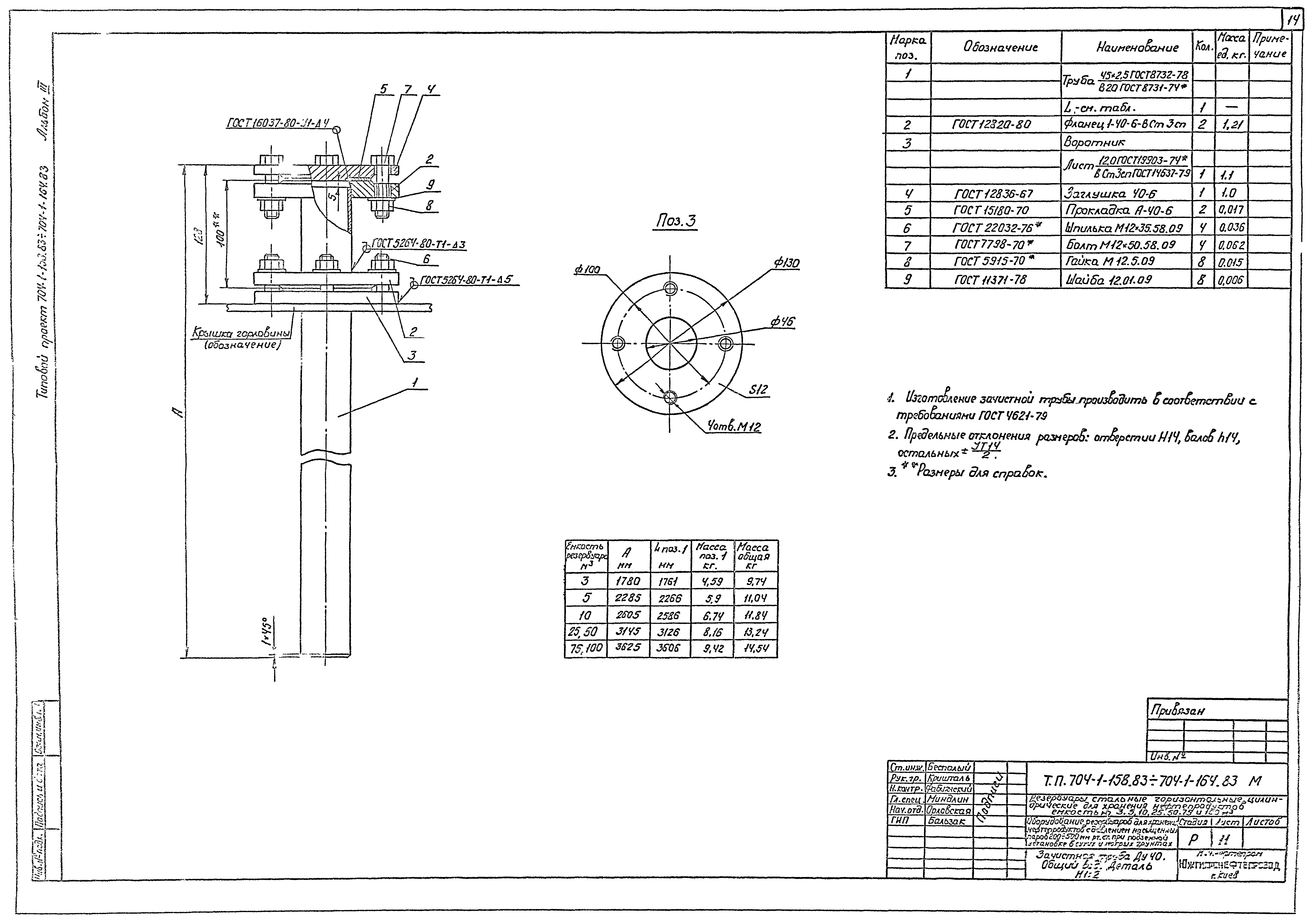
   Зачистная труба Ду40. Общий вид. Деталь
   Люк уровнемера. Общий вид
   Люк уровнемера. Детали
Архитектурно-строительная часть
   Общие данные
   Схемы расположения резервуаров в сухих грунтах
   Схемы расположения резервуаров в мокрых грунтах
   Поддон Ф1
   Анкерный фундамент Ф2
   Основание колодца К1
   Технологический колодец К2
   План расстановки уровнемеров. Фундамент Ф3
   Крышка колодца М1
   Приемник утечек М-2. Крышка смотровой трубы М3. Закладная деталь №4
   Кронштейн М5
Часть КИП и автоматики
   Общие данные. Функциональная схема автоматики
   Установка уровнемера
Разработан: Южгипронефтепровод Миннефтепрома СССР
Утверждён:10.12.1982 Миннефтепром (Minnefteprom )
Расположен в:Техническая документация Строительство Справочные документы Типовые строительные конструкции, изделия и узлы Общероссийский строительный каталог Промышленные предприятия, здания и сооружения Предприятия, здания и сооружения складские Резервуары и склады для нефти и нефтепродуктов Резервуары стальные для нефти и нефтепродуктов
Типовой проект 704-1-162.83Типовой проект 704-1-162.83Типовой проект 704-1-162.83Типовой проект 704-1-162.83Типовой проект 704-1-162.83Типовой проект 704-1-162.83Типовой проект 704-1-162.83Типовой проект 704-1-162.83Типовой проект 704-1-162.83Типовой проект 704-1-162.83Типовой проект 704-1-162.83Типовой проект 704-1-162.83Типовой проект 704-1-162.83Типовой проект 704-1-162.83Типовой проект 704-1-162.83Типовой проект 704-1-162.83Типовой проект 704-1-162.83Типовой проект 704-1-162.83Типовой проект 704-1-162.83Типовой проект 704-1-162.83Типовой проект 704-1-162.83Типовой проект 704-1-162.83Типовой проект 704-1-162.83Типовой проект 704-1-162.83Типовой проект 704-1-162.83Типовой проект 704-1-162.83Типовой проект 704-1-162.83Типовой проект 704-1-162.83

© 2013 Ёшкин Кот :-) Карта сайта