Информационная система
«Ёшкин Кот»

Скачать базу одним архивом
Скачать обновления
История создания базы
Карта сайта

Скачать Типовой проект 704-1-158.83 Альбом VIII. Ведомости материалов

Дата актуализации: 10.08.2017

Типовой проект 704-1-158.83

Альбом VIII. Ведомости материалов

Обозначение: Типовой проект 704-1-158.83
Обозначение англ: 704-1-158.83
Статус:не действует
Название рус.:Альбом VIII. Ведомости материалов
Дата добавления в базу:01.09.2013
Дата актуализации:05.05.2017
Оглавление:ТП 704-1-158.83 АС Закладные детали монолитных конструкций
ТП 704-1-158.83 АС Сталь для армирования ж/бетонных конструкций. Сухие грунты
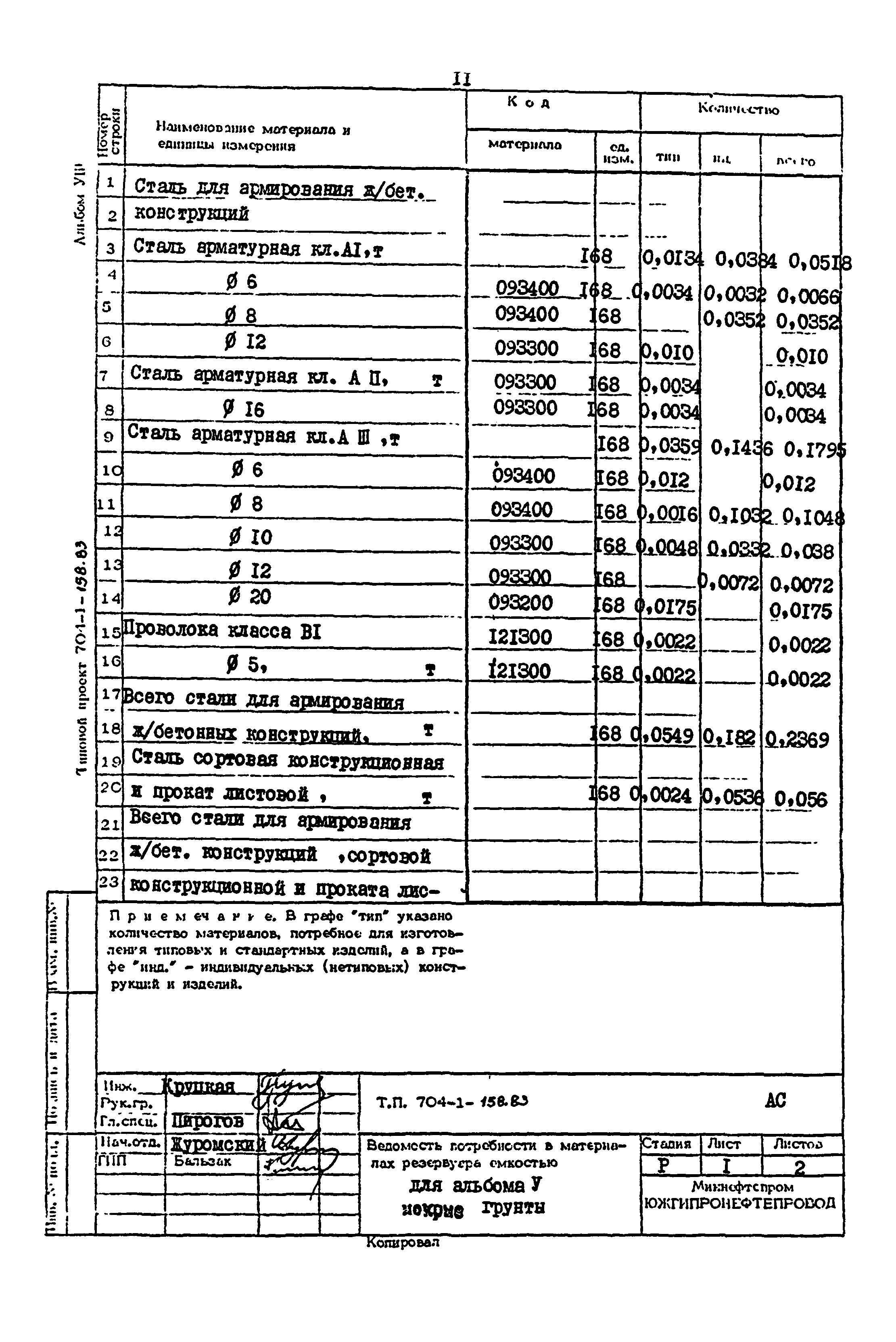
ТП 704-1-158.83 АС Сталь для армирования ж/бетонных конструкций. Мокрые грунты
ТП 704-1-158.83 АС Сталь для армирования ж/бетонных конструкций. Сухие грунты
ТП 704-1-158.83 АС Сталь для армирования ж/бетонных конструкций. Мокрые грунты
ТП 704-1-158.83 АС Цемент и инертные
ТП 704-1-158.83 АС Цемент и инертные. Сухие грунты
ТП 704-1-158.83 АС Цемент и инертные. Мокрые грунты
ТП 704-1-158.83 АС Цемент и инертные. Сухие грунты
ТП 704-1-158.83 АС Цемент и инертные. Мокрые грунты
ТП 704-1-158.83 АС Сталь для изготовления конструктивных элементов
ТП 704-1-158.83 АС Сталь для изготовления конструктивных элементов. Сухие грунты
ТП 704-1-158.83 АС Сталь для изготовления конструктивных элементов. Мокрые грунты
ТП 704-1-158.83 АС Сталь для изготовления конструктивных элементов. Сухие грунты
ТП 704-1-158.83 АС Сталь для изготовления конструктивных элементов. Мокрые грунты
ТП 704-1-158.83 М Прокат и др.
ТП 704-1-158.83 ТС Прокат и др.
ТП 704-1-158.83 Дробь чугунная и стальная техническая
Разработан: ЦНИИпроектстальконструкция
Южгипронефтепровод Миннефтепрома СССР
Проектхимзащита Минмонтажспецстроя СССР
Утверждён:10.12.1982 Миннефтепром (Minnefteprom )
Расположен в:Техническая документация Строительство Справочные документы Типовые строительные конструкции, изделия и узлы Общероссийский строительный каталог Промышленные предприятия, здания и сооружения Предприятия, здания и сооружения складские Резервуары и склады для нефти и нефтепродуктов Резервуары стальные для нефти и нефтепродуктов
Типовой проект 704-1-158.83Типовой проект 704-1-158.83Типовой проект 704-1-158.83Типовой проект 704-1-158.83Типовой проект 704-1-158.83Типовой проект 704-1-158.83Типовой проект 704-1-158.83Типовой проект 704-1-158.83Типовой проект 704-1-158.83Типовой проект 704-1-158.83Типовой проект 704-1-158.83Типовой проект 704-1-158.83Типовой проект 704-1-158.83Типовой проект 704-1-158.83Типовой проект 704-1-158.83Типовой проект 704-1-158.83Типовой проект 704-1-158.83Типовой проект 704-1-158.83Типовой проект 704-1-158.83Типовой проект 704-1-158.83Типовой проект 704-1-158.83Типовой проект 704-1-158.83Типовой проект 704-1-158.83Типовой проект 704-1-158.83Типовой проект 704-1-158.83Типовой проект 704-1-158.83Типовой проект 704-1-158.83Типовой проект 704-1-158.83Типовой проект 704-1-158.83Типовой проект 704-1-158.83Типовой проект 704-1-158.83Типовой проект 704-1-158.83Типовой проект 704-1-158.83Типовой проект 704-1-158.83Типовой проект 704-1-158.83Типовой проект 704-1-158.83Типовой проект 704-1-158.83Типовой проект 704-1-158.83Типовой проект 704-1-158.83Типовой проект 704-1-158.83Типовой проект 704-1-158.83Типовой проект 704-1-158.83Типовой проект 704-1-158.83

© 2013 Ёшкин Кот :-) Карта сайта