Информационная система
«Ёшкин Кот»

Скачать базу одним архивом
Скачать обновления
История создания базы
Карта сайта

Скачать Альбом ИЖ 3.1-1 Рабочая документация. Плиты перекрытия

Дата актуализации: 10.08.2017

Альбом ИЖ 3.1-1

Рабочая документация. Плиты перекрытия

Обозначение: Альбом ИЖ 3.1-1
Обозначение англ: ИЖ 3.1-1
Статус:не определен законодательством
Название рус.:Рабочая документация. Плиты перекрытия
Дата добавления в базу:01.09.2013
Дата актуализации:05.05.2017
Дата введения:18.12.2002
Оглавление:ГМС-2001ИЖ3.1-1-01 Содержание.
ГМС-2001ИЖ3.1-1-03 Техническое описание.
ГМС-2001ИЖ3.1-1-1 Плита П1-1-1.
ГМС-2001ИЖ3.1-1-2 Армирование плиты П1-1-1.
ГМС-2001ИЖ3.1-1-3 Плита П2-1-1.
ГМС-2001ИЖ3.1-1-4 Армирование плиты П2-1-1.
ГМС-2001ИЖ3.1-1-5 Плита П2-2-1, П2-2л-1.
ГМС-2001ИЖ3.1-1-6 Армирование плит П2-2-1, П2-2л-1.
ГМС-2001ИЖ3.1-1-7 Плита П2-3-1.
ГМС-2001ИЖ3.1-1-8 Армирование плиты П2-3-1.
ГМС-2001ИЖ3.1-1-9 Плита П3-1-1.
ГМС-2001ИЖ3.1-1-10 Армирование плиты П3-1-1.
ГМС-2001ИЖ3.1-1-11 Плита П4-1-1.
ГМС-2001ИЖ3.1-1-12 Армирование плиты П4-1-1.
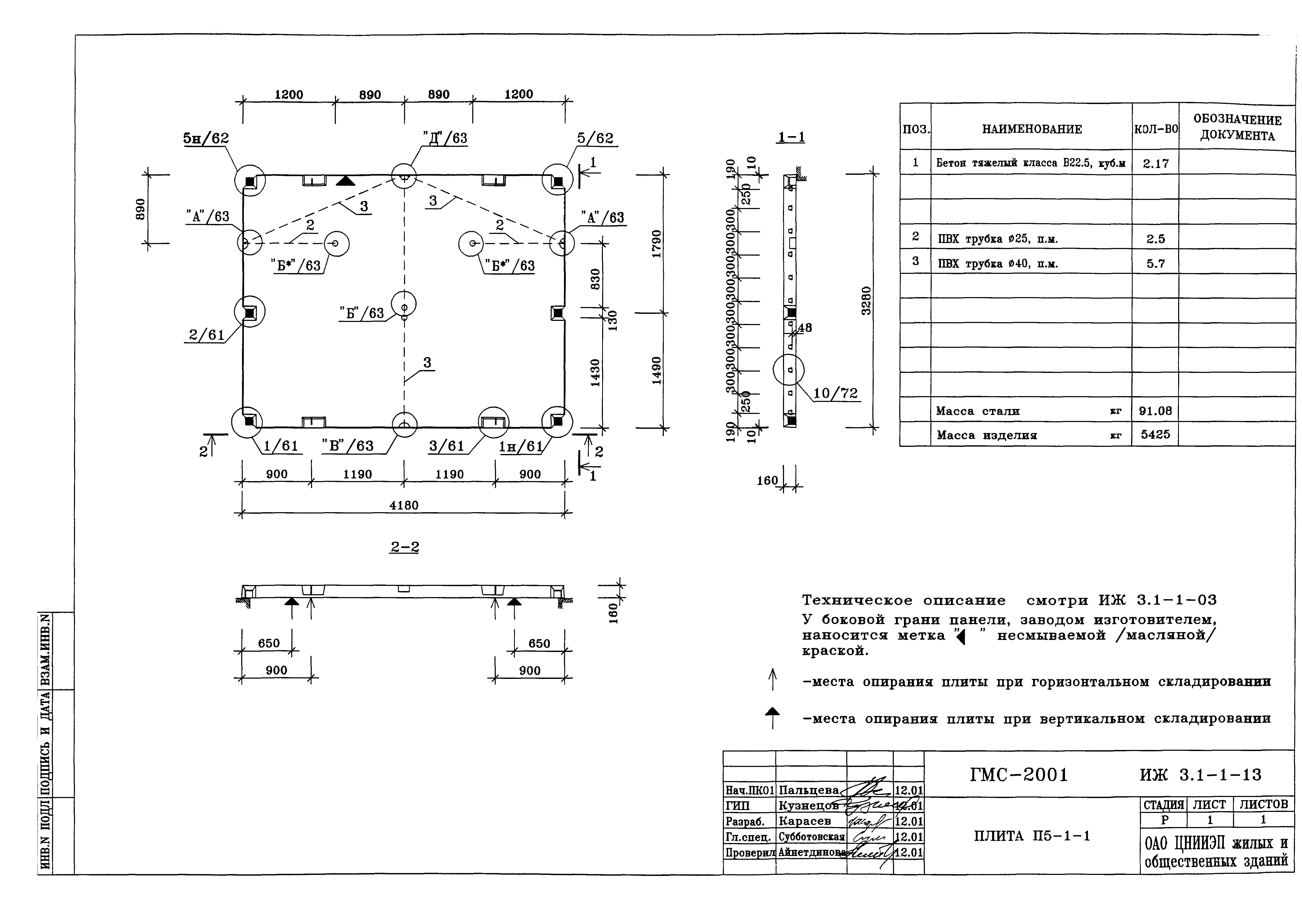
ГМС-2001ИЖ3.1-1-13 Плита П5-1-1.
ГМС-2001ИЖ3.1-1-14 Армирование плиты П5-1-1.
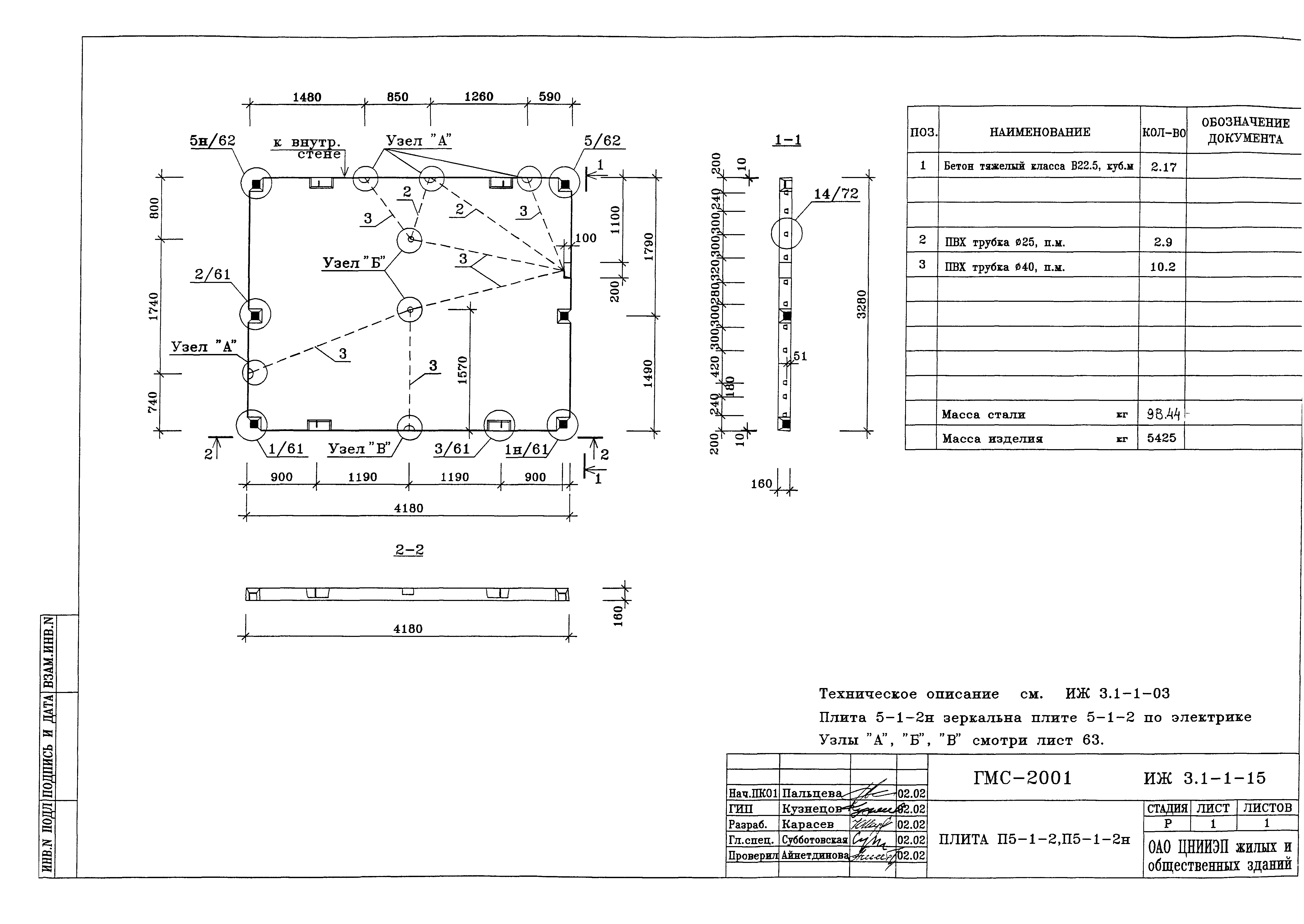
ГМС-2001ИЖ3.1-1-15 Плита П5-1-2, П5-1л-2.
ГМС-2001ИЖ3.1-1-16 Армирование плит П5-1-2, П5-1л-2.
ГМС-2001ИЖ3.1-1-17 Плита П5-3-1.
ГМС-2001ИЖ3.1-1-18 Армирование плиты П5-3-1.
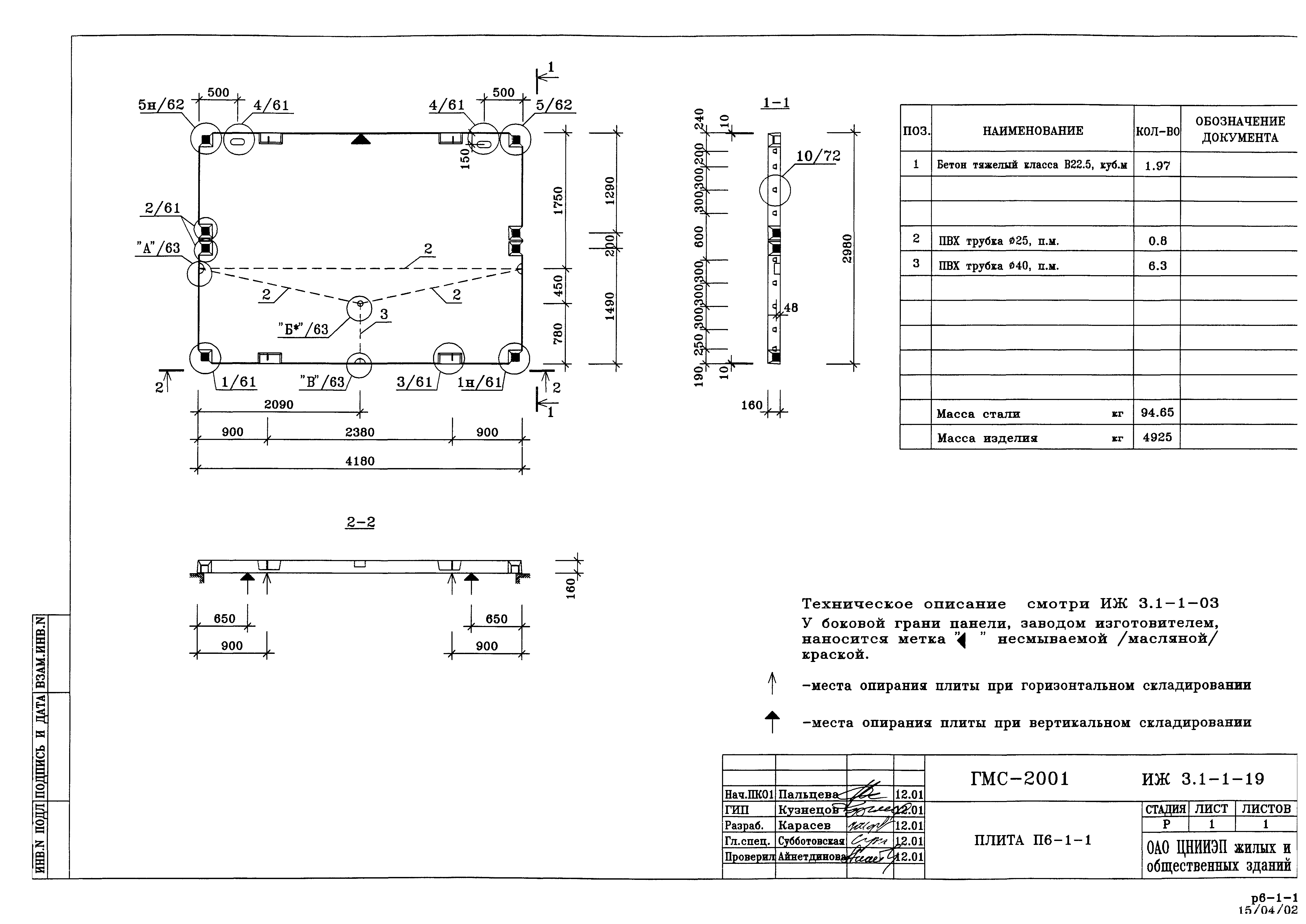
ГМС-2001ИЖ3.1-1-19 Плита П6-1-1.
ГМС-2001ИЖ3.1-1-20 Армирование плиты П6-1-1.
ГМС-2001ИЖ3.1-1-21 Плита П6-3-1.
ГМС-2001ИЖ3.1-1-22 Армирование плиты П6-3-1.
ГМС-2001ИЖ3.1-1-23 Плита П8-1-1, П8-1л-1.
ГМС-2001ИЖ3.1-1-24 Армирование плит П8-1-1, П8-1л-1.
ГМС-2001ИЖ3.1-1-25 Плита П8-2-1, П8-2л-1.
ГМС-2001ИЖ3.1-1-26 Армирование плит П8-2-1, П8-2л-1.
ГМС-2001ИЖ3.1-1-27 Плита П9-1-1.
ГМС-2001ИЖ3.1-1-28 Армирование плиты П9-1-1.
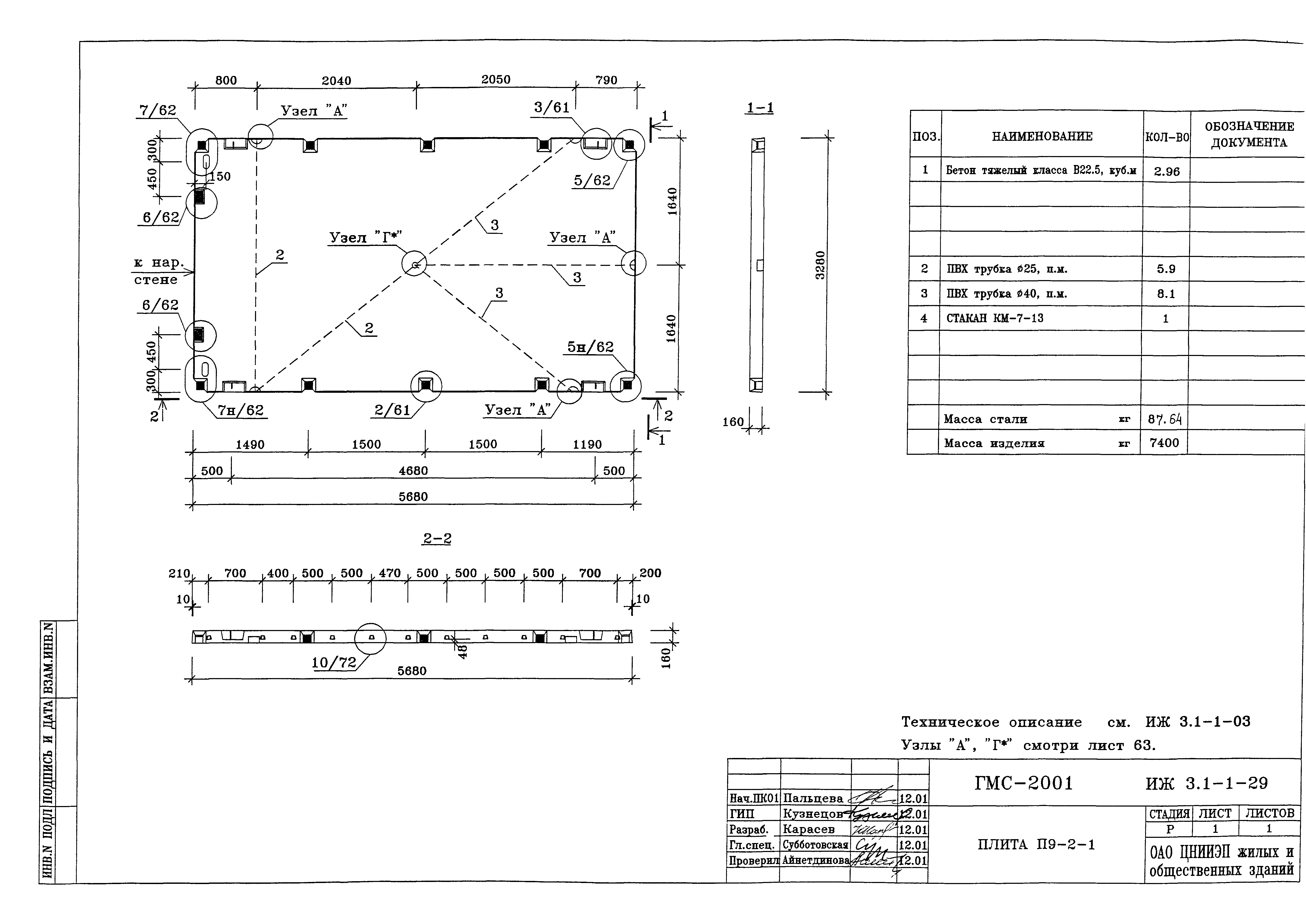
ГМС-2001ИЖ3.1-1-29 Плита П9-2-1.
ГМС-2001ИЖ3.1-1-30 Армирование плиты П9-2-1.
ГМС-2001ИЖ3.1-1-31 Плита П9-3-1, П9-3л-1.
ГМС-2001ИЖ3.1-1-32 Армирование плит П9-3-1, П9-3л-1.
ГМС-2001ИЖ3.1-1-33 Плита П10-1-1, П10-1л-1.
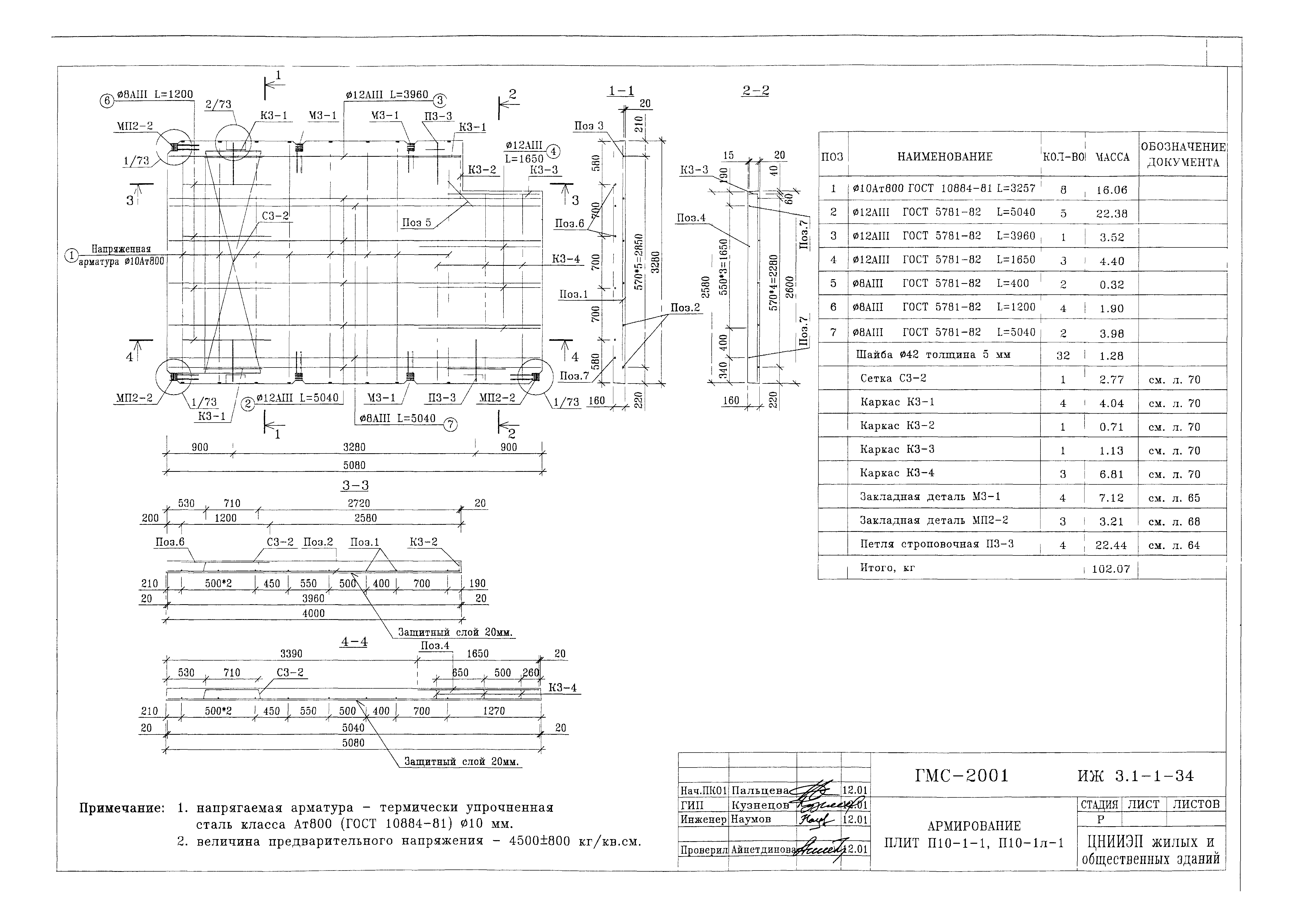
ГМС-2001ИЖ3.1-1-34 Армирование плит П10-1-1, П10-1л-1.
ГМС-2001ИЖ3.1-1-35 Плита П10-2-1, П10-2л-1.
ГМС-2001ИЖ3.1-1-36 Армирование плит П10-2-1, П10-2л-1.
ГМС-2001ИЖ3.1-1-37 Плита П10-3-1, П10-3л-1.
ГМС-2001ИЖ3.1-1-38 Армирование плит П10-3-1, П10-3л-1.
ГМС-2001ИЖ3.1-1-39 Плита П10-5-1.
ГМС-2001ИЖ3.1-1-40 Армирование плиты П10-5-1.
ГМС-2001ИЖ3.1-1-41 Плита П11-1-1.
ГМС-2001ИЖ3.1-1-42 Армирование плиты П11-1-1.
ГМС-2001ИЖ3.1-1-43 Плита П11-2-1.
ГМС-2001ИЖ3.1-1-44 Армирование плиты П11-2-1.
ГМС-2001ИЖ3.1-1-45 Плита П11-3-1.
ГМС-2001ИЖ3.1-1-46 Армирование плиты П11-3-1.
ГМС-2001ИЖ3.1-1-47 Плита П12-1-1, П12-1л-1.
ГМС-2001ИЖ3.1-1-48 Армирование плит П12-1-1, П12-1л-1.
ГМС-2001ИЖ3.1-1-49 Плита П12-2-1, П12-2л-1.
ГМС-2001ИЖ3.1-1-50 Армирование плит П12-2-1, П12-2л-1.
ГМС-2001ИЖ3.1-1-51 Плита П13-1-1, П13-1л-1.
ГМС-2001ИЖ3.1-1-52 Армирование плит П13-1-1, П13-1л-1.
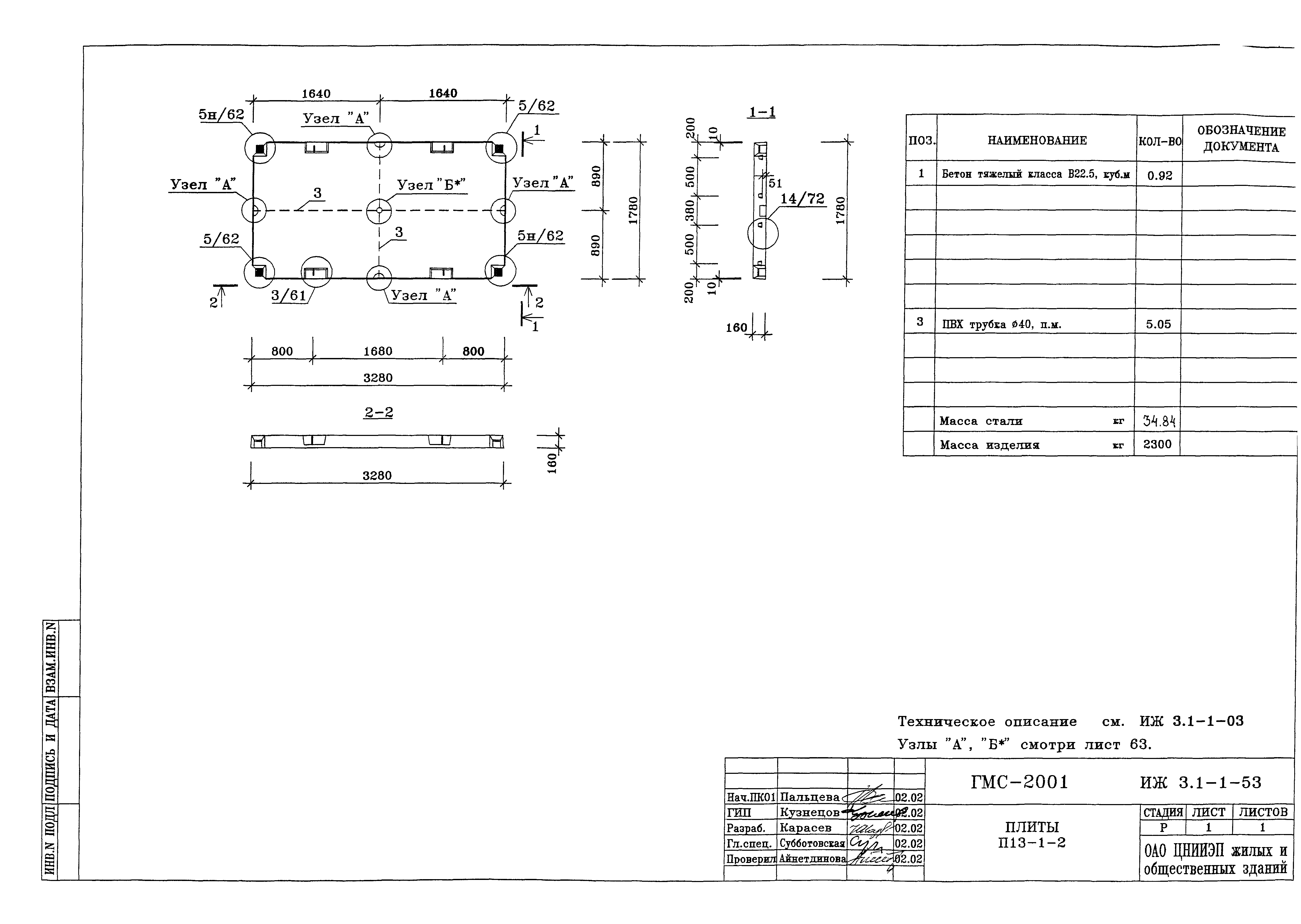
ГМС-2001ИЖ3.1-1-53 Плита П13-1-2.
ГМС-2001ИЖ3.1-1-54 Армирование плиты П13-1-2.
ГМС-2001ИЖ3.1-1-55 Плита П13-1-3, П13-1л-3.
ГМС-2001ИЖ3.1-1-56 Армирование плит П13-1-3, П13-1л-3.
ГМС-2001ИЖ3.1-1-57 Плита П14-1-1.
ГМС-2001ИЖ3.1-1-58 Армирование плиты П14-1-1.
ГМС-2001ИЖ3.1-1-59 Плита П15-1-1.
ГМС-2001ИЖ3.1-1-60 Армирование плиты П15-1-1.
ГМС-2001ИЖ3.1-1-61 Плиты перекрытия. Узлы 1-4.
ГМС-2001ИЖ3.1-1-62 Плиты перекрытия. Узлы 5-9.
ГМС-2001ИЖ3.1-1-63 Узлы А, Б, Б*, В, Г, Г*, Д.
ГМС-2001ИЖ3.1-1-64 Петля монтажная П3-1,П3-2,П3-3.
ГМС-2001ИЖ3.1-1-65 Изделие закладное М3-1.
ГМС-2001ИЖ3.1-1-66 Изделие закладное М3-2.
ГМС-2001ИЖ3.1-1-67 Изделие закладное М3-3.
ГМС-2001ИЖ3.1-1-68 Изделие закладное МП2-2.
ГМС-2001ИЖ3.1-1-69 Изделие закладное МП2-2а.
ГМС-2001ИЖ3.1-1-70 Каркасы К3-1 - К3-5а. Сетки С3-1 - С3-3.
ГМС-2001ИЖ3.1-1-71 Сетки С3-4 - С3-8. Каркас К3-6 - К3-8.
ГМС-2001ИЖ3.1-1-72 Узлы 10, 14.
ГМС-2001ИЖ3.1-1-73 Арматурные узлы 1, 2.
ГМС-2001ИЖ3.1-1-74 Сетки С3-12 - С3-15. Каркасы К3-13 - К3-19.
ГМС-2001ИЖ3.1-1-75 Плита П5-2-1,П5-2л-1
ГМС-2001ИЖ3.1-1-76 Армирование плиты П5-2-1,П5-2л-1
ГМС-2001ИЖ3.1-1-77 Плита П5-4-1,П5-4л-1
ГМС-2001ИЖ3.1-1-78 Армирование плиты П5-4-1,П5-4л-1
ГМС-2001ИЖ3.1-1-79 Плита П6-1-2
ГМС-2001ИЖ3.1-1-80 Армирование плиты П6-1-2
ГМС-2001ИЖ3.1-1-81 Плита П6-2-1
ГМС-2001ИЖ3.1-1-82 Армирование плиты П6-2-1
ГМС-2001ИЖ3.1-1-83 Плита П12-3-1,П12-3л-1
ГМС-2001ИЖ3.1-1-84 Армирование плиты П12-3-1,П12-3л-1
ГМС-2001ИЖ3.1-1-85 Плита П16-1-1
ГМС-2001ИЖ3.1-1-86 Армирование плиты П16-1-1
ГМС-2001ИЖ3.1-1-87 Плита П17-1-1
ГМС-2001ИЖ3.1-1-88 Армирование плиты П17-1-1
ГМС-2001ИЖ3.1-1-89 Плита П17-2-1,П17-2л-1
ГМС-2001ИЖ3.1-1-90 Армирование плиты П17-2-1,П17-2л-1
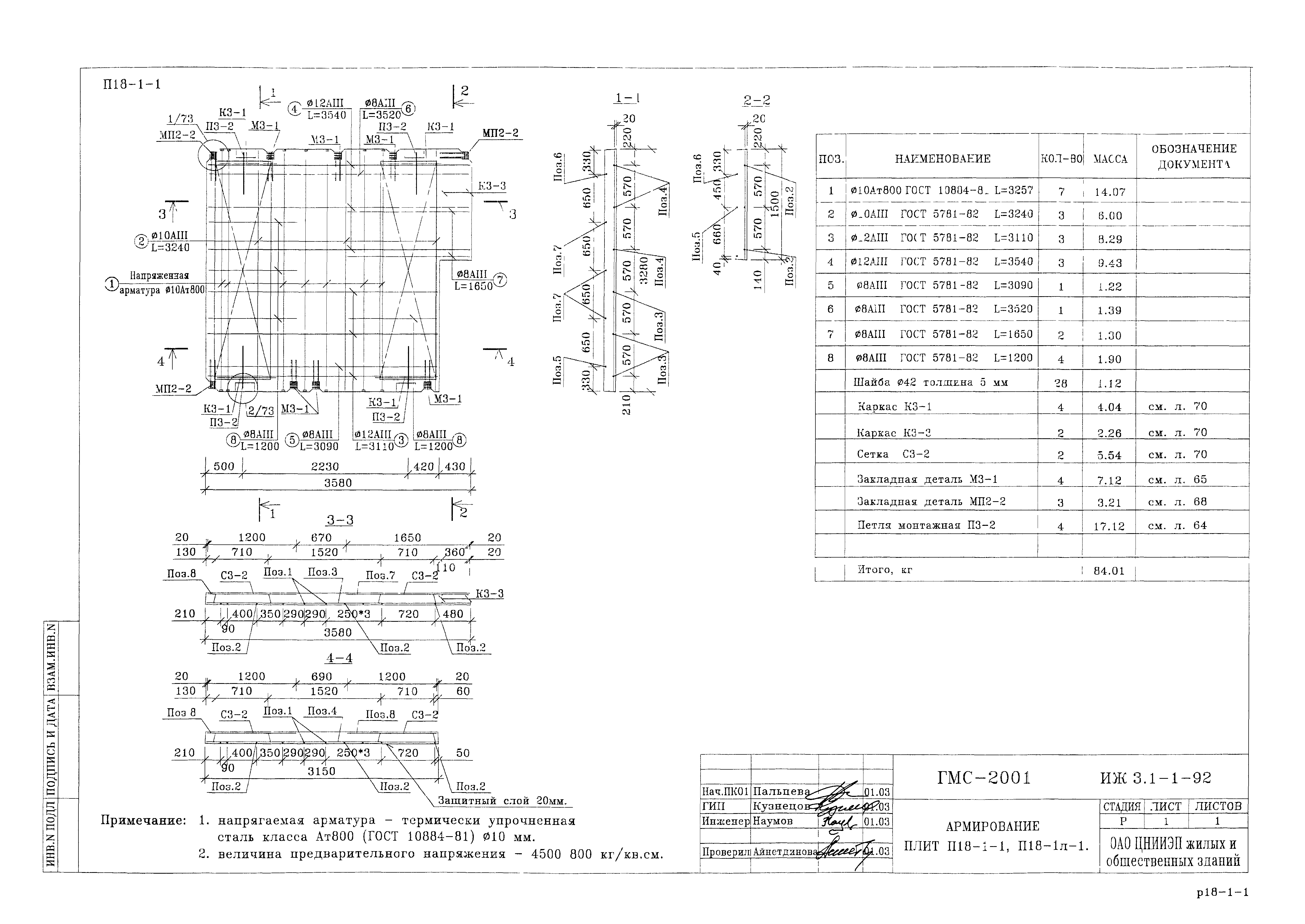
ГМС-2001ИЖ3.1-1-91 Плита П18-1-1,П18-1л-1
ГМС-2001ИЖ3.1-1-92 Армирование плиты П18-1-1,П18-1л-1
ГМС-2001ИЖ3.1-1-93 Плита П19-1-1
ГМС-2001ИЖ3.1-1-94 Армирование плиты П19-1-1
ГМС-2001ИЖ3.1-1-95 Плита П19-1-2
ГМС-2001ИЖ3.1-1-96 Армирование плиты П19-1-2
ГМС-2001ИЖ3.1-1-97 Плита П20-1
ГМС-2001ИЖ3.1-1-98 Армирование плиты П20-1
ГМС-2001ИЖ3.1-1-99 Плита П20-2
ГМС-2001ИЖ3.1-1-100 Армирование плиты П20-2
ГМС-2001ИЖ3.1-1-101 Плита П1-2
ГМС-2001ИЖ3.1-1-102 Армирование плиты П1-2
Разработан: ЦНИИЭП жилища
Утверждён:18.12.2002 ЦНИИЭП жилища (TsNIIEPzhilishcha 287)
Расположен в:Техническая документация Строительство Справочные документы Типовые строительные конструкции, изделия и узлы Разработанные другими министерствами, ведомствами и организациями
Альбом ИЖ 3.1-1Альбом ИЖ 3.1-1Альбом ИЖ 3.1-1Альбом ИЖ 3.1-1Альбом ИЖ 3.1-1Альбом ИЖ 3.1-1Альбом ИЖ 3.1-1Альбом ИЖ 3.1-1Альбом ИЖ 3.1-1Альбом ИЖ 3.1-1Альбом ИЖ 3.1-1Альбом ИЖ 3.1-1Альбом ИЖ 3.1-1Альбом ИЖ 3.1-1Альбом ИЖ 3.1-1Альбом ИЖ 3.1-1Альбом ИЖ 3.1-1Альбом ИЖ 3.1-1Альбом ИЖ 3.1-1Альбом ИЖ 3.1-1Альбом ИЖ 3.1-1Альбом ИЖ 3.1-1Альбом ИЖ 3.1-1Альбом ИЖ 3.1-1Альбом ИЖ 3.1-1Альбом ИЖ 3.1-1Альбом ИЖ 3.1-1Альбом ИЖ 3.1-1Альбом ИЖ 3.1-1Альбом ИЖ 3.1-1Альбом ИЖ 3.1-1Альбом ИЖ 3.1-1Альбом ИЖ 3.1-1Альбом ИЖ 3.1-1Альбом ИЖ 3.1-1Альбом ИЖ 3.1-1Альбом ИЖ 3.1-1Альбом ИЖ 3.1-1Альбом ИЖ 3.1-1Альбом ИЖ 3.1-1Альбом ИЖ 3.1-1Альбом ИЖ 3.1-1Альбом ИЖ 3.1-1Альбом ИЖ 3.1-1Альбом ИЖ 3.1-1Альбом ИЖ 3.1-1Альбом ИЖ 3.1-1Альбом ИЖ 3.1-1Альбом ИЖ 3.1-1Альбом ИЖ 3.1-1Альбом ИЖ 3.1-1Альбом ИЖ 3.1-1Альбом ИЖ 3.1-1Альбом ИЖ 3.1-1Альбом ИЖ 3.1-1Альбом ИЖ 3.1-1Альбом ИЖ 3.1-1Альбом ИЖ 3.1-1Альбом ИЖ 3.1-1Альбом ИЖ 3.1-1Альбом ИЖ 3.1-1Альбом ИЖ 3.1-1Альбом ИЖ 3.1-1Альбом ИЖ 3.1-1Альбом ИЖ 3.1-1Альбом ИЖ 3.1-1Альбом ИЖ 3.1-1Альбом ИЖ 3.1-1Альбом ИЖ 3.1-1Альбом ИЖ 3.1-1Альбом ИЖ 3.1-1Альбом ИЖ 3.1-1Альбом ИЖ 3.1-1Альбом ИЖ 3.1-1Альбом ИЖ 3.1-1Альбом ИЖ 3.1-1Альбом ИЖ 3.1-1Альбом ИЖ 3.1-1Альбом ИЖ 3.1-1Альбом ИЖ 3.1-1Альбом ИЖ 3.1-1Альбом ИЖ 3.1-1Альбом ИЖ 3.1-1Альбом ИЖ 3.1-1Альбом ИЖ 3.1-1

© 2013 Ёшкин Кот :-) Карта сайта