Скачать Шифр 2021-164.1 Колонны железобетонные унифицированные по сечениям для одноэтажных производственных зданий высотой 8,4 - 14,4 м, оборудованных мостовыми опорными кранами грузоподъемностью до 32 тоннДата актуализации: 10.08.2017 Шифр 2021-164.1
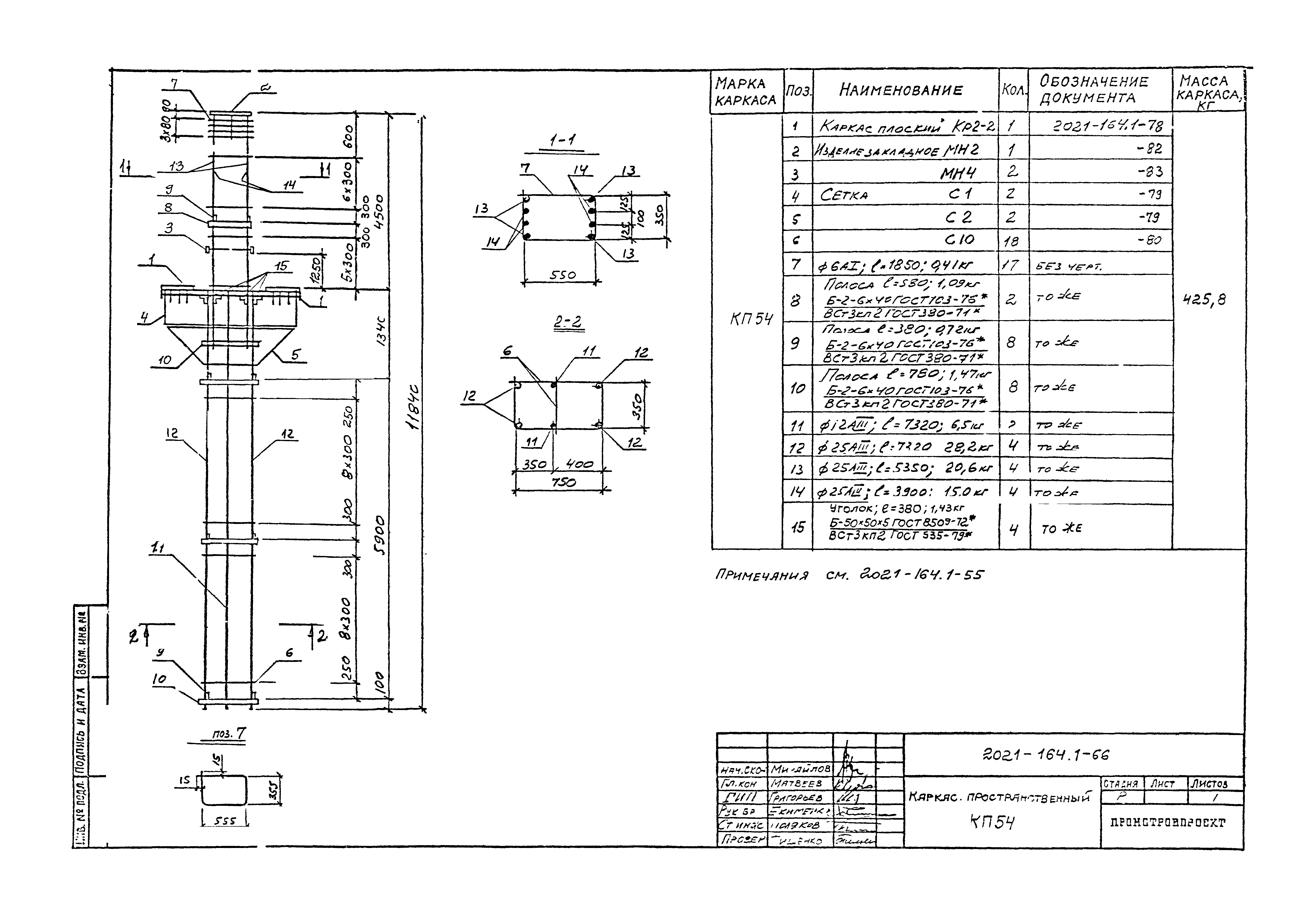
Колонны железобетонные унифицированные по сечениям для одноэтажных производственных зданий высотой 8,4 - 14,4 м, оборудованных мостовыми опорными кранами грузоподъемностью до 32 тоннОбозначение: | Шифр 2021-164.1 | Обозначение англ: | 2021-164.1 | Статус: | не определен законодательством | Название рус.: | Колонны железобетонные унифицированные по сечениям для одноэтажных производственных зданий высотой 8,4 - 14,4 м, оборудованных мостовыми опорными кранами грузоподъемностью до 32 тонн | Дата добавления в базу: | 01.09.2013 | Дата актуализации: | 05.05.2017 | Дата введения: | 22.07.1988 | Оглавление: | 2021-164.1-00ПЗ Пояснительная записка 2021-164.1-1 Габаритные схемы зданий 2021-164.1-2 Номенклатура колонн крайних рядов 2021-164.1-3 Номенклатура колонн средних рядов 2021-164.1-4 Ключ для подбора колонн 2021-164.1-5 Колонна 1КК84-1;КК96-1;КК96-2;2КК96-1;2КК96-2;1КК108-1;1КК108-2;2КК108-1;2КК108-2;1КК120-1;2КК120-1 2021-164.1-6 Колонна 2КК84-1;3КК96-1;4КК96-2;3КК108-1…3КК108-3;3КК120-1 2021-164.1-7 Колонна 4КК108-1;4КК103-2;5КК108-1…5КК108-3;4КК120-1ё;4КК120-2;5КК120-1…5КК120-3 2021-164.1-8 Колонна 1КК132-1;2КК132-2;1КК144-1;2КК144-1 2021-164.1-9 Колонна 3КК132-1;4КК132-1;5КК132-1;5КК132-2;3КК144-1;4КК144-1;5КК144-1;5КК144-2 2021-164.1-10 Колонна 3КК94-1;4КК84-1;5КК96-1;6КК96-1;7КК96-1;8КК96-1 2021-164.1-11 Колонна 6КК108-1;7КК108-1;7КК108-2;8КК108-1;9КК108-1;9КК108-2 2021-164.1-12 Колонна 6КК120-1;7КК120-1;7КК120-2;6КК132-1;7КК132-1;7КК132-2;6КК144-1;7КК144-1;7КК144-2 2021-164.1-13 Каркас пространственный КП1 2021-164.1-14 Каркас пространственный КП2 2021-164.1-15 Каркас пространственный КП3 2021-164.1-16 Каркас пространственный КП4 2021-164.1-17 Каркас пространственный КП5 2021-164.1-18 Каркас пространственный КП6 2021-164.1-19 Каркас пространственный КП7 2021-164.1-20 Каркас пространственный КП8 2021-164.1-21 Каркас пространственный КП9 2021-164.1-22 Каркас пространственный КП10 2021-164.1-23 Каркас пространственный КП11 2021-164.1-24 Каркас пространственный КП12 2021-164.1-25 Каркас пространственный КП13 2021-164.1-26 Каркас пространственный КП14 2021-164.1-27 Каркас пространственный КП15 2021-164.1-28 Каркас пространственный КП16 2021-164.1-29 Каркас пространственный КП17 2021-164.1-30 Каркас пространственный КП18 2021-164.1-31 Каркас пространственный КП19 2021-164.1-32 Каркас пространственный КП20 2021-164.1-33 Каркас пространственный КП21 2021-164.1-34 Каркас пространственный КП22 2021-164.1-35 Каркас пространственный КП23 2021-164.1-36 Каркас пространственный КП24 2021-164.1-37 Каркас пространственный КП25 2021-164.1-38 Каркас пространственный КП26 2021-164.1-39 Каркас пространственный КП27 2021-164.1-40 Каркас пространственный КП28 2021-164.1-41 Каркас пространственный КП29 2021-164.1-42 Каркас пространственный КП30 2021-164.1-43 Каркас пространственный КП31 2021-164.1-44 Каркас пространственный КП32 2021-164.1-45 Каркас пространственный КП33 2021-164.1-46 Каркас пространственный КП34 2021-164.1-47 Каркас пространственный КП35 2021-164.1-48 Каркас пространственный КП36 2021-164.1-49 Каркас пространственный КП37 2021-164.1-50 Каркас пространственный КП38 2021-164.1-51 Каркас пространственный КП39 2021-164.1-52 Каркас пространственный КП40 2021-164.1-53 Каркас пространственный КП41 2021-164.1-54 Каркас пространственный КП42 2021-164.1-55 Каркас пространственный КП43 2021-164.1-56 Каркас пространственный КП44 2021-164.1-57 Каркас пространственный КП45 2021-164.1-58 Каркас пространственный КП46 2021-164.1-59 Каркас пространственный КП47 2021-164.1-60 Каркас пространственный КП48 2021-164.1-61 Каркас пространственный КП49 2021-164.1-62 Каркас пространственный КП50 2021-164.1-63 Каркас пространственный КП51 2021-164.1-64 Каркас пространственный КП52 2021-164.1-65 Каркас пространственный КП53 2021-164.1-66 Каркас пространственный КП54 2021-164.1-67 Каркас пространственный КП55 2021-164.1-68 Каркас пространственный КП56 2021-164.1-69 Каркас пространственный КП57 2021-164.1-70 Каркас пространственный КП58 2021-164.1-71 Каркас пространственный КП59 2021-164.1-72 Каркас пространственный КП60 2021-164.1-73 Каркас пространственный КП61 2021-164.1-74 Каркас пространственный КП62 2021-164.1-75 Каркас пространственный КП63 2021-164.1-76 Каркас Кр1-1 2021-164.1-77 Каркас Кр1-2;Кр1-3 2021-164.1-78 Каркас Кр2-1;Кр2-2 2021-164.1-79 Сетки С1;С2;С3;С4 2021-164.1-80 Сетки С5;С6;С9;С10 2021-164.1-81 Сетки С7;С8 2021-164.1-82 Изделие закладное МН1;МН2 2021-164.1-83 Изделие закладное МН3;МН4 2021-164.1-84 Изделие закладное МН5 2021-164.1-85 Изделие закладное МН30;МН31 2021-164.1-86 Изделие закладное МН11;МН12,М1-12 2021-164.1-87 Изделие закладное М1-14;МН29;МН17;МН26…МН28 2021-164.1-88 Изделие закладное МН19...МН25 2021-164.1-89 Изделие соединительное МС1…МС4 2021-164.1-90 Пример установки закладных изделий МН1;МН2 2021-164.1-91 Пример установки закладных изделий МН3;МН4;МН11;МН12;МС1;МС3 в колоннах крайнего ряда 2021-164.1-92 Пример установки закладных изделий МН3;МН4;МН11;МН12;МС1;МС3 в колоннах крайнего ряда 2021-164.1-93 Пример установки закладных изделий МН3;МН4;МН11;МН12 и соединительных МС1;МС3 в колоннах крайнего ряда при привязке "250" 2021-164.1-94 Пример установки закладных изделий МН4;МН5;МН11;МН12 и соединительных МС2;МС4 в колоннах крайнего ряда при привязке "250" и шаге колонн 12м 2021-164.1-95 Пример установки закладных изделий МН3;МН4;МН11;МН12 и соединительных МС1;МС3 в колоннах крайнего ряда при привязке "250" 2021-164.1-96 Пример установки закладных изделий МН4;МН5;МН11;МН12 и соединительных МС2;МС4 в колоннах крайнего ряда при привязке "250" и шаге колонн 12м 2021-164.1-97 Пример установки закладных изделий МН4;МН11;МС1...МС4 в колоннах среднего ряда 2021-164.1-98 Пример установки закладного изделия М1-12 2021-164.1-99 Пример установки закладных изделий МН419...МН25;МН30;МН31 2021-164.1-100 Выборка стали на колонны | Разработан: | ГПИ Промстройпроект
| Утверждён: | 22.07.1988 Промстройпроект (Promstroyproject 53)
| Расположен в: |
|
                                                                                                                    
|