Информационная система
«Ёшкин Кот»

Скачать базу одним архивом
Скачать обновления
История создания базы
Карта сайта

Скачать Серия 1.415.1-2 Выпуск 4. Балки для стен зданий с шагом колонн 6 и 12 м. Технические условия

Дата актуализации: 10.08.2017

Серия 1.415.1-2

Выпуск 4. Балки для стен зданий с шагом колонн 6 и 12 м. Технические условия

Обозначение: Серия 1.415.1-2
Обозначение англ: Series 1.415.1-2
Статус:заменен
Название рус.:Выпуск 4. Балки для стен зданий с шагом колонн 6 и 12 м. Технические условия
Дата добавления в базу:01.09.2013
Дата актуализации:05.05.2017
Дата введения:30.06.1995
Область применения:Настоящие технические условия распространяются на железобетонные фундаментные балки для наружных и внутренних стен производственных зданий промышленных предприятий с шагом колонн 6 и 12 м
Оглавление:1.413.1-2.4-ТУ Типы, основные параметры и размеры
1.413.1-2.4-ТУ Технические требования
1.413.1-2.4-ТУ Правила приемки
1.413.1-2.4-ТУ Методы контроля и испытаний
1.413.1-2.4-ТУ Маркировка, транспортирование и хранение
1.413.1-2.4-ТУ Гарантии изготовителя
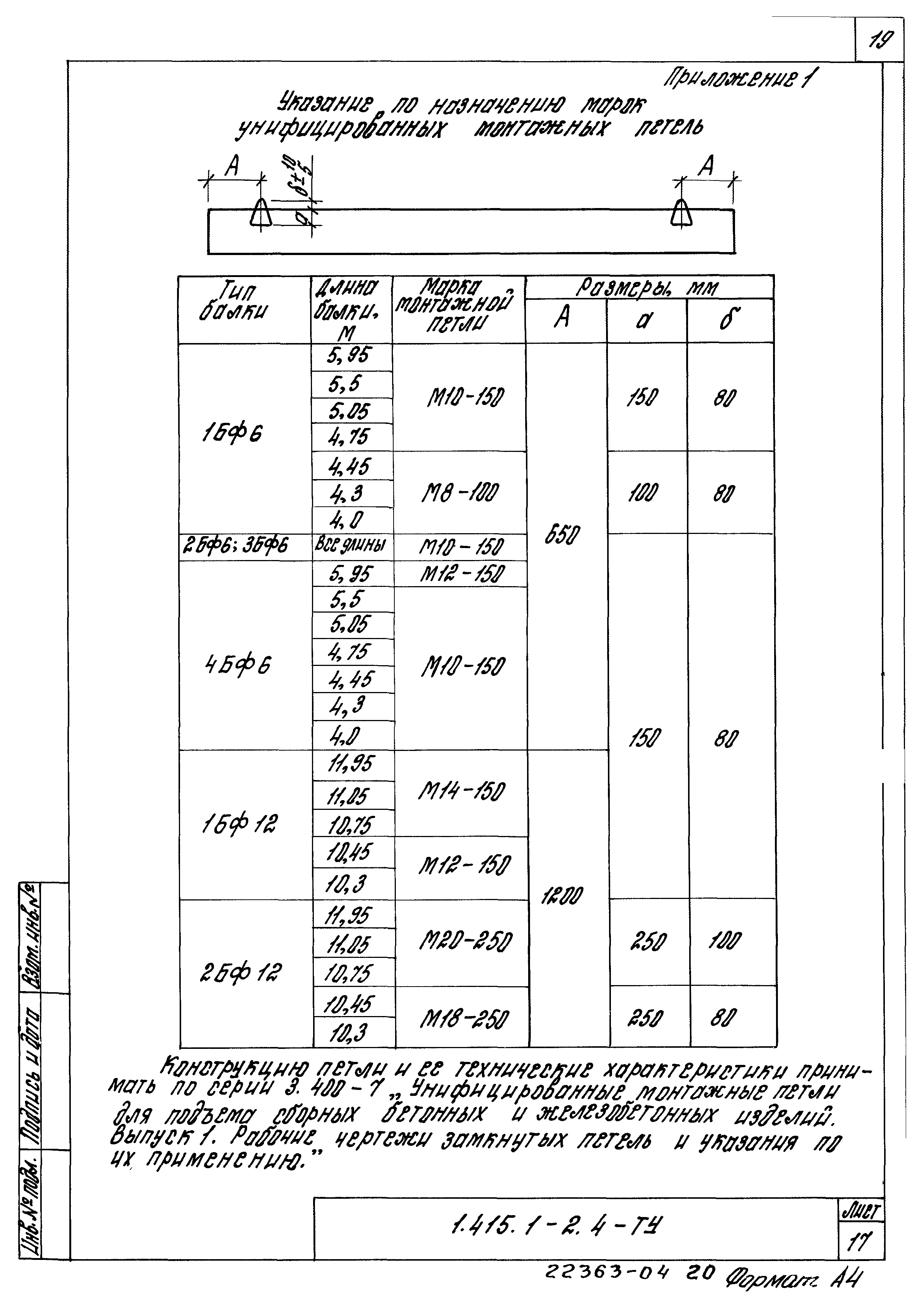
1.413.1-2.4-ТУ Приложение 1. Указание по назначению марок унифицированных монтажных петель
1.413.1-2.4-ТУ Приложение 2. Данные по испытанию фундаментных балок нагружением
Разработан: ЦНИИпромзданий
Утверждён:14.07.1987 Госстрой СССР (Государственный комитет Совета Министров СССР по делам строительства) (USSR Gosstroy )
Расположен в:Техническая документация Строительство Справочные документы Типовые строительные конструкции, изделия и узлы Общероссийский строительный каталог Строительные конструкции, изделия и узлы зданий и сооружений для всех видов строительства Конструкции, изделия и узлы зданий Конструкции нулевого цикла Фундаментные балки
Заменяет собой:
Чем заменён:
Нормативные ссылки:
Серия 1.415.1-2Серия 1.415.1-2Серия 1.415.1-2Серия 1.415.1-2Серия 1.415.1-2Серия 1.415.1-2Серия 1.415.1-2Серия 1.415.1-2Серия 1.415.1-2Серия 1.415.1-2Серия 1.415.1-2Серия 1.415.1-2Серия 1.415.1-2Серия 1.415.1-2Серия 1.415.1-2Серия 1.415.1-2Серия 1.415.1-2Серия 1.415.1-2Серия 1.415.1-2Серия 1.415.1-2Серия 1.415.1-2Серия 1.415.1-2Серия 1.415.1-2Серия 1.415.1-2Серия 1.415.1-2Серия 1.415.1-2Серия 1.415.1-2Серия 1.415.1-2

© 2013 Ёшкин Кот :-) Карта сайта