Информационная система
«Ёшкин Кот»

Скачать базу одним архивом
Скачать обновления
История создания базы
Карта сайта

Скачать Типовой проект 407-3-653.01 Альбом II. Электротехническая часть. Опросные листы

Дата актуализации: 10.08.2017

Типовой проект 407-3-653.01

Альбом II. Электротехническая часть. Опросные листы

Обозначение: Типовой проект 407-3-653.01
Обозначение англ: 407-3-653.01
Статус:не определен законодательством
Название рус.:Альбом II. Электротехническая часть. Опросные листы
Дата добавления в базу:01.09.2013
Дата актуализации:05.05.2017
Дата введения:01.11.2002
Оглавление:Электротехническая часть - ЭП
1 Общие данные (начало)
2 Общие данные (окончание)
3 Схема электрических соединений 10(6) кВ
4 План и разрез РП
5 Рабочий ввод 10(6) кВ. Схема электрическая принципиальная (начало)
6 Рабочий ввод 10(6) кВ. Схема электрическая принципиальная (продолжение)
7 Рабочий ввод 10(6) кВ. Схема электрическая принципиальная (окончание)
8 Секционный выключатель 10(6) кВ. Схема электрическая принципиальная (начало)
9 Секционный выключатель 10(6) кВ. Схема электрическая принципиальная (продолжение)
10 Секционный выключатель 10(6) кВ. Схема электрическая принципиальная (окончание)
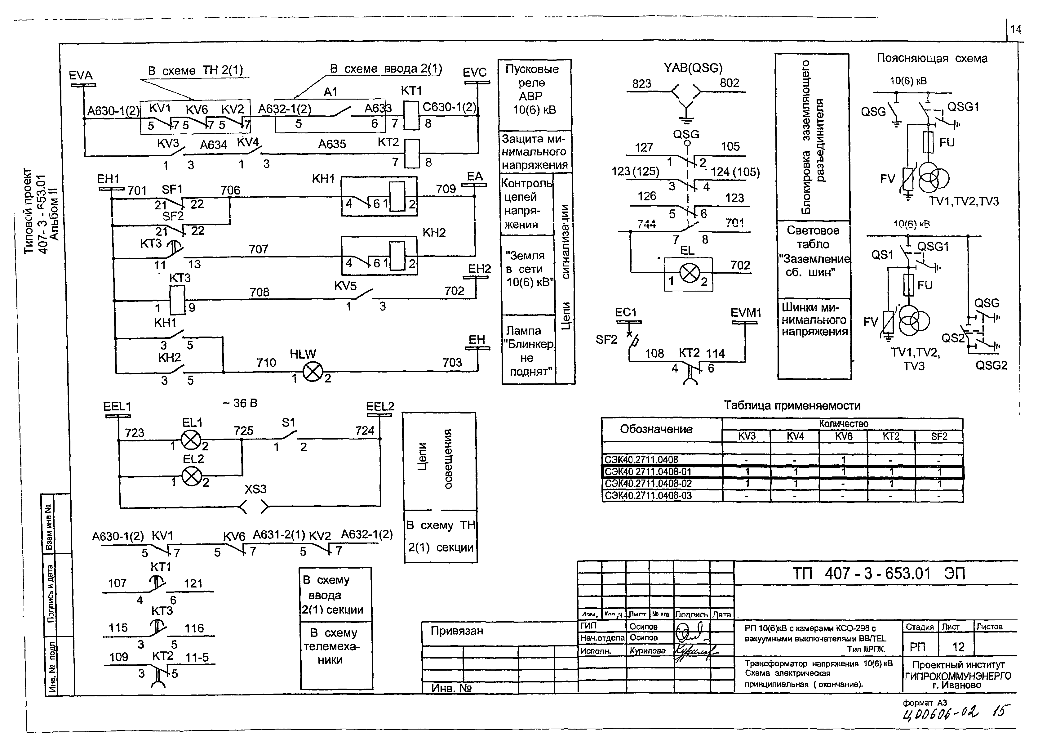
11 Трансформатор напряжения 10(6) кВ. Схема электрическая принципиальная (начало)
12 Трансформатор напряжения 10(6) кВ. Схема электрическая принципиальная (окончание)
13 Отходящая кабельная линия 10(6) кВ. Схема электрическая принципиальная (начало)
14 Отходящая кабельная линия 10(6) кВ. Схема электрическая принципиальная (продолжение)
15 Отходящая кабельная линия 10(6) кВ. Схема электрическая принципиальная (окончание)
16 Трансформатор собственных нужд. Схема электрическая принципиальная
17 Центральная сигнализация. Схема электрическая принципиальная
18 Схема оперативной блокировки разъединителей
19 РУ - 10(6) кВ. Ряды зажимов камер КСО - 298 (начало)
20 РУ - 10(6) кВ. Ряды зажимов камер КСО - 298 (продолжение)
21 РУ - 10(6) кВ. Ряды зажимов камер КСО - 298 (продолжение)
22 РУ - 10(6) кВ. Ряды зажимов камер КСО - 298 (окончание)
23 РУ - 10(6) кВ. Ряды зажимов шкафа ШЭ-2
24 РУ - 10(6) кВ. План шинок
25 Кабельный журнал (начало)
26 Кабельный журнал (окончание)
27 План прокладки кабелей
Опросные листы - ЭП.ЛО
1 Опросный лист на камеры КСО - 298. 1 секция
2 Опросный лист на камеры КСО - 298. 2 секция
Разработан: Гипрокоммунэнерго
Утверждён:01.11.2002 Гипрокоммунэнерго
Расположен в:Техническая документация Строительство Справочные документы Типовые строительные конструкции, изделия и узлы Общероссийский строительный каталог Промышленные предприятия, здания и сооружения Предприятия, здания и сооружения промышленности и электроэнергетики Электроэнергетика Устройства и подстанции распределительные
Типовой проект 407-3-653.01Типовой проект 407-3-653.01Типовой проект 407-3-653.01Типовой проект 407-3-653.01Типовой проект 407-3-653.01Типовой проект 407-3-653.01Типовой проект 407-3-653.01Типовой проект 407-3-653.01Типовой проект 407-3-653.01Типовой проект 407-3-653.01Типовой проект 407-3-653.01Типовой проект 407-3-653.01Типовой проект 407-3-653.01Типовой проект 407-3-653.01Типовой проект 407-3-653.01Типовой проект 407-3-653.01Типовой проект 407-3-653.01Типовой проект 407-3-653.01Типовой проект 407-3-653.01Типовой проект 407-3-653.01Типовой проект 407-3-653.01Типовой проект 407-3-653.01Типовой проект 407-3-653.01Типовой проект 407-3-653.01Типовой проект 407-3-653.01Типовой проект 407-3-653.01Типовой проект 407-3-653.01Типовой проект 407-3-653.01Типовой проект 407-3-653.01Типовой проект 407-3-653.01Типовой проект 407-3-653.01Типовой проект 407-3-653.01

© 2013 Ёшкин Кот :-) Карта сайта