Информационная система
«Ёшкин Кот»

Скачать базу одним архивом
Скачать обновления
История создания базы
Карта сайта

Скачать Серия 3.407.9-172 Выпуск 1. Монтажные схемы. Узлы. Рабочие чертежи

Дата актуализации: 10.08.2017

Серия 3.407.9-172

Выпуск 1. Монтажные схемы. Узлы. Рабочие чертежи

Обозначение: Серия 3.407.9-172
Обозначение англ: Series 3.407.9-172
Статус:не определен законодательством
Название рус.:Выпуск 1. Монтажные схемы. Узлы. Рабочие чертежи
Дата добавления в базу:01.09.2013
Дата актуализации:05.05.2017
Дата введения:01.11.1991
Оглавление:3.407.9-172.1-ТО Техническое описание
3.407.9-172.1-1 Схема расположения элементов конструкции прожекторной мачты ПМС-240; ПМС-240А
3.407.9-172.1-2 Схема расположения элементов конструкции прожекторной мачты ПМС-293; ПМС-293А
3.407.9-172.1-3 Схема расположения элементов конструкции прожекторной мачты ПМС-31,7; ПМС-31,7А
3.407.9-172.1-4 Схема расположения элементов конструкций молниеотвода МС-31,7
3.407.9-172.1-5 Схема расположения элементов конструкций молниеотвода МС-37,0
3.407.9-172.1-6 Схема расположения элементов конструкций молниеотвода МС-40,2
3.407.9-172.1-7 Схема расположения элементов конструкций прожекторной мачты ПМЖ-16,6; ПМЖ-16,6А
3.407.9-172.1-8 Схема расположения элементов конструкций прожекторной мачты ПМЖ-19,3; ПМЖ-19,3А
3.407.9-172.1-9 Схема расположения элементов конструкций прожекторной мачты ПМЖ-122,8; ПМЖ-22,8А
3.407.9-172.1-10 Схема расположения элементов конструкций молниеотвода МЖ-24,3
3.407.9-172.1-11 Схема расположения элементов конструкций молниеотвода МЖ-27,1
3.407.9-172.1-12 Схема расположения элементов конструкций молниеотвода МЖ-30,6
3.407.9-172.1-13 Узлы I, II, III
3.407.9-172.1-14 Узлы IV, V, VI
3.407.9-172.1-15 Узлы VII, VIII
3.407.9-172.1-16 Узлы IX, X, XI
3.407.9-172.1-17 Схемы расположения элементов конструкций фундаментов ФП-1 … ФП-9
3.407.9-172.1-18 Схемы расположения элементов конструкций фундаментов ФС-1 … ФС-9
3.407.9-172.1-19 Схемы расположения элементов конструкций фундаментов ФС-10 … ФС-15
3.407.9-172.1-20 Схемы расположения элементов конструкций фундаментов С-9П, С-10П; С-266 … С-355
3.407.9-172.1-21 Схемы расположения элементов конструкций прожекторной мачты ПМЖ-19,3Б
3.407.9-172.1-22 Схемы расположения элементов конструкций прожекторной мачты ПМЖ-22,8Б
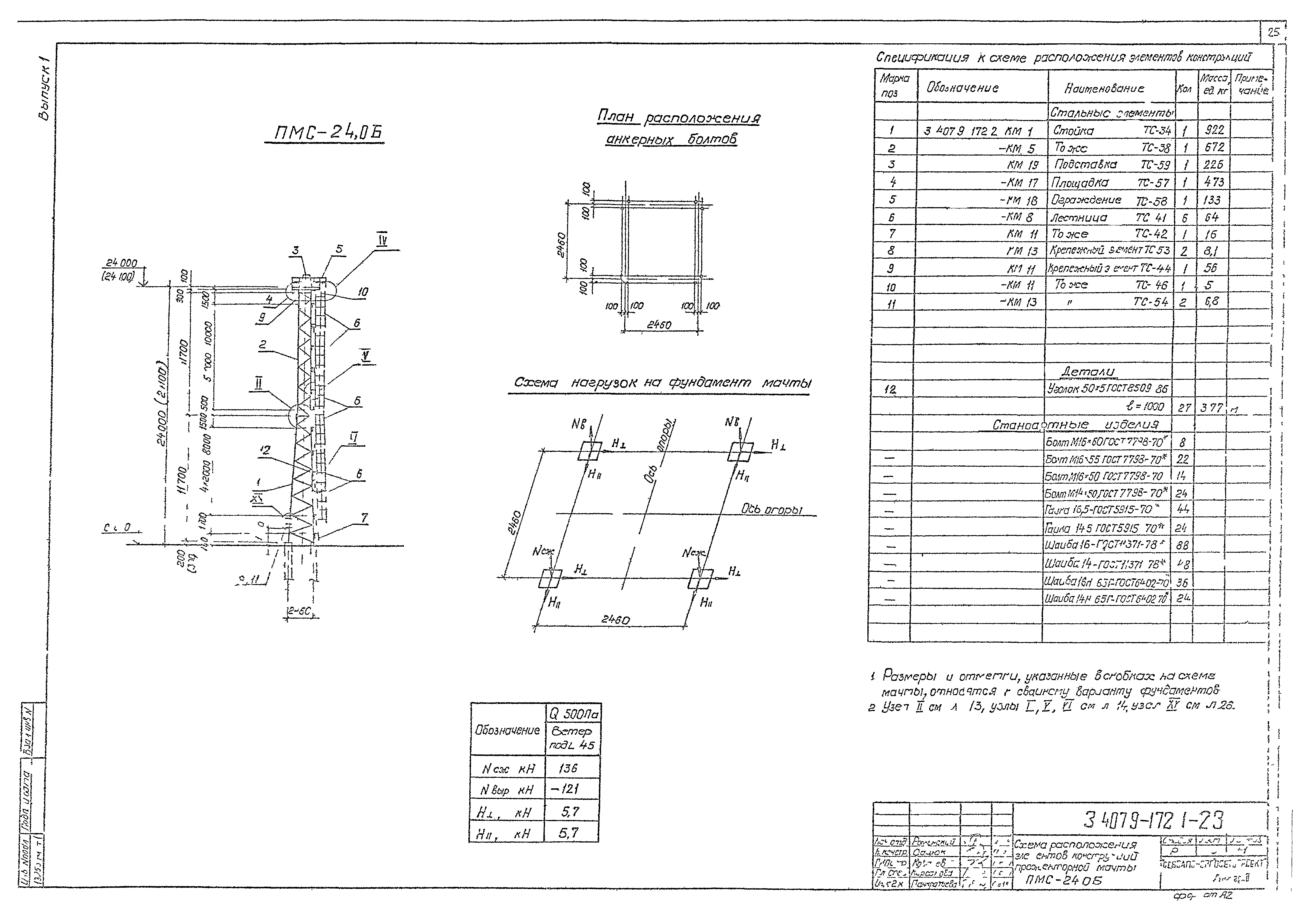
3.407.9-172.1-23 Схемы расположения элементов конструкций прожекторной мачты ПМС-24Б
3.407.9-172.1-24 Схемы расположения элементов конструкций прожекторной мачты ПМС-29,3Б
3.407.9-172.1-25 Схемы расположения элементов конструкций прожекторной мачты ПМС-32,5Б
3.407.9-172.1-26 Узлы XII … XV
3.407.9-172.1-27 Пример установки прожекторов ПКН, ПЗР, ПСМ на прожекторной мачте. Общий вид
3.407.9-172.1-28 Пример установки прожекторов ПКН, ПЗР, ПСМ на прожекторной мачте. Схема. Узлы
3.407.9-172.1-29 Пример установки прожекторов ПГП, ПГЦ на прожекторной мачте. Общий вид
3.407.9-172.1-30 Пример установки прожекторов ПГП, ПГЦ на прожекторной мачте. Схема. Узлы
3.407.9-172.1-31 Пример установки осветительных устройств с ксеноновыми лампами
Разработан: Севзапэнергосетьпроект
Утверждён:18.09.1991 Минэнерго СССР (USSR Minenergo 40)
Издан: Севзапэнергосетьпроект (1991 г. )
Расположен в:Техническая документация Строительство Справочные документы Типовые строительные конструкции, изделия и узлы Общероссийский строительный каталог Строительные конструкции, изделия и узлы зданий и сооружений для всех видов строительства Конструкции и изделия сооружений и оборудования зданий Надземные сооружения Опоры и порталы линий электропередачи, освещения, связи и др. Железобетонные
Заменяет собой:
Серия 3.407.9-172Серия 3.407.9-172Серия 3.407.9-172Серия 3.407.9-172Серия 3.407.9-172Серия 3.407.9-172Серия 3.407.9-172Серия 3.407.9-172Серия 3.407.9-172Серия 3.407.9-172Серия 3.407.9-172Серия 3.407.9-172Серия 3.407.9-172Серия 3.407.9-172Серия 3.407.9-172Серия 3.407.9-172Серия 3.407.9-172Серия 3.407.9-172Серия 3.407.9-172Серия 3.407.9-172Серия 3.407.9-172Серия 3.407.9-172Серия 3.407.9-172Серия 3.407.9-172Серия 3.407.9-172Серия 3.407.9-172Серия 3.407.9-172Серия 3.407.9-172Серия 3.407.9-172Серия 3.407.9-172Серия 3.407.9-172Серия 3.407.9-172Серия 3.407.9-172

© 2013 Ёшкин Кот :-) Карта сайта