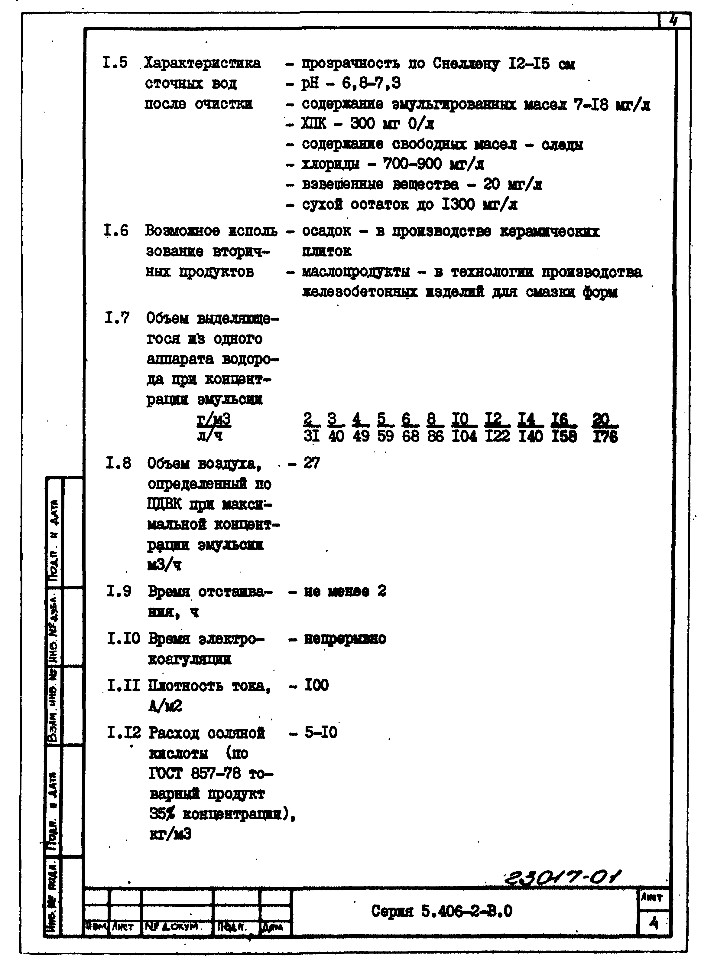
Скачать Серия 5.406-2 Выпуск 0. Указания по применению и подбору установки, материалы для проектированияДата актуализации: 10.08.2017 Серия 5.406-2
Выпуск 0. Указания по применению и подбору установки, материалы для проектированияОбозначение: | Серия 5.406-2 | Обозначение англ: | Series 5.406-2 | Статус: | не определен законодательством | Название рус.: | Выпуск 0. Указания по применению и подбору установки, материалы для проектирования | Дата добавления в базу: | 01.09.2013 | Дата актуализации: | 05.05.2017 | Дата введения: | 01.03.1988 | Разработан: | Харьковский Водоканалпроект
| Утверждён: | 30.12.1987 Госстрой СССР (Государственный комитет Совета Министров СССР по делам строительства) (USSR Gosstroy 106)
| Издан: | ЦИТП Госстроя СССР (CITP, Gosstroy (USSR) 1988 г. )
| Расположен в: |
|
              
|