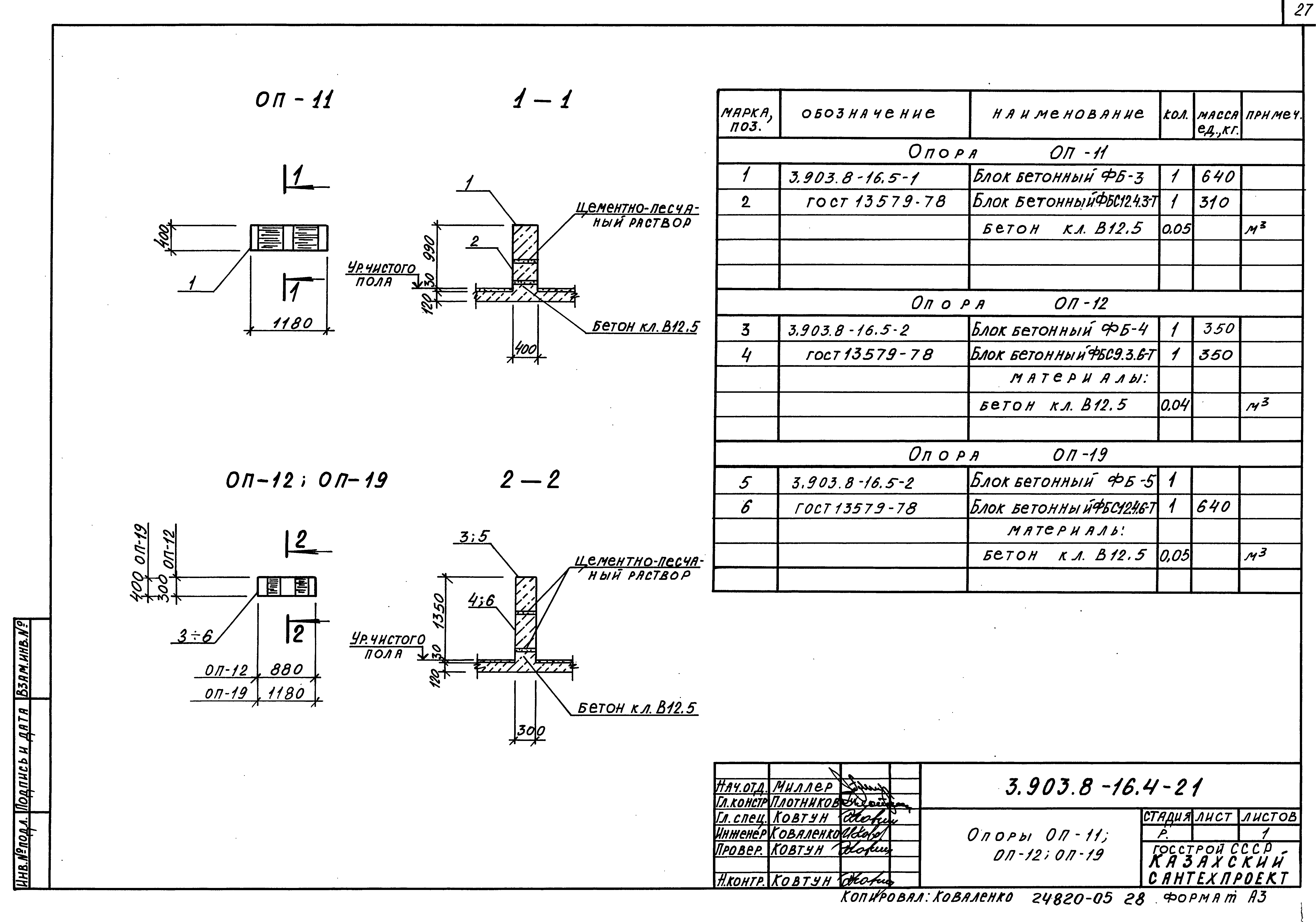
Скачать Серия 3.903.8-16 Выпуск 4. Теплофикационные камеры для несейсмических районов и районов сейсмичностью 7, 8 и 9 баллов. Рабочие чертежиДата актуализации: 10.08.2017 Серия 3.903.8-16
Выпуск 4. Теплофикационные камеры для несейсмических районов и районов сейсмичностью 7, 8 и 9 баллов. Рабочие чертежиОбозначение: | Серия 3.903.8-16 | Обозначение англ: | Series 3.903.8-16 | Статус: | не определен законодательством | Название рус.: | Выпуск 4. Теплофикационные камеры для несейсмических районов и районов сейсмичностью 7, 8 и 9 баллов. Рабочие чертежи | Дата добавления в базу: | 01.09.2013 | Дата актуализации: | 05.05.2017 | Дата введения: | 01.02.1991 | Разработан: | ГПКНИИ Сантехниипроект Госстроя СССР ГПИ Казахский Сантехпроект Госстроя СССР
| Утверждён: | 01.11.1990 ГПКНИИ Сантехниипроект Госстроя СССР (7)
| Расположен в: |
|
                                            
|