Скачать Серия 5.903-17 Выпуск 0. Указания по применению, изготовлению и монтажуДата актуализации: 10.08.2017 Серия 5.903-17
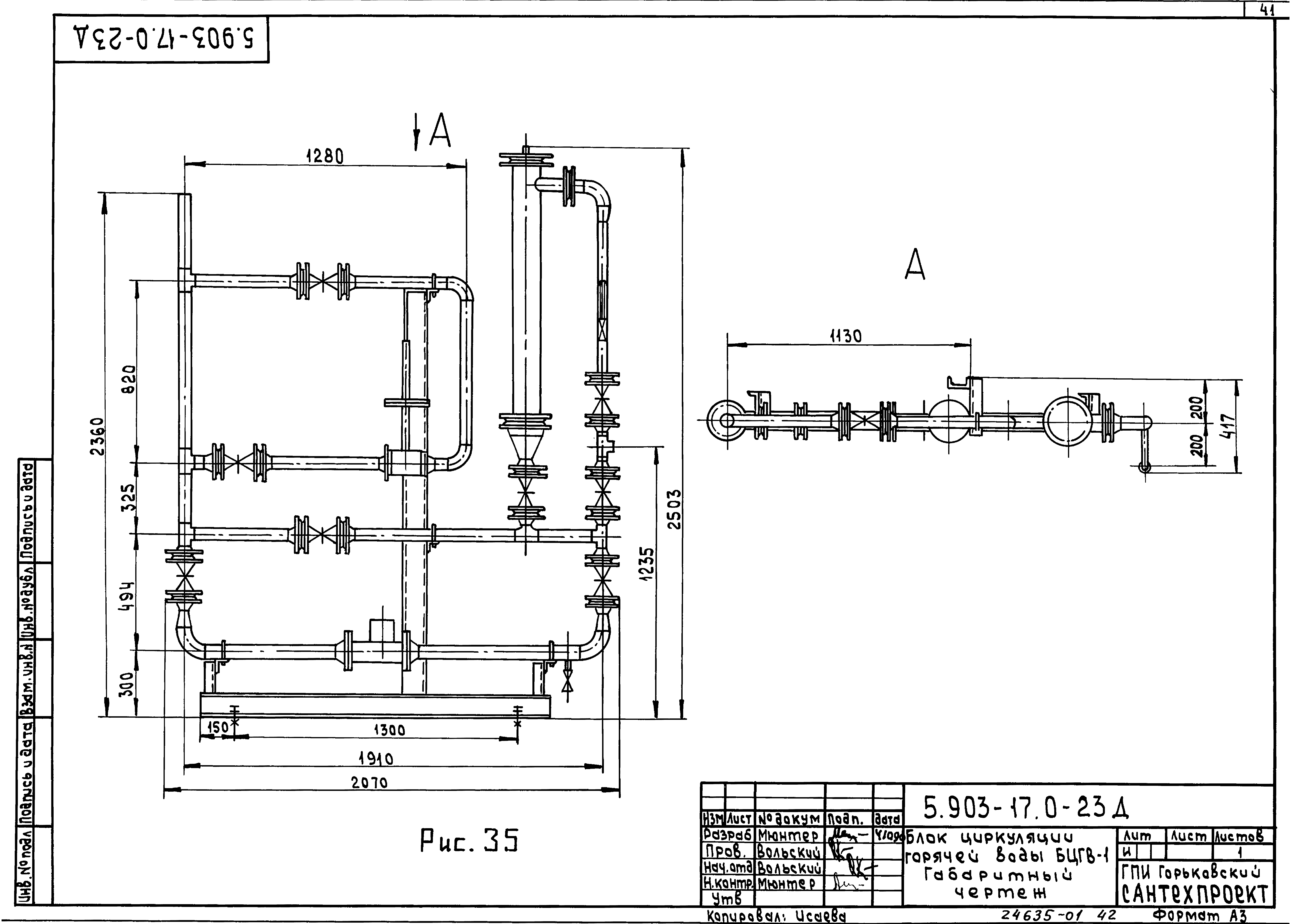
Выпуск 0. Указания по применению, изготовлению и монтажуОбозначение: | Серия 5.903-17 | Обозначение англ: | Series 5.903-17 | Статус: | не определен законодательством | Название рус.: | Выпуск 0. Указания по применению, изготовлению и монтажу | Дата добавления в базу: | 01.09.2013 | Дата актуализации: | 05.05.2017 | Дата введения: | 01.02.1991 | Оглавление: | 5.903-17.0-ПЗ Пояснительная записка 5.903-17.0-1Д Блок насосов сетевой воды БНСВ-1. Технологическая схема 5.903-17.0-2Д Блок насосов сетевой воды БНСВ-1. Габаритный чертеж 5.903-17.0-3Д Блок насосов сетевой воды БНСВ-2. Технологическая схема 5.903-17.0-4Д Блок насосов сетевой воды БНСВ-2. Габаритный чертеж 5.903-17.0-5Д Блок насосов сетевой воды БНСВ-3. Технологическая схема 5.903-17.0-6Д Блок насосов сетевой воды БНСВ-3. Габаритный чертеж 5.903-17.0-7Д Блок насосов сетевой воды БНСВ-4. Технологическая схема 5.903-17.0-8Д Блок насосов сетевой воды БНСВ-4. Габаритный чертеж 5.903-17.0-9Д Блок приготовления исходной воды БПИВ-1. Технологическая схема 5.903-17.0-10Д Блок приготовления исходной воды БПИВ-1, БПИВ-2. Габаритный чертеж 5.903-17.0-11Д Блок приготовления исходной воды БПИВ-2. Технологическая схема 5.903-17.0-12Д Блок насосов сетевой воды контура котла горячего водоснабжения БНСВ-5. Технологическая схема 5.903-17.0-13Д Блок насосов сетевой воды контура котла горячего водоснабжения БНСВ-5. Габаритный чертеж 5.903-17.0-14Д Блок приготовления горячей воды БПГВ-1. Технологическая схема 5.903-17.0-15Д Блок приготовления горячей воды БПГВ-1. Габаритный чертеж 5.903-17.0-16Д Блок насосов горячего водоснабжения БНГВ-1. Технологическая схема 5.903-17.0-17Д Блок насосов горячего водоснабжения БНГВ-1. Габаритный чертеж 5.903-17.0-18Д Блок насосов горячего водоснабжения БНГВ-2. Технологическая схема 5.903-17.0-19Д Блок насосов горячего водоснабжения БНГВ-2. Габаритный чертеж 5.903-17.0-20Д Блок насосов горячего водоснабжения БНГВ-3. Технологическая схема 5.903-17.0-21Д Блок насосов горячего водоснабжения БНГВ-3. Габаритный чертеж 5.903-17.0-22Д Блок циркуляции горячей воды БЦГВ-1. Технологическая схема 5.903-17.0-23Д Блок циркуляции горячей воды БЦГВ-1. Габаритный чертеж 5.903-17.0-24Д Блок силикатной обработки воды БСОВ-1. Технологическая схема 5.903-17.0-25Д Блок силикатной обработки воды БСОВ-1. Габаритный чертеж 5.903-17.0-26Д Блок взрыхляющей промывки фильтров обезжелезивания БВПФО-1. Технологическая схема 5.903-17.0-27Д Блок взрыхляющей промывки фильтров обезжелезивания БВПФО-1. Габаритный чертеж | Разработан: | Горьковский Сантехпроект
| Утверждён: | 15.01.1990 ГПКНИИ Сантехниипроект
| Расположен в: |
|
                                             
|