Информационная система
«Ёшкин Кот»

Скачать базу одним архивом
Скачать обновления
История создания базы
Карта сайта

Скачать Серия 5.903-15 Выпуск 2-16. Блок сетевых насосов БСН-3х1250-125. Рабочие чертежи

Дата актуализации: 10.08.2017

Серия 5.903-15

Выпуск 2-16. Блок сетевых насосов БСН-3х1250-125. Рабочие чертежи

Обозначение: Серия 5.903-15
Обозначение англ: Series 5.903-15
Статус:не определен законодательством
Название рус.:Выпуск 2-16. Блок сетевых насосов БСН-3х1250-125. Рабочие чертежи
Дата добавления в базу:01.09.2013
Дата актуализации:05.05.2017
Дата введения:01.03.1990
Оглавление:БК2.16.1.00.000 Блок БСН-3х1250-125
БК2.15.1.00.001 Хомут
БК2.16.1.00.000 ГЗ Блок БСН-3х1250-125. Схема принципиальная
БК2.16.1.00.000 СБ Блок БСН-3х1250-125
БК2.16.1.00.000 Блок БСН-3х1250-125
БК2.15.1.00.002 Скоба
БК2.16.1.00.000 СБ Блок БСН-3х1250-125
БК2.15.1.00.003 Балка
БК2.15.1.00.004 Балка
БК2.15.1.01.000 Площадка
БК2.15.1.01.001 Поручень
БК2.15.1.01.002 Стойка
БК2.15.1.01.000 СБ Площадка
БК2.10.1.01.002 Стойка
БК2.10.1.01.100 Секция перил
БК2.10.1.01.100 СБ Секция перил
БК2.15.1.01.100 СБ Лестница
БК2.15.1.01.100 Лестница
БК2.15.1.02.000 Коллектор
БК2.15.1.02.000 СБ Коллектор
БК2.15.1.02.001 Труба
БК2.15.1.02.002 Патрубок
БК2.15.1.02.003 Петля
БК2.15.1.02.004 Накладка
БК2.15.1.02.005 Пластина
БК2.15.1.03.000 Коллектор
БК2.15.1.03.000 СБ Коллектор
БК2.15.1.03.001 Патрубок
БК2.15.1.04.000 Трубопровод
БК2.15.1.04.000 СБ Трубопровод
БК2.15.1.05.000 Колено
БК2.15.1.05.000 СБ Колено
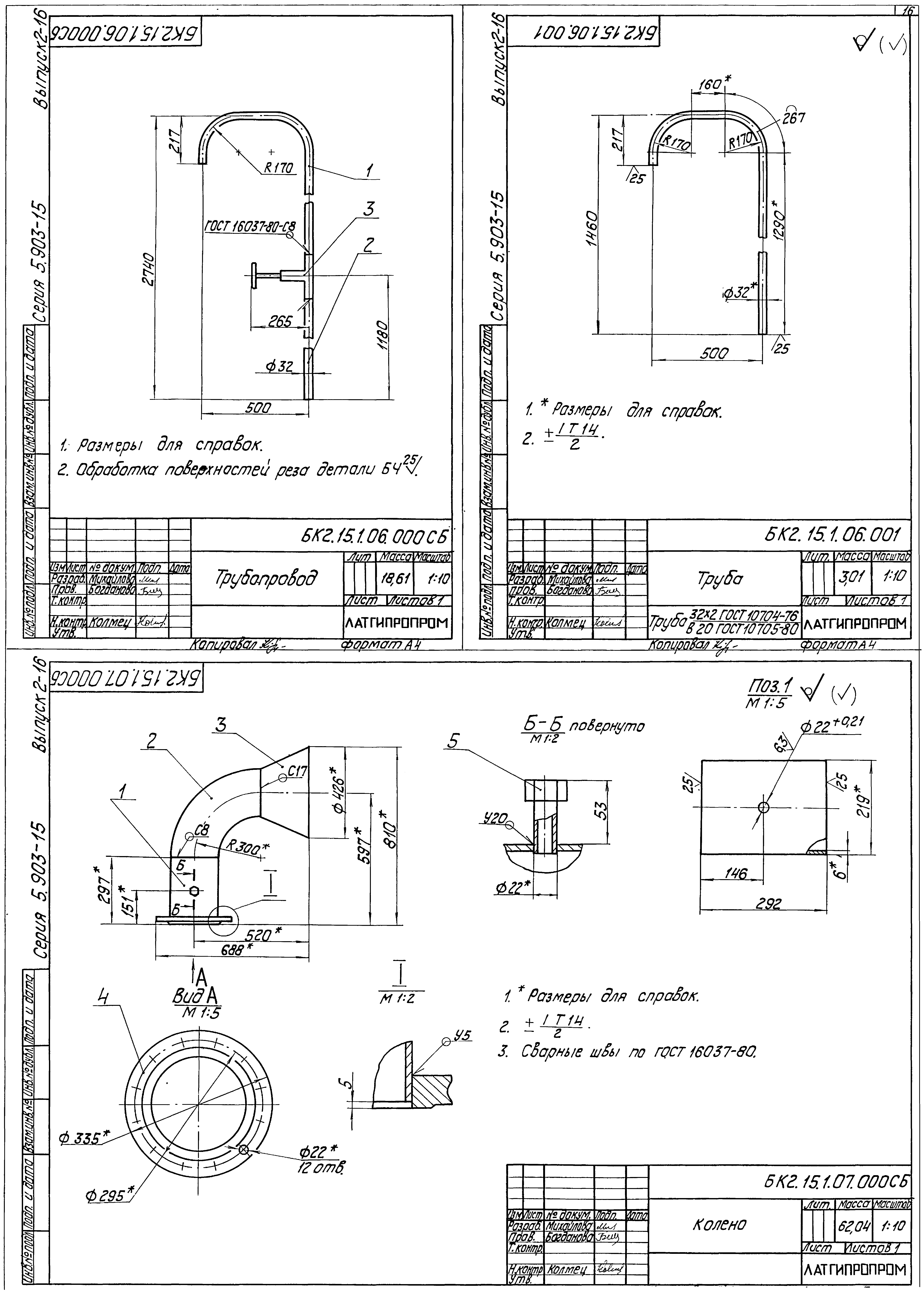
БК2.15.1.06.000 Трубопровод
БК2.15.1.06.000 СБ Трубопровод
БК2.15.1.06.001 Труба
БК2.15.1.07.000 СБ Колено
БК2.15.1.07.000 Колено
БК2.15.1.08.000 Трубопровод
БК2.15.1.08.000 СБ Трубопровод
БК2.15.1.08.001 Труба
БК2.15.1.08.002 Воронка
БК2.15.1.09.000 Площадка
БК2.15.1.10.000 Колено
БК2.15.1.09.000 СБ Площадка
БК2.15.1.10.000 СБ Колено
БК2.15.1.11.000 Трубопровод
БК2.15.1.11.000 СБ Трубопровод
БК2.15.1.12.000 Колено
БК2.15.1.12.000 СБ Колено
БК2.15.1.13.000 Трубопровод
БК2.15.1.13.000 СБ Трубопровод
БК2.15.1.13.001 Труба
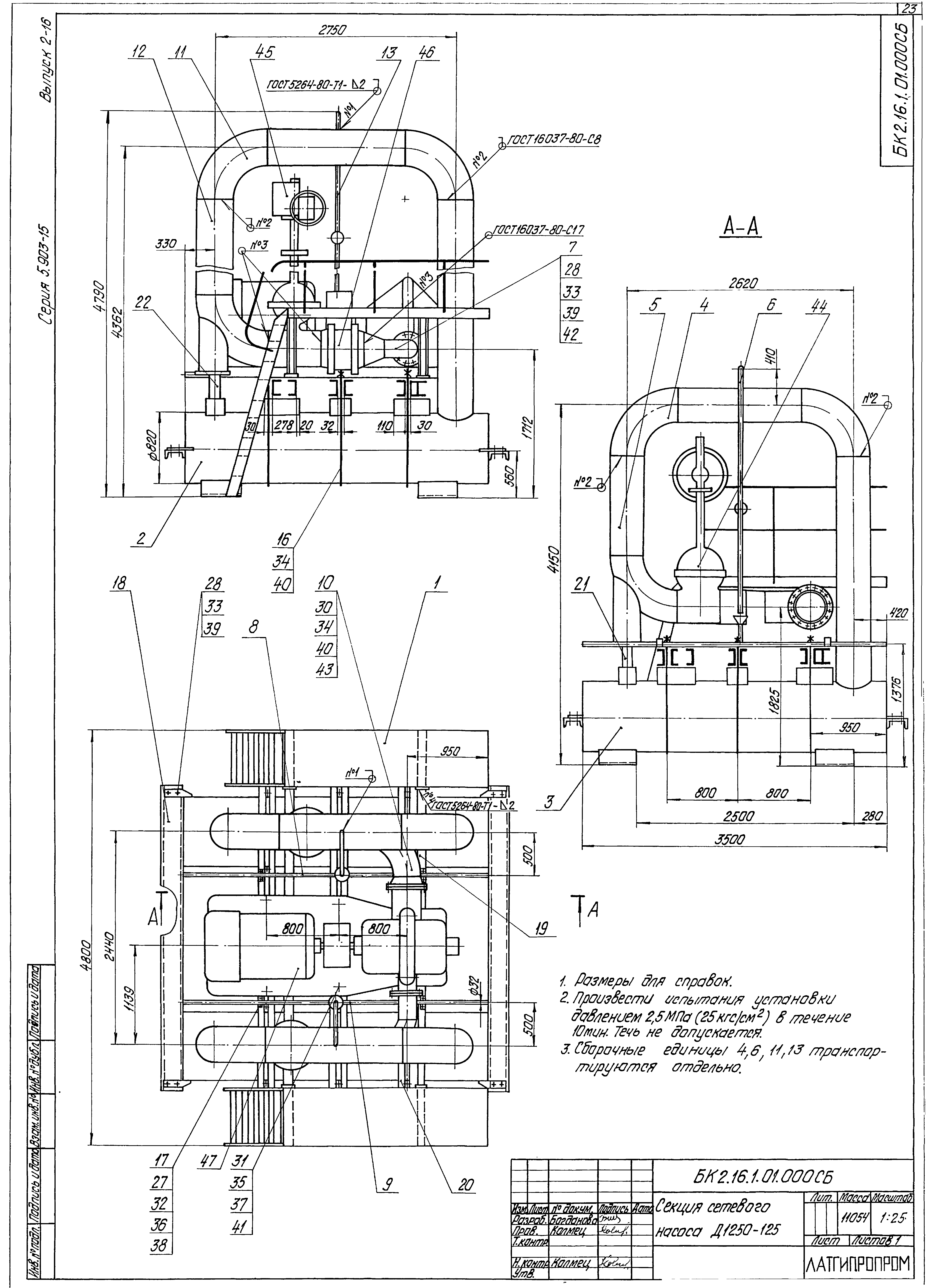
БК2.16.1.01.000 Секция сетевого насоса Д1250-125
БК2.16.1.01.000 СБ Секция сетевого насоса Д1250-126
БК2.16.1.01.100 СБ Площадка
БК2.16.1.01.100 Площадка
БК2.16.1.01.200 СБ Трубопровод
БК2.16.1.01.200 Трубопровод
БК2.16.1.01.300 Трубопровод
БК2.16.1.01.300 СБ Трубопровод
БК2.16.1.01.400 Трубопровод
БК2.16.1.01.400 СБ Трубопровод
БК2.16.1.01.500 Трубопровод
БК2.16.1.01.500 СБ Трубопровод
БК2.16.2.00.000 Блок БСН-3х1250-125. Установка приборов контроля и автоматики
БК2.16.2.00.000 Э4 Блок БСН-3х1250-125. Схема соединений
БК2.16.2.00.000 СБ Блок БСН-3х1250-125. Установка приборов контроля и автоматики
БК2.16.2.00.000 СО Блок БСН-3х1250-125. Схема автоматизации
БК2.15.2.01.00 Штатив
БК2.15.2.01.00 СБ Штатив
БК2.15.2.02.00 Штатив
БК2.15.2.02.00 СБ Штатив
БК2.16.2.00.002 Труба
БК2.16.2.00.001 Труба
БК2.16.3.00.000 СБ Блок БСН-3х1250-125. Установка электрооборудования
БК2.16.3.00.000 Блок БСН-3х1250-125. Установка электрооборудования
БК2.16.3.00.000 Э5 Блок БСН-3х1250-125. Схема электрическая подключений
БК2.16.3.00.000 Э3 Блок БСН-3х1250-125. Схема принципиальная
БК2.16.4.00.000 ТИ Блок БСН-3х1250-125. Ведомость теплоизоляционных конструкций
БК2.16.4.00.000 ВМ Блок БСН-3х1250-125. Ведомость теплоизоляционных материалов
БК2.16.4.00.000 ВО Блок БСН-3х1250-125. Ведомость объемов теплоизоляционных работ
Разработан: Латгипропром
Утверждён:14.02.1990 ММСС СССР
Расположен в:Техническая документация Строительство Справочные документы Типовые строительные конструкции, изделия и узлы Общероссийский строительный каталог Строительные конструкции, изделия и узлы зданий и сооружений для всех видов строительства Инженерное оборудование Инженерное оборудование; изделия и узлы инженерного оборудования зданий и сооружений Теплоснабжение Котельное оборудование
Серия 5.903-15Серия 5.903-15Серия 5.903-15Серия 5.903-15Серия 5.903-15Серия 5.903-15Серия 5.903-15Серия 5.903-15Серия 5.903-15Серия 5.903-15Серия 5.903-15Серия 5.903-15Серия 5.903-15Серия 5.903-15Серия 5.903-15Серия 5.903-15Серия 5.903-15Серия 5.903-15Серия 5.903-15Серия 5.903-15Серия 5.903-15Серия 5.903-15Серия 5.903-15Серия 5.903-15Серия 5.903-15Серия 5.903-15Серия 5.903-15Серия 5.903-15Серия 5.903-15Серия 5.903-15Серия 5.903-15Серия 5.903-15Серия 5.903-15Серия 5.903-15Серия 5.903-15Серия 5.903-15Серия 5.903-15Серия 5.903-15

© 2013 Ёшкин Кот :-) Карта сайта