Информационная система
«Ёшкин Кот»

Скачать базу одним архивом
Скачать обновления
История создания базы
Карта сайта

Скачать Серия 5.407-155.94 Выпуск 1. Детали и узлы. Рабочие чертежи

Дата актуализации: 10.08.2017

Серия 5.407-155.94

Выпуск 1. Детали и узлы. Рабочие чертежи

Обозначение: Серия 5.407-155.94
Обозначение англ: Series 5.407-155.94
Статус:не определен законодательством
Название рус.:Выпуск 1. Детали и узлы. Рабочие чертежи
Дата добавления в базу:01.09.2013
Дата актуализации:05.05.2017
Дата введения:01.03.1995
Оглавление:5.407-155.94.1-ПЗ Пояснительная записка
5.407-155.94.1-1 Рекомендации по устройству вводов
5.407-155.94.1-2 Технические данные проводов и кабелей и рекомендации по их применению
5.407-155.94.1-3 Ответвления от ВЛ неизолированными проводами к воздушным вводам в объекты. Схемы подключения объектов к ВЛ
5.407-155.94.1-4 Ответвления от ВЛ изолированными проводами к воздушным вводам в объекты. Схемы подключения объектов к ВЛ
5.407-155.94.1-5 Ответвления от ВЛ к воздушным вводам в объекты, выполненным через трубостойку. Схемы подключения объектов к ВЛ
5.407-155.94.1-6 Ответвления от ВЛ к воздушным вводам в жилые (садовые) дома и питание хозяйственных построек по внутриобъектным электропроводкам
5.407-155.94.1-7 Двух- и четырехпроводные вводы в объекты проводами при ответвлении от ВЛ неизолированными (изолир.) проводами. Стены кирпичные (бет.)
5.407-155.94.1-8 Четырехпроводный ввод в объекты проводами при ответвлении от ВЛ неизолированными (изолир.) проводами с креплением их на кронштейне К-1. Стены кирпичные (бет.)
5.407-155.94.1-9 Четырехпроводный ввод в объекты проводами при ответвлении от ВЛ неизолированными (изолир.) проводами с креплением их на кронштейне К-2. Стены кирпичные (бет.)
5.407-155.94.1-10 Двух- и четырехпроводные вводы в объекты проводами при ответвлении от ВЛ неизолированными (изолир.) проводами. Стены деревянные
5.407-155.94.1-11 Двух- и четырехпроводные вводы в объекты проводами при ответвлении от ВЛ неизолированными (изолир.) проводами. Стены глинобитные (саманные)
5.407-155.94.1-12 Двухпроводный воздушный ввод в объект через трубостойку проводами при ответвлении от ВЛ неизолированными (изолир.) проводами
5.407-155.94.1-13 Четырехпроводный воздушный ввод в объект через трубостойку проводами при ответвлении от ВЛ неизолированными проводами при ответвлении от ВЛ неизолированными (изолир.) проводами
5.407-155.94.1-14 Выбор установочных изделий и материалов для устройства воздушных вводов при ответвлении от ВЛ неизолированными (изолир.) проводами
5.407-155.94.1-15 Двух- и четырехпроводные воздушные вводы в объекты проводами при ответвлении от ВЛ тросовыми проводами. Стены кирпичные (бет.) и деревянные
5.407-155.94.1-16 Двух- и четырехпроводные воздушные вводы в объекты проводами при ответвлении от ВЛ тросовыми проводами. Стены каркасно-засыпные
5.407-155.94.1-17 Двух- и четырехпроводные воздушные вводы в объекты проводами при ответвлении от ВЛ тросовыми проводами. Стены глинобитные (саманные)
5.407-155.94.1-18 Двух- и четырехпроводные воздушные вводы в объекты через трубостойки проводами при ответвлении от ВЛ тросовыми проводами
5.407-155.94.1-19 Выбор установочных изделий и материалов для устройства воздушных вводов при ответвлении от ВЛ тросовыми проводами
5.407-155.94.1-20 Двух- и четырехпроводные воздушные вводы в объекты проводами при ответвлении от ВЛ самонесущими проводами марки САП. Стены кирпичные (бет.)
5.407-155.94.1-21 Двух- и четырехпроводные воздушные вводы в объекты проводами при ответвлении от ВЛ самонесущими проводами марки САП. Стены деревянные
5.407-155.94.1-22 Двух- и четырехпроводные воздушные вводы в объекты проводами при ответвлении от ВЛ самонесущими проводами марки САП. Стены каркасно-засыпные
5.407-155.94.1-23 Двух- и четырехпроводные воздушные вводы в объекты проводами при ответвлении от ВЛ самонесущими проводами марки САП. Стены глинобитные (саманные)
5.407-155.94.1-24 Четырехпроводный воздушный ввод в объекты проводами при ответвлении от ВЛ самонесущими проводами марки САСП. Стены кирпичные (бет.)
5.407-155.94.1-25 Четырехпроводный воздушный ввод в объекты проводами при ответвлении от ВЛ самонесущими проводами марки САСП. Стены деревянные
5.407-155.94.1-26 Двух- и четырехпроводные воздушные вводы в объекты через трубостойки проводами при ответвлении от ВЛ самонесущими проводами марки САП и САСП
5.407-155.94.1-27 Выбор установочных изделий и материалов для устройства воздушных вводов при ответвлении от ВЛ самонесущими проводами марок САП и САСП
5.407-155.94.1-28 Двух- и четырехпроводные воздушные вводы в объекты проводами при ответвлении от ВЛ кабелем. Стены бетонные
5.407-155.94.1-29 Однофазные и трехфазные воздушные вводы в объекты кабелем при ответвлении от ВЛ кабелем. Стены кирпичные (бет.) и деревянные
5.407-155.94.1-30 Двух- и четырехпроводные воздушные вводы в объекты проводами через трубостойку при ответвлении от ВЛ кабелем
5.407-155.94.1-31 Кабельные вводы в объекты с прокладкой кабеля через стены и фундаменты
5.407-155.94.1-32 Кабельные вводы в объекты через стену цоколя
5.407-155.94.1-33 Кабельные вводы в объекты через стену цоколя при значительной разнице в уровнях на трассе
5.407-155.94.1-34 Кабельные вводы в объекты через стены. Способы защиты кабелей от механических повреждений
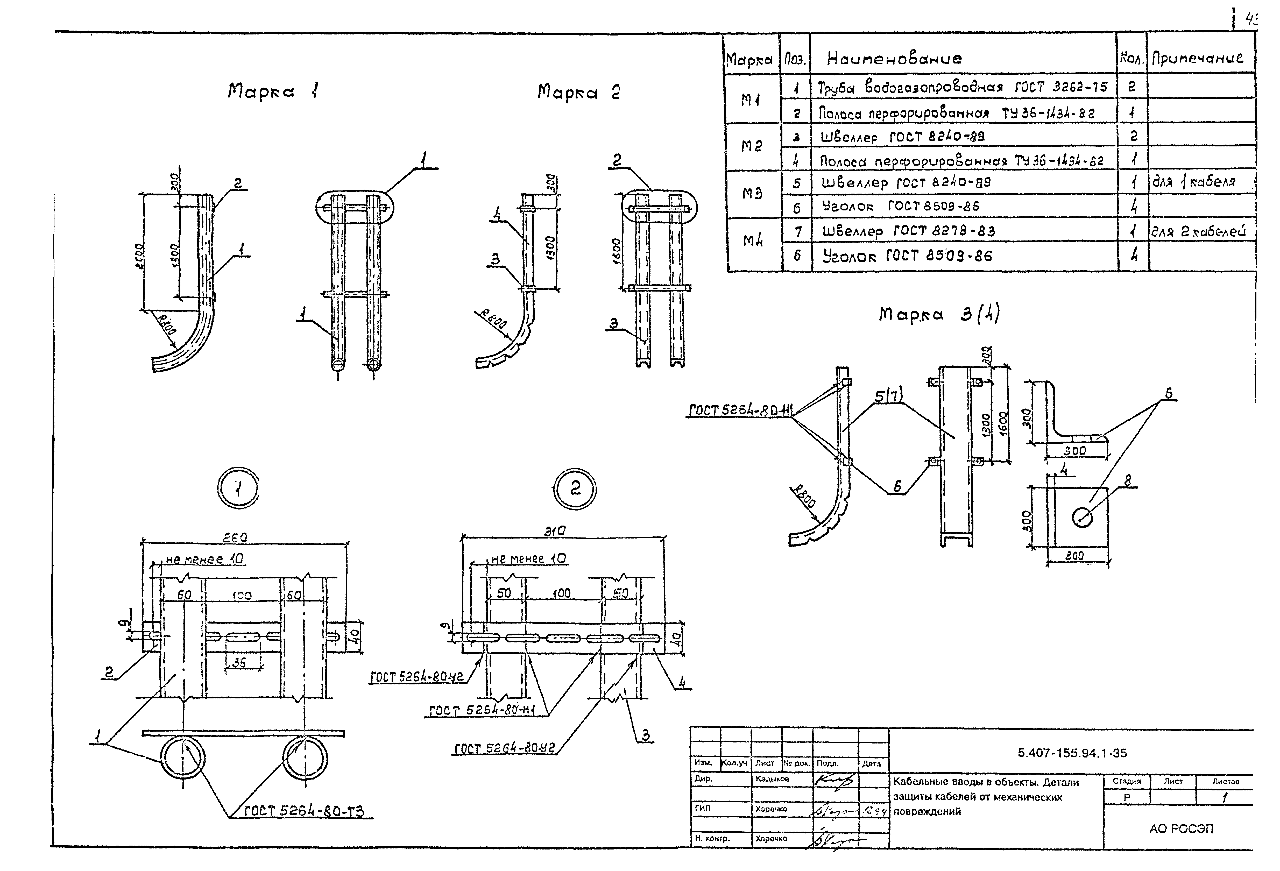
5.407-155.94.1-35 Кабельные вводы в объекты. Детали защиты кабелей от механических повреждений
5.407-155.94.1-36 Способы крепления изоляторов для проводов ответвления от ВЛ на стенах
5.407-155.94.1-37 Крепление проводов ответвления от ВЛ к изоляторам зажимами
5.407-155.94.1-38 Устройство проходов для проводов ввода через стены
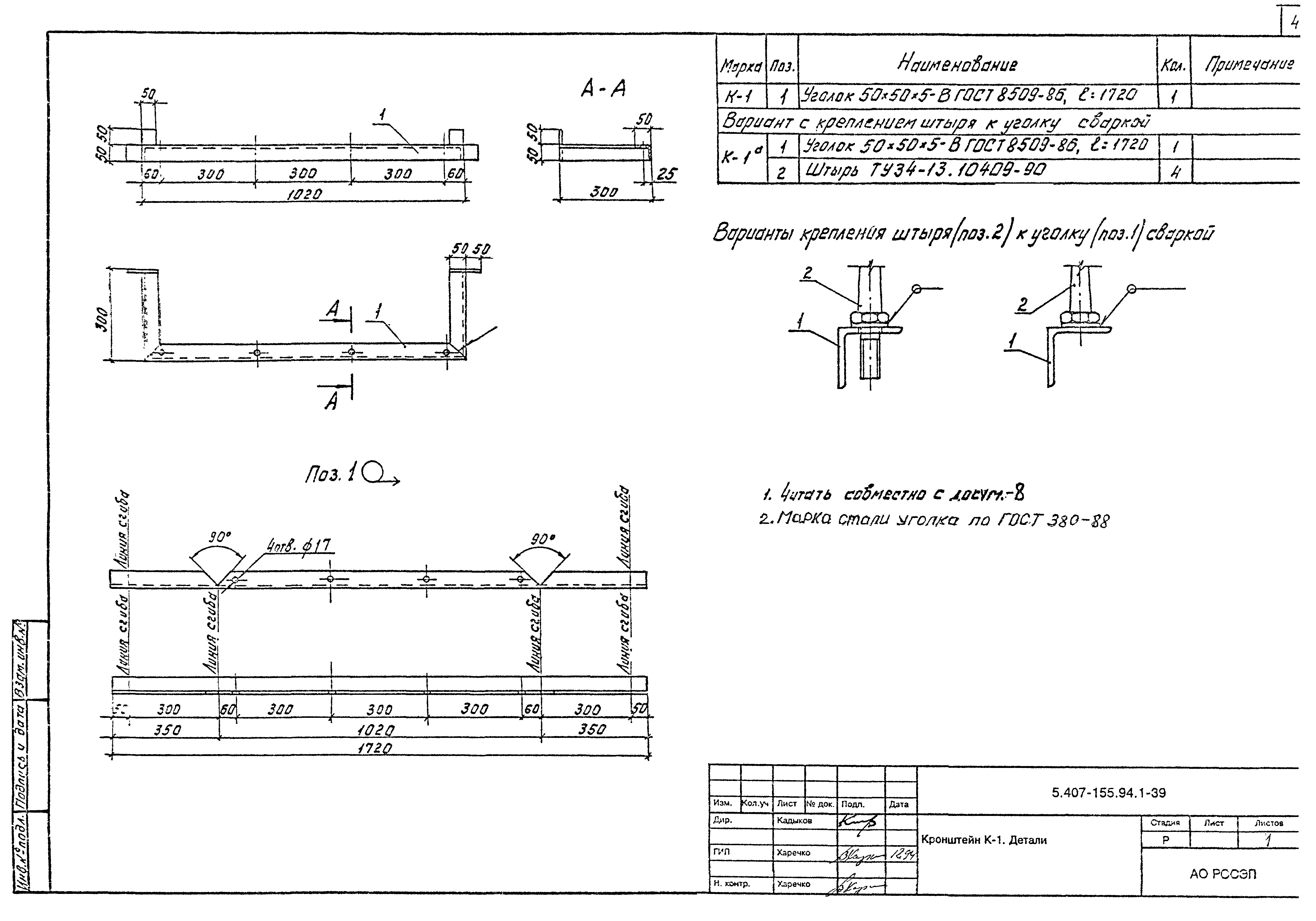
5.407-155.94.1-39 Кронштейн К-1. Детали
5.407-155.94.1-40 Кронштейн К-2. Детали
5.407-155.94.1-41 Зажим ответвительный К-НО-1 и крюк К-КО-1 для крепления проводов марки САП. Общий вид
5.407-155.94.1-42 Зажим ответвительный типа К-ОФФ-1. Общий вид
5.407-155.94.1-43 Зажим ответвительный типа К-ОФ-1. Общий вид
5.407-155.94.1-44 Воздушные вводы через трубостойку. Марки Т-1, Т-2, Т-3 и Т-4
5.407-155.94.1-45 Воздушные вводы через трубостойку. Марки Т-1, Т-2, Т-3 и Т-4. Детали
5.407-155.94.1-46 Воздушные вводы через трубостойку. Марка Т-5 и детали
5.407-155.94.1-47 Воздушные вводы через трубостойку. Марка Т-6 и детали. Оттяжка тросовая. Крепление
5.407-155.94.1-48 Схемы присоединения проводов воздушных вводов к проводам ответвления от ВЛ, выполненным неизолированным (изолир.) проводом
5.407-155.94.1-49 Схемы присоединения проводов воздушных вводов к проводам ответвления от ВЛ, выполненным неизолированным (изолир.) проводом при вводе через трубостойку
5.407-155.94.1-50 Схемы присоединения проводов воздушных вводов к проводам ответвления от ВЛ, выполненным тросовым проводом
5.407-155.94.1-51 Схемы присоединения проводов воздушных вводов к проводам ответвления от ВЛ, выполненным тросовым проводом при вводе через трубостойку
5.407-155.94.1-52 Схемы присоединения проводов воздушных вводов к проводам ответвления от ВЛ, выполненным самонесущими проводами марки САП
5.407-155.94.1-53 Схемы присоединения проводов воздушных вводов к проводам ответвления от ВЛ, выполненным самонесущими проводами марки САСП
5.407-155.94.1-54 Схемы присоединения проводов воздушных вводов к проводам ответвления от ВЛ, выполненным самонесущими проводами марки САП и САСП, при вводе через трубостойку
5.407-155.94.1-55 Повторное заземление нулевого рабочего провода на вводах. Заземление электроприемников
5.407-155.94.1-56 Устройство повторного заземления на вводе на примере индивидуального жилого дома
5.407-155.94.1-57 Повторное заземление нулевого провода на вводе. Схемы заземлителей
5.407-155.94.1-58 Повторное заземление нулевого провода на вводе. Двухэлектродный заземлитель диаметром 12 мм
5.407-155.94.1-59 Повторное заземление нулевого провода на вводе. Двухэлектродные заземлители из уголков и труб
5.407-155.94.1-60 Повторное заземление нулевого провода на вводе. Электроды заземлителя
5.407-155.94.1-61 Прокладка и проход заземляющих и нулевых защитных проводников через стены
5.407-155.94.1-62 Крепление заземляющих и нулевых защитных проводников
Разработан: АО РОСЭП
Утверждён:16.12.1994 Минтопэнерго РФ (Russian Federation Mintopenergo 8)
Расположен в:Техническая документация Строительство Справочные документы Типовые строительные конструкции, изделия и узлы Общероссийский строительный каталог Строительные конструкции, изделия и узлы зданий и сооружений для всех видов строительства Инженерное оборудование Инженерное оборудование; изделия и узлы инженерного оборудования зданий и сооружений Электрооборудование и электросети Прокладка шинопроводов, кабелей, троллеев и электропроводок
Серия 5.407-155.94Серия 5.407-155.94Серия 5.407-155.94Серия 5.407-155.94Серия 5.407-155.94Серия 5.407-155.94Серия 5.407-155.94Серия 5.407-155.94Серия 5.407-155.94Серия 5.407-155.94Серия 5.407-155.94Серия 5.407-155.94Серия 5.407-155.94Серия 5.407-155.94Серия 5.407-155.94Серия 5.407-155.94Серия 5.407-155.94Серия 5.407-155.94Серия 5.407-155.94Серия 5.407-155.94Серия 5.407-155.94Серия 5.407-155.94Серия 5.407-155.94Серия 5.407-155.94Серия 5.407-155.94Серия 5.407-155.94Серия 5.407-155.94Серия 5.407-155.94Серия 5.407-155.94Серия 5.407-155.94Серия 5.407-155.94Серия 5.407-155.94Серия 5.407-155.94Серия 5.407-155.94Серия 5.407-155.94Серия 5.407-155.94Серия 5.407-155.94Серия 5.407-155.94Серия 5.407-155.94Серия 5.407-155.94Серия 5.407-155.94Серия 5.407-155.94Серия 5.407-155.94Серия 5.407-155.94Серия 5.407-155.94Серия 5.407-155.94Серия 5.407-155.94Серия 5.407-155.94Серия 5.407-155.94Серия 5.407-155.94Серия 5.407-155.94Серия 5.407-155.94Серия 5.407-155.94Серия 5.407-155.94Серия 5.407-155.94Серия 5.407-155.94Серия 5.407-155.94Серия 5.407-155.94Серия 5.407-155.94Серия 5.407-155.94Серия 5.407-155.94Серия 5.407-155.94Серия 5.407-155.94Серия 5.407-155.94Серия 5.407-155.94Серия 5.407-155.94Серия 5.407-155.94Серия 5.407-155.94Серия 5.407-155.94Серия 5.407-155.94Серия 5.407-155.94

© 2013 Ёшкин Кот :-) Карта сайта