Информационная система
«Ёшкин Кот»

Скачать базу одним архивом
Скачать обновления
История создания базы
Карта сайта

Скачать Серия 5.407-124 Выпуск 1. Материалы для проектирования и рабочие чертежи

Дата актуализации: 10.08.2017

Серия 5.407-124

Выпуск 1. Материалы для проектирования и рабочие чертежи

Обозначение: Серия 5.407-124
Обозначение англ: Series 5.407-124
Статус:не определен законодательством
Название рус.:Выпуск 1. Материалы для проектирования и рабочие чертежи
Дата добавления в базу:01.09.2013
Дата актуализации:05.05.2017
Дата введения:01.01.1991
Оглавление:5.407-124.1-01 ПЗ Пояснительная записка
5.407-124.1-02 ТБ Таблицы выбора чертежей
5.407-124.1-03ГЧ Габариты стальных подкрановых балок
5.407-124.1-04ГЧ Габариты железобетонных подкрановых балок
5.407-124.1-05 ГЧ Троллейное комплектное устройство. Габаритный чертеж
5.407-124.1-06 Д Прокладка главных троллеев для кранов. План. (Пример)
5.407-124.1-07 Установка кронштейна К43АУ2 на металлической балке
5.407-124.1-08 Установка кронштейна К47АУ2 на металлической балке
5.407-124.1-09 Установка кронштейна К43АУ2 на железобетонной балке типа Б6
5.407-124.1-10 Установка кронштейна К47АУ2 на железобетонной балке типа Б6
5.407-124.1-11 Установка кронштейна К43АУ2 на железобетонной балке типа Б12
5.407-124.1-12 Установка кронштейна К47АУ2 на железобетонной балке типа Б12
5.407-124.1-13 Установка кронштейна К43АУ2 с троллейным указателем на металлической балке
5.407-124.1-14 Установка кронштейна К43АУ2 с троллейным указателем на железобетонной балке Б6
5.407-124.1-15 Установка кронштейна К43АУ2 с троллейным указателем на железобетонной балке Б12
5.407-124.1-16 Установка компенсаторов на троллее из сплава АД31Т1
5.407-124.1-17 Установка компенсатора на троллее из угловой стали 50х50х5
5.407-124.1-18 Установка компенсатора на троллее из угловой стали 63х63х6
5.407-124.1-19 Установка компенсатора на троллее из стального швеллера
5.407-124.1-20 Подвод питания к троллею из сплава АД31Т1
5.407-124.1-21 Подвод питания к троллею из стального швеллера
5.407-124.1-22 Подвод питания к троллею из угловой стали. Вариант 1
5.407-124.1-23 Подвод питания к троллею из угловой стали. Вариант 2
5.407-124.1-24 Стыковка троллеев из угловой стали 50х50х5
5.407-124.1-25 Стыковка троллеев из угловой стали 63х63х6
5.407-124.1-26 Стыковка троллеев из швеллера № 8
5.407-124.1-27 Стыковка троллеев из швеллера № 10
5.407-124.1-28 Установка кронштейна с компенсатором. Пример
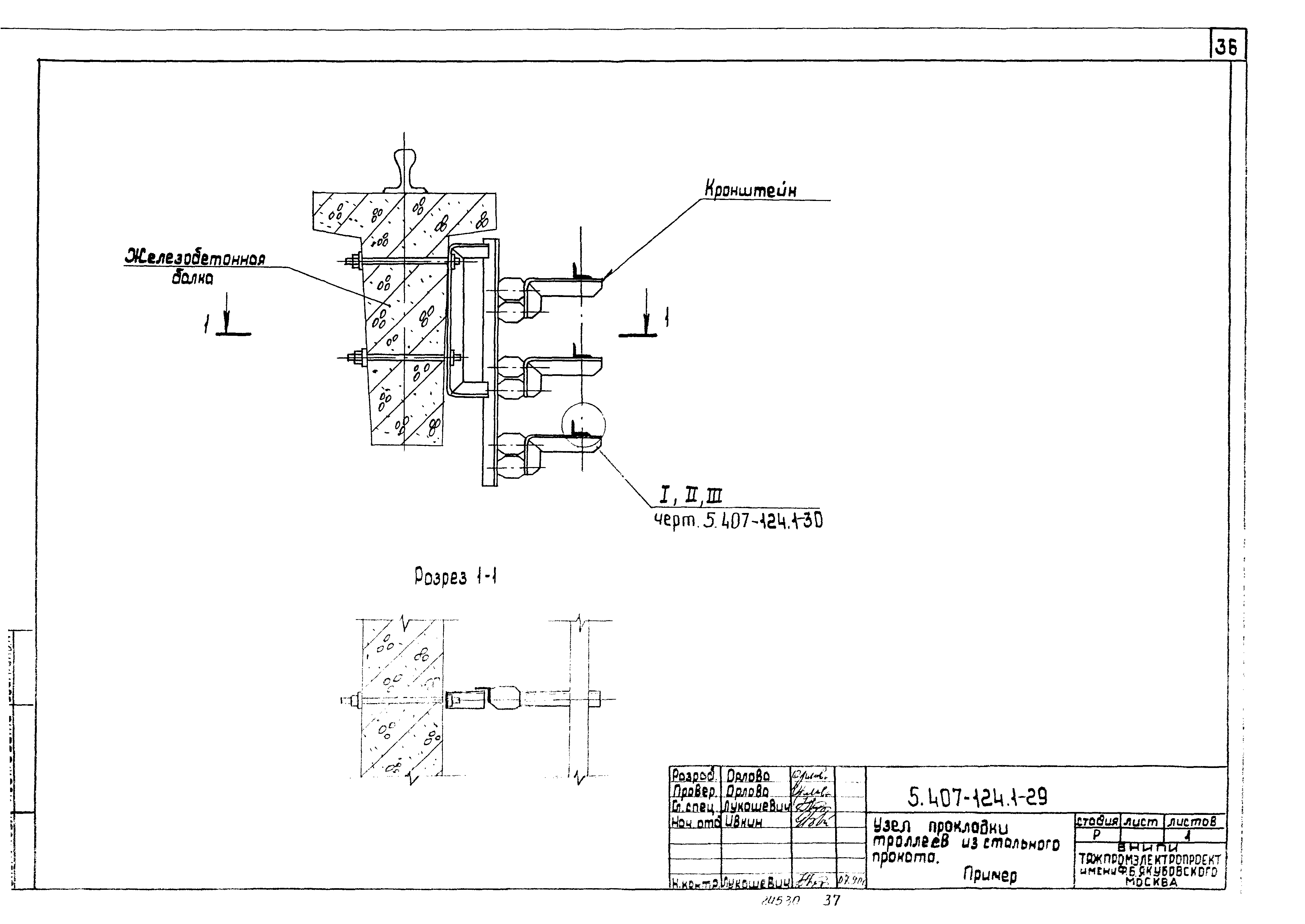
5.407-124.1-29 Узел прокладки троллеев из стального проката. Пример
5.407-124.1-30 Узды крепления троллеев из стального проката на кронштейнах
5.407-124.1-31 Кронштейн с троллейным указателем
5.407-124.1-32 Планка
5.407-124.1-33 Планка
Разработан: ВНИПИ Тяжпромэлектропроект им. Ф.Б. Якубовского
Утверждён:22.03.1990 НПО Электромонтаж ММСС СССР
Издан: ГУП ЦПП (CPP GUP 1997 г. )
Расположен в:Техническая документация Строительство Справочные документы Типовые строительные конструкции, изделия и узлы Общероссийский строительный каталог Строительные конструкции, изделия и узлы зданий и сооружений для всех видов строительства Инженерное оборудование Инженерное оборудование; изделия и узлы инженерного оборудования зданий и сооружений Электрооборудование и электросети Прокладка шинопроводов, кабелей, троллеев и электропроводок
Серия 5.407-124Серия 5.407-124Серия 5.407-124Серия 5.407-124Серия 5.407-124Серия 5.407-124Серия 5.407-124Серия 5.407-124Серия 5.407-124Серия 5.407-124Серия 5.407-124Серия 5.407-124Серия 5.407-124Серия 5.407-124Серия 5.407-124Серия 5.407-124Серия 5.407-124Серия 5.407-124Серия 5.407-124Серия 5.407-124Серия 5.407-124Серия 5.407-124Серия 5.407-124Серия 5.407-124Серия 5.407-124Серия 5.407-124Серия 5.407-124Серия 5.407-124Серия 5.407-124Серия 5.407-124Серия 5.407-124Серия 5.407-124Серия 5.407-124Серия 5.407-124Серия 5.407-124Серия 5.407-124Серия 5.407-124Серия 5.407-124Серия 5.407-124Серия 5.407-124

© 2013 Ёшкин Кот :-) Карта сайта