Информационная система
«Ёшкин Кот»

Скачать базу одним архивом
Скачать обновления
История создания базы
Карта сайта

Скачать Серия 5.407-37 Выпуск 2. Чертежи изделий

Дата актуализации: 10.08.2017

Серия 5.407-37

Выпуск 2. Чертежи изделий

Обозначение: Серия 5.407-37
Обозначение англ: Series 5.407-37
Статус:действует
Название рус.:Выпуск 2. Чертежи изделий
Дата добавления в базу:01.09.2013
Дата актуализации:05.05.2017
Оглавление:Общие указания
Секция троллейная доборная
Пример выполнения доборной троллейной секции (вариант 1)
Пример выполнения доборной троллейной секции (вариант 2)
Секция троллейная с двумя компенсаторами. Сборочный чертеж
Секция троллейная для двух компенсаторов
Светофор комплектный. Сборочный чертеж
Разрез 3-3 и виды 2-2; 4-4; 5-5; 6-6
Кронштейн в сборе. Сборочный чертеж
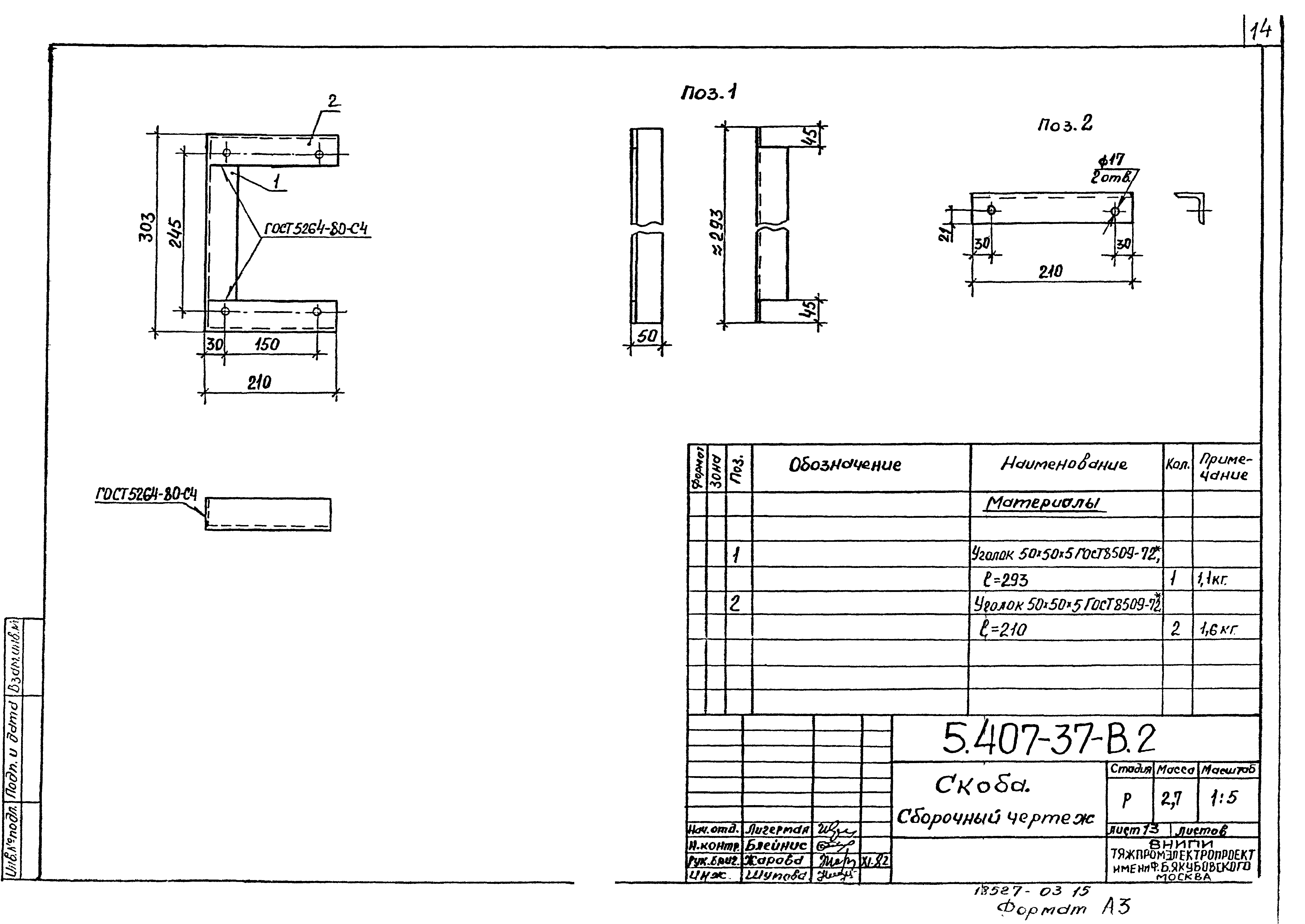
Скоба. Сборочный чертеж
Конструкция блочная из четырех троллейных кронштейнов. Сборочный чертеж
Связь
Разработан: ВНИПИ Тяжпромэлектропроект им. Ф.Б. Якубовского
Утверждён:30.11.1982 Минмонтажспецстрой СССР (USSR Minmontazhspetsstroy )
Издан: ГУП ЦПП (CPP GUP 2001 г. )
Расположен в:Техническая документация Строительство Справочные документы Типовые строительные конструкции, изделия и узлы Общероссийский строительный каталог Строительные конструкции, изделия и узлы зданий и сооружений для всех видов строительства Инженерное оборудование Инженерное оборудование; изделия и узлы инженерного оборудования зданий и сооружений Электрооборудование и электросети Прокладка шинопроводов, кабелей, троллеев и электропроводок
Серия 5.407-37Серия 5.407-37Серия 5.407-37Серия 5.407-37Серия 5.407-37Серия 5.407-37Серия 5.407-37Серия 5.407-37Серия 5.407-37Серия 5.407-37Серия 5.407-37Серия 5.407-37Серия 5.407-37Серия 5.407-37Серия 5.407-37Серия 5.407-37Серия 5.407-37

© 2013 Ёшкин Кот :-) Карта сайта