Информационная система
«Ёшкин Кот»

Скачать базу одним архивом
Скачать обновления
История создания базы
Карта сайта

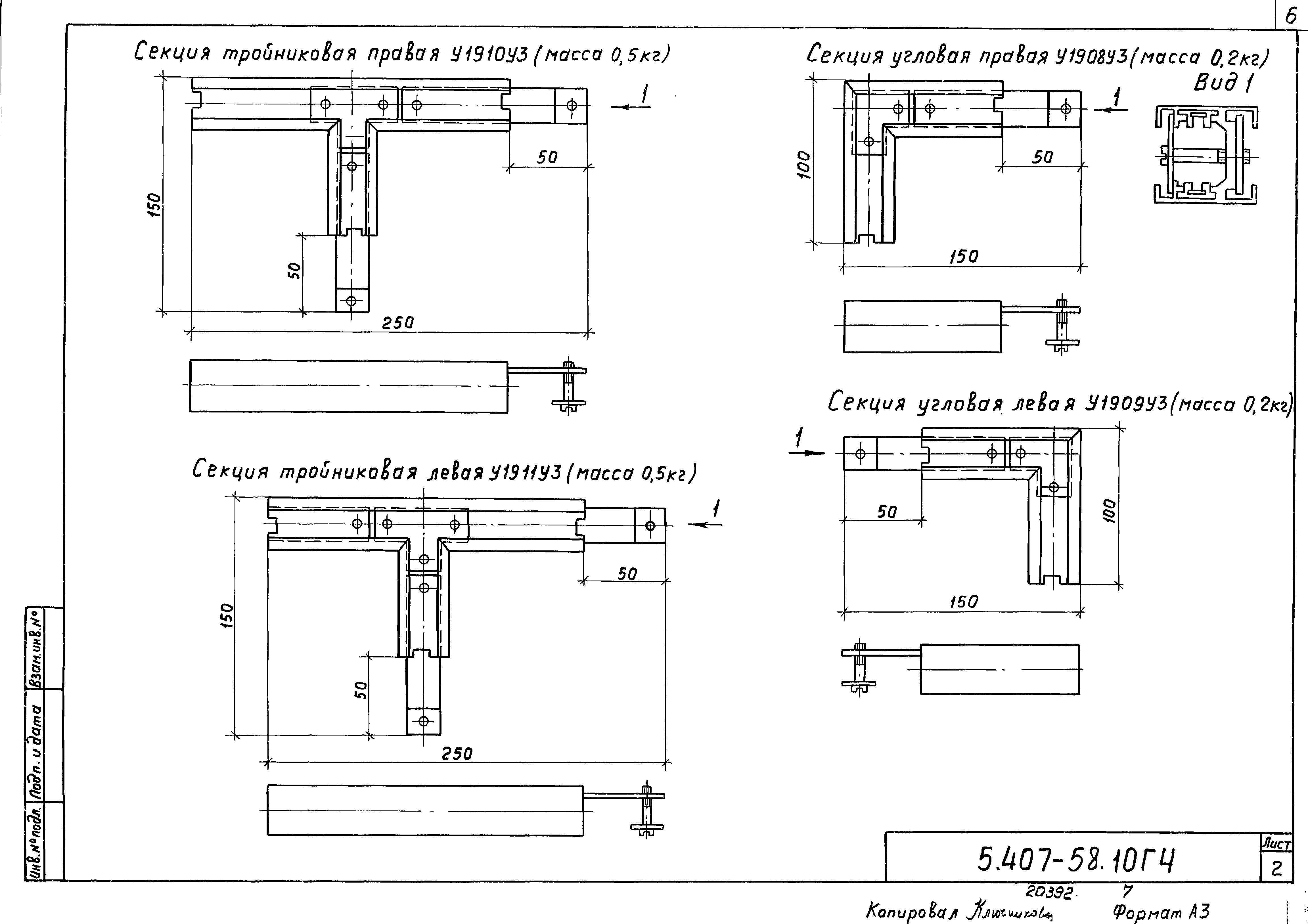
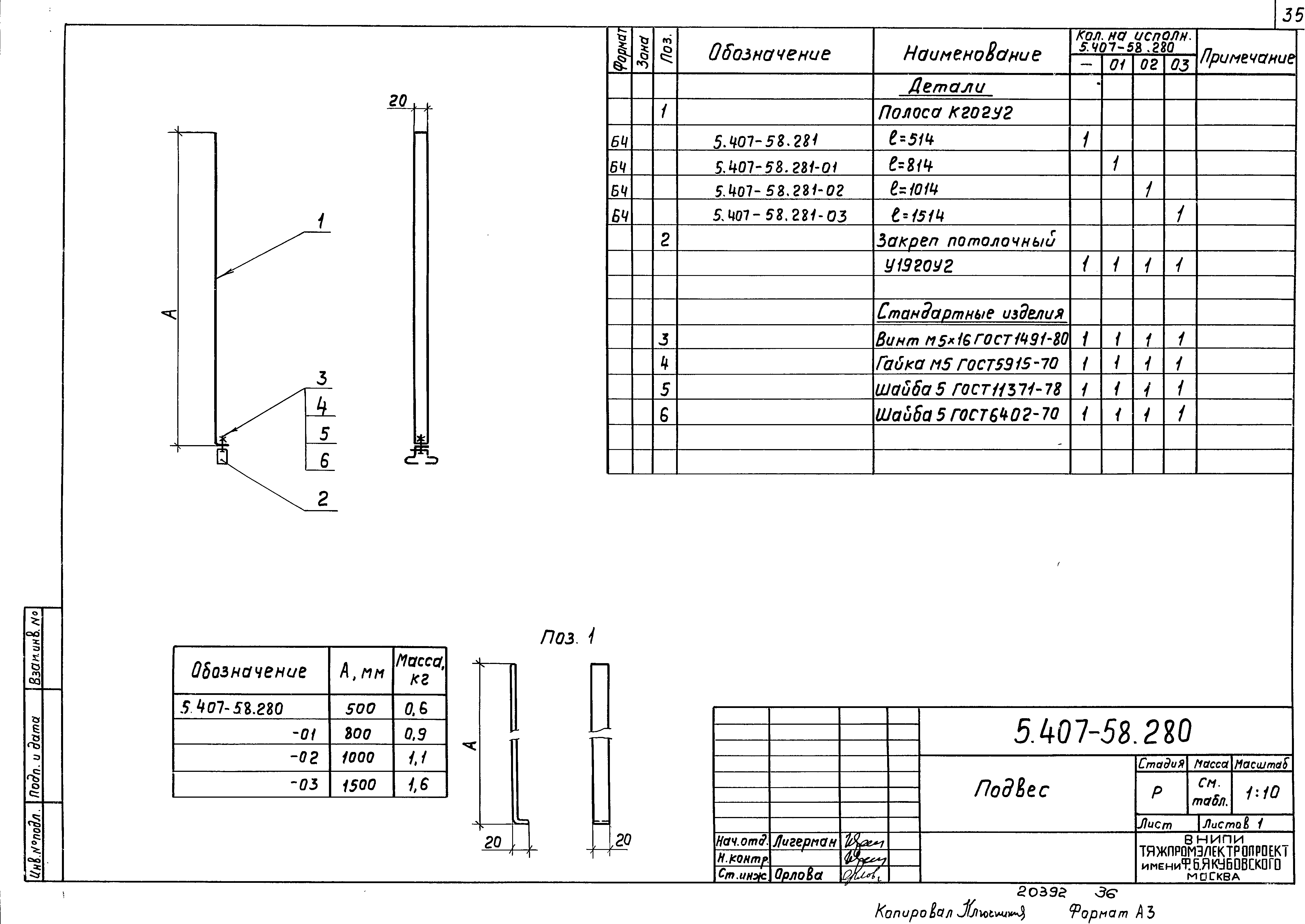
Скачать Серия 5.407-58 Прокладка осветительного шинопровода ШОС 80 на 16 А. Чертежи монтажные

Дата актуализации: 10.08.2017

Серия 5.407-58

Прокладка осветительного шинопровода ШОС 80 на 16 А. Чертежи монтажные

Обозначение: Серия 5.407-58
Обозначение англ: Series 5.407-58
Статус:не определен законодательством
Название рус.:Прокладка осветительного шинопровода ШОС 80 на 16 А. Чертежи монтажные
Дата добавления в базу:01.09.2013
Дата актуализации:05.05.2017
Дата введения:01.01.1985
Разработан: ВНИПИ Тяжпромэлектропроект им. Ф.Б. Якубовского
Утверждён:07.01.1985 Минмонтажспецстрой СССР (USSR Minmontazhspetsstroy )
Расположен в:Техническая документация Строительство Справочные документы Типовые строительные конструкции, изделия и узлы Общероссийский строительный каталог Строительные конструкции, изделия и узлы зданий и сооружений для всех видов строительства Инженерное оборудование Инженерное оборудование; изделия и узлы инженерного оборудования зданий и сооружений Электрооборудование и электросети Прокладка шинопроводов, кабелей, троллеев и электропроводок
Серия 5.407-58Серия 5.407-58Серия 5.407-58Серия 5.407-58Серия 5.407-58Серия 5.407-58Серия 5.407-58Серия 5.407-58Серия 5.407-58Серия 5.407-58Серия 5.407-58Серия 5.407-58Серия 5.407-58Серия 5.407-58Серия 5.407-58Серия 5.407-58Серия 5.407-58Серия 5.407-58Серия 5.407-58Серия 5.407-58Серия 5.407-58Серия 5.407-58Серия 5.407-58Серия 5.407-58Серия 5.407-58Серия 5.407-58Серия 5.407-58Серия 5.407-58Серия 5.407-58Серия 5.407-58Серия 5.407-58Серия 5.407-58Серия 5.407-58Серия 5.407-58Серия 5.407-58Серия 5.407-58Серия 5.407-58

© 2013 Ёшкин Кот :-) Карта сайта