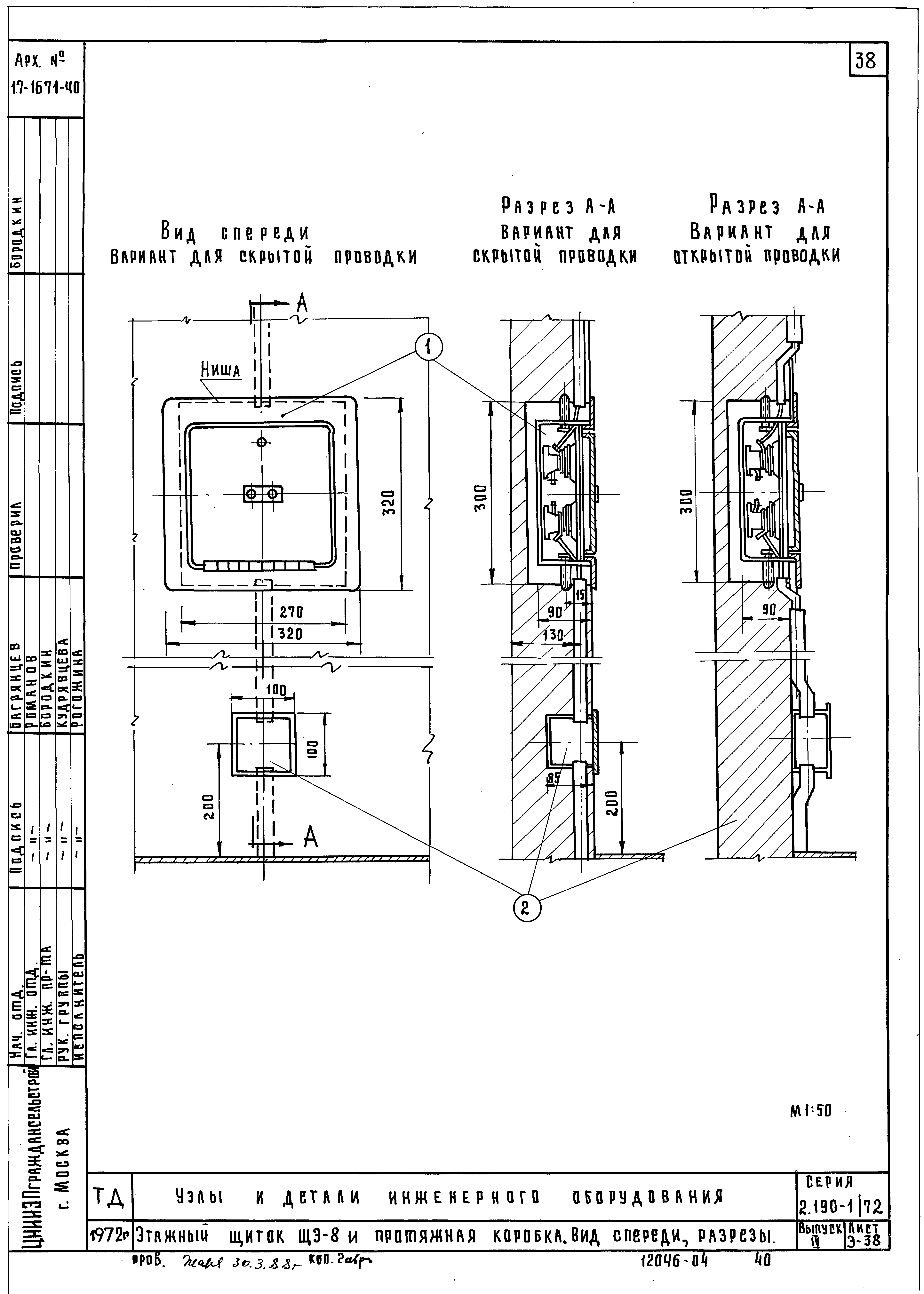
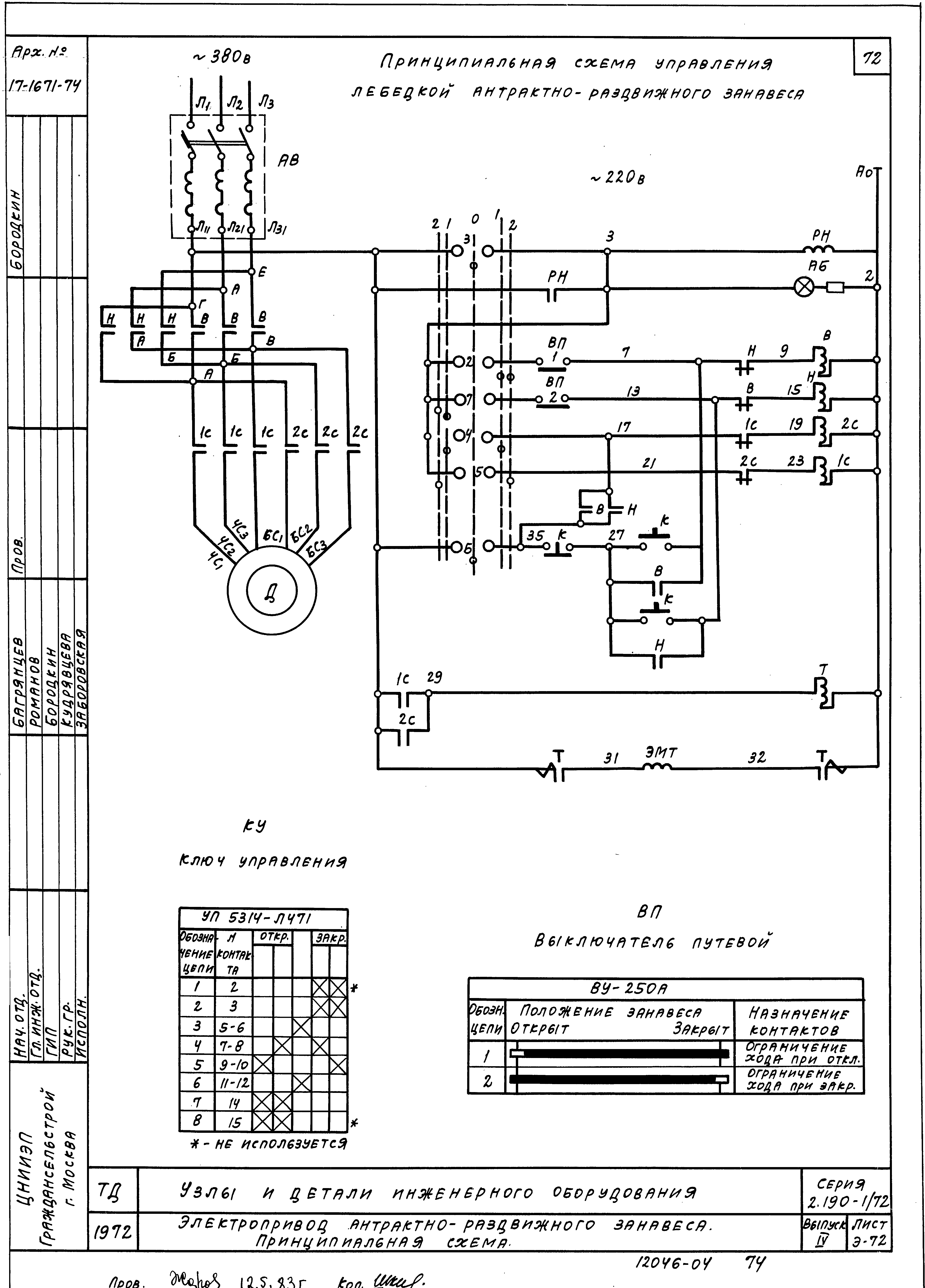
Скачать Серия 2.190-1/72 Выпуск 4. ЭлектрооборудованиеДата актуализации: 10.08.2017 Серия 2.190-1/72
Выпуск 4. ЭлектрооборудованиеОбозначение: | Серия 2.190-1/72 | Обозначение англ: | Series 2.190-1/72 | Статус: | не определен законодательством | Название рус.: | Выпуск 4. Электрооборудование | Дата добавления в базу: | 01.09.2013 | Дата актуализации: | 05.05.2017 | Дата введения: | 01.01.1973 | Разработан: | ЦНИИЭП граждансельстрой
| Утверждён: | 15.12.1972 Госгражданстрой (Gosgrazhdanstroy 236)
| Расположен в: |
|
                                                                                                             
|