Информационная система
«Ёшкин Кот»

Скачать базу одним архивом
Скачать обновления
История создания базы
Карта сайта

Скачать Серия 5.908-1 Типовые узлы крепления трубопроводов установок автоматического пожаротушения

Дата актуализации: 10.08.2017

Серия 5.908-1

Типовые узлы крепления трубопроводов установок автоматического пожаротушения

Обозначение: Серия 5.908-1
Обозначение англ: Series 5.908-1
Статус:не определен законодательством
Название рус.:Типовые узлы крепления трубопроводов установок автоматического пожаротушения
Дата добавления в базу:01.09.2013
Дата актуализации:05.05.2017
Дата введения:02.07.1983
Оглавление:АПЭ 1377.0 СБ Опора для крепления трубы Дн 18 … 48 к кирпичной стене. Сборочный чертеж
АПЭ 1377.0 Спецификация
АПЭ 1377.0-1 Хомут для труб Дн 18 … 30; 32 … 48
АПЭ 1377.0-2 Опора
АПЭ 1378.0 СБ Опора для крепления трубы Дн 50 … 219 к кирпичной стене. Сборочный чертеж
АПЭ 1378.0 Спецификация
АПЭ 1378.0-1 Хомут для труб Дн 50 … 65; 70 … 89; 108 … 140; 152 … 159; 219
АПЭ 1378.0-10 СБ Опора
АПЭ 1378.0-10 Спецификация
АПЭ 1379.0 Спецификация
АПЭ 1379.0 СБ опора для крепления 2-х труб Дн 18 … 48 к кирпичной стене
АПЭ 1379.0-1 Опора
АПЭ 1380.0 Спецификация
АПЭ 1380.0 СБ опора для крепления 2-х труб Дн 50 … 219 к кирпичной стене
АПЭ 1380.0-10 СБ Опора
АПЭ 1380.0-10 Спецификация
АПЭ 1381.0 Спецификация
АПЭ 1381.0 СБ опора для крепления 3-х труб Дн 18 … 89 к кирпичной стене
АПЭ 1381.0-10 СБ Опора
АПЭ 1381.0-10 Спецификация
АПЭ 1382.0 СБ Опора для крепления 4-х труб Дн 18 … 89 к кирпичной стене
АПЭ 1382.0 Спецификация
АПЭ 1382.0-10 СБ Опора
АПЭ 1382.0-10 Спецификация
АПЭ 1383.0 СБ Опора для крепления труб Дн 18 … 219 к металлоконструкциям
АПЭ 1383.0 Спецификация
АПЭ 1383.0-1 Опора
АПЭ 1384.0 СБ Опора для крепления 2-х труб Дн 18 … 219 к металлоконструкциям. Сборочный чертеж
АПЭ 1384.0 Спецификация
АПЭ 1384.0-1 Опора
АПЭ 1385.0 СБ Опора для крепления 3-х труб Дн 18 … 89 к металлоконструкциям. Сборочный чертеж
АПЭ 1385.0 Спецификация
АПЭ 1385.0-1 Опора
АПЭ 1386.0 Спецификация
АПЭ 1386.0-1 Опора
АПЭ 1386.0 СБ Опора для крепления 4-х труб Дн 18 … 89 к металлоконструкциям
АПЭ 1387.0 СБ Опора для крепления одной трубы Дн 18 … 89 к железобетонной колонне
АПЭ 1387.0 Спецификация
АПЭ 1387.0-1 Перекладина
АПЭ 1387.0-2 Шпилька
АПЭ 1387.0-3 Перекладина
АПЭ 1388.0 СБ Опора для крепления 2-х труб Дн 18 … 89 к железобетонной колонне
АПЭ 1388.0 Спецификация
АПЭ 1388.0-1 Перекладина
АПЭ 1389.0 СБ Опора для крепления 3-х труб Дн 18 … 89 к железобетонной колонне
АПЭ 1389.0 Спецификация
АПЭ 1389.0-1 Перекладина
АПЭ 1390.0 СБ Опора для крепления 4-х труб Дн 18 … 89 к железобетонной колонне
АПЭ 1390.0 Спецификация
АПЭ 1390.0-1 Перекладина
АПЭ 1391.0 СБ Подвеска для крепления труб к плитам перекрытия
АПЭ 1391.0 Спецификация
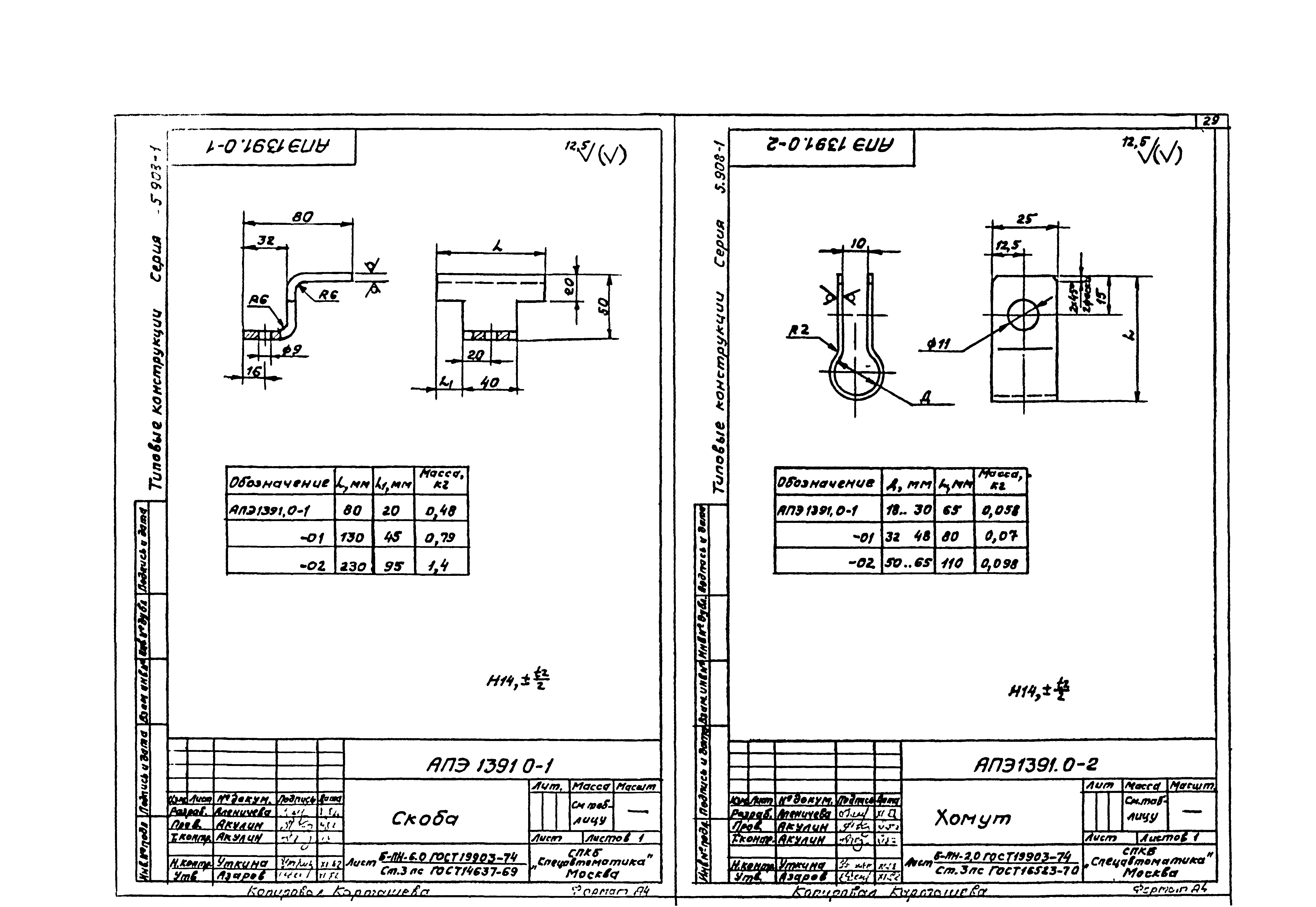
АПЭ 1391.0-1 Скоба
АПЭ 1391.0-2 Хомут
АПЭ 1391.0-3 Тяга
АПЭ 1392.0-1 Опора
АПЭ 1392.0 СБ Подвеска для крепления 2-х труб к плитам перекрытия
АПЭ 1392.0 Спецификация
АПЭ 1392.0-2 Шпилька
АПЭ 1392.0-10 Спецификация
АПЭ 1392.0-10 СБ Кронштейн
АПЭ 1393.0 СБ Подвеска для крепления 3-х труб к плитам перекрытия
АПЭ 1393.0 Спецификация
АПЭ 1393.0-10 СБ Кронштейн
АПЭ 1393.0-10 Спецификация
АПЭ 1393.0-1 Опора
АПЭ 1394.0 СБ Подвеска для крепления 4-х труб к плитам перекрытия
АПЭ 1394.0 Спецификация
АПЭ 1394.0-1 Опора
АПЭ 1393.0-2 Шпилька
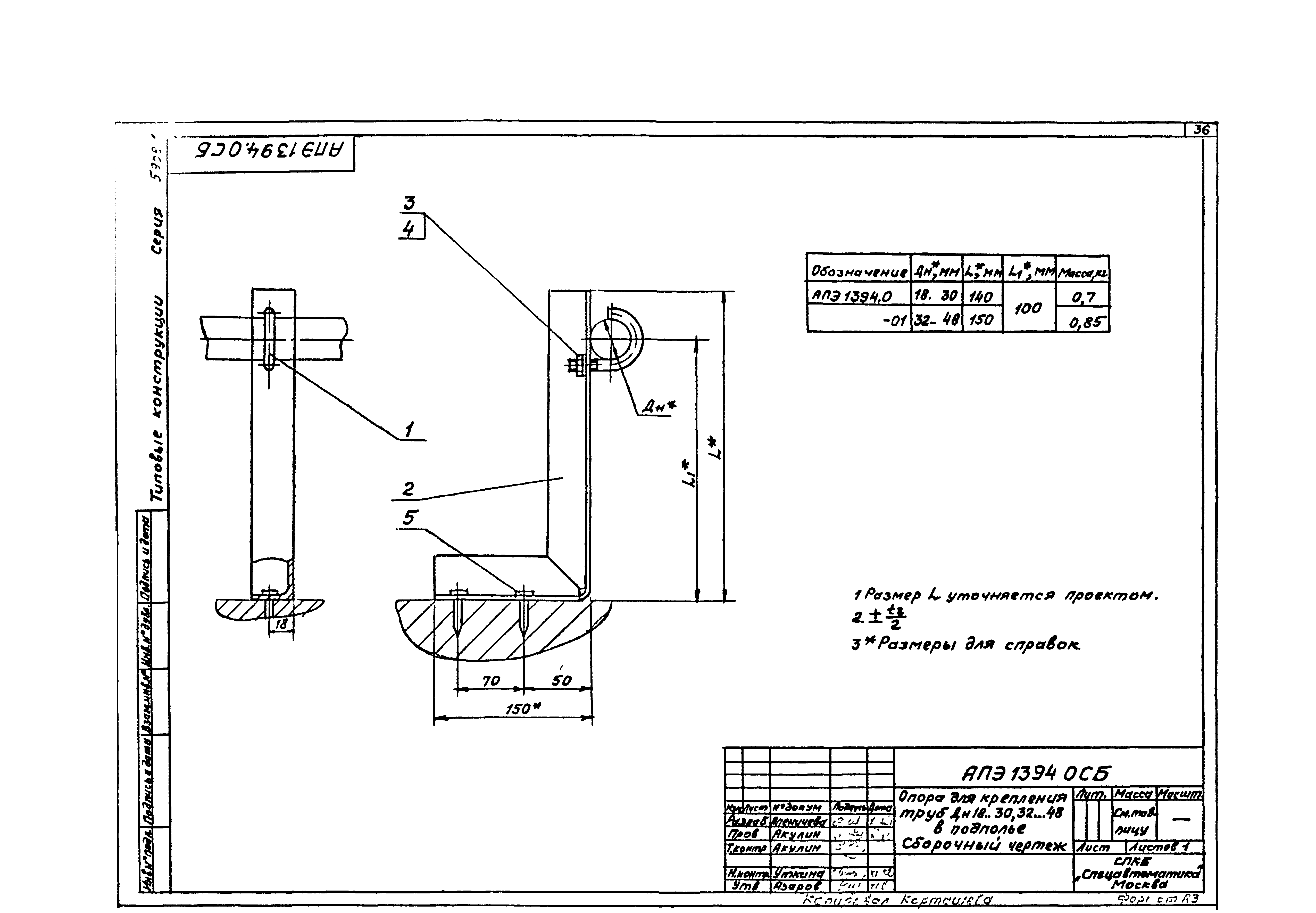
АПЭ 1394.0 СБ опора для крепления труб Дн 18 … 30, 32 … 48 в подполье
АПЭ 1394.0 Спецификация
АПЭ 1394.0-1 Опора
АПЭ 1395.0 СБ Опора для крепления труб к железобетонной стене на дюбель-гвоздях
АПЭ 1395.0 Спецификация
АПЭ 1395.0-1 Опора
АПЭ 1396.0 СБ Опора для крепления 2-х труб к железобетонной стене на дюбель-гвоздях
АПЭ 1396.0 Спецификация
АПЭ 1396.0-1 Опора
АПЭ 1397.0 СБ Опора для крепления 3-х труб к железобетонной стене на дюбель-гвоздях
АПЭ 1397.0 Спецификация
АПЭ 1397.0-1 Опора
АПЭ 1398.0 СБ Опора для крепления 4-х труб к железобетонной стене на дюбель-гвоздях
АПЭ 1398.0 Спецификация
АПЭ 1398.0-1 Опора
АПЭ 1399.0 СБ Подвеска для крепления труб к железобетонным плитам перекрытия
АПЭ 1399.0 Спецификация
АПЭ 1399.0-1 Подкладка
АПЭ 1399.0-2 Тяга
АПЭ 1399.0-3 Хомут
АПЭ 1400.0 Спецификация
АПЭ 1400.0 СБ Подвеска для крепления труб к железобетонным плитам перекрытия
АПЭ 1400.0-10 СБ Подвеска
АПЭ 1400.0-10 Спецификация
АПЭ 1400.0-1 Подкладка
АПЭ 1400.0-2 Тяга
АПЭ 1400.0-3 Уголок
АПЭ 1401.0-1 Подкладка
АПЭ 1401.0 Спецификация
АПЭ 1401.0 СБ Подвеска для крепления 2-х труб к железобетонным плитам перекрытия
АПЭ 1401.0-2 Шпилька
АПЭ 1401.0-3 Уголок
АПЭ 1402.0 СБ Подвеска для крепления 3-х труб к железобетонным плитам перекрытия
АПЭ 1402.0 Спецификация
АПЭ 1402.0-1 Уголок
АПЭ 1403.0 СБ Подвеска для крепления 4-х труб к железобетонным плитам перекрытия
АПЭ 1403.0 Спецификация
АПЭ 1403.0-1 Уголок
АПЭ 1404.0 СБ Подвеска для крепления труб к металлоконструкциям
АПЭ 1404.0 Спецификация
АПЭ 1404.0-1 Тяга
АПЭ 1405.0-1 Тяга
АПЭ 1405.0 СБ Подвеска для крепления 2-х труб к металлоконструкциям
АПЭ 1405.0 Спецификация
АПЭ 1406.0 СБ Подвеска для крепления 3-х труб к металлоконструкциям
АПЭ 1406.0 Спецификация
АПЭ 1407.0 Спецификация
АПЭ 1407.0 СБ Подвеска для крепления 4-х труб к металлоконструкциям
АПЭ 1408.0 СБ Подвеска для крепления труб к железобетонным плитам перекрытия
АПЭ 1408.0 Спецификация
АПЭ 1408.0-1 Тяга
АПЭ 1408.0-2 Уголок
АПЭ 1409.0 Спецификация
АПЭ 1409.0 СБ Подвеска для крепления труб к плитам перекрытия
АПЭ 1409.0-1 Уголок
АПЭ 1410.0 Спецификация
АПЭ 1410.0-1 Скоба
АПЭ 1410.0-2 Тяга
АПЭ 1410.0-3 Кронштейн
АПЭ 1410.0 СБ Подвеска для крепления труб к деревянным балкам
АПЭ 1411.0 СБ Опора под колено Дн 159 … 530
АПЭ 1411.0 Спецификация
АПЭ 1411.0-1 Ребро
АПЭ 1411.0-3 Основание
АПЭ 1411.0-2 Ребро
АПЭ 1412.0 СБ Опора для крепления труб
АПЭ 1412.0 Спецификация
АПЭ 1412.0-1 Опора
АПЭ 1412.0-2 Опора
АПЭ 1412.0-3 Основание
АПЭ 1413.0 СБ Подвеска для крепления труб Дн 18 … 65 к плитам перекрытия
АПЭ 1413.0 Спецификация
АПЭ 1413.0-1 Хомут
Разработан: СПКБ Спецавтоматика Минприбора
Утверждён:20.12.1982 Минприбор СССР (USSR Minpribor 186)
Расположен в:Техническая документация Строительство Справочные документы Типовые строительные конструкции, изделия и узлы Общероссийский строительный каталог Строительные конструкции, изделия и узлы зданий и сооружений для всех видов строительства Конструкции и изделия сооружений и оборудования зданий Надземные сооружения Узлы и детали сооружений
Серия 5.908-1Серия 5.908-1Серия 5.908-1Серия 5.908-1Серия 5.908-1Серия 5.908-1Серия 5.908-1Серия 5.908-1Серия 5.908-1Серия 5.908-1Серия 5.908-1Серия 5.908-1Серия 5.908-1Серия 5.908-1Серия 5.908-1Серия 5.908-1Серия 5.908-1Серия 5.908-1Серия 5.908-1Серия 5.908-1Серия 5.908-1Серия 5.908-1Серия 5.908-1Серия 5.908-1Серия 5.908-1Серия 5.908-1Серия 5.908-1Серия 5.908-1Серия 5.908-1Серия 5.908-1Серия 5.908-1Серия 5.908-1Серия 5.908-1Серия 5.908-1Серия 5.908-1Серия 5.908-1Серия 5.908-1Серия 5.908-1Серия 5.908-1Серия 5.908-1Серия 5.908-1Серия 5.908-1Серия 5.908-1Серия 5.908-1Серия 5.908-1Серия 5.908-1Серия 5.908-1Серия 5.908-1Серия 5.908-1Серия 5.908-1Серия 5.908-1Серия 5.908-1Серия 5.908-1Серия 5.908-1Серия 5.908-1Серия 5.908-1Серия 5.908-1Серия 5.908-1Серия 5.908-1Серия 5.908-1Серия 5.908-1Серия 5.908-1Серия 5.908-1Серия 5.908-1Серия 5.908-1Серия 5.908-1Серия 5.908-1Серия 5.908-1Серия 5.908-1Серия 5.908-1Серия 5.908-1Серия 5.908-1Серия 5.908-1Серия 5.908-1Серия 5.908-1Серия 5.908-1Серия 5.908-1Серия 5.908-1Серия 5.908-1Серия 5.908-1Серия 5.908-1Серия 5.908-1Серия 5.908-1Серия 5.908-1Серия 5.908-1Серия 5.908-1Серия 5.908-1Серия 5.908-1Серия 5.908-1Серия 5.908-1Серия 5.908-1Серия 5.908-1Серия 5.908-1

© 2013 Ёшкин Кот :-) Карта сайта