Скачать Серия 3.820.2-53 Выпуск 3. Затворы плоские поверхностные переливные размером 5,0х2,5х2,8 мДата актуализации: 10.08.2017 Серия 3.820.2-53
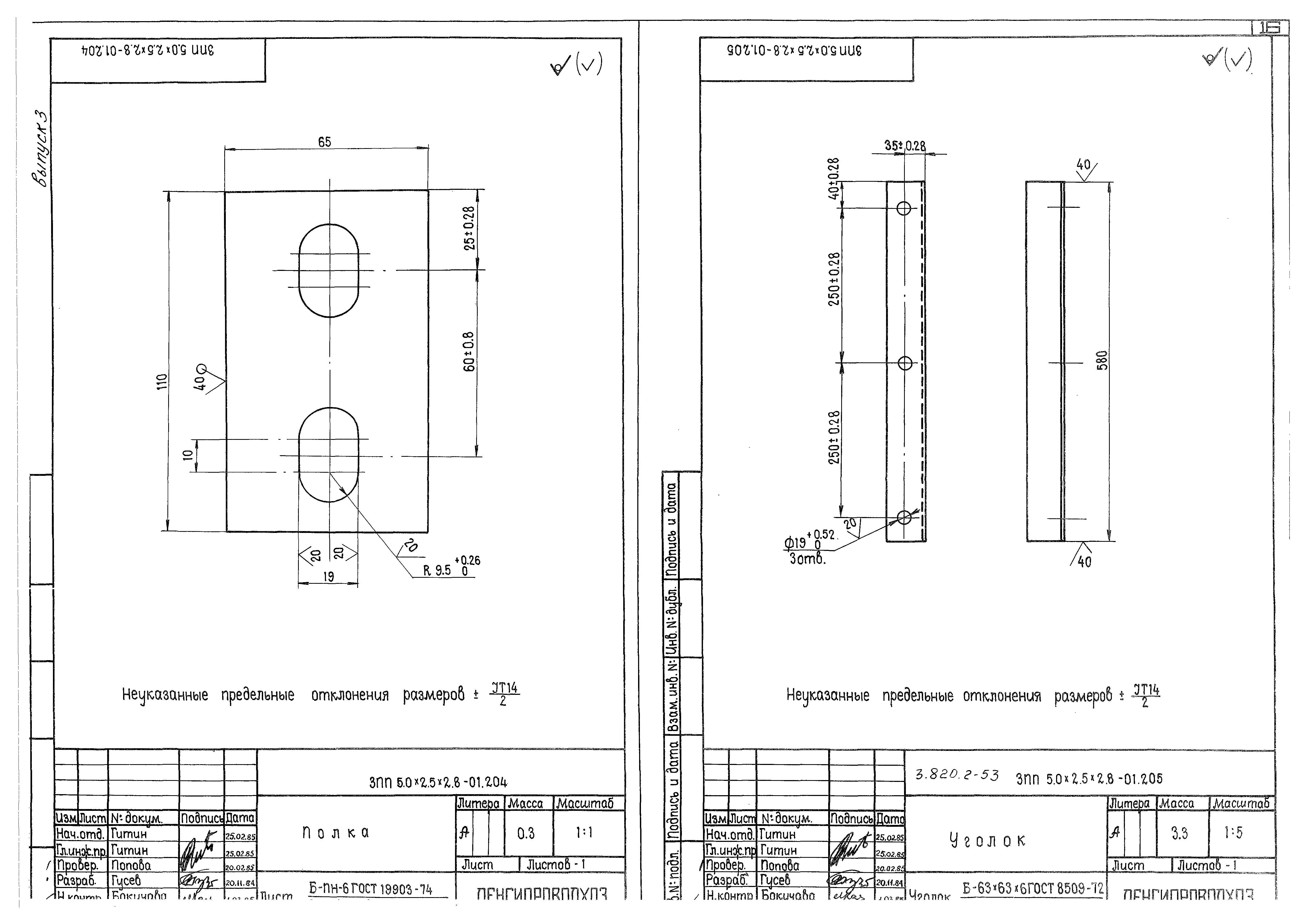
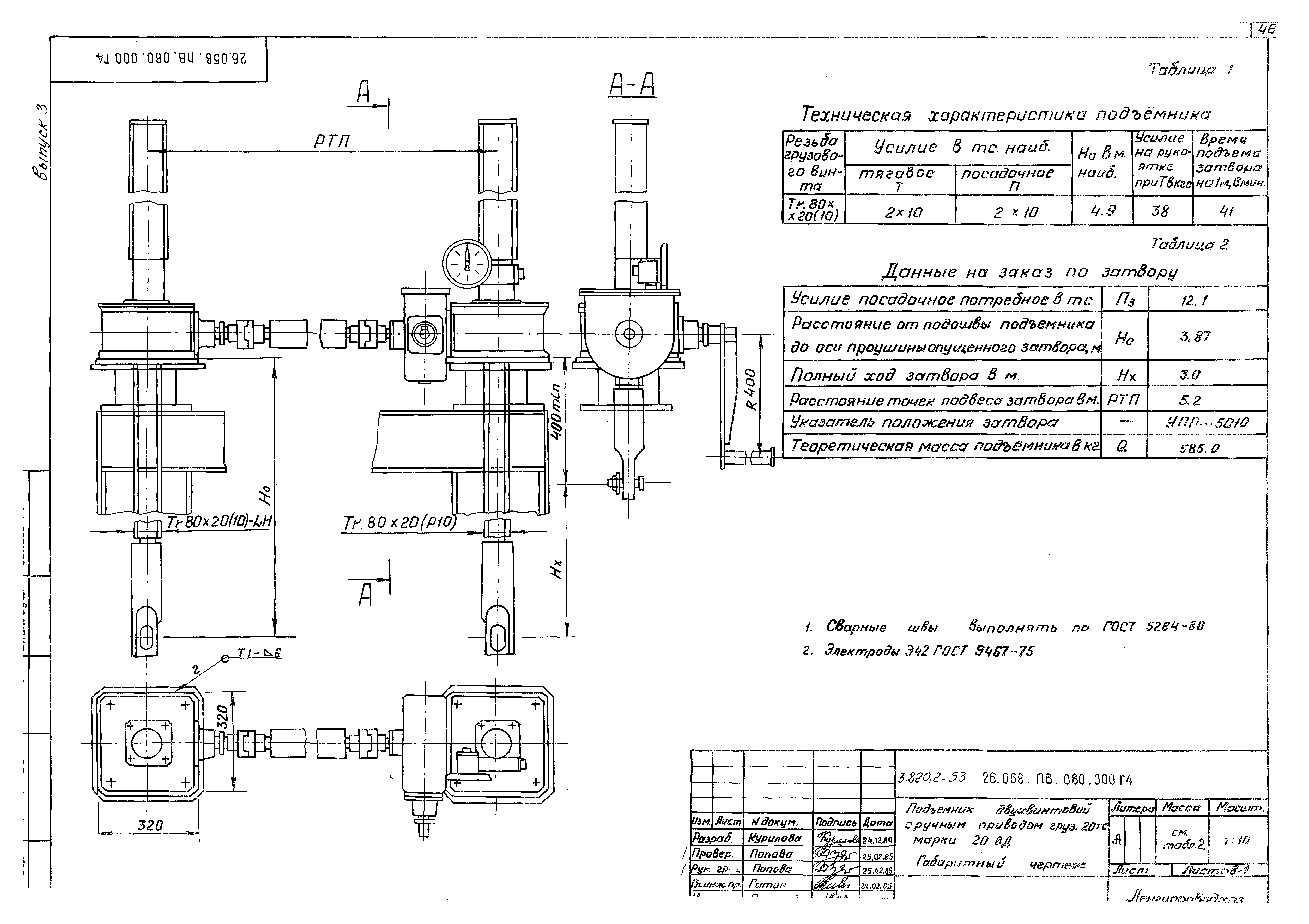
Выпуск 3. Затворы плоские поверхностные переливные размером 5,0х2,5х2,8 мОбозначение: | Серия 3.820.2-53 | Обозначение англ: | Series 3.820.2-53 | Статус: | не определен законодательством | Название рус.: | Выпуск 3. Затворы плоские поверхностные переливные размером 5,0х2,5х2,8 м | Дата добавления в базу: | 01.09.2013 | Дата актуализации: | 05.05.2017 | Дата введения: | 01.05.1985 | Разработан: | Ленгипроводхоз Минводхоза СССР
| Утверждён: | 01.11.1984 Минводхоз СССР (USSR Minvodkhoz 603)
| Расположен в: |
|
                                              
|