Информационная система
«Ёшкин Кот»

Скачать базу одним архивом
Скачать обновления
История создания базы
Карта сайта

Скачать Серия 1.236.5-9 Окна и балконные двери деревянные с тройным остеклением для общественных зданий. Рабочие чертежи

Дата актуализации: 10.08.2017

Серия 1.236.5-9

Окна и балконные двери деревянные с тройным остеклением для общественных зданий. Рабочие чертежи

Обозначение: Серия 1.236.5-9
Обозначение англ: Series 1.236.5-9
Статус:не действует
Название рус.:Окна и балконные двери деревянные с тройным остеклением для общественных зданий. Рабочие чертежи
Дата добавления в базу:01.09.2013
Дата актуализации:05.05.2017
Дата введения:01.10.1981
Дата окончания срока действия:01.06.1988
Оглавление:1.236.5-9-000 ПЗ Пояснительная записка
1.236.5-9-000 Д1 Номенклатура изделий
1.236.5-9-000 Д2 Схемы расположения приборов в окнах и балконных дверях
1.236.5-9-1000 Оконный блок с тройным остеклением
1.236.5-9-1000 СБ Оконный блок с тройным остеклением
1.236.5-9-1003 Штапик
1.236.5-9-1100 Коробка оконного блока с тройным остеклением
1.236.5-9-1100 СБ Коробка оконного блока с тройным остеклением. Сборочный чертеж
1.236.5-9-1110 Коробка для раздельных переплетов
1.236.5-9-1110 СБ Коробка для раздельных переплетов. Сборочный чертеж
1.236.5-9-1111 Профиль коробки
1.236.5-9-1112 Профиль коробки
1.236.5-9-1113 Профиль коробки
1.236.5-9-1120 Коробка для спаренного переплета
1.236.5-9-1120 СБ Коробка для спаренного переплета. Сборочный чертеж
1.236.5-9-1121 Профиль коробки
1.236.5-9-1122 Профиль коробки
1.236.5-9-1200 Переплет внутренний спаренный
1.236.5-9-1200 СБ Переплет внутренний спаренный. Сборочный чертеж
1.236.5-9-1201 Профиль внутреннего переплета
1.236.5-9-1202 Профиль внутреннего переплета
1.236.5-9-1300 Переплет средний спаренный
1.236.5-9-1300 СБ Переплет средний спаренный. Сборочный чертеж
1.236.5-9-1301 Профиль переплета среднего спаренного
1.236.5-9-1302 Профиль переплета среднего спаренного
1.236.5-9-1400 Переплет раздельный
1.236.5-9-1400 СБ Переплет оконный раздельный. Сборочный чертеж
1.236.5-9-1401 Профиль раздельного переплета
1.236.5-9-1402 Профиль раздельного переплета
1.236.5-9-1403 Профиль слива оконных и фрамужных раздельных переплетов
1.236.5-9-2000 Оконный блок с тройным остеклением
1.236.5-9-2000 СБ Оконный блок с тройным остеклением. Сборочный чертеж
1.236.5-9-2100 Коробка оконного блока с тройным остеклением
1.236.5-9-2100 СБ Коробка оконного блока с тройным остеклением. Сборочный чертеж
1.236.5-9-2110 Коробка для раздельных переплетов
1.236.5-9-2110 СБ Коробка для раздельных переплетов. Сборочный чертеж
1.236.5-9-2111 Профиль коробки
1.236.5-9-2120 Коробка для спаренных переплетов
1.236.5-9-2120 СБ Коробка для спаренных переплетов. Сборочный чертеж
1.236.5-9-2121 Профиль коробки
1.236.5-9-3000 Оконный блок с тройным остеклением
1.236.5-9-3000 СБ Оконный блок с тройным остеклением. Сборочный чертеж
1.236.5-9-3100 Коробка оконного блока с тройным остеклением
1.236.5-9-3100 СБ Коробка оконного блока с тройным остеклением. Сборочный чертеж
1.236.5-9-3110 Коробка для раздельных переплетов
1.236.5-9-3110 СБ Коробка для раздельных переплетов. Сборочный чертеж
1.236.5-9-3111 Профиль коробки
1.236.5-9-3120 Коробка для спаренных переплетов
1.236.5-9-3120 СБ Коробка для спаренных переплетов. Сборочный чертеж
1.236.5-9-3121 Профиль коробки
1.236.5-9-3200 Переплет фрамуги внутренний спаренный
1.236.5-9-3200 СБ Переплет фрамуги внутренний спаренный. Сборочный чертеж
1.236.5-9-3300 Переплет фрамуги средний спаренный
1.236.5-9-3300 СБ Переплет фрамуги средний спаренный. Сборочный чертеж
1.236.5-9-3400 Переплет фрамуги раздельный
1.236.5-9-3400 СБ Переплет фрамуги раздельный. Сборочный чертеж
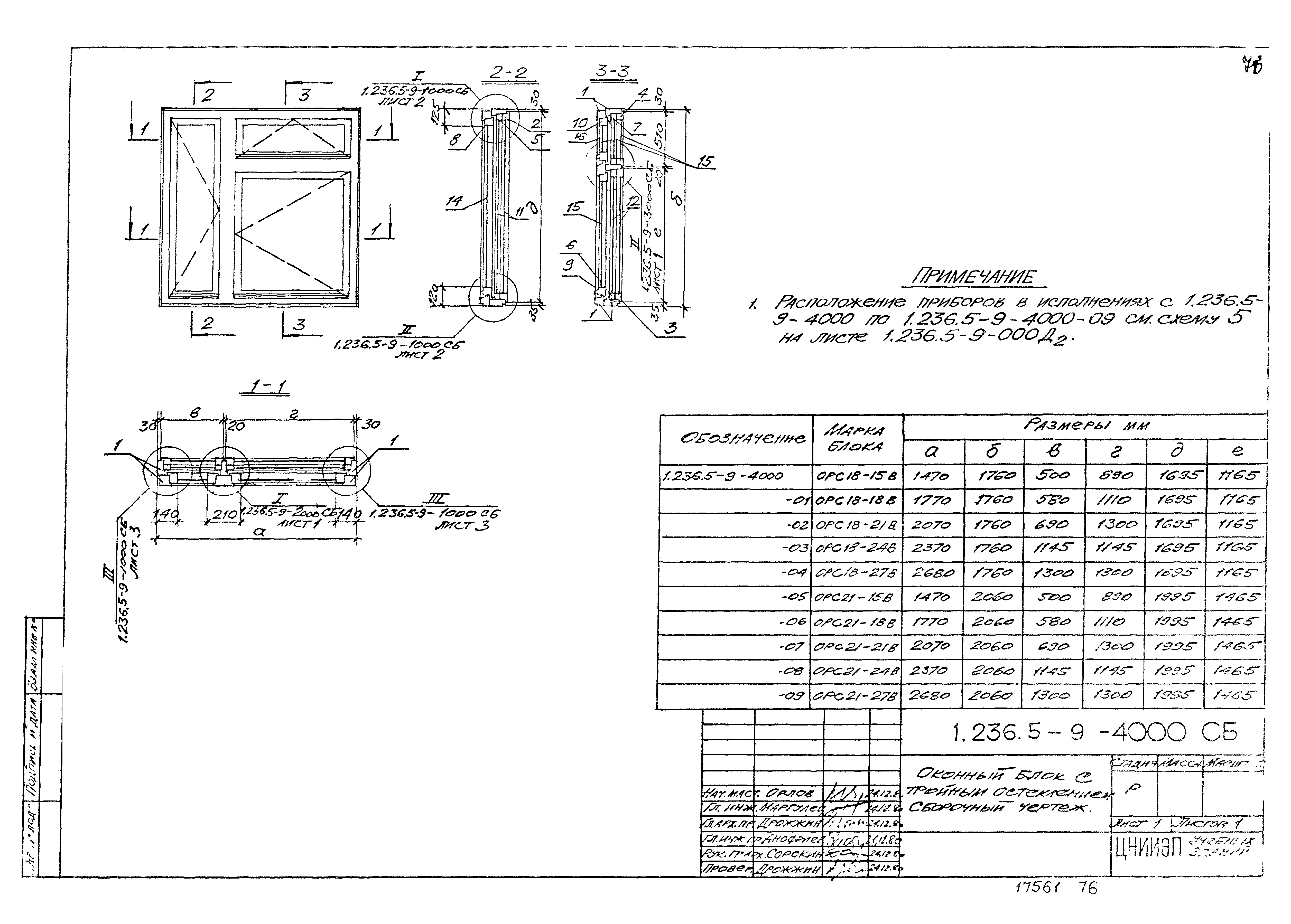
1.236.5-9-4000 Оконный блок с тройным остеклением
1.236.5-9-4000 СБ Оконный блок с тройным остеклением. Сборочный чертеж
1.236.5-9-4100 Коробка оконного блока с тройным остеклением
1.236.5-9-4100 СБ Коробка оконного блока с тройным остеклением. Сборочный чертеж
1.236.5-9-4110 Коробка для раздельных переплетов
1.236.5-9-4110 СБ Коробка для раздельных переплетов. Сборочный чертеж
1.236.5-9-4120 Коробка для спаренных переплетов
1.236.5-9-4120 СБ Коробка для спаренных переплетов. Сборочный чертеж
1.236.5-9-5000 Оконный блок с тройным остеклением
1.236.5-9-5000 СБ Оконный блок с тройным остеклением. Сборочный чертеж
1.236.5-9-5100 Коробка для раздельных переплетов
1.236.5-9-5100 СБ Коробка для раздельных переплетов. Сборочный чертеж
1.236.5-9-5110 Коробка для раздельных переплетов
1.236.5-9-5110 СБ Коробка для раздельных переплетов. Сборочный чертеж
1.236.5-9-5120 Коробка для спаренных переплетов
1.236.5-9-5120 СБ Коробка для спаренных переплетов. Сборочный чертеж
1.236.5-9-6000 Оконный блок с тройным остеклением
1.236.5-9-6000 СБ Оконный блок с тройным остеклением. Сборочный чертеж
1.236.5-9-6100 Коробка оконного блока с тройным остеклением
1.236.5-9-6100 СБ Коробка оконного блока с тройным остеклением. Сборочный чертеж
1.236.5-9-6110 Коробка для раздельных переплетов
1.236.5-9-6110 СБ Коробка для раздельных переплетов. Сборочный чертеж
1.236.5-9-6120 Коробка для спаренных переплетов
1.236.5-9-6120 СБ Коробка для спаренных переплетов. Сборочный чертеж
1.236.5-9-7000 Балконная дверь с тройным остеклением
1.236.5-9-7000 СБ Балконная дверь с тройным остеклением. Сборочный чертеж
1.236.5-9-7100 Коробка балконной двери с тройным остеклением
1.236.5-9-7100 СБ Коробка балконной двери с тройным остеклением. Сборочный чертеж
1.236.5-9-7110 Коробка для раздельных переплетов
1.236.5-9-7110 СБ Коробка для раздельных переплетов. Сборочный чертеж
1.236.5-9-7120 Коробка для спаренных переплетов
1.236.5-9-7120 СБ Коробка для спаренных переплетов
1.236.5-9-7200 Переплет двери внутренний спаренный
1.236.5-9-7200 СБ Переплет двери внутренний спаренный. Сборочный чертеж
1.236.5-9-7201 Профиль внутреннего переплета
1.236.5-9-7300 Переплет двери средний спаренный
1.236.5-9-7300 СБ Переплет двери средний спаренный. Сборочный чертеж
1.236.5-9-7301 Профиль переплета среднего спаренного
1.236.5-9-7400 Переплет двери раздельный
1.236.5-9-7400 СБ Переплет двери раздельный. Сборочный чертеж
1.236.5-9-7401 Профиль раздельного переплета
1.236.5-9-7402 Профиль раздельного переплета
1.236.5-9-7403 Профиль слива балконных дверей
1.236.5-9-8000 Балконная дверь с тройным остеклением БРС 28-18
1.236.5-9-8000 СБ Балконная дверь с тройным остеклением БРС 28-19. Сборочный чертеж
1.236.5-9-8100 Коробка балконной двери с тройным остеклением КРС 44
1.236.5-9-8100 СБ Коробка балконной двери с тройным остеклением КРС 44. Сборочный чертеж
1.236.5-9-8110 Коробка для раздельных переплетов КР 44
1.236.5-9-8110 СБ Коробка для раздельных переплетов КР 44. Сборочный чертеж
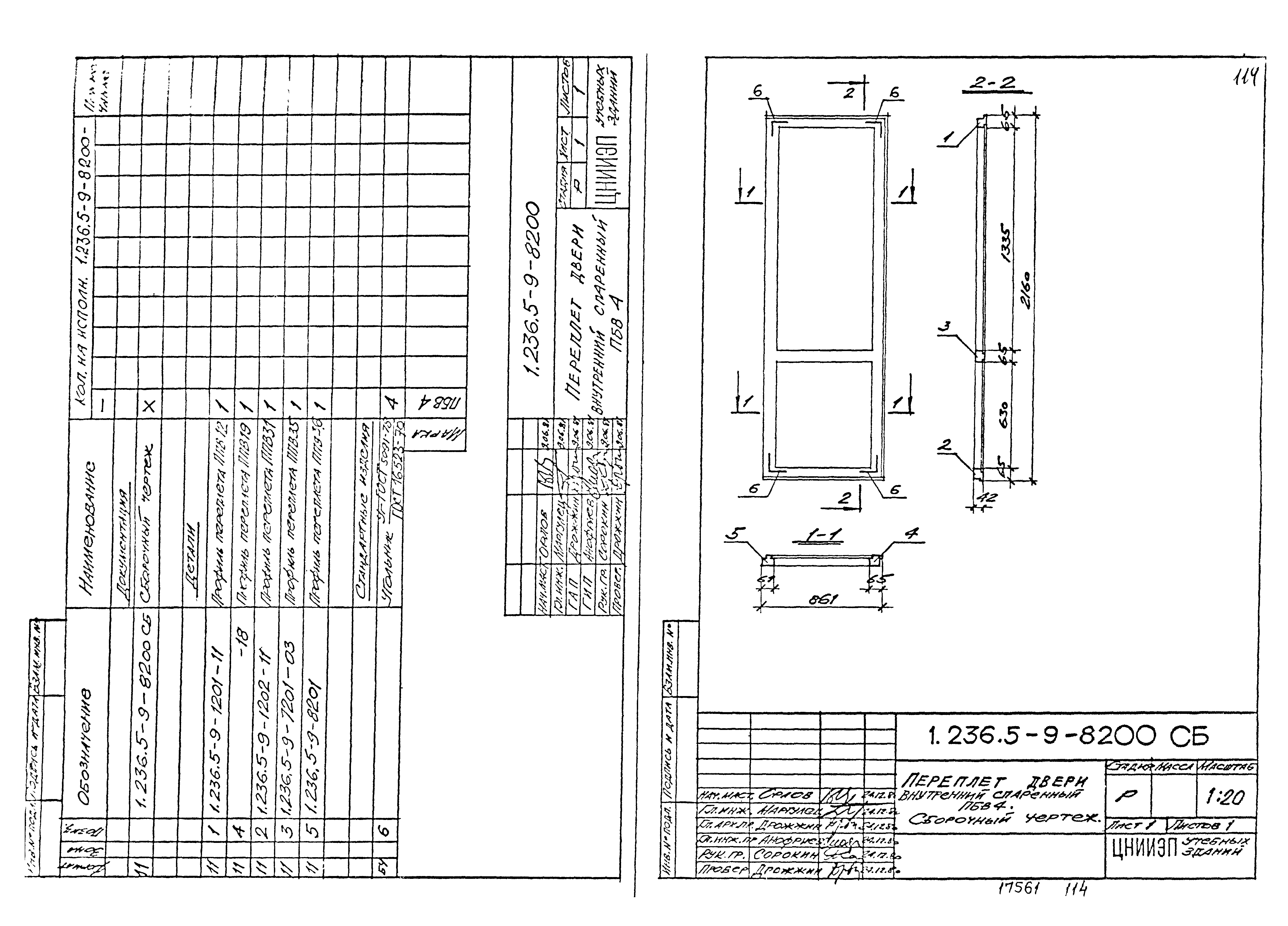
1.236.5-9-8200 Переплет двери внутренний спаренный ПБВ 4
1.236.5-9-8200 СБ Переплет двери внутренний спаренный ПБВ 4. Сборочный чертеж
1.236.5-9-8201 Профиль внутреннего переплета спаренного
1.236.5-9-8300 Переплет двери средний спаренный ПБС 4
1.236.5-9-8300 СБ Переплет двери средний спаренный ПБС 4. Сборочный чертеж
1.236.5-9-8301 Профиль среднего переплета спаренного
1.236.5-9-8400 Переплет двери раздельный ПБР 4
1.236.5-9-8400 СБ Переплет двери раздельный ПБР 4. Сборочный чертеж
1.236.5-9-8401 Профиль раздельного переплета
1.236.5-9-8003 Профиль нащельника
1.236.5-9-8500 Переплет фрамуги внутренний спаренный ПФВ 8
1.236.5-9-8500 СБ Переплет фрамуги внутренний спаренный ПФВ 8. Сборочный чертеж
1.236.5-9-8600 Переплет фрамуги средний спаренный ПФС 8
1.236.5-9-8600 СБ Переплет фрамуги средний спаренный ПФС 8. Сборочный чертеж
1.236.5-9-8700 Переплет фрамуги раздельный ПФР 8
1.236.5-9-8700 СБ Переплет фрамуги раздельный ПФР 8. Сборочный чертеж
1.236.5-9-000 ВМ Ведомость расхода материалов
Разработан: ЦНИИЭП учебных зданий Госгражданстроя
Утверждён:15.09.1981 Государственный комитет по гражданскому строительству и архитектуре при Госстрое СССР (268)
Расположен в:Техническая документация Строительство Справочные документы Типовые строительные конструкции, изделия и узлы Общероссийский строительный каталог Строительные конструкции, изделия и узлы зданий и сооружений для всех видов строительства Конструкции, изделия и узлы зданий Ограждающие конструкции Окна и балконные двери
Чем заменён:
Серия 1.236.5-9Серия 1.236.5-9Серия 1.236.5-9Серия 1.236.5-9Серия 1.236.5-9Серия 1.236.5-9Серия 1.236.5-9Серия 1.236.5-9Серия 1.236.5-9Серия 1.236.5-9Серия 1.236.5-9Серия 1.236.5-9Серия 1.236.5-9Серия 1.236.5-9Серия 1.236.5-9Серия 1.236.5-9Серия 1.236.5-9Серия 1.236.5-9Серия 1.236.5-9Серия 1.236.5-9Серия 1.236.5-9Серия 1.236.5-9Серия 1.236.5-9Серия 1.236.5-9Серия 1.236.5-9Серия 1.236.5-9Серия 1.236.5-9Серия 1.236.5-9Серия 1.236.5-9Серия 1.236.5-9Серия 1.236.5-9Серия 1.236.5-9Серия 1.236.5-9Серия 1.236.5-9Серия 1.236.5-9Серия 1.236.5-9Серия 1.236.5-9Серия 1.236.5-9Серия 1.236.5-9Серия 1.236.5-9Серия 1.236.5-9Серия 1.236.5-9Серия 1.236.5-9Серия 1.236.5-9Серия 1.236.5-9Серия 1.236.5-9Серия 1.236.5-9Серия 1.236.5-9Серия 1.236.5-9Серия 1.236.5-9Серия 1.236.5-9Серия 1.236.5-9Серия 1.236.5-9Серия 1.236.5-9Серия 1.236.5-9Серия 1.236.5-9Серия 1.236.5-9Серия 1.236.5-9Серия 1.236.5-9Серия 1.236.5-9Серия 1.236.5-9Серия 1.236.5-9Серия 1.236.5-9Серия 1.236.5-9Серия 1.236.5-9Серия 1.236.5-9Серия 1.236.5-9Серия 1.236.5-9Серия 1.236.5-9Серия 1.236.5-9Серия 1.236.5-9Серия 1.236.5-9Серия 1.236.5-9Серия 1.236.5-9Серия 1.236.5-9Серия 1.236.5-9Серия 1.236.5-9Серия 1.236.5-9Серия 1.236.5-9Серия 1.236.5-9Серия 1.236.5-9Серия 1.236.5-9Серия 1.236.5-9Серия 1.236.5-9Серия 1.236.5-9Серия 1.236.5-9Серия 1.236.5-9Серия 1.236.5-9Серия 1.236.5-9Серия 1.236.5-9Серия 1.236.5-9Серия 1.236.5-9Серия 1.236.5-9Серия 1.236.5-9Серия 1.236.5-9Серия 1.236.5-9Серия 1.236.5-9Серия 1.236.5-9Серия 1.236.5-9Серия 1.236.5-9Серия 1.236.5-9Серия 1.236.5-9Серия 1.236.5-9Серия 1.236.5-9Серия 1.236.5-9Серия 1.236.5-9Серия 1.236.5-9Серия 1.236.5-9Серия 1.236.5-9Серия 1.236.5-9Серия 1.236.5-9Серия 1.236.5-9Серия 1.236.5-9Серия 1.236.5-9Серия 1.236.5-9Серия 1.236.5-9Серия 1.236.5-9Серия 1.236.5-9Серия 1.236.5-9Серия 1.236.5-9Серия 1.236.5-9Серия 1.236.5-9

© 2013 Ёшкин Кот :-) Карта сайта