Информационная система
«Ёшкин Кот»

Скачать базу одним архивом
Скачать обновления
История создания базы
Карта сайта

Скачать Серия 3.503.1-96 Выпуск 2-2. Лестничные сходы. Металлические ограждения. Рабочие чертежи

Дата актуализации: 10.08.2017

Серия 3.503.1-96

Выпуск 2-2. Лестничные сходы. Металлические ограждения. Рабочие чертежи

Обозначение: Серия 3.503.1-96
Обозначение англ: Series 3.503.1-96
Статус:не определен законодательством
Название рус.:Выпуск 2-2. Лестничные сходы. Металлические ограждения. Рабочие чертежи
Дата добавления в базу:01.09.2013
Дата актуализации:05.05.2017
Дата введения:01.11.1991
Оглавление:3.503.1-96.2-2-ТО Техническое описание
3.503.1-96.2-2-1НИ Номенклатура изделия
3.503.1-96.2-2-2 Ограждение марша ОГМ21л; ОГМ21п
3.503.1-96.2-2-2СБ Ограждение марша ОГМ21л; ОГМ21п. Сборочный чертеж
3.503.1-96.2-2-3 Ограждение марша ОГМ27л; ОГМ27п
3.503.1-96.2-2-3СБ Ограждение марша ОГМ27л; ОГМ27п. Сборочный чертеж
3.503.1-96.2-2-4 Ограждение площадок ОГП7.5л; ОГП7.5п; ОГП11л; ОГП11п
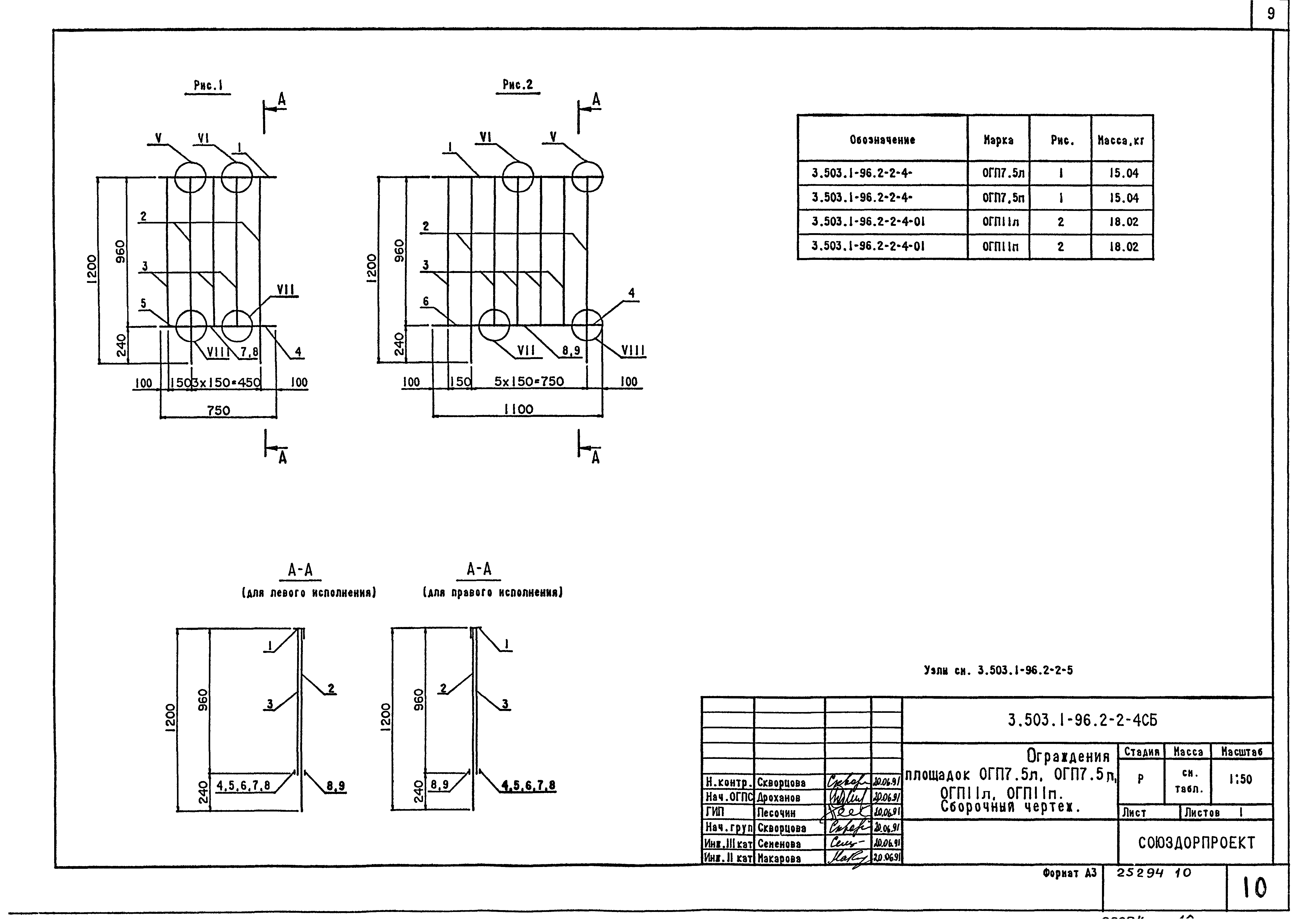
3.503.1-96.2-2-4СБ Ограждение площадок ОГП7.5л; ОГП7.5п; ОГП11л; ОГП11п. Сборочный чертеж
3.503.1-96.2-2-5 Узлы I … VIII
3.503.1-96.2-2-6РС Ведомость расхода стали на изделие
Разработан: Союздорпроект Минтрансстроя
Утверждён:06.05.1991 Минтрансстрой СССР (USSR Mintransstroy АВ-82)
Расположен в:Техническая документация Строительство Справочные документы Типовые строительные конструкции, изделия и узлы Общероссийский строительный каталог Строительные конструкции, изделия и узлы зданий и сооружений для всех видов строительства Конструкции и изделия сооружений и оборудования зданий Надземные сооружения Конструкции и сооружения транспорта Пролетные строения мостов, мосты и путепроводы
Заменяет собой:
Серия 3.503.1-96Серия 3.503.1-96Серия 3.503.1-96Серия 3.503.1-96Серия 3.503.1-96Серия 3.503.1-96Серия 3.503.1-96Серия 3.503.1-96Серия 3.503.1-96Серия 3.503.1-96Серия 3.503.1-96

© 2013 Ёшкин Кот :-) Карта сайта