Информационная система
«Ёшкин Кот»

Скачать базу одним архивом
Скачать обновления
История создания базы
Карта сайта

Скачать Серия 3.503.1-81 Выпуск 2-2. Тротуарные и ограждающие блоки косых пролетных строений. Рабочие чертежи

Дата актуализации: 10.08.2017

Серия 3.503.1-81

Выпуск 2-2. Тротуарные и ограждающие блоки косых пролетных строений. Рабочие чертежи

Обозначение: Серия 3.503.1-81
Обозначение англ: Series 3.503.1-81
Статус:не определен законодательством
Название рус.:Выпуск 2-2. Тротуарные и ограждающие блоки косых пролетных строений. Рабочие чертежи
Дата добавления в базу:01.09.2013
Дата актуализации:05.05.2017
Дата введения:01.07.1992
Оглавление:3.503.1-81.2-2-ТТ Технические требования
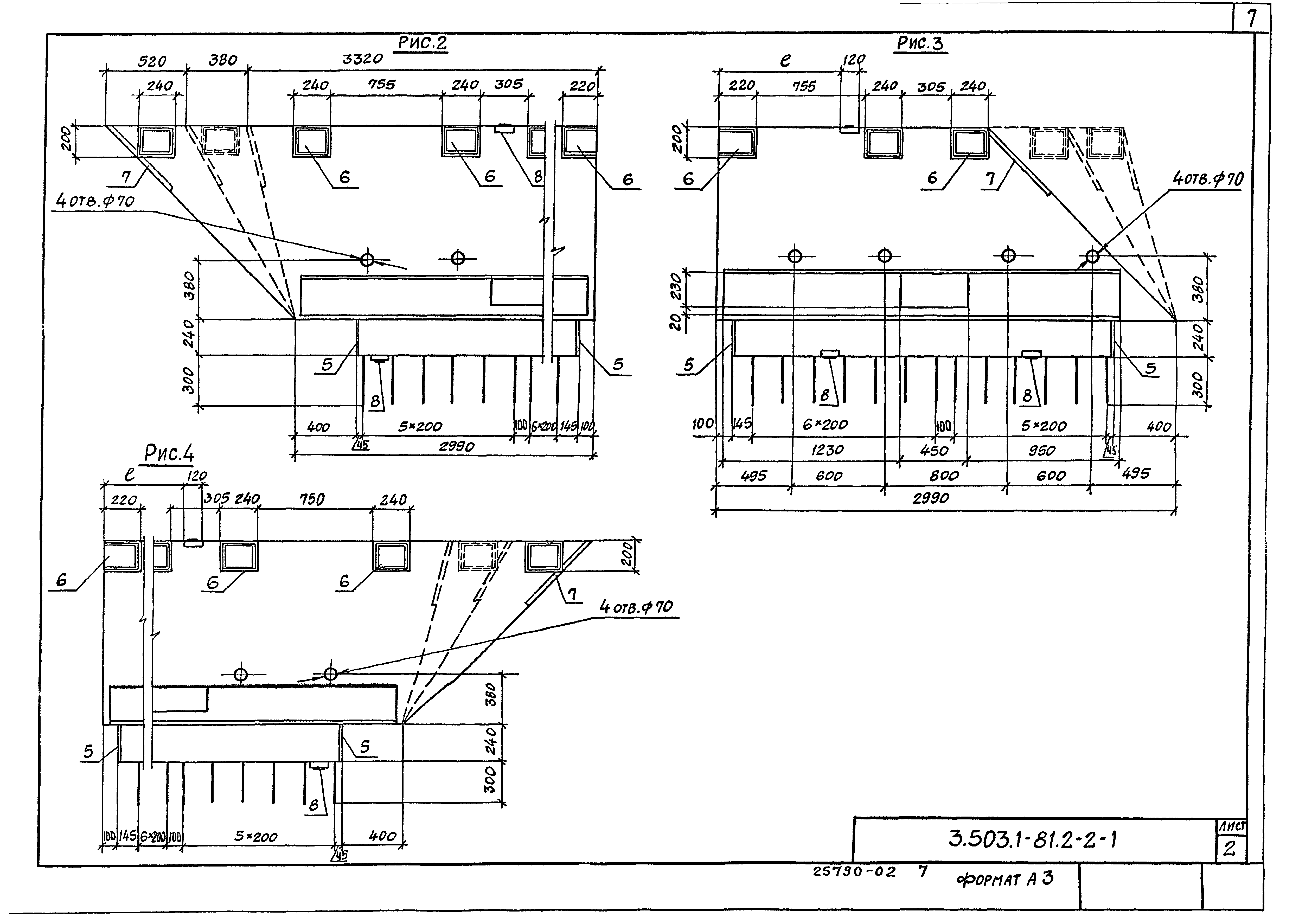
3.503.1-81.2-2-1 Блок тротуарный Т75.15-…-2(3)К
3.503.1-81.2-2-2 Блок тротуарный Т150.15-…-2(3)К
3.503.1-81.2-2-3 Блок ограждающий ОБ15-…-2(3)К
3.503.1-81.2-2-4 Блок разделительной полосы РП15-…-2К
3.503.1-81.2-2-5 Блок карнизный К-…-1П; К-…-1Л
3.503.1-81.2-2-6 Блок карнизный К-…-2П; К-…-2Л
3.503.1-81.2-2-7 Блок перильный ПО-105(120 - 495)
3.503.1-81.2-2-8 Каркас КП-ТАII(AIII)-14
3.503.1-81.2-2-9 Каркас КП-ТАII(AIII)-15
3.503.1-81.2-2-10 Каркас КП-ТАI-16; КП-ТАI-17
3.503.1-81.2-2-11 Каркас КП-ТАI-18
3.503.1-81.2-2-12 Сетка С-ТАII(AIII)-25; C-TAII(AIII)-26
3.503.1-81.2-2-13 Сетка С-ТАII(AIII)-27; C-TAII(AIII)-28
3.503.1-81.2-2-14 Сетка С-ТАII(AIII)-29; C-TAII(AIII)-30
3.503.1-81.2-2-15 Сетка C-TAII(AIII)-31
3.503.1-81.2-2-16 Сетка C-TAII(AIII)-32
3.503.1-81.2-2-17 Сетка C-TAII(AIII)-33
3.503.1-81.2-2-18 Сетка C-TAII(AIII)-34
3.503.1-81.2-2-19 Сетка C-TAII(AIII)-35
3.503.1-81.2-2-20 Сетка C-TAII(AIII)-36
3.503.1-81.2-2-21 Сетка C-TAII(AIII)-37; C-TAII (AIII)-38
3.503.1-81.2-2-22 Сетка C-TAII(AIII)-39; C-TAII (AIII)-40
3.503.1-81.2-2-23 Сетка C-TAII(AIII)-41; C-TAII (AIII)-42
3.503.1-81.2-2-24 Сетка C-TAII (AIII)-43
3.503.1-81.2-2-25 Сетка C-TAII (AIII)-44
3.503.1-81.2-2-26 Сетка C-TAII (AIII)-45
3.503.1-81.2-2-27 Сетка C-TAII (AIII)-46
3.503.1-81.2-2-28 Сетка C-TAII (AIII)-47
3.503.1-81.2-2-29 Сетка C-TAII (AIII)-48
3.503.1-81.2-2-30 Сетка C-TAII (AIII)-49; C-TAII(AIII)-50
3.503.1-81.2-2-31 Сетка C-TAII (AIII)-51; C-TAII(AIII)-52
3.503.1-81.2-2-32 Сетка C-TAII (AIII)-53; C-TAII(AIII)-54
3.503.1-81.2-2-33 Сетка C-TAII(AIII)-55
3.503.1-81.2-2-34 Сетка C-TAII(AIII)-56
3.503.1-81.2-2-35 Сетка C-TAII(AIII)-57
3.503.1-81.2-2-36 Сетка C-TAII(AIII)-58
3.503.1-81.2-2-37 Сетка C-TAII(AIII)-59
3.503.1-81.2-2-38 Сетка C-TAII(AIII)-60
3.503.1-81.2-2-39 Сетка C-TAII(AIII)-61
3.503.1-81.2-2-40 Сетка C-TAII(AIII)-62
3.503.1-81.2-2-41 Сетка C-TAII(AIII)-63; C-TAII(AIII)-64
3.503.1-81.2-2-42 Сетка C-TAII(AIII)-65; C-TAII(AIII)-66
3.503.1-81.2-2-43 Изделие закладное МН-TAII(AIII)-12; MH-TAII(AIII)-13; MH-TAII(AIII)-14
3.503.1-81.2-2-44 Изделие закладное МН-TAII(AIII)-15; MH-TAII(AIII)-16; MH-TAII(AIII)-17
3.503.1-81.2-2-45PC Ведомость расхода стали
Разработан: Союздорпроект Минтрансстроя
Утверждён:03.02.1992 Корпорация Трансстрой (Transstroy Corporation 3002-18/4)
Расположен в:Техническая документация Экология ГРАЖДАНСКОЕ СТРОИТЕЛЬСТВО Сооружение мостов Строительство Справочные документы Типовые строительные конструкции, изделия и узлы Общероссийский строительный каталог Строительные конструкции, изделия и узлы зданий и сооружений для всех видов строительства Конструкции и изделия сооружений и оборудования зданий Надземные сооружения Конструкции и сооружения транспорта Пролетные строения мостов, мосты и путепроводы
Заменяет собой:
Серия 3.503.1-81Серия 3.503.1-81Серия 3.503.1-81Серия 3.503.1-81Серия 3.503.1-81Серия 3.503.1-81Серия 3.503.1-81Серия 3.503.1-81Серия 3.503.1-81Серия 3.503.1-81Серия 3.503.1-81Серия 3.503.1-81Серия 3.503.1-81Серия 3.503.1-81Серия 3.503.1-81Серия 3.503.1-81Серия 3.503.1-81Серия 3.503.1-81Серия 3.503.1-81Серия 3.503.1-81Серия 3.503.1-81Серия 3.503.1-81Серия 3.503.1-81Серия 3.503.1-81Серия 3.503.1-81Серия 3.503.1-81Серия 3.503.1-81Серия 3.503.1-81Серия 3.503.1-81Серия 3.503.1-81Серия 3.503.1-81Серия 3.503.1-81Серия 3.503.1-81Серия 3.503.1-81Серия 3.503.1-81Серия 3.503.1-81Серия 3.503.1-81Серия 3.503.1-81Серия 3.503.1-81Серия 3.503.1-81Серия 3.503.1-81Серия 3.503.1-81Серия 3.503.1-81Серия 3.503.1-81Серия 3.503.1-81Серия 3.503.1-81Серия 3.503.1-81Серия 3.503.1-81Серия 3.503.1-81Серия 3.503.1-81Серия 3.503.1-81Серия 3.503.1-81Серия 3.503.1-81Серия 3.503.1-81Серия 3.503.1-81Серия 3.503.1-81Серия 3.503.1-81Серия 3.503.1-81Серия 3.503.1-81Серия 3.503.1-81Серия 3.503.1-81Серия 3.503.1-81Серия 3.503.1-81Серия 3.503.1-81Серия 3.503.1-81Серия 3.503.1-81Серия 3.503.1-81Серия 3.503.1-81Серия 3.503.1-81Серия 3.503.1-81Серия 3.503.1-81

© 2013 Ёшкин Кот :-) Карта сайта