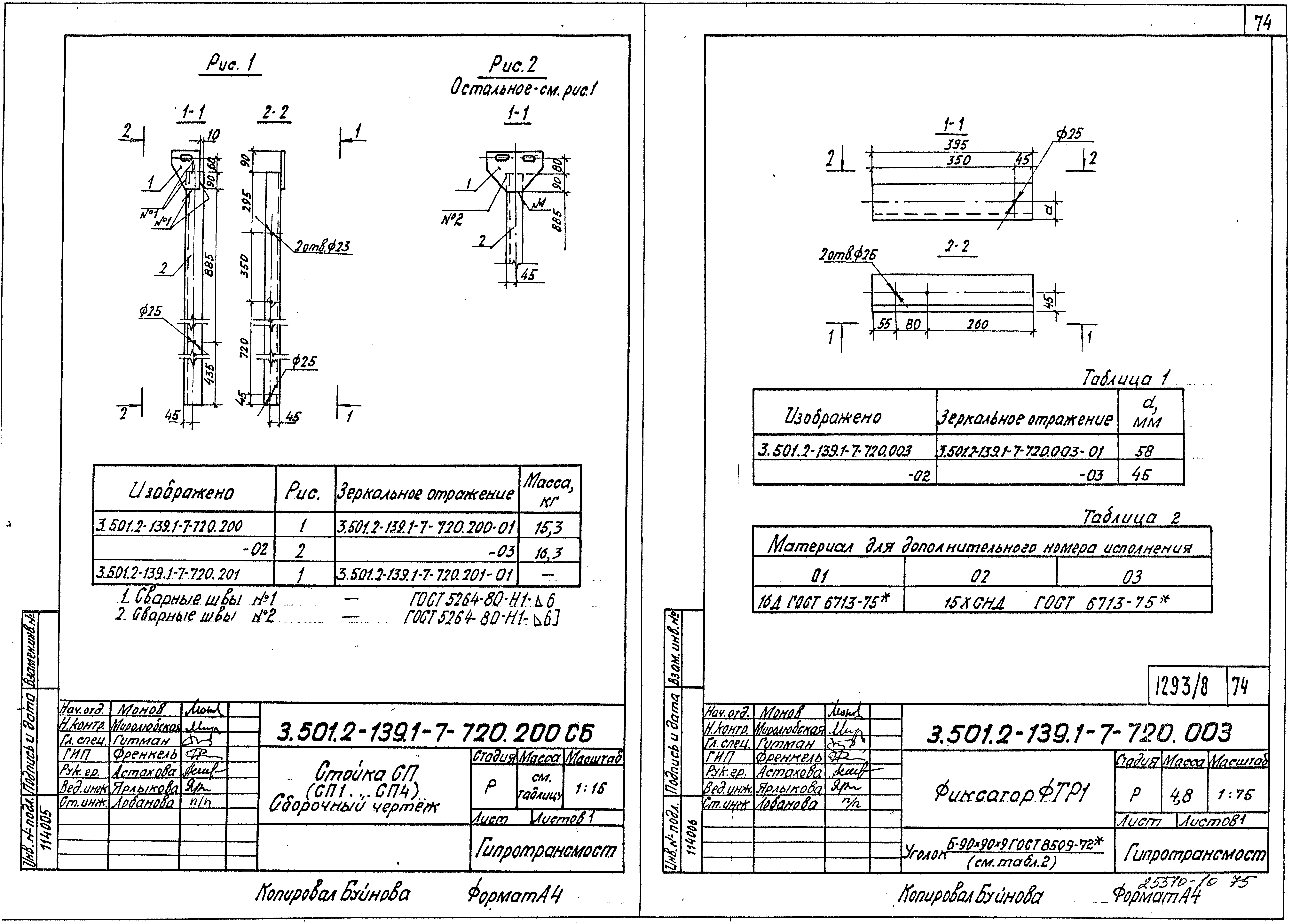
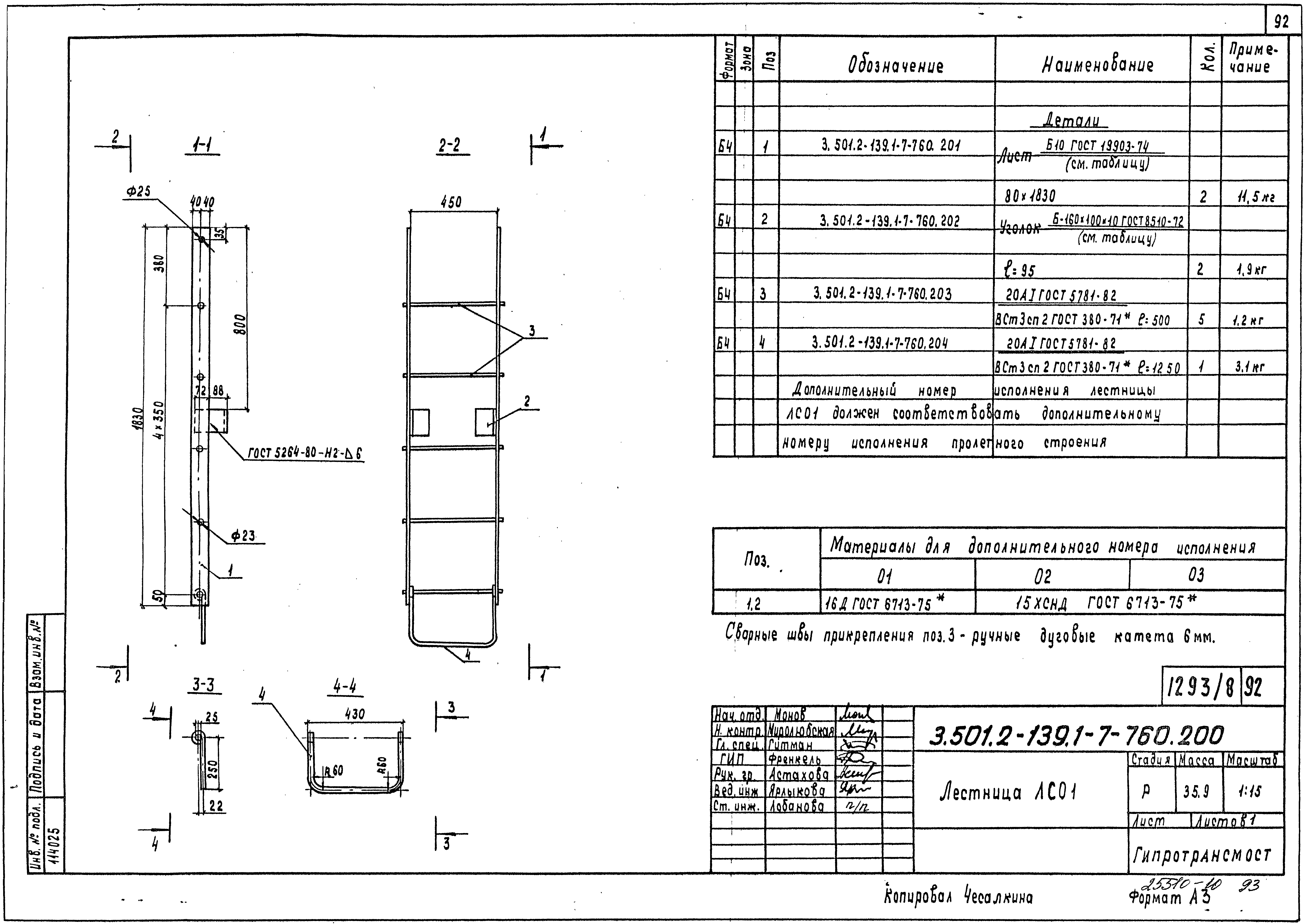
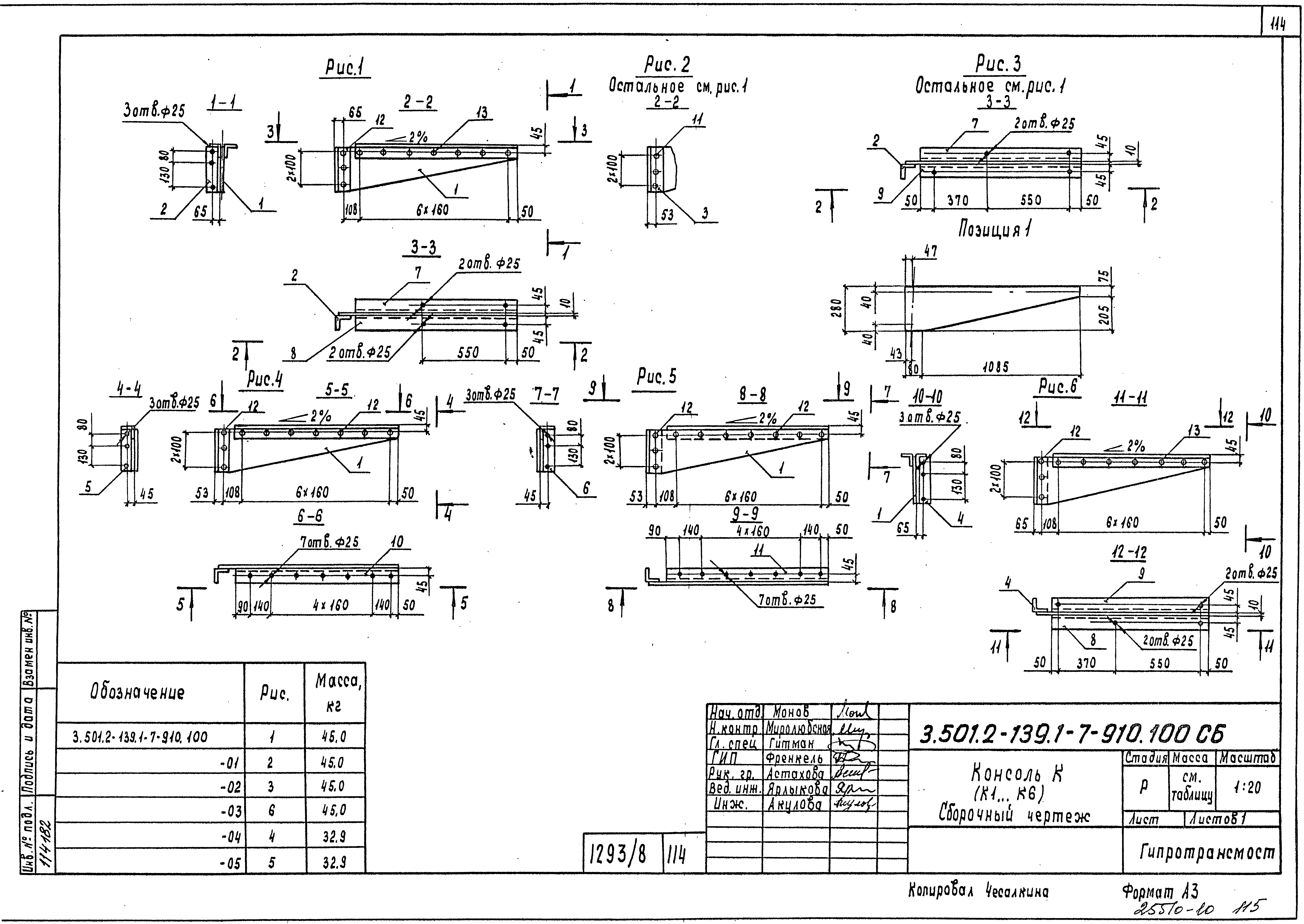
Скачать Серия 3.501.2-139 Выпуск 1-7. Пролетные строения пролетами 33,0 - 55,0 м. Конструкции металлические. Изделия. Чертежи КМДата актуализации: 10.08.2017 Серия 3.501.2-139
Выпуск 1-7. Пролетные строения пролетами 33,0 - 55,0 м. Конструкции металлические. Изделия. Чертежи КМОбозначение: | Серия 3.501.2-139 | Обозначение англ: | Series 3.501.2-139 | Статус: | не действует | Название рус.: | Выпуск 1-7. Пролетные строения пролетами 33,0 - 55,0 м. Конструкции металлические. Изделия. Чертежи КМ | Дата добавления в базу: | 01.09.2013 | Дата актуализации: | 05.05.2017 | Дата введения: | 01.01.2006 | Разработан: | Гипротрансмост
| Утверждён: | 23.08.1986 МПС СССР (USSR Ministry of Railroads А-3292у)
| Расположен в: |
| Заменяет собой: | |
                                                                                                                                             
|