Информационная система
«Ёшкин Кот»

Скачать базу одним архивом
Скачать обновления
История создания базы
Карта сайта

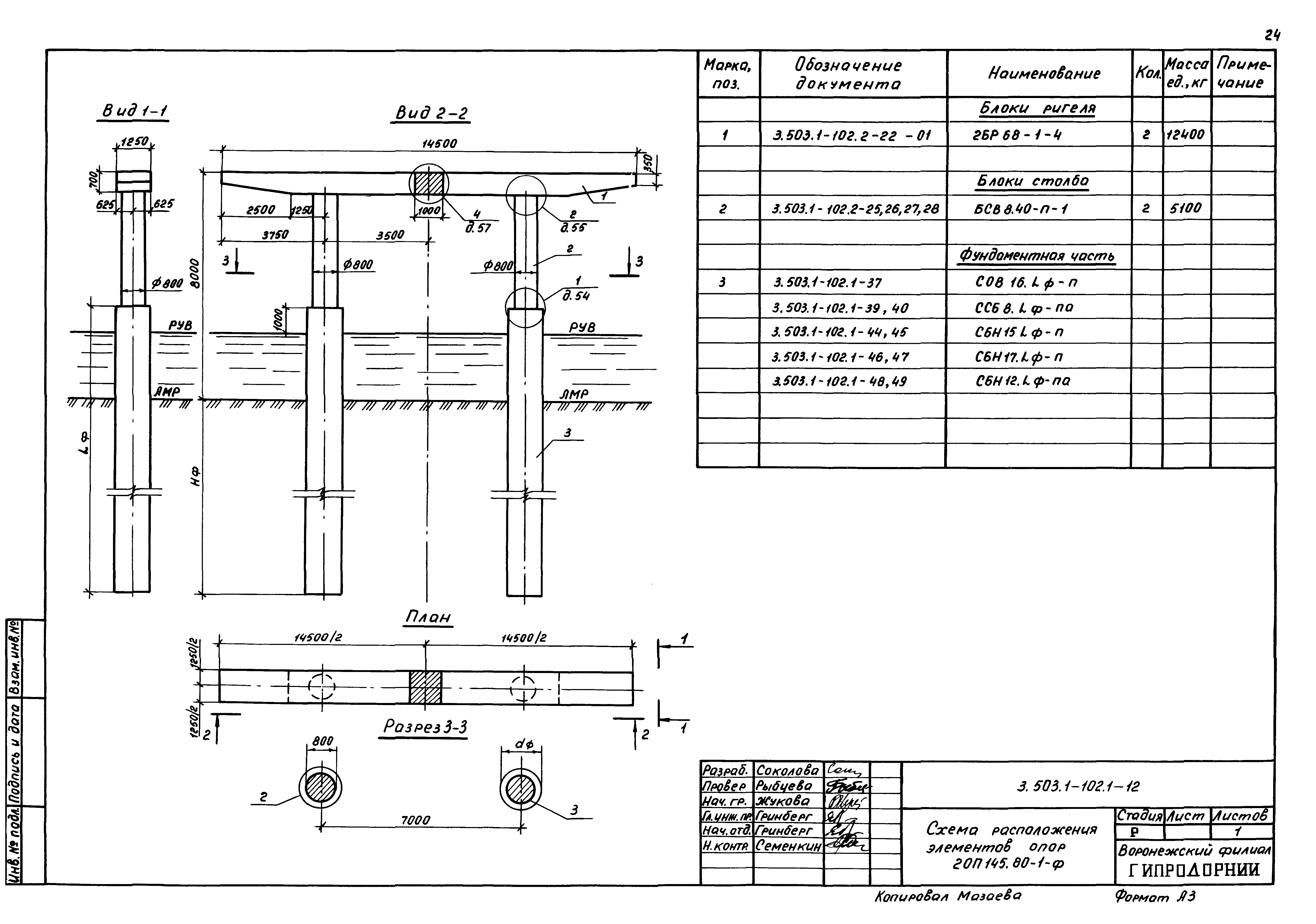
Скачать Серия 3.503.1-102 Выпуск 1. Конструкции и узлы опор. Материалы для проектирования и рабочие чертежи

Дата актуализации: 10.08.2017

Серия 3.503.1-102

Выпуск 1. Конструкции и узлы опор. Материалы для проектирования и рабочие чертежи

Обозначение: Серия 3.503.1-102
Обозначение англ: Series 3.503.1-102
Статус:не определен законодательством
Название рус.:Выпуск 1. Конструкции и узлы опор. Материалы для проектирования и рабочие чертежи
Дата добавления в базу:01.09.2013
Дата актуализации:05.05.2017
Дата введения:01.01.1992
Разработан: Воронежский филиал ГипродорНИИ
Утверждён:18.10.1991 Гипродорнии (Giprodornii 175)
Расположен в:Техническая документация Строительство Справочные документы Типовые строительные конструкции, изделия и узлы Общероссийский строительный каталог Строительные конструкции, изделия и узлы зданий и сооружений для всех видов строительства Конструкции и изделия сооружений и оборудования зданий Надземные сооружения Конструкции и сооружения транспорта Опоры пролетных строений мостов и путепроводов
Заменяет собой:
Серия 3.503.1-102Серия 3.503.1-102Серия 3.503.1-102Серия 3.503.1-102Серия 3.503.1-102Серия 3.503.1-102Серия 3.503.1-102Серия 3.503.1-102Серия 3.503.1-102Серия 3.503.1-102Серия 3.503.1-102Серия 3.503.1-102Серия 3.503.1-102Серия 3.503.1-102Серия 3.503.1-102Серия 3.503.1-102Серия 3.503.1-102Серия 3.503.1-102Серия 3.503.1-102Серия 3.503.1-102Серия 3.503.1-102Серия 3.503.1-102Серия 3.503.1-102Серия 3.503.1-102Серия 3.503.1-102Серия 3.503.1-102Серия 3.503.1-102Серия 3.503.1-102Серия 3.503.1-102Серия 3.503.1-102Серия 3.503.1-102Серия 3.503.1-102Серия 3.503.1-102Серия 3.503.1-102Серия 3.503.1-102Серия 3.503.1-102Серия 3.503.1-102Серия 3.503.1-102Серия 3.503.1-102Серия 3.503.1-102Серия 3.503.1-102Серия 3.503.1-102Серия 3.503.1-102Серия 3.503.1-102Серия 3.503.1-102Серия 3.503.1-102Серия 3.503.1-102Серия 3.503.1-102Серия 3.503.1-102Серия 3.503.1-102Серия 3.503.1-102Серия 3.503.1-102Серия 3.503.1-102Серия 3.503.1-102Серия 3.503.1-102Серия 3.503.1-102Серия 3.503.1-102Серия 3.503.1-102Серия 3.503.1-102Серия 3.503.1-102Серия 3.503.1-102Серия 3.503.1-102Серия 3.503.1-102Серия 3.503.1-102Серия 3.503.1-102Серия 3.503.1-102Серия 3.503.1-102Серия 3.503.1-102Серия 3.503.1-102Серия 3.503.1-102Серия 3.503.1-102Серия 3.503.1-102Серия 3.503.1-102Серия 3.503.1-102Серия 3.503.1-102Серия 3.503.1-102Серия 3.503.1-102Серия 3.503.1-102Серия 3.503.1-102Серия 3.503.1-102Серия 3.503.1-102Серия 3.503.1-102Серия 3.503.1-102Серия 3.503.1-102Серия 3.503.1-102Серия 3.503.1-102Серия 3.503.1-102Серия 3.503.1-102Серия 3.503.1-102Серия 3.503.1-102Серия 3.503.1-102Серия 3.503.1-102Серия 3.503.1-102Серия 3.503.1-102Серия 3.503.1-102Серия 3.503.1-102Серия 3.503.1-102Серия 3.503.1-102Серия 3.503.1-102Серия 3.503.1-102Серия 3.503.1-102Серия 3.503.1-102Серия 3.503.1-102Серия 3.503.1-102Серия 3.503.1-102Серия 3.503.1-102Серия 3.503.1-102Серия 3.503.1-102Серия 3.503.1-102Серия 3.503.1-102Серия 3.503.1-102Серия 3.503.1-102Серия 3.503.1-102Серия 3.503.1-102Серия 3.503.1-102Серия 3.503.1-102Серия 3.503.1-102Серия 3.503.1-102Серия 3.503.1-102Серия 3.503.1-102Серия 3.503.1-102Серия 3.503.1-102Серия 3.503.1-102Серия 3.503.1-102Серия 3.503.1-102Серия 3.503.1-102Серия 3.503.1-102Серия 3.503.1-102Серия 3.503.1-102

© 2013 Ёшкин Кот :-) Карта сайта