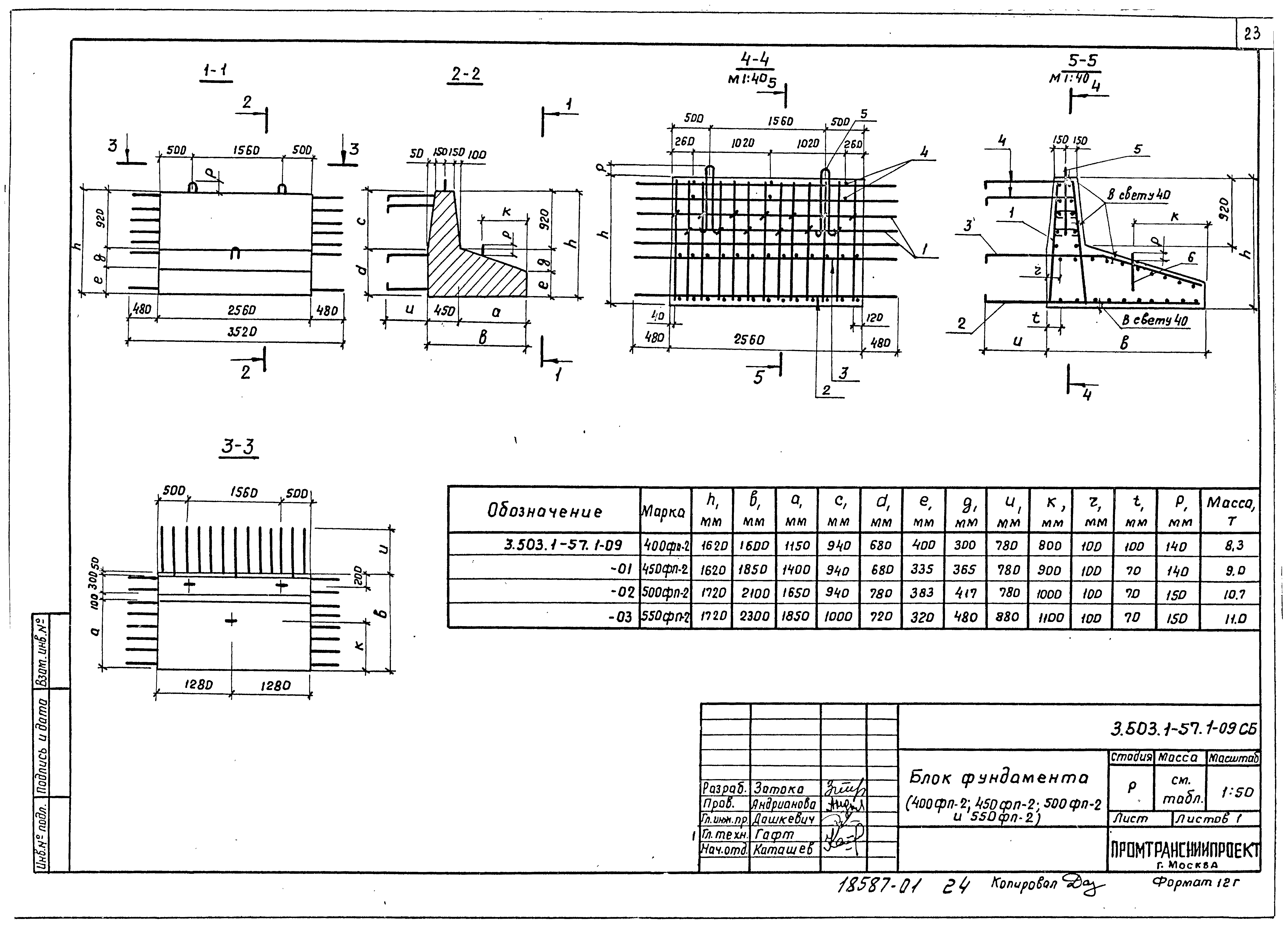
Скачать Серия 3.503.1-57 Выпуск 1. Сборные железобетонные изделия. Рабочие чертежиДата актуализации: 10.08.2017 Серия 3.503.1-57
Выпуск 1. Сборные железобетонные изделия. Рабочие чертежиОбозначение: | Серия 3.503.1-57 | Обозначение англ: | Series 3.503.1-57 | Статус: | действует | Название рус.: | Выпуск 1. Сборные железобетонные изделия. Рабочие чертежи | Дата добавления в базу: | 01.09.2013 | Дата актуализации: | 05.05.2017 | Дата введения: | 01.07.1982 | Разработан: | Промтрансниипроект
| Утверждён: | 19.04.1982 Госстрой СССР (Государственный комитет Совета Министров СССР по делам строительства) (USSR Gosstroy 25)
| Расположен в: |
|
                                                                           
|