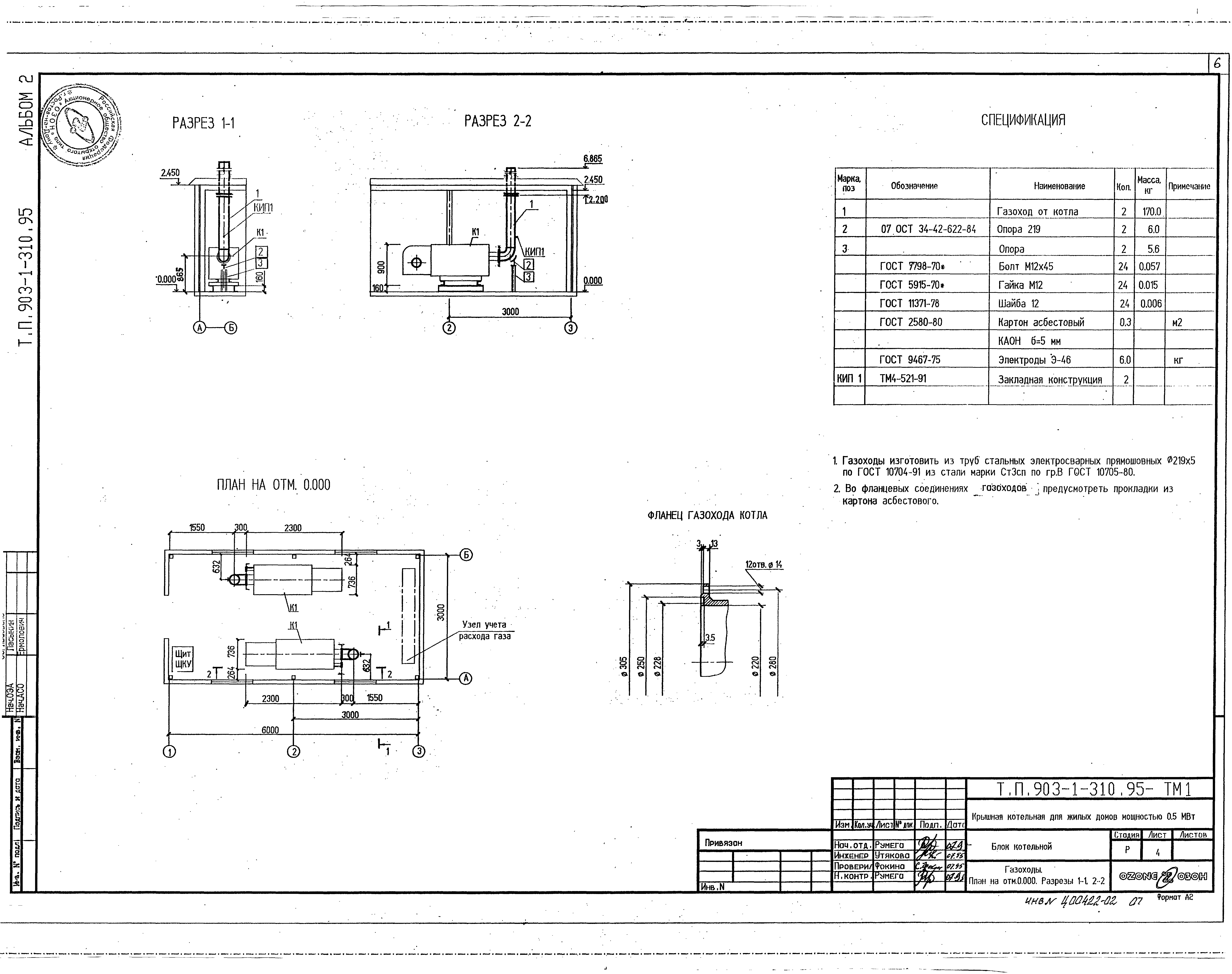
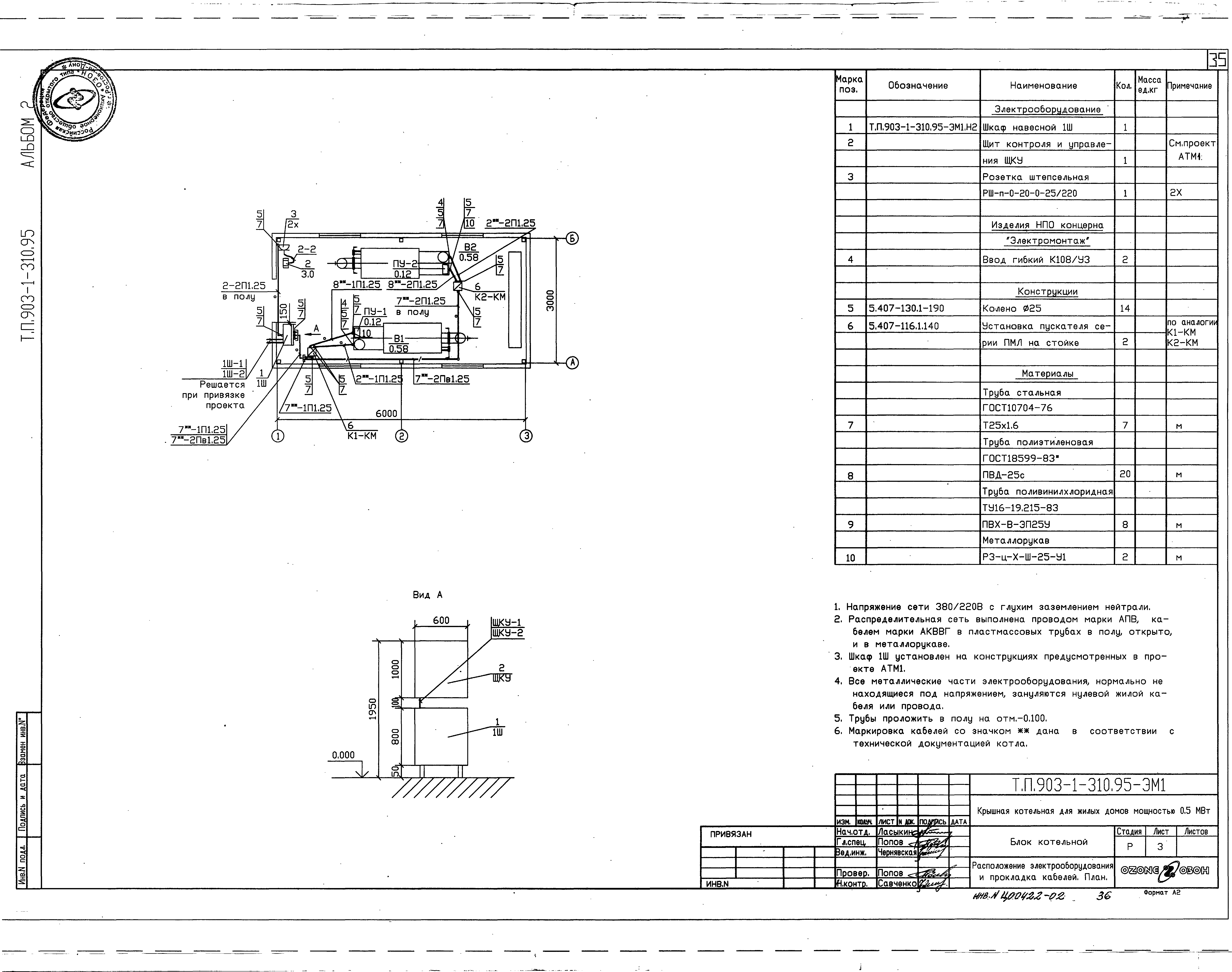
Скачать Типовой проект 903-1-310.95 Альбом 2. Блок котельнойДата актуализации: 10.08.2017 Типовой проект 903-1-310.95
Альбом 2. Блок котельнойОбозначение: | Типовой проект 903-1-310.95 | Обозначение англ: | 903-1-310.95 | Статус: | не определен законодательством | Название рус.: | Альбом 2. Блок котельной | Дата добавления в базу: | 01.09.2013 | Дата актуализации: | 05.05.2017 | Дата введения: | 30.08.1995 | Разработан: | ОАО ОЗОН
| Утверждён: | 30.08.1995 Комитет РФ по химической и нефтехимической промышленности (ЕР-1878-19/09)
| Издан: | ГП ЦПП
| Расположен в: |
|
                                                  
|