Информационная система
«Ёшкин Кот»

Скачать базу одним архивом
Скачать обновления
История создания базы
Карта сайта

Скачать Серия 3.016-1 Выпуск 3. Строительные изделия

Дата актуализации: 10.08.2017

Серия 3.016-1

Выпуск 3. Строительные изделия

Обозначение: Серия 3.016-1
Обозначение англ: Series 3.016-1
Статус:действует
Название рус.:Выпуск 3. Строительные изделия
Дата добавления в базу:01.09.2013
Дата актуализации:05.05.2017
Оглавление:Содержание
Плиты П5-8-п; П5-8-т; П5-9-п; П5-9-т; НП5-9-п; НП5-9-т
Плиты П5-8-к; П5-8-л; П5-9-к; П5-9-л; НП5-9-к; НП5-9-л
Плиты П5-8-п; П5-9-т; П5-9-п; П5-9-т; П5-8-к; П5-8-л; П5-9-к; П5-9-л; НП5-9-п; НП5-9-т; НП5-9-к; НП5-9-л. Детали
Закладные детали МГ-1 - МГ-4 и каркас КГ-1
Спецификация стали на закладные детали МГ-1 - МГ-4 и на каркас КГ-1
Перильное ограждение и лоток
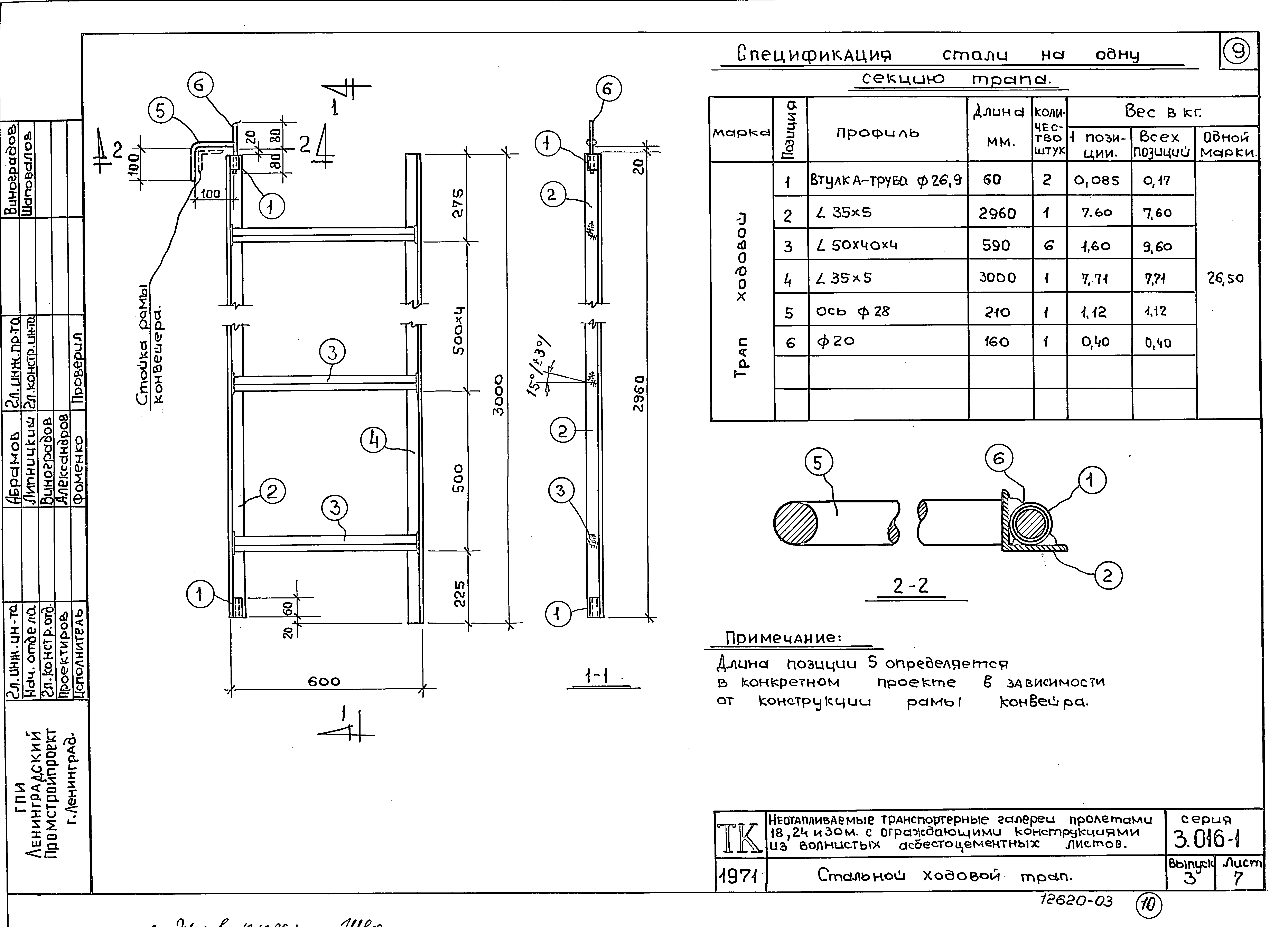
Стальной трап
Разработан: Ленинградский Промстройпроект
Утверждён:30.05.1973 Госстрой СССР (Государственный комитет Совета Министров СССР по делам строительства) (USSR Gosstroy )
Расположен в:Техническая документация Строительство Справочные документы Типовые строительные конструкции, изделия и узлы Общероссийский строительный каталог Строительные конструкции, изделия и узлы зданий и сооружений для всех видов строительства Конструкции и изделия сооружений и оборудования зданий Надземные сооружения Транспортерные галереи, рампы и переходы
Серия 3.016-1Серия 3.016-1Серия 3.016-1Серия 3.016-1Серия 3.016-1Серия 3.016-1Серия 3.016-1Серия 3.016-1Серия 3.016-1Серия 3.016-1

© 2013 Ёшкин Кот :-) Карта сайта