Информационная система
«Ёшкин Кот»

Скачать базу одним архивом
Скачать обновления
История создания базы
Карта сайта

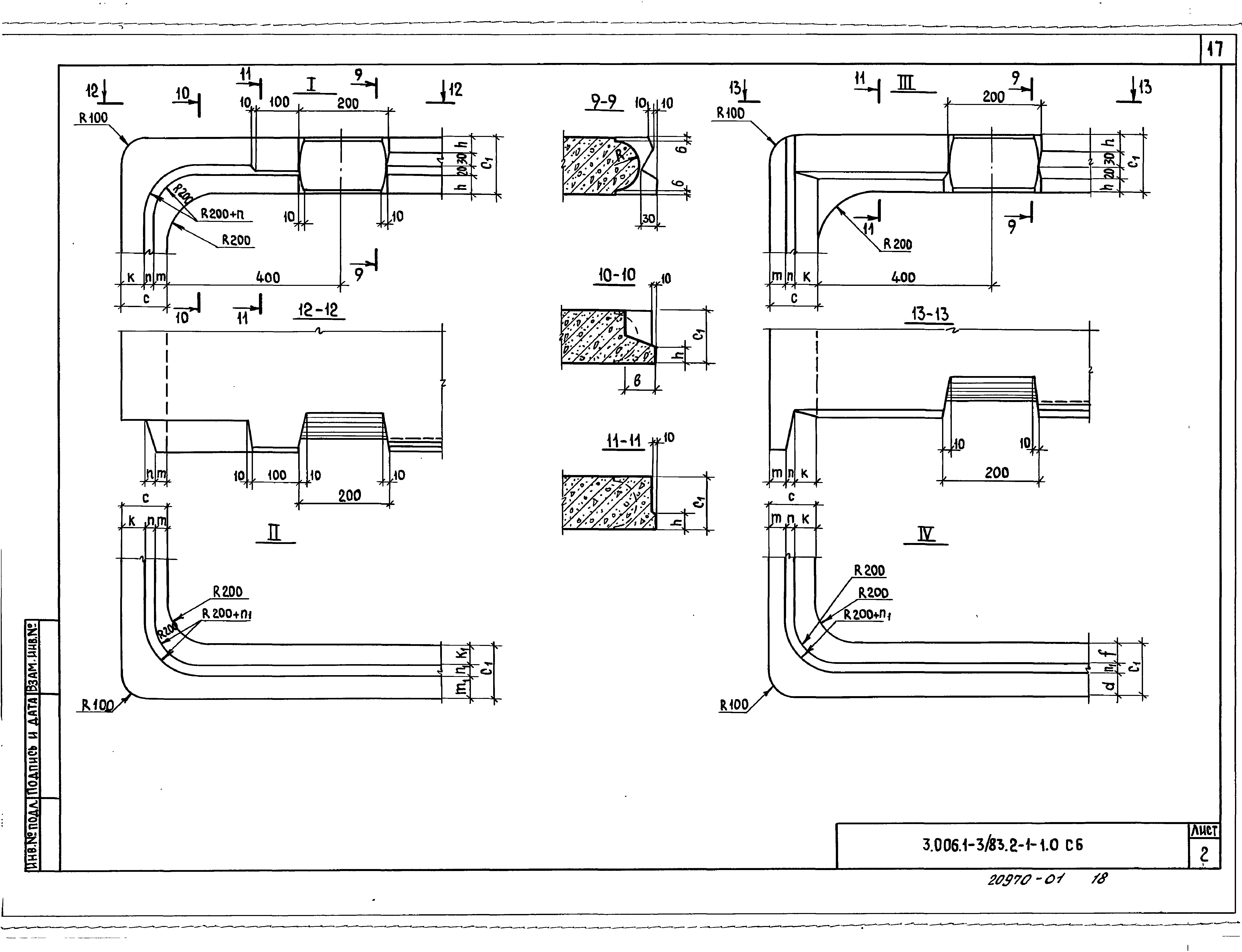
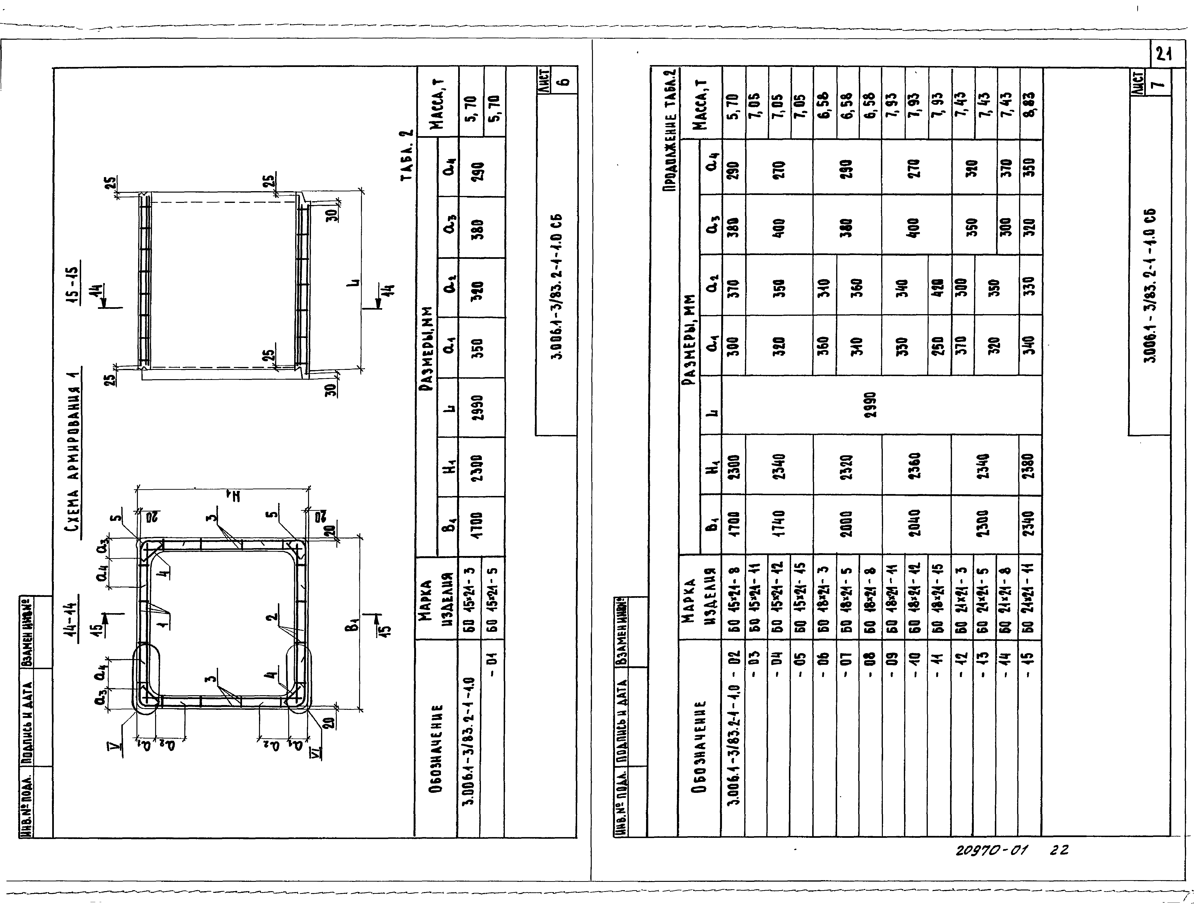
Скачать Серия 3.006.1-3/83 Выпуск 2-1. Тоннели из объемных элементов. Рабочие чертежи

Дата актуализации: 10.08.2017

Серия 3.006.1-3/83

Выпуск 2-1. Тоннели из объемных элементов. Рабочие чертежи

Обозначение: Серия 3.006.1-3/83
Обозначение англ: Series 3.006.1-3/83
Статус:не определен законодательством
Название рус.:Выпуск 2-1. Тоннели из объемных элементов. Рабочие чертежи
Дата добавления в базу:01.09.2013
Дата актуализации:05.05.2017
Дата введения:01.05.1986
Разработан: Мосинжпроект ГлавАПУ Москвы
Утверждён:19.12.1985 Госстрой СССР (Государственный комитет Совета Министров СССР по делам строительства) (USSR Gosstroy 237)
Расположен в:Техническая документация Строительство Справочные документы Типовые строительные конструкции, изделия и узлы Общероссийский строительный каталог Строительные конструкции, изделия и узлы зданий и сооружений для всех видов строительства Конструкции и изделия сооружений и оборудования зданий Подземные сооружения Каналы, тоннели, лотки
Серия 3.006.1-3/83Серия 3.006.1-3/83Серия 3.006.1-3/83Серия 3.006.1-3/83Серия 3.006.1-3/83Серия 3.006.1-3/83Серия 3.006.1-3/83Серия 3.006.1-3/83Серия 3.006.1-3/83Серия 3.006.1-3/83Серия 3.006.1-3/83Серия 3.006.1-3/83Серия 3.006.1-3/83Серия 3.006.1-3/83Серия 3.006.1-3/83Серия 3.006.1-3/83Серия 3.006.1-3/83Серия 3.006.1-3/83Серия 3.006.1-3/83Серия 3.006.1-3/83Серия 3.006.1-3/83Серия 3.006.1-3/83Серия 3.006.1-3/83Серия 3.006.1-3/83Серия 3.006.1-3/83Серия 3.006.1-3/83Серия 3.006.1-3/83Серия 3.006.1-3/83Серия 3.006.1-3/83Серия 3.006.1-3/83Серия 3.006.1-3/83Серия 3.006.1-3/83

© 2013 Ёшкин Кот :-) Карта сайта