Информационная система
«Ёшкин Кот»

Скачать базу одним архивом
Скачать обновления
История создания базы
Карта сайта

Скачать Серия 3.501.1-149 Выпуск 1-1. Фундаменты трехлучевые стаканные. Железобетонные элементы заводского изготовления. Рабочие чертежи

Дата актуализации: 10.08.2017

Серия 3.501.1-149

Выпуск 1-1. Фундаменты трехлучевые стаканные. Железобетонные элементы заводского изготовления. Рабочие чертежи

Обозначение: Серия 3.501.1-149
Обозначение англ: Series 3.501.1-149
Статус:не определен законодательством
Название рус.:Выпуск 1-1. Фундаменты трехлучевые стаканные. Железобетонные элементы заводского изготовления. Рабочие чертежи
Дата добавления в базу:01.09.2013
Дата актуализации:05.05.2017
Дата введения:01.01.1989
Оглавление:3.5011-149.1-1-0.0.00.00ТО Техническое описание
3.5011-149.1-1-0.1.00.00 Фундамент ТСУ-60-3,5…ТСУ-120-3,5; ТСУ-60-3,5С…ТСУ-120-3,5С
3.5011-149.1-1-0.1.00.00СБ Фундамент ТСУ-60-3,5…ТСУ-120-3,5; ТСУ-60-3,5С…ТСУ-120-3,5С. Сборочный чертеж
3.5011-149.1-1-0.2.00.00 Фундамент ТСУ-60-4,0…ТСУ-120-4,0; ТСУ-60-4,0С…ТСУ-120-4,0С
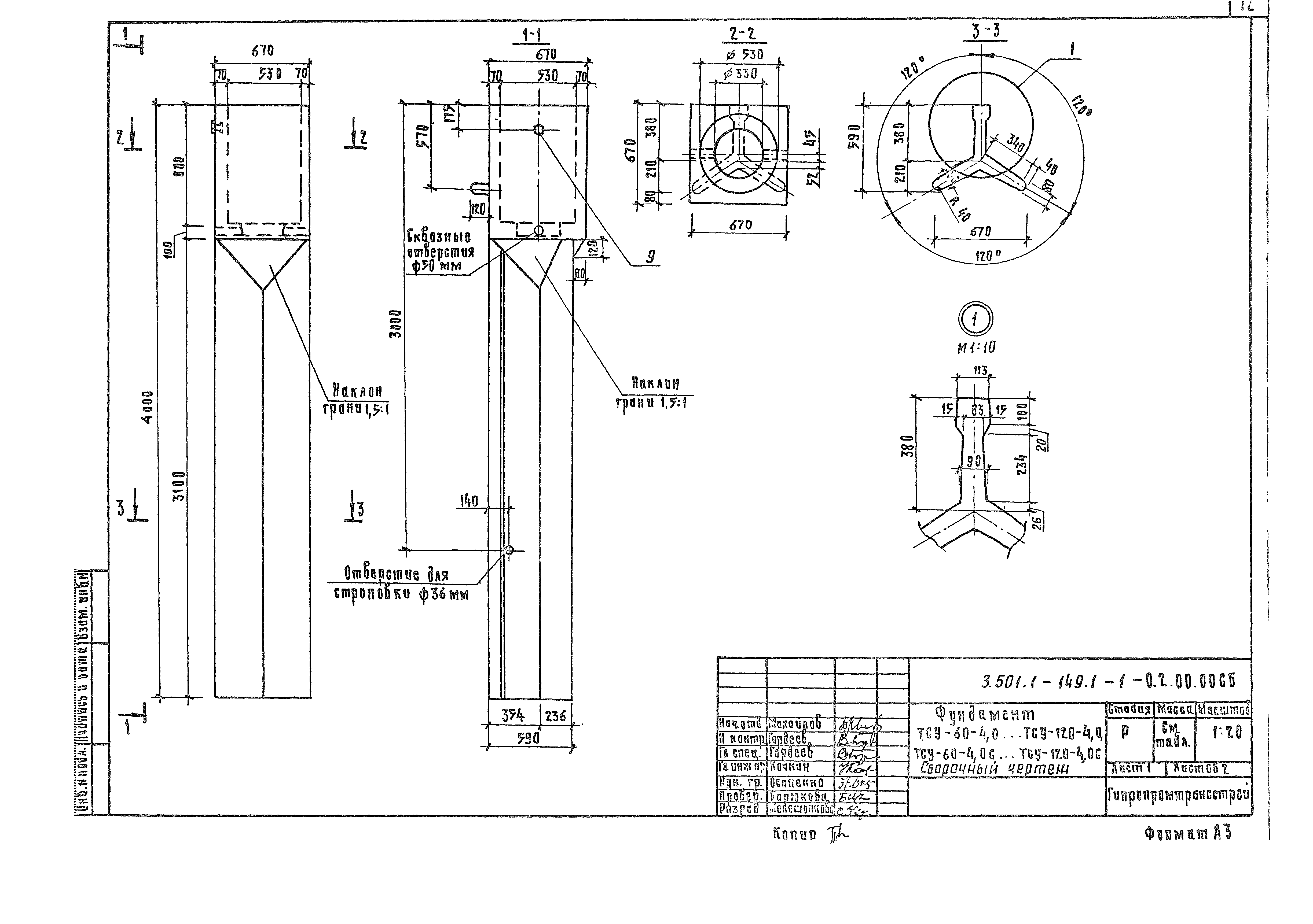
3.5011-149.1-1-0.2.00.00СБ Фундамент ТСУ-60-4,0…ТСУ-120-4,0; ТСУ-60-4,0С…ТСУ-120-4,0С. Сборочный чертеж
3.5011-149.1-1-0.3.00.00 Фундамент ТСУ-60-4,5…ТСУ-120-4,5; ТСУ-60-4,5С…ТСУ-120-4,5С
3.5011-149.1-1-0.3.00.00СБ Фундамент ТСУ-60-4,5…ТСУ-120-4,5; ТСУ-60-4,5С…ТСУ-120-4,5С. Сборочный чертеж
3.5011-149.1-1-0.4.00.00 Фундамент ТС-60-3,5…ТС-120-3,5; ТС-60-3,5С…ТС-120-3,5С
3.5011-149.1-1-0.4.00.00СБ Фундамент ТС-60-3,5…ТС-120-3,5; ТС-60-3,5С…ТС-120-3,5С. Сборочный чертеж
3.5011-149.1-1-0.5.00.00 Фундамент ТС-60-4,0…ТС-120-4,0; ТС-60-4,0С…ТС-120-4,0С
3.5011-149.1-1-0.5.00.00СБ Фундамент ТС-60-4,0…ТС-120-4,0; ТС-60-4,0С…ТС-120-4,0С. Сборочный чертеж
3.5011-149.1-1-0.6.00.00 Фундамент ТС-60-4,5…ТС-120-4,5; ТС-60-4,5С…ТС-120-4,5С
3.5011-149.1-1-0.6.00.00СБ Фундамент ТС-60-4,5…ТС-120-4,5; ТС-60-4,5С…ТС-120-4,5С. Сборочный чертеж
3.5011-149.1-1-0.1.01.00 Сетка арматурная С-1…С-4
3.5011-149.1-1-0.1.02.00 Сетка арматурная С-5…С-8
3.5011-149.1-1-0.1.03.00 Сетка арматурная С-9…С-12
3.5011-149.1-1-0.1.04.00 Сетка арматурная С-13…С-16
3.5011-149.1-1-0.1.05.00 Сетка арматурная С-17
3.5011-149.1-1-0.1.06.00 Сетка арматурная С-18
3.5011-149.1-1-0.1.09.00 Каркас арматурный К-1
3.5011-149.1-1-0.1.07.00 Сетка арматурная С-19
3.5011-149.1-1-0.1.08.00 Сетка арматурная С-20
3.5011-149.1-1-0.2.01.00 Сетка арматурная С-21…С-24
3.5011-149.1-1-0.2.02.00 Сетка арматурная С-25…С-28
3.5011-149.1-1-0.2.03.00 Сетка арматурная С-29…С-32
3.5011-149.1-1-0.2.04.00 Сетка арматурная С-33…С-36
3.5011-149.1-1-0.3.01.00 Сетка арматурная С-37…С-40
3.5011-149.1-1-0.3.02.00 Сетка арматурная С-41…С-44
3.5011-149.1-1-0.3.03.00 Сетка арматурная С-45…С-48
3.5011-149.1-1-0.3.04.00 Сетка арматурная С-49…С-52
3.5011-149.1-1-0.4.01.00 Сетка арматурная С-53…С-56
3.5011-149.1-1-0.4.02.00 Сетка арматурная С-57…С-60
3.5011-149.1-1-0.4.03.00 Сетка арматурная С-61…С-64
3.5011-149.1-1-0.4.04.00 Сетка арматурная С-65…С-68
3.5011-149.1-1-0.4.05.00 Сетка арматурная С-69
3.5011-149.1-1-0.4.06.00 Сетка арматурная С-70
3.5011-149.1-1-0.4.09.00 Каркас арматурный К-2
3.5011-149.1-1-0.4.07.00 Сетка арматурная С-71
3.5011-149.1-1-0.4.08.00 Сетка арматурная С-72
3.5011-149.1-1-0.5.01.00 Сетка арматурная С-73…С-76
3.5011-149.1-1-0.5.02.00 Сетка арматурная С-77…С-80
3.5011-149.1-1-0.5.03.00 Сетка арматурная С-81…С-84
3.5011-149.1-1-0.5.04.00 Сетка арматурная С-85…С-88
3.5011-149.1-1-0.6.01.00 Сетка арматурная С-89…С-92
3.5011-149.1-1-0.6.02.00 Сетка арматурная С-93…С-96
3.5011-149.1-1-0.6.03.00 Сетка арматурная С-97…С-100
3.5011-149.1-1-0.6.04.00 Сетка арматурная С-101…С-104
3.5011-149.1-1-0.1.00.02 Спираль
3.5011-149.1-1-0.1.00.03 Хомут
3.5011-149.1-1-0.1.00.05 Втулка
3.5011-149.1-1-0.1.00.06 Петля строповочная
3.5011-149.1-1-0.1.00.00РС Ведомость расхода стали на элемент, кг
Разработан: Гипропромтрансстрой
Утверждён:16.09.1988 МПС СССР (USSR Ministry of Railroads А3080у)
Расположен в:Техническая документация Строительство Справочные документы Типовые строительные конструкции, изделия и узлы Общероссийский строительный каталог Строительные конструкции, изделия и узлы зданий и сооружений для всех видов строительства Конструкции и изделия сооружений и оборудования зданий Подземные сооружения Сваи и фундаменты
Серия 3.501.1-149Серия 3.501.1-149Серия 3.501.1-149Серия 3.501.1-149Серия 3.501.1-149Серия 3.501.1-149Серия 3.501.1-149Серия 3.501.1-149Серия 3.501.1-149Серия 3.501.1-149Серия 3.501.1-149Серия 3.501.1-149Серия 3.501.1-149Серия 3.501.1-149Серия 3.501.1-149Серия 3.501.1-149Серия 3.501.1-149Серия 3.501.1-149Серия 3.501.1-149Серия 3.501.1-149Серия 3.501.1-149Серия 3.501.1-149Серия 3.501.1-149Серия 3.501.1-149Серия 3.501.1-149Серия 3.501.1-149Серия 3.501.1-149Серия 3.501.1-149Серия 3.501.1-149Серия 3.501.1-149Серия 3.501.1-149Серия 3.501.1-149Серия 3.501.1-149Серия 3.501.1-149Серия 3.501.1-149Серия 3.501.1-149Серия 3.501.1-149Серия 3.501.1-149Серия 3.501.1-149Серия 3.501.1-149Серия 3.501.1-149Серия 3.501.1-149Серия 3.501.1-149Серия 3.501.1-149Серия 3.501.1-149Серия 3.501.1-149Серия 3.501.1-149Серия 3.501.1-149Серия 3.501.1-149Серия 3.501.1-149Серия 3.501.1-149Серия 3.501.1-149Серия 3.501.1-149Серия 3.501.1-149Серия 3.501.1-149Серия 3.501.1-149Серия 3.501.1-149Серия 3.501.1-149Серия 3.501.1-149Серия 3.501.1-149Серия 3.501.1-149Серия 3.501.1-149Серия 3.501.1-149Серия 3.501.1-149Серия 3.501.1-149

© 2013 Ёшкин Кот :-) Карта сайта