Скачать Серия 1.189.1-11 Выпуск 2. Конструкции шахт лифтов грузоподъемностью 400 кг с противовесом сзади кабины и скоростью движения 1,0 м/сек зданий до 10 этажей. Рабочие чертежиДата актуализации: 10.08.2017 Серия 1.189.1-11
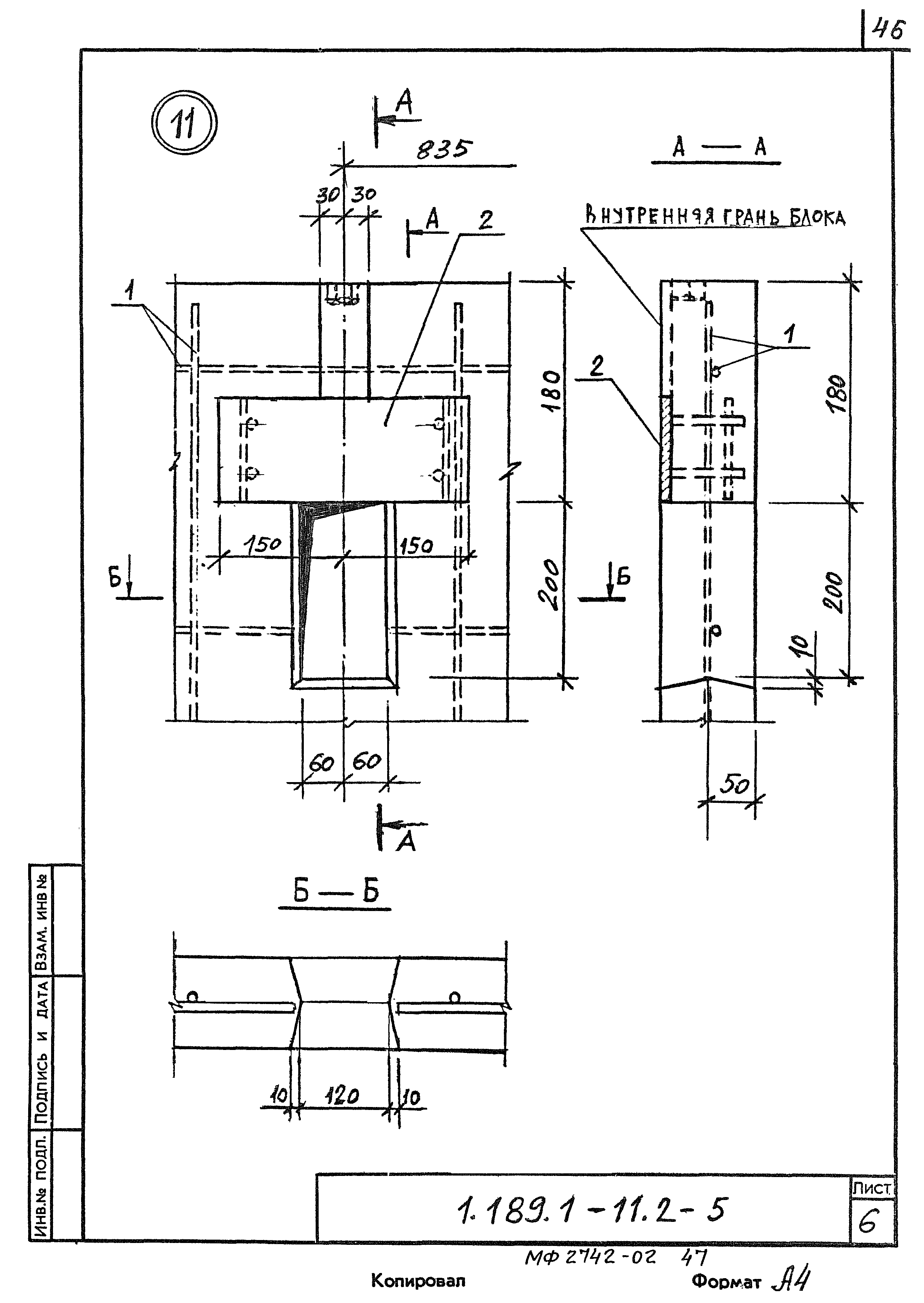
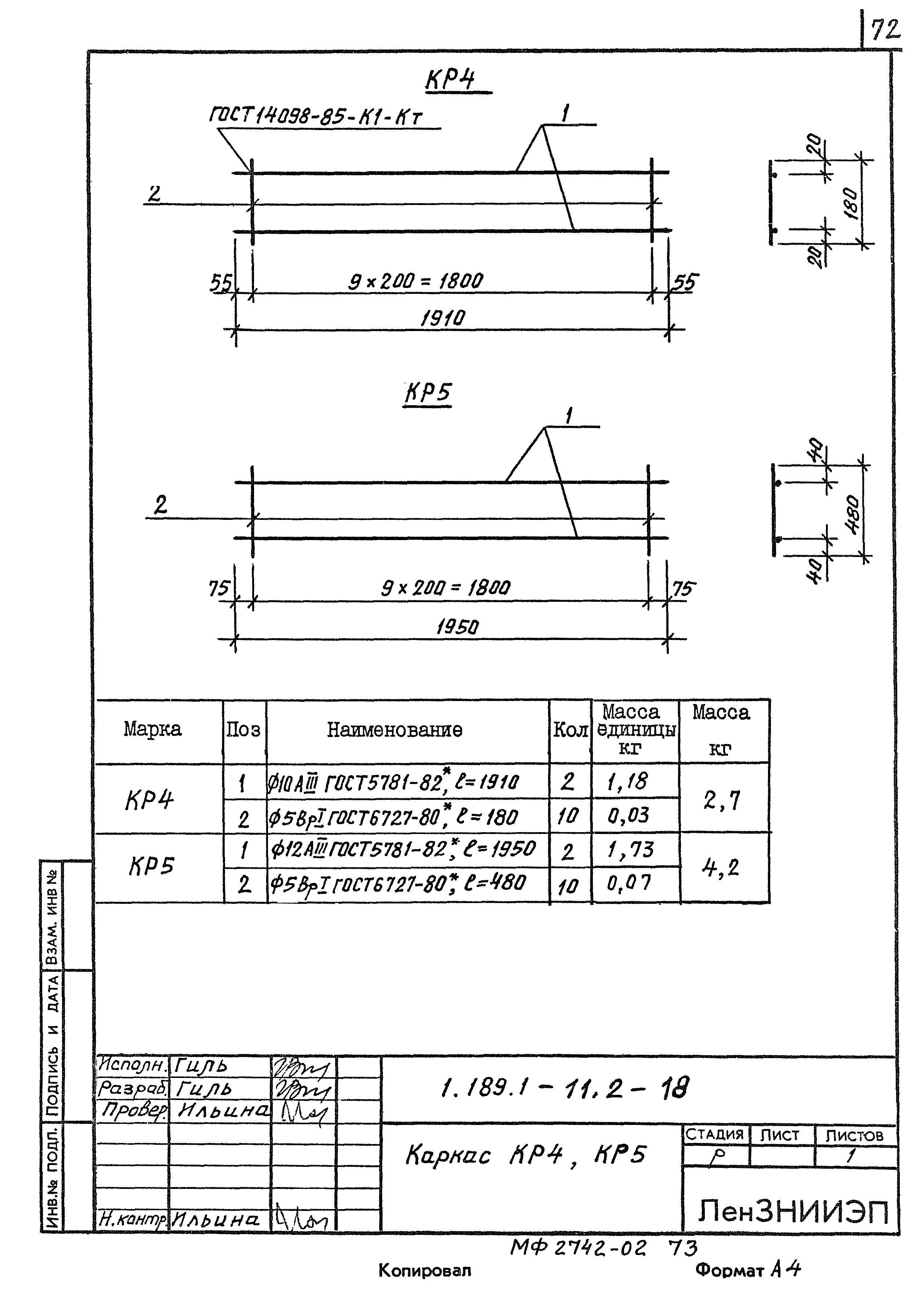
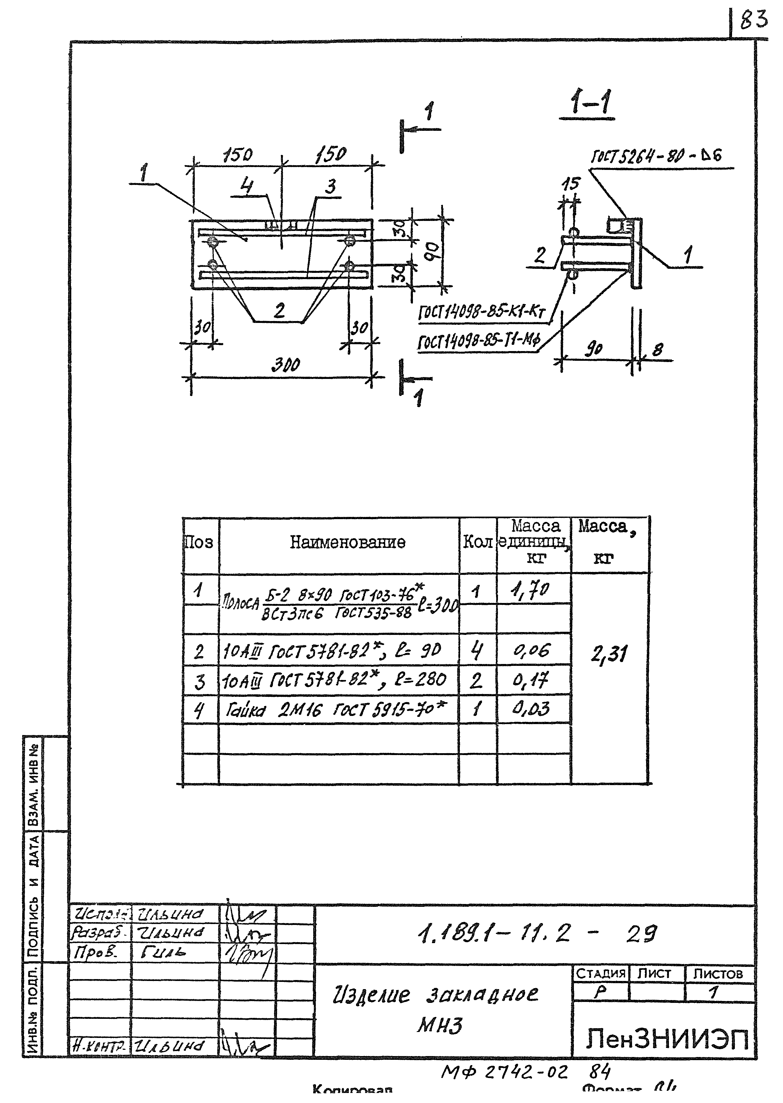
Выпуск 2. Конструкции шахт лифтов грузоподъемностью 400 кг с противовесом сзади кабины и скоростью движения 1,0 м/сек зданий до 10 этажей. Рабочие чертежиОбозначение: | Серия 1.189.1-11 | Обозначение англ: | Series 1.189.1-11 | Статус: | не определен законодательством | Название рус.: | Выпуск 2. Конструкции шахт лифтов грузоподъемностью 400 кг с противовесом сзади кабины и скоростью движения 1,0 м/сек зданий до 10 этажей. Рабочие чертежи | Дата добавления в базу: | 01.09.2013 | Дата актуализации: | 05.05.2017 | Дата введения: | 01.11.1990 | Область применения: | Настоящие чертежи объемных элементов железобетонных шахт лифтов для жилых домов до 10 этажей с высотой этажа 3,0 м строящихся в обычных условиях и на вечномерзлых грунтах, используемых по принципу I и II | Оглавление: | 1.189.1-11.2-ТО Техническое описание 1.189.1-11.2-НИ Номенклатура изделий 1.189.1-11.2-1 Схемы расположения элементов шахты лифта. Узлы 1.189.1-11.2-2 Примеры решений фундаментальной части шахты лифта 1.189.1-11.2-3 Блок средний ШЛС 30-40.1 1.189.1-11.2-4 Блок нижний ШЛС 12-40.1 1.189.1-11.2-5 Блок верхний ШЛС 7-40.1 1.189.1-11.2-6 Плита перекрытия ПЛ18.19-40.1 1.189.1-11.2-7 Плита приямка ПП15.17-40.1 1.189.1-11.2-8 Плита фундамента ПФ18.20-40.1 1.189.1-11.2-9 Плита фундамента ПФС18.20-40.1 1.189.1-11.2-10 Каркас КП1 1.189.1-11.2-11 Каркас КП2 1.189.1-11.2-12 Каркас КП3 1.189.1-11.2-13 Каркас КП4 1.189.1-11.2-14 Каркас КП5 1.189.1-11.2-15 Каркас КП6 1.189.1-11.2-16 Каркас КП7 1.189.1-11.2-17 Каркас КР1,КР2,КР3 1.189.1-11.2-18 Каркас КР4,КР5 1.189.1-11.2-19 Каркас КР6,КР7,КР8 1.189.1-11.2-20 Каркас КР9 1.189.1-11.2-21 Сетка С1,С2 1.189.1-11.2-22 Сетка С3 1.189.1-11.2-23 Сетка С4 1.189.1-11.2-24 Сетка С5,С6,С7 1.189.1-11.2-25 Сетка С8,С9 1.189.1-11.2-26 Петля строповочная П1…П5. Стержень ОС1 1.189.1-11.2-27 Изделие закладное МН1 1.189.1-11.2-28 Изделие закладное МН2 1.189.1-11.2-29 Изделие закладное МН3 1.189.1-11.2-30 Изделие закладное МН4 1.189.1-11.2-31 Изделие закладное МН5,МН6 1.189.1-11.2-32 Изделие закладное МН7 1.189.1-11.2-33 Изделие закладное МН8 1.189.1-11.2-34 Изделие закладное МН9,МН10 1.189.1-11.2-35 Изделие закладное МН11,МН12,МН13 1.189.1-11.2-36 Изделие закладное ММ1 1.189.1-11.2-37 Ведомость расхода стали | Разработан: | ЛенЗНИИЭП Госгражданстроя
| Утверждён: | 13.09.1990 Госкомархитектура (147)
| Расположен в: |
|
                                                                                            
|