Скачать Серия 1.189.1-9 Выпуск 5. Конструкции унифицированные шахт лифтов грузоподъемностью 630 и 500 кг с противовесом сзади кабины (широкая кабина) для зданий высотой до 17 этажей. Рабочие чертежиДата актуализации: 10.08.2017 Серия 1.189.1-9
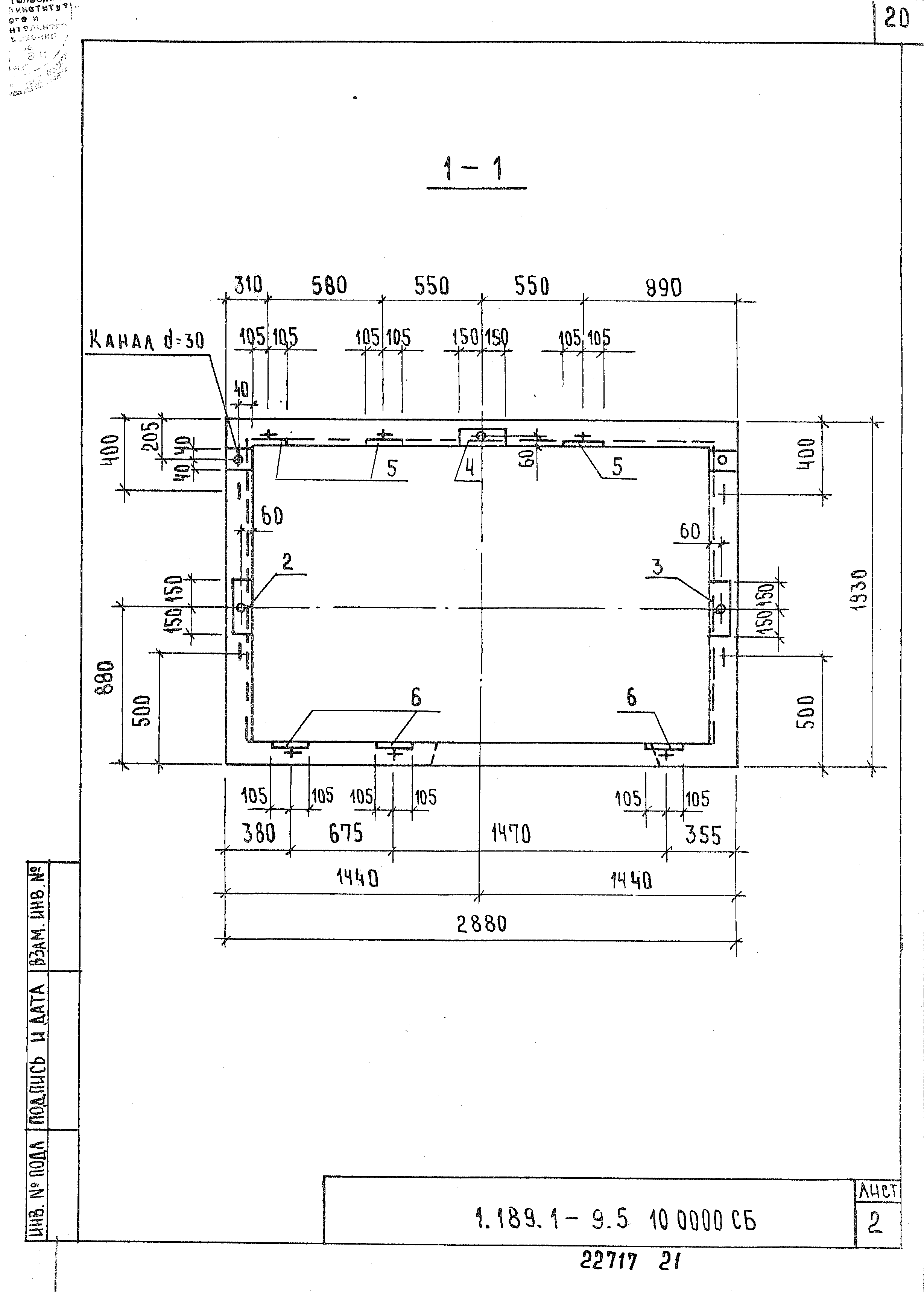
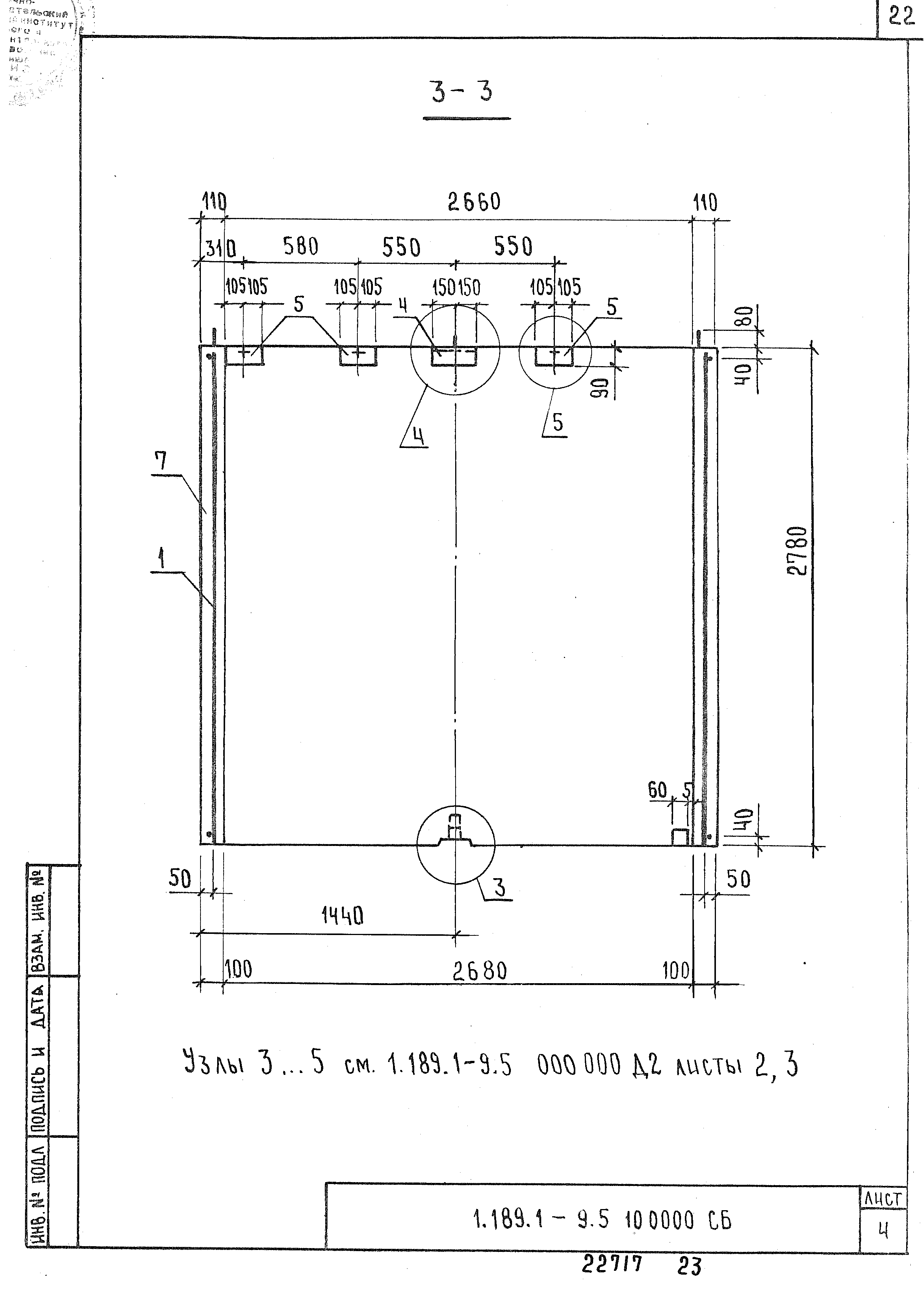
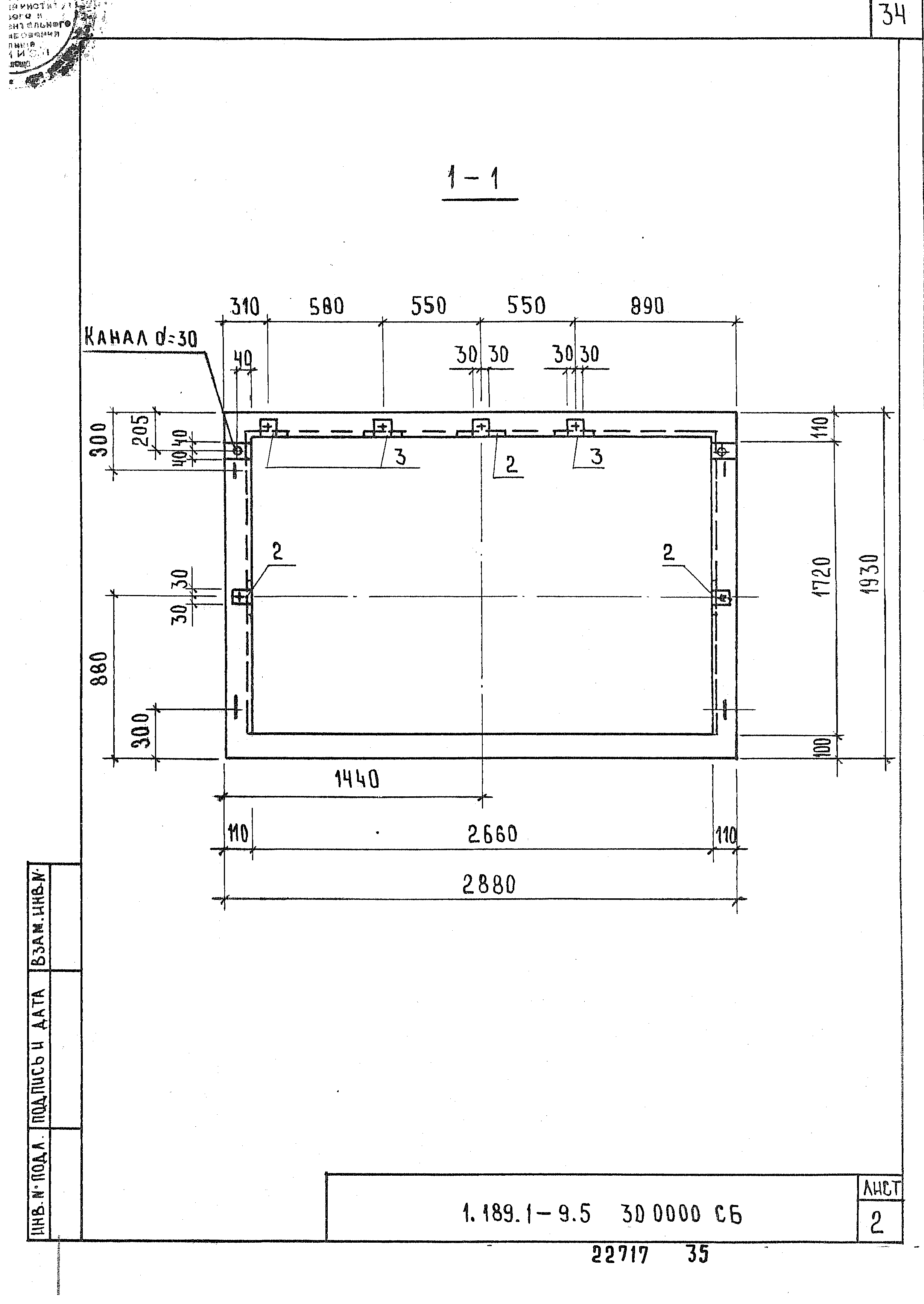
Выпуск 5. Конструкции унифицированные шахт лифтов грузоподъемностью 630 и 500 кг с противовесом сзади кабины (широкая кабина) для зданий высотой до 17 этажей. Рабочие чертежиОбозначение: | Серия 1.189.1-9 | Обозначение англ: | Series 1.189.1-9 | Статус: | не определен законодательством | Название рус.: | Выпуск 5. Конструкции унифицированные шахт лифтов грузоподъемностью 630 и 500 кг с противовесом сзади кабины (широкая кабина) для зданий высотой до 17 этажей. Рабочие чертежи | Дата добавления в базу: | 01.09.2013 | Дата актуализации: | 05.05.2017 | Дата введения: | 01.12.1987 | Разработан: | ЦНИИЭП жилища
| Утверждён: | 30.11.1987 Госгражданстрой (Gosgrazhdanstroy 385)
| Принят: | Гипростроммаш
| Расположен в: |
|
                                                                                                 
|