Информационная система
«Ёшкин Кот»

Скачать базу одним архивом
Скачать обновления
История создания базы
Карта сайта

Скачать Серия 1.089.1-2 Выпуск 1-1. Панели шахт пассажирских и грузовых лифтов по альбому АТ-6 и плиты перекрытий. Рабочие чертежи

Дата актуализации: 10.08.2017

Серия 1.089.1-2

Выпуск 1-1. Панели шахт пассажирских и грузовых лифтов по альбому АТ-6 и плиты перекрытий. Рабочие чертежи

Обозначение: Серия 1.089.1-2
Обозначение англ: Series 1.089.1-2
Статус:не определен законодательством
Название рус.:Выпуск 1-1. Панели шахт пассажирских и грузовых лифтов по альбому АТ-6 и плиты перекрытий. Рабочие чертежи
Дата добавления в базу:01.09.2013
Дата актуализации:05.05.2017
Дата введения:01.01.1993
Оглавление:1.089.1-2.1-1-ТТ Технические требования
1.089.1-2.1-1-01 Панель шахты лифта ПШЛ50-30-1;ПШЛ50-33-1;ПШЛ50-36-1;ПШЛ50-42-1
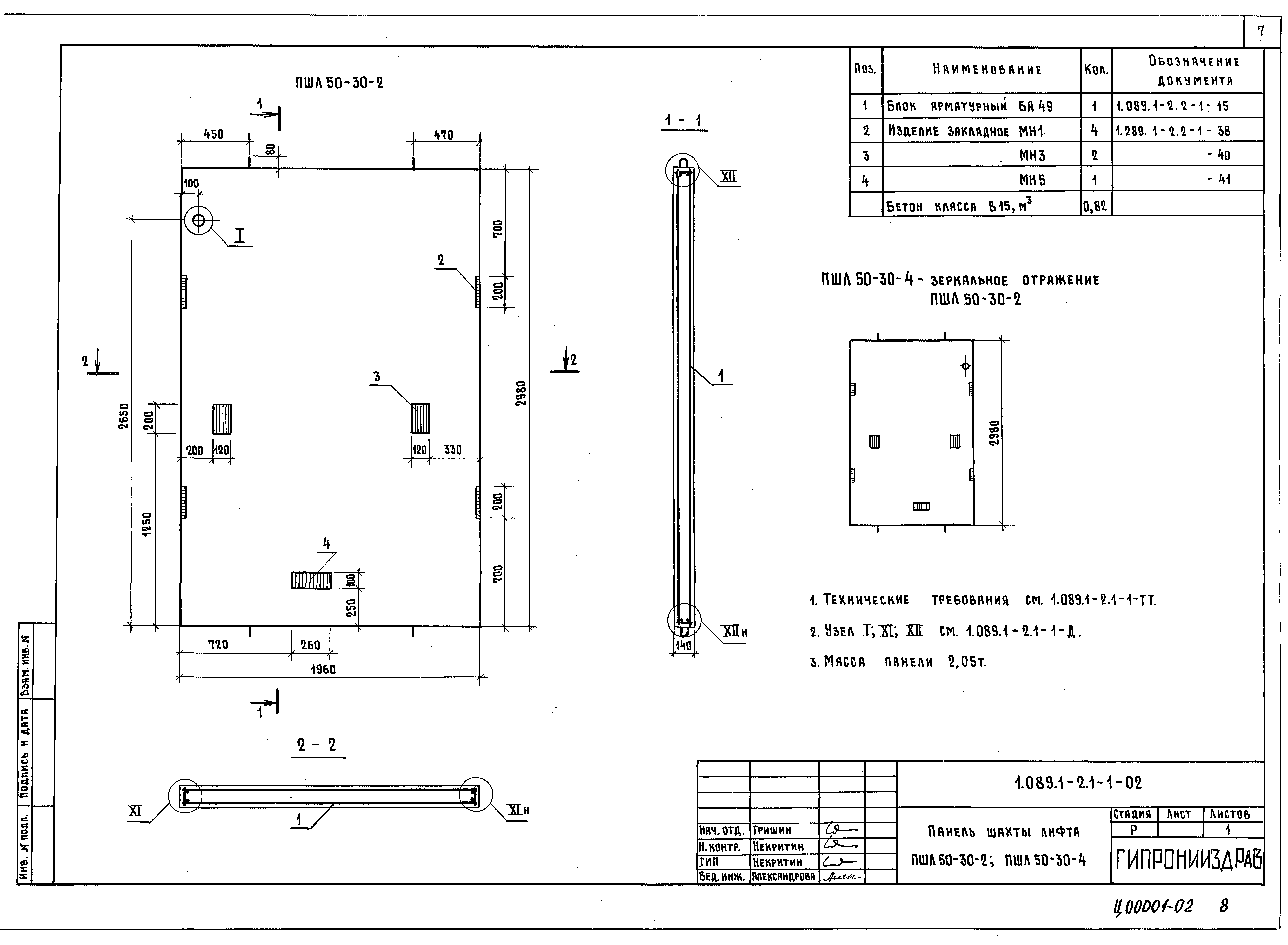
1.089.1-2.1-1-02 Панель шахты лифта ПШЛ50-30-2;ПШЛ50-30-4
1.089.1-2.1-1-03 Панель шахты лифта ПШЛ50-33-2;ПШЛ50-33-4
1.089.1-2.1-1-04 Панель шахты лифта ПШЛ50-36-2;ПШЛ50-36-4
1.089.1-2.1-1-05 Панель шахты лифта ПШЛ50-42-2;ПШЛ50-42-4
1.089.1-2.1-1-06 Панель шахты лифта ПШЛ50-30-3;ПШЛ50-33-3
1.089.1-2.1-1-07 Панель шахты лифта ПШЛ50-36-3;ПШЛ50-42-3
1.089.1-2.1-1-08 Панель шахты лифта ПШЛ50-30п-1;ПШЛ50-33п-1;ПШЛ50-36п-1;ПШЛ50-42п-1
1.089.1-2.1-1-09 Панель шахты лифта ПШЛ50-30п-2;ПШЛ50-33п-2
1.089.1-2.1-1-10 Панель шахты лифта ПШЛ50-36п-2;ПШЛ50-42п-2
1.089.1-2.1-1-11 Панель шахты лифта ПШЛ50-30п-3;ПШЛ50-33п-3;ПШЛ50-36п-3;ПШЛ50-42п-3
1.089.1-2.1-1-12 Панель шахты лифта ПШЛ50-30п-4;ПШЛ50-33п-4
1.089.1-2.1-1-13 Панель шахты лифта ПШЛ50-36п-4;ПШЛ50-42п-4
1.089.1-2.1-1-14 Панель шахты лифта ПШЛ100-30-1;ПШЛ100-33-1;ПШЛ100-36-1;ПШЛ100-42-1
1.089.1-2.1-1-15 Панель шахты лифта ПШЛ100-30-2;ПШЛ100-30-4
1.089.1-2.1-1-16 Панель шахты лифта ПШЛ100-33-2;ПШЛ100-33-4
1.089.1-2.1-1-17 Панель шахты лифта ПШЛ100-36-2;ПШЛ100-36-4
1.089.1-2.1-1-18 Панель шахты лифта ПШЛ100-42-2;ПШЛ100-42-4
1.089.1-2.1-1-19 Панель шахты лифта ПШЛ100-30-3;ПШЛ100-33-3;ПШЛ100-36-3
1.089.1-2.1-1-20 Панель шахты лифта ПШЛ100-42-3
1.089.1-2.1-1-21 Панель шахты лифта ПШЛ50Г-30п-2;ПШЛ50Г-33п-2
1.089.1-2.1-1-22 Панель шахты лифта ПШЛ50Г-36п-2;ПШЛ50Г-42п-2
1.089.1-2.1-1-23 Панель шахты лифта ПШЛ50Г-30п-4;ПШЛ50Г-33п-4
1.089.1-2.1-1-24 Панель шахты лифта ПШЛ50Г-36п-4;ПШЛ50Г-42п-4
1.089.1-2.1-1-25 Панель шахты лифта ПШЛ50Б-33-1;ПШЛ50Б-36-1;ПШЛ50Б-42-1
1.089.1-2.1-1-26 Панель шахты лифта ПШЛ50Б-33-2
1.089.1-2.1-1-27 Панель шахты лифта ПШЛ50Б-36-2;ПШЛ50Б-42-2
1.089.1-2.1-1-28 Панель шахты лифта ПШЛ50Б-33-4
1.089.1-2.1-1-29 Панель шахты лифта ПШЛ50Б-36-4;ПШЛ50Б-42-4
1.089.1-2.1-1-30 Панель шахты лифта ПШЛ50Б-33-5;ПШЛ50Б-36-5;ПШЛ50Б-42-5
1.089.1-2.1-1-31 Панель шахты лифта ПШЛ50Гр-30-1;ПШЛ50Гр-33-1;ПШЛ50Гр-36-1;ПШЛ50Гр-42-1
1.089.1-2.1-1-32 Панель шахты лифта ПШЛ50Гр-30-2;ПШЛ50Гр-33-2
1.089.1-2.1-1-33 Панель шахты лифта ПШЛ50Гр-36-2;ПШЛ50Гр-42-2
1.089.1-2.1-1-34 Панель шахты лифта ПШЛ50Гр-30-3;ПШЛ50Гр-33-3;ПШЛ50Гр-36-3;ПШЛ50Гр-42-3
1.089.1-2.1-1-35 Панель шахты лифта ПШЛ50Гр-30-4;ПШЛ50Гр-33-4
1.089.1-2.1-1-36 Панель шахты лифта ПШЛ50Гр-36-4;ПШЛ50Гр-42-4
1.089.1-2.1-1-37 Панель шахты лифта ПШЛ50Гр-30-5;ПШЛ50Гр-33-5;ПШЛ50Гр-36-5;ПШЛ50Гр-42-5
1.089.1-2.1-1-38 Панель шахты лифта ПШЛ50Гр.б-30-1;ПШЛ50Гр.б-33-1;ПШЛ50Гр.б-36-1;ПШЛ50Гр.б-42-1
1.089.1-2.1-1-39 Панель шахты лифта ПШЛ50Гр.б-30-2;ПШЛ50Гр.б-33-2
1.089.1-2.1-1-40 Панель шахты лифта ПШЛ50Гр.б-36-2;ПШЛ50Гр.б-42-2
1.089.1-2.1-1-41 Панель шахты лифта ПШЛ50Гр.б-30-3
1.089.1-2.1-1-42 Панель шахты лифта ПШЛ50Гр.б-30-4;ПШЛ50Гр.б-33-4
1.089.1-2.1-1-43 Панель шахты лифта ПШЛ50Гр.б-36-4;ПШЛ50Гр.б-42-4
1.089.1-2.1-1-44 Панель шахты лифта ПШЛ50Гр.б-30-5;ПШЛ50Гр.б-33-5;ПШЛ50Гр.б-36-5;ПШЛ50Гр.б-42-5
1.089.1-2.1-1-45 Панель шахты лифта ПШЛ100Гр-30-1;ПШЛ100Гр-33-1;ПШЛ100Гр-36-1;ПШЛ100Гр-42-1
1.089.1-2.1-1-46 Панель шахты лифта ПШЛ100Гр-30-2;ПШЛ100Гр-33-2
1.089.1-2.1-1-47 Панель шахты лифта ПШЛ100Гр-36-2;ПШЛ100-42-2
1.089.1-2.1-1-48 Панель шахты лифта ПШЛ100Гр-30-4;ПШЛ100Гр-33-4
1.089.1-2.1-1-49 Панель шахты лифта ПШЛ100Гр-36-4;ПШЛ100Гр-42-4
1.089.1-2.1-1-50 Панель шахты лифта ПШЛ50Гр-30-5;ПШЛ50Гр-33-5;ПШЛ50Гр-36-5;ПШЛ50Гр-42-5
1.089.1-2.1-1-51 Панель шахты лифта ПШЛ50Гр-36-6
1.089.1-2.1-1-52 Панель шахты лифта ПШЛ50Гр-36-7
1.089.1-2.1-1-53 Плита перекрытия ПЛ50-20.23.2
1.089.1-2.1-1-54 Плита перекрытия ПЛ50-22.20.2п
1.089.1-2.1-1-55 Плита перекрытия ПЛ50Г-21.28.2п
1.089.1-2.1-1-56 Плита перекрытия ПЛ50Гр-19.20.2
1.089.1-2.1-1-57 Плита перекрытия ПЛ50Гр.б-24.25.2
1.089.1-2.1-1-58 Плита перекрытия ПЛ50Гр-24.25.2
1.089.1-2.1-1-Д Узел 1…20
1.089.1-2.1-1-РС Ведомость расхода стали
Разработан: ГипроНИИздрав Минздрава СССР
Утверждён:06.10.1992 Минстрой России (Russian Federation Minstroy 9-1/303)
Расположен в:Техническая документация Экология СТРОИТЕЛЬНЫЕ МАТЕРИАЛЫ И СТРОИТЕЛЬСТВО Строительные элементы Дымовые трубы, шахты, каналы Строительство Справочные документы Типовые строительные конструкции, изделия и узлы Общероссийский строительный каталог Строительные конструкции, изделия и узлы зданий и сооружений для всех видов строительства Конструкции, изделия и узлы зданий Несущие конструкции двухэтажных и многоэтажных зданий Шахты лифтов
Серия 1.089.1-2Серия 1.089.1-2Серия 1.089.1-2Серия 1.089.1-2Серия 1.089.1-2Серия 1.089.1-2Серия 1.089.1-2Серия 1.089.1-2Серия 1.089.1-2Серия 1.089.1-2Серия 1.089.1-2Серия 1.089.1-2Серия 1.089.1-2Серия 1.089.1-2Серия 1.089.1-2Серия 1.089.1-2Серия 1.089.1-2Серия 1.089.1-2Серия 1.089.1-2Серия 1.089.1-2Серия 1.089.1-2Серия 1.089.1-2Серия 1.089.1-2Серия 1.089.1-2Серия 1.089.1-2Серия 1.089.1-2Серия 1.089.1-2Серия 1.089.1-2Серия 1.089.1-2Серия 1.089.1-2Серия 1.089.1-2Серия 1.089.1-2Серия 1.089.1-2Серия 1.089.1-2Серия 1.089.1-2Серия 1.089.1-2Серия 1.089.1-2Серия 1.089.1-2Серия 1.089.1-2Серия 1.089.1-2Серия 1.089.1-2Серия 1.089.1-2Серия 1.089.1-2Серия 1.089.1-2Серия 1.089.1-2Серия 1.089.1-2Серия 1.089.1-2Серия 1.089.1-2Серия 1.089.1-2Серия 1.089.1-2Серия 1.089.1-2Серия 1.089.1-2Серия 1.089.1-2Серия 1.089.1-2Серия 1.089.1-2Серия 1.089.1-2Серия 1.089.1-2Серия 1.089.1-2Серия 1.089.1-2Серия 1.089.1-2Серия 1.089.1-2Серия 1.089.1-2Серия 1.089.1-2Серия 1.089.1-2Серия 1.089.1-2Серия 1.089.1-2Серия 1.089.1-2Серия 1.089.1-2Серия 1.089.1-2Серия 1.089.1-2Серия 1.089.1-2

© 2013 Ёшкин Кот :-) Карта сайта