Информационная система
«Ёшкин Кот»

Скачать базу одним архивом
Скачать обновления
История создания базы
Карта сайта

Скачать Серия 1.089.1-1 Выпуск 1-3. Блоки шахт пассажирских и грузовых лифтов по альбому АТ-6 и плиты перекрытий. Рабочие чертежи

Дата актуализации: 10.08.2017

Серия 1.089.1-1

Выпуск 1-3. Блоки шахт пассажирских и грузовых лифтов по альбому АТ-6 и плиты перекрытий. Рабочие чертежи

Обозначение: Серия 1.089.1-1
Обозначение англ: Series 1.089.1-1
Статус:не определен законодательством
Название рус.:Выпуск 1-3. Блоки шахт пассажирских и грузовых лифтов по альбому АТ-6 и плиты перекрытий. Рабочие чертежи
Дата добавления в базу:01.09.2013
Дата актуализации:05.05.2017
Дата введения:01.01.1992
Оглавление:1.089.1-1.1-3-ТТ Технические требования
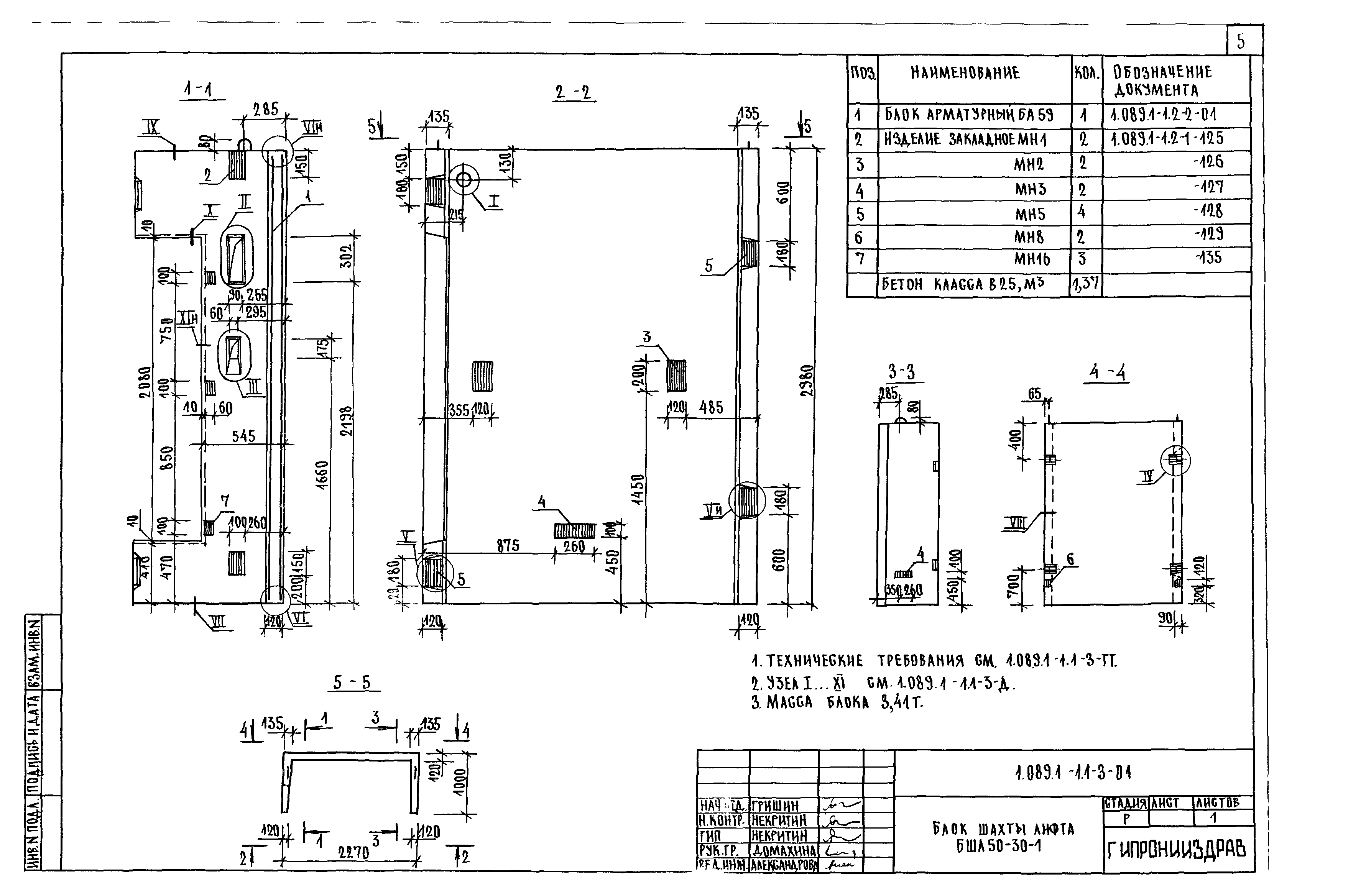
1.089.1-1.1-3-01 Блок шахты лифта БШЛ50-30-1
1.089.1-1.1-3-02 Блок шахты лифта БШЛ50-33-1
1.089.1-1.1-3-03 Блок шахты лифта БШЛ50-36-1
1.089.1-1.1-3-04 Блок шахты лифта БШЛ50-42-1
1.089.1-1.1-3-05 Блок шахты лифта БШЛ50Г-30п-1
1.089.1-1.1-3-06 Блок шахты лифта БШЛ50Г-33п-1
1.089.1-1.1-3-07 Блок шахты лифта БШЛ50Г-36п-1
1.089.1-1.1-3-08 Блок шахты лифта БШЛ50Г-42п-1
1.089.1-1.1-3-09 Блок шахты лифта БШЛ100-30-1
1.089.1-1.1-3-10 Блок шахты лифта БШЛ100-33-1
1.089.1-1.1-3-11 Блок шахты лифта БШЛ100-36-1
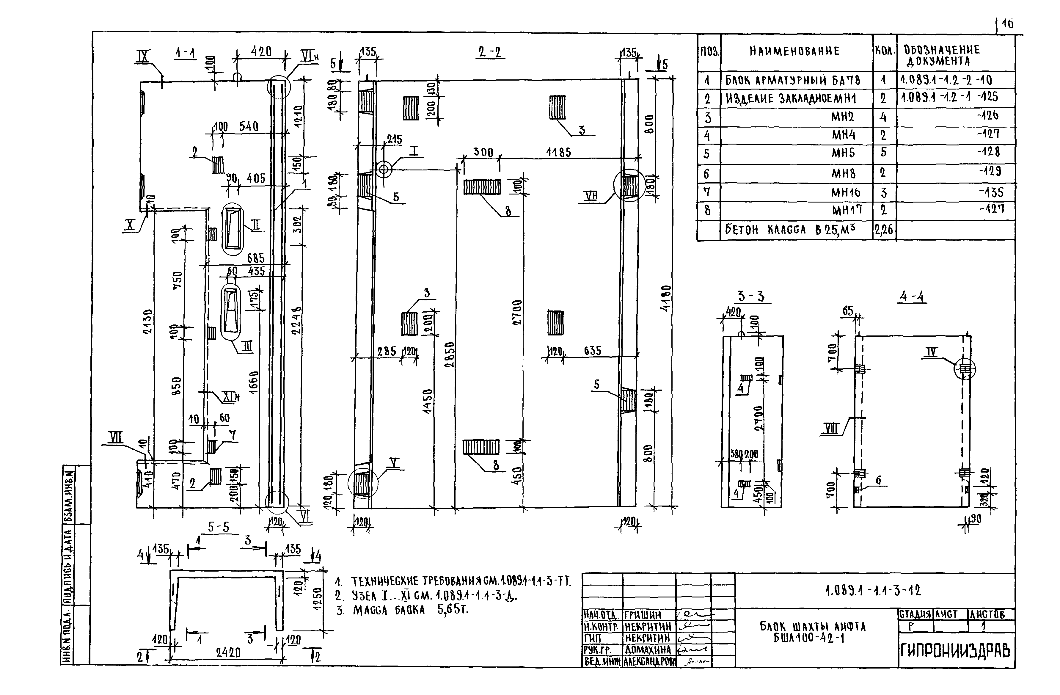
1.089.1-1.1-3-12 Блок шахты лифта БШЛ100-42-1
1.089.1-1.1-3-13 Блок шахты лифта БШЛ50Б-33-1
1.089.1-1.1-3-14 Блок шахты лифта БШЛ50Б-36-1;БШЛ50Б-42-1
1.089.1-1.1-3-15 Блок шахты лифта БШЛ50Гр-30-1
1.089.1-1.1-3-16 Блок шахты лифта БШЛ50Гр-33-1
1.089.1-1.1-3-17 Блок шахты лифта БШЛ50Гр-36-1;БШЛ50Гр-42-1
1.089.1-1.1-3-18 Блок шахты лифта БШЛ50Гр.б-30-1
1.089.1-1.1-3-19 Блок шахты лифта БШЛ50Гр.б-33-1
1.089.1-1.1-3-20 Блок шахты лифта БШЛ50Гр.б-36-1;БШЛ50Гр.б-42-1
1.089.1-1.1-3-21 Блок шахты лифта БШЛ100Гр.б-33-1
1.089.1-1.1-3-22 Блок шахты лифта БШЛ100Гр.б-36-1
1.089.1-1.1-3-23 Блок шахты лифта БШЛ100Гр.б-42-1
1.089.1-1.1-3-24 Блок шахты лифта БШЛ50-30-2
1.089.1-1.1-3-25 Блок шахты лифта БШЛ50-33-2
1.089.1-1.1-3-26 Блок шахты лифта БШЛ50-36-2
1.089.1-1.1-3-27 Блок шахты лифта БШЛ50-42-2
1.089.1-1.1-3-28 Блок шахты лифта БШЛ50Г-30п-2
1.089.1-1.1-3-29 Блок шахты лифта БШЛ50Г-33п-2
1.089.1-1.1-3-30 Блок шахты лифта БШЛ50Г-36п-2
1.089.1-1.1-3-31 Блок шахты лифта БШЛ50Г-42п-2
1.089.1-1.1-3-32 Блок шахты лифта БШЛ100-30-2
1.089.1-1.1-3-33 Блок шахты лифта БШЛ100-33-2
1.089.1-1.1-3-34 Блок шахты лифта БШЛ100-36-2
1.089.1-1.1-3-35 Блок шахты лифта БШЛ100-42-2
1.089.1-1.1-3-36 Блок шахты лифта БШЛ50Б-33-2
1.089.1-1.1-3-37 Блок шахты лифта БШЛ50Б-36-2;БШЛ50Б-42-2
1.089.1-1.1-3-38 Блок шахты лифта БШЛ50Гр-30-2
1.089.1-1.1-3-39 Блок шахты лифта БШЛ50Гр-33-2
1.089.1-1.1-3-40 Блок шахты лифта БШЛ50Гр-36-2;БШЛ50Гр-42-2
1.089.1-1.1-3-41 Блок шахты лифта БШЛ50Гр.б-30-2
1.089.1-1.1-3-42 Блок шахты лифта БШЛ50Гр.б-33-2
1.089.1-1.1-3-43 Блок шахты лифта БШЛ50Гр.б-36-2;БШЛ50Гр.б-42-2
1.089.1-1.1-3-44 Блок шахты лифта БШЛ100Гр.б-33-2
1.089.1-1.1-3-45 Блок шахты лифта БШЛ100Гр.б-36-2
1.089.1-1.1-3-46 Блок шахты лифта БШЛ100Гр.б-42-2
1.089.1-1.1-3-47 Блок шахты лифта БШЛ50Б-33-3
1.089.1-1.1-3-48 Блок шахты лифта БШЛ50Б-36-3;БШЛ50Б-42-3
1.089.1-1.1-3-49 Блок шахты лифта БШЛ50Б-33-4
1.089.1-1.1-3-50 Блок шахты лифта БШЛ50Б-36-4;БШЛ50Б-42-4
1.089.1-1.1-3-51 Блок шахты лифта БШЛ50Гр-30-3
1.089.1-1.1-3-52 Блок шахты лифта БШЛ50Гр-33-3
1.089.1-1.1-3-53 Блок шахты лифта БШЛ50Гр-36-3;БШЛ50Гр-42-3
1.089.1-1.1-3-54 Блок шахты лифта БШЛ50Гр-30-4
1.089.1-1.1-3-55 Блок шахты лифта БШЛ50Гр-33-4
1.089.1-1.1-3-56 Блок шахты лифта БШЛ50Гр-36-4;БШЛ50Гр-42-4
1.089.1-1.1-3-57 Блок шахты лифта БШЛ50Гр.б-30-3
1.089.1-1.1-3-58 Блок шахты лифта БШЛ50Гр.б-33-3
1.089.1-1.1-3-59 Блок шахты лифта БШЛ50Гр.б-36-3;БШЛ50Гр.б-42-3
1.089.1-1.1-3-60 Блок шахты лифта БШЛ50Гр.б-30-4
1.089.1-1.1-3-61 Блок шахты лифта БШЛ50Гр.б-33-4
1.089.1-1.1-3-62 Блок шахты лифта БШЛ50Гр.б-36-4;БШЛ50Гр.б-42-4
1.089.1-1.1-3-63 Блок шахты лифта БШЛ100Гр.б-33-3
1.089.1-1.1-3-64 Блок шахты лифта БШЛ100Гр.б-36-3
1.089.1-1.1-3-65 Блок шахты лифта БШЛ100Гр.б-42-3
1.089.1-1.1-3-66 Блок шахты лифта БШЛ100Гр.б-33-4
1.089.1-1.1-3-67 Блок шахты лифта БШЛ100Гр.б-36-4
1.089.1-1.1-3-68 Блок шахты лифта БШЛ100Гр.б-42-4
1.089.1-1.1-3-69 Блок шахты лифта БШЛ50-30-3
1.089.1-1.1-3-70 Блок шахты лифта БШЛ50-30-4
1.089.1-1.1-3-71 Блок шахты лифта БШЛ50Г-30п-3
1.089.1-1.1-3-72 Блок шахты лифта БШЛ50Г-30п-4
1.089.1-1.1-3-73 Блок шахты лифта БШЛ100-30-3
1.089.1-1.1-3-74 Блок шахты лифта БШЛ100-30-4
1.089.1-1.1-3-75 Блок шахты лифта БШЛ100Гр-30-5
1.089.1-1.1-3-76 Блок шахты лифта БШЛ100Гр-30-6
1.089.1-1.1-3-77 Блок шахты лифта БШЛ50Гр.б-30-5
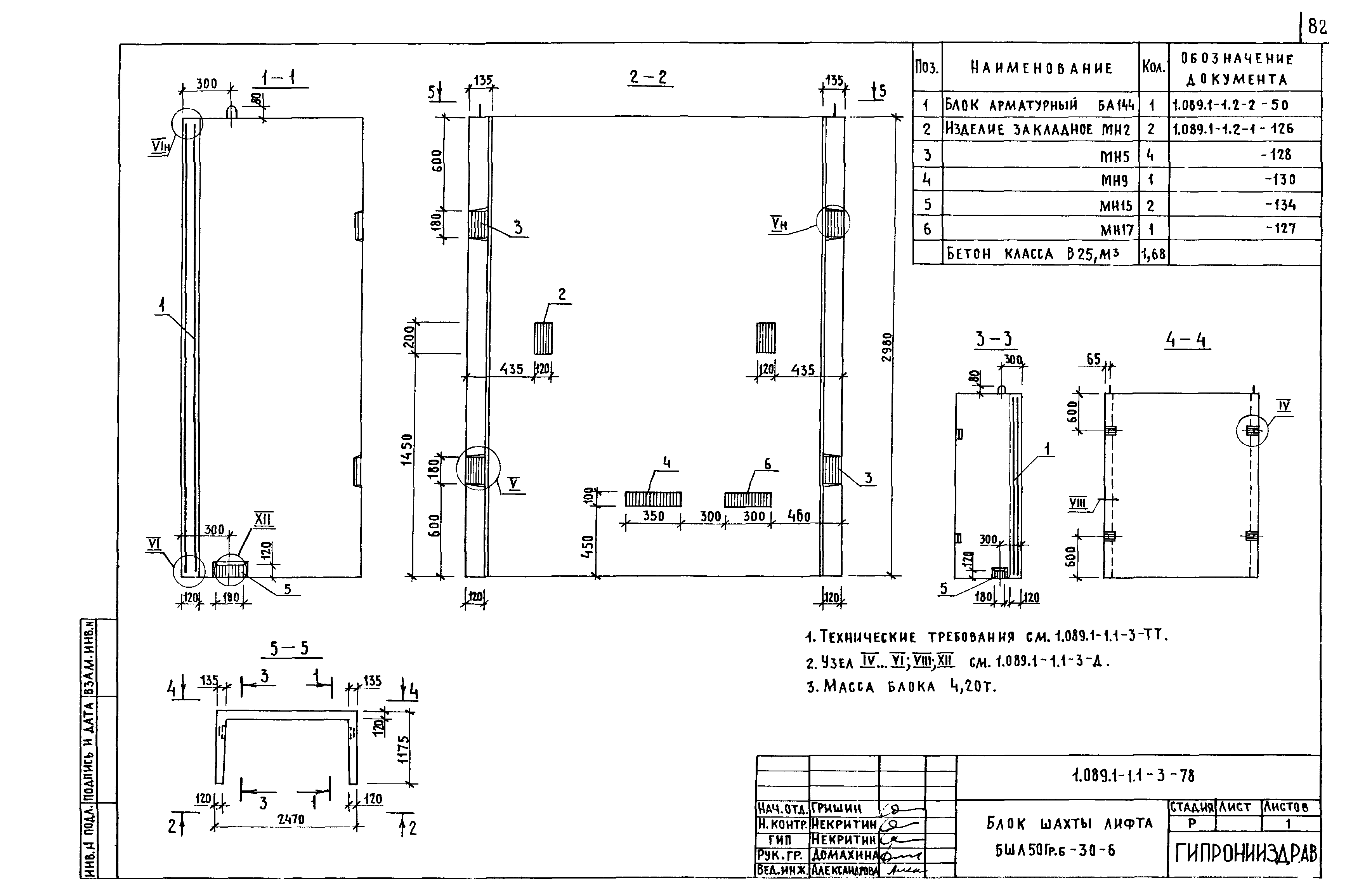
1.089.1-1.1-3-78 Блок шахты лифта БШЛ50Гр.б-30-6
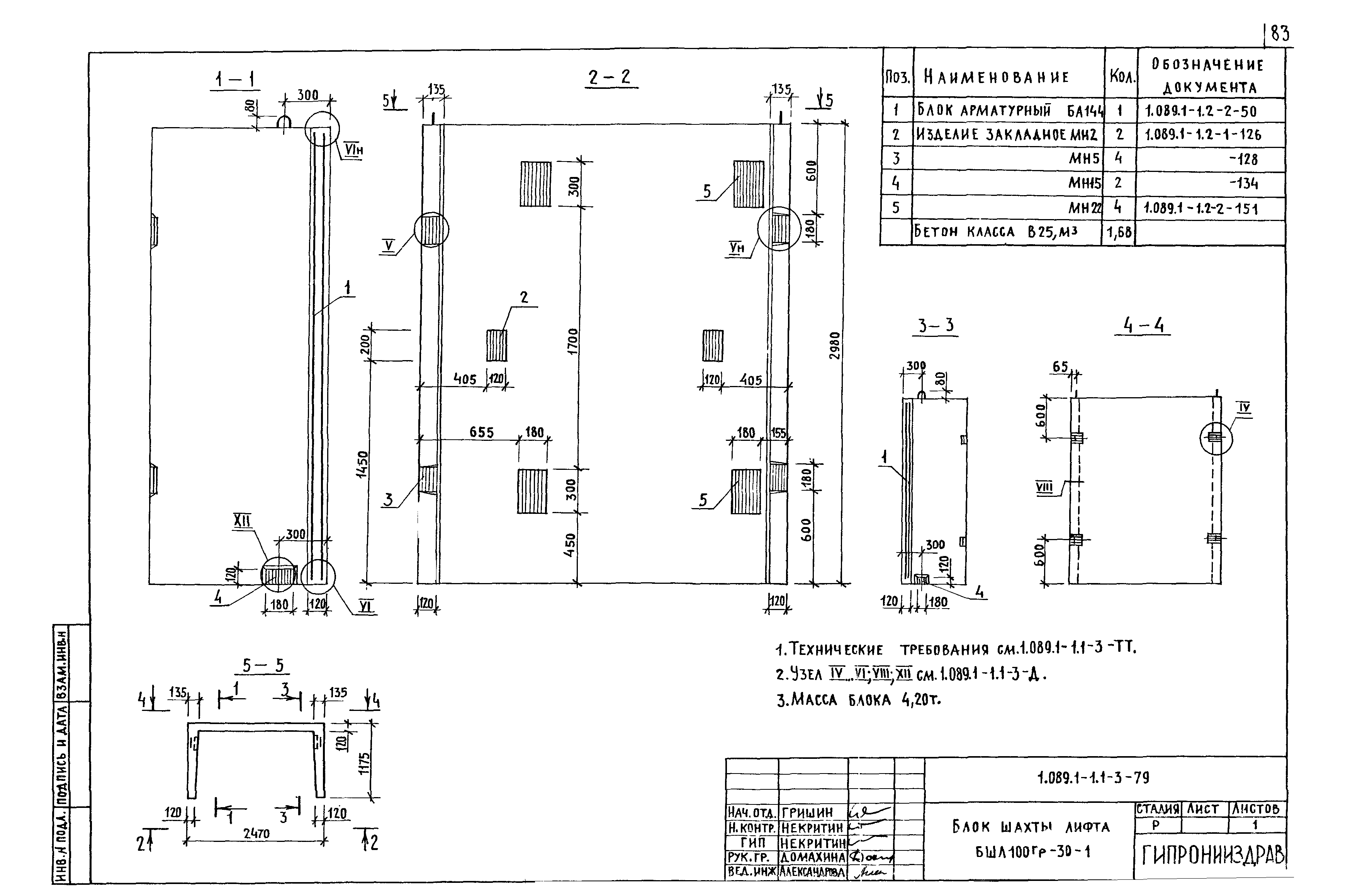
1.089.1-1.1-3-79 Блок шахты лифта БШЛ100Гр-30-1
1.089.1-1.1-3-80 Блок шахты лифта БШЛ100Гр-30-2
1.089.1-1.1-3-81 Блок шахты лифта БШЛ100Гр-30-3
1.089.1-1.1-3-82 Блок шахты лифта БШЛ100Гр-30-4
1.089.1-1.1-3-83 Блок шахты лифта БШЛ50-12-1
1.089.1-1.1-3-84 Блок шахты лифта БШЛ50-12-2
1.089.1-1.1-3-85 Блок шахты лифта БШЛ50Г-12п-1
1.089.1-1.1-3-86 Блок шахты лифта БШЛ50Г-12п-2
1.089.1-1.1-3-87 Блок шахты лифта БШЛ100-12-1
1.089.1-1.1-3-88 Блок шахты лифта БШЛ100-12-2
1.089.1-1.1-3-89 Блок шахты лифта БШЛ100-12-3
1.089.1-1.1-3-90 Блок шахты лифта БШЛ50Гр-12-1
1.089.1-1.1-3-91 Блок шахты лифта БШЛ50Гр.б-12-1
1.089.1-1.1-3-92 Блок шахты лифта БШЛ100Гр-12-1
1.089.1-1.1-3-93 Блок шахты лифта БШЛ100Гр-12-2
1.089.1-1.1-3-94 Блок шахты лифта БШЛ100Гр-12-3
1.089.1-1.1-3-95 Плита перекрытия ПЛ100-24.25.2
1.089.1-1.1-3-96 Плита перекрытия ПЛ50Б-22.30.2
1.089.1-1.1-3-Д Узел 1…17
1.089.1-1.1-3-РС Ведомость расхода стали
Разработан: ГипроНИИздрав Минздрава СССР
Утверждён:15.04.1991 Главпроект Госстроя СССР
Издан: ЦИТП Госстроя СССР (CITP, Gosstroy (USSR) 1991 г. )
Расположен в:Техническая документация Строительство Справочные документы Типовые строительные конструкции, изделия и узлы Общероссийский строительный каталог Строительные конструкции, изделия и узлы зданий и сооружений для всех видов строительства Конструкции, изделия и узлы зданий Несущие конструкции двухэтажных и многоэтажных зданий Шахты лифтов
Серия 1.089.1-1Серия 1.089.1-1Серия 1.089.1-1Серия 1.089.1-1Серия 1.089.1-1Серия 1.089.1-1Серия 1.089.1-1Серия 1.089.1-1Серия 1.089.1-1Серия 1.089.1-1Серия 1.089.1-1Серия 1.089.1-1Серия 1.089.1-1Серия 1.089.1-1Серия 1.089.1-1Серия 1.089.1-1Серия 1.089.1-1Серия 1.089.1-1Серия 1.089.1-1Серия 1.089.1-1Серия 1.089.1-1Серия 1.089.1-1Серия 1.089.1-1Серия 1.089.1-1Серия 1.089.1-1Серия 1.089.1-1Серия 1.089.1-1Серия 1.089.1-1Серия 1.089.1-1Серия 1.089.1-1Серия 1.089.1-1Серия 1.089.1-1Серия 1.089.1-1Серия 1.089.1-1Серия 1.089.1-1Серия 1.089.1-1Серия 1.089.1-1Серия 1.089.1-1Серия 1.089.1-1Серия 1.089.1-1Серия 1.089.1-1Серия 1.089.1-1Серия 1.089.1-1Серия 1.089.1-1Серия 1.089.1-1Серия 1.089.1-1Серия 1.089.1-1Серия 1.089.1-1Серия 1.089.1-1Серия 1.089.1-1Серия 1.089.1-1Серия 1.089.1-1Серия 1.089.1-1Серия 1.089.1-1Серия 1.089.1-1Серия 1.089.1-1Серия 1.089.1-1Серия 1.089.1-1Серия 1.089.1-1Серия 1.089.1-1Серия 1.089.1-1Серия 1.089.1-1Серия 1.089.1-1Серия 1.089.1-1Серия 1.089.1-1Серия 1.089.1-1Серия 1.089.1-1Серия 1.089.1-1Серия 1.089.1-1Серия 1.089.1-1Серия 1.089.1-1Серия 1.089.1-1Серия 1.089.1-1Серия 1.089.1-1Серия 1.089.1-1Серия 1.089.1-1Серия 1.089.1-1Серия 1.089.1-1Серия 1.089.1-1Серия 1.089.1-1Серия 1.089.1-1Серия 1.089.1-1Серия 1.089.1-1Серия 1.089.1-1Серия 1.089.1-1Серия 1.089.1-1Серия 1.089.1-1Серия 1.089.1-1Серия 1.089.1-1Серия 1.089.1-1Серия 1.089.1-1Серия 1.089.1-1Серия 1.089.1-1Серия 1.089.1-1Серия 1.089.1-1Серия 1.089.1-1Серия 1.089.1-1Серия 1.089.1-1Серия 1.089.1-1Серия 1.089.1-1Серия 1.089.1-1Серия 1.089.1-1

© 2013 Ёшкин Кот :-) Карта сайта