Информационная система
«Ёшкин Кот»

Скачать базу одним архивом
Скачать обновления
История создания базы
Карта сайта

Скачать Серия 1.089.1-1 Выпуск 1-2. Блоки шахт пассажирских лифтов по ГОСТ 5746-83 с болтовым креплением оборудования лифта. Рабочие чертежи

Дата актуализации: 10.08.2017

Серия 1.089.1-1

Выпуск 1-2. Блоки шахт пассажирских лифтов по ГОСТ 5746-83 с болтовым креплением оборудования лифта. Рабочие чертежи

Обозначение: Серия 1.089.1-1
Обозначение англ: Series 1.089.1-1
Статус:не определен законодательством
Название рус.:Выпуск 1-2. Блоки шахт пассажирских лифтов по ГОСТ 5746-83 с болтовым креплением оборудования лифта. Рабочие чертежи
Дата добавления в базу:01.09.2013
Дата актуализации:05.05.2017
Дата введения:01.10.1990
Оглавление:1.089.1-1.1-2-ТТ Технические требования
1.089.1-1.1-2-01 Блок шахты лифта БШЛ63-30-1б
1.089.1-1.1-2-02 Блок шахты лифта БШЛ63-33-1б
1.089.1-1.1-2-03 Блок шахты лифта БШЛ63-36-1б;БШЛ63-42-1б
1.089.1-1.1-2-04 Блок шахты лифта БШЛ63-30-2б
1.089.1-1.1-2-05 Блок шахты лифта БШЛ63-33-2б
1.089.1-1.1-2-06 Блок шахты лифта БШЛ63-36-2б;БШЛ63-42-2б
1.089.1-1.1-2-07 Блок шахты лифта БШЛ100-30-1б
1.089.1-1.1-2-08 Блок шахты лифта БШЛ100-33-1б
1.089.1-1.1-2-09 Блок шахты лифта БШЛ100-36-1б;БШЛ100-42-1б
1.089.1-1.1-2-10 Блок шахты лифта БШЛ100-30-2б
1.089.1-1.1-2-11 Блок шахты лифта БШЛ100-33-2б
1.089.1-1.1-2-12 Блок шахты лифта БШЛ100-36-2б;БШЛ100-42-2б
1.089.1-1.1-2-13 Блок шахты лифта БШЛ100-30п-1б
1.089.1-1.1-2-14 Блок шахты лифта БШЛ100-33п-1б;БШЛ100-36п-1б;БШЛ100-42п-1б
1.089.1-1.1-2-15 Блок шахты лифта БШЛ100-30п-2б
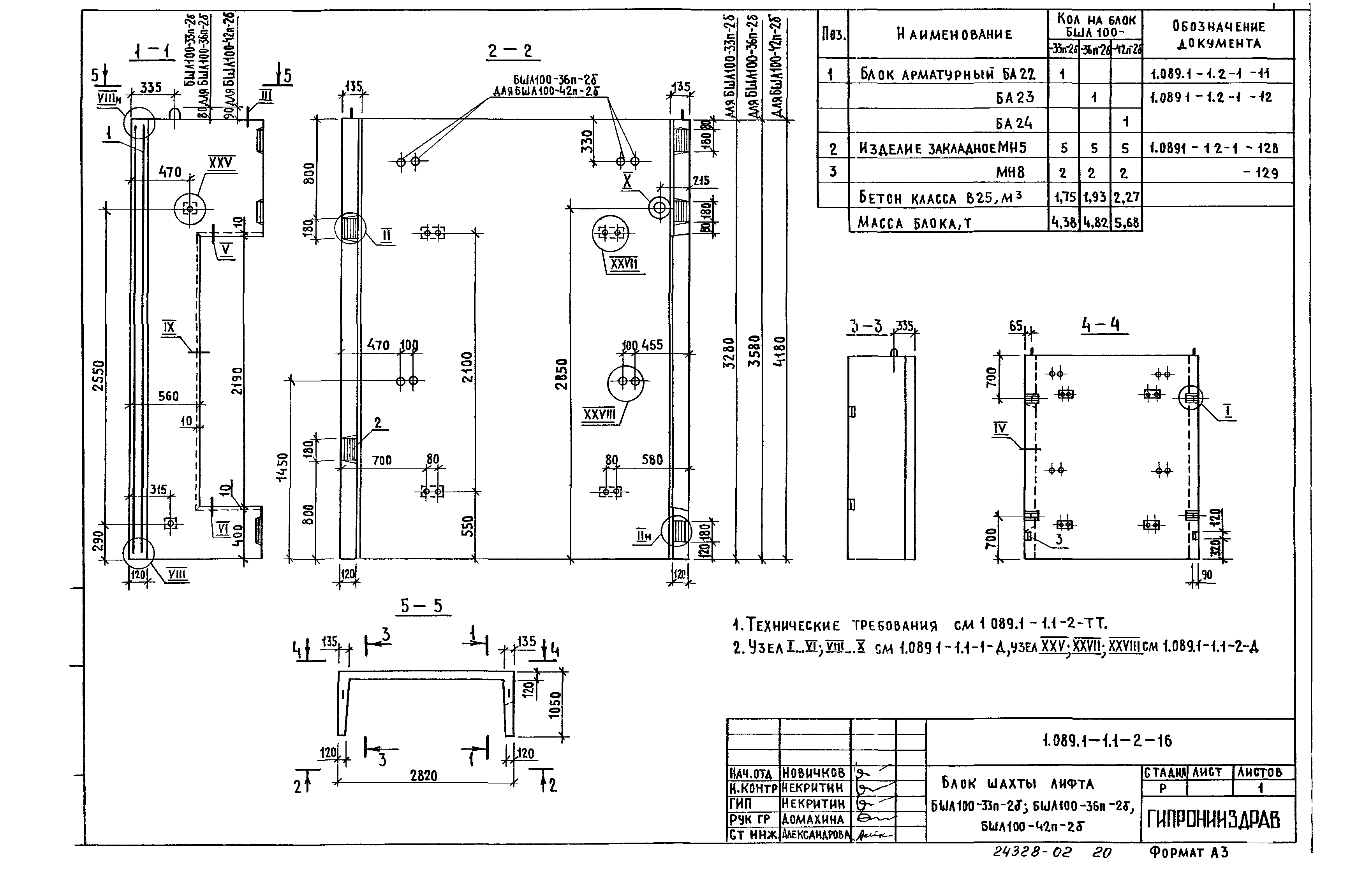
1.089.1-1.1-2-16 Блок шахты лифта БШЛ100-33п-2б;БШЛ100-36п-2б;БШЛ100-42п-2б
1.089.1-1.1-2-17 Блок шахты лифта БШЛ636-33-1б
1.089.1-1.1-2-18 Блок шахты лифта БШЛ366-36-1б;БШЛ636-42-1б
1.089.1-1.1-2-19 Блок шахты лифта БШЛ636-42-3б
1.089.1-1.1-2-20 Блок шахты лифта БШЛ636-33-2б
1.089.1-1.1-2-21 Блок шахты лифта БШЛ636-36-2б;БШЛ636-42-2б
1.089.1-1.1-2-22 Блок шахты лифта БШЛ636-42-4б
1.089.1-1.1-2-23 Блок шахты лифта БШЛ636-33-3б
1.089.1-1.1-2-24 Блок шахты лифта БШЛ636-36-3б;БШЛ636-42-5б
1.089.1-1.1-2-25 Блок шахты лифта БШЛ636-42-7б
1.089.1-1.1-2-26 Блок шахты лифта БШЛ636-33-4б
1.089.1-1.1-2-27 Блок шахты лифта БШЛ636-36-4б;БШЛ636-42-6б
1.089.1-1.1-2-28 Блок шахты лифта БШЛ636-42-8б
1.089.1-1.1-2-29 Панель шахты лифта ПШЛ160-33п-1б;ПШЛ160-36п-1б;ПШЛ160-42п-1б
1.089.1-1.1-2-30 Панель шахты лифта ПШЛ160-33п-2б
1.089.1-1.1-2-31 Панель шахты лифта ПШЛ160-36п-2б;ПШЛ160-42п-2б
1.089.1-1.1-2-32 Панель шахты лифта ПШЛ160-33п-4б
1.089.1-1.1-2-33 Панель шахты лифта ПШЛ160-36п-4б;ПШЛ160-42п-4б
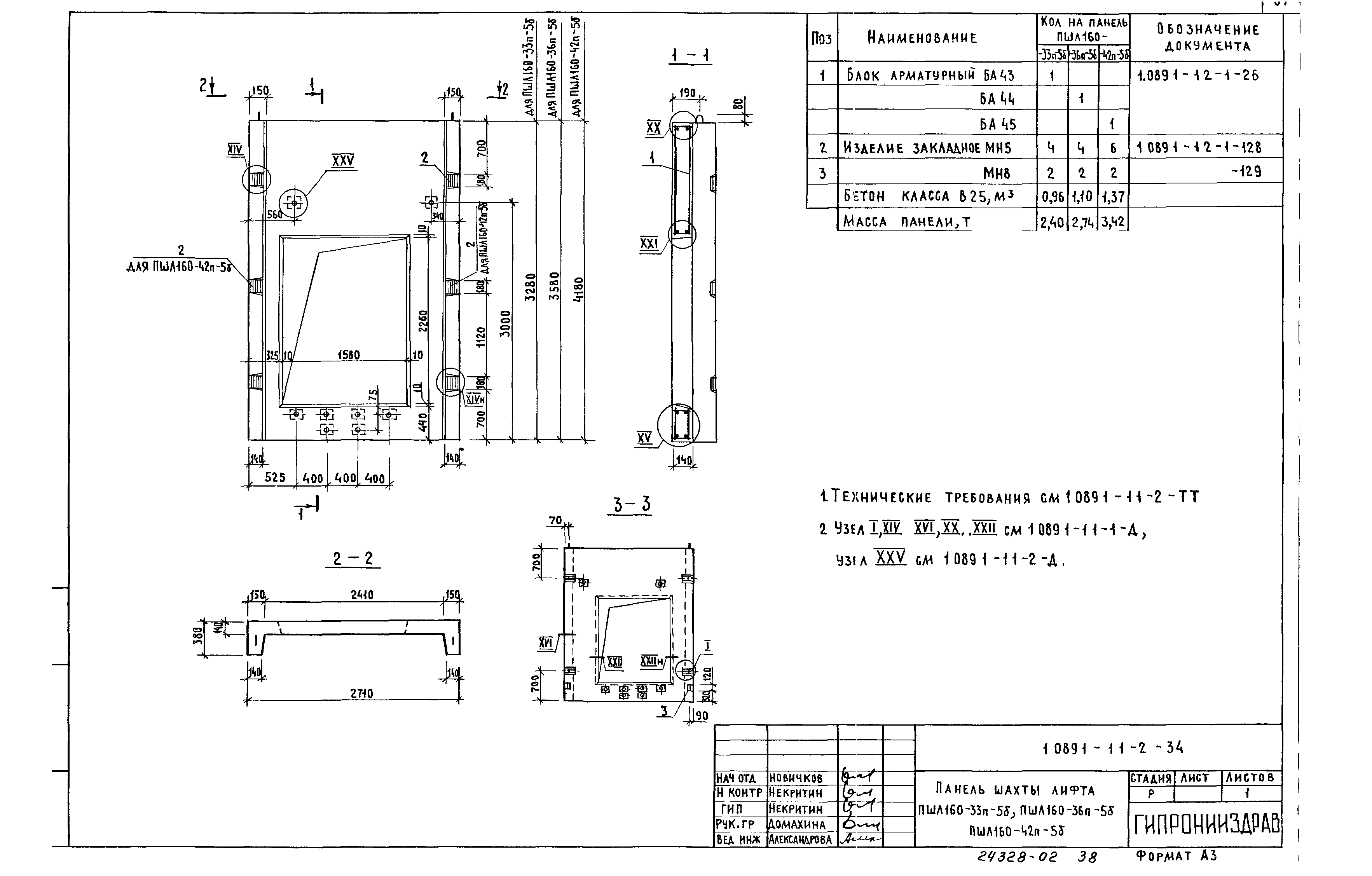
1.089.1-1.1-2-34 Панель шахты лифта ПШЛ160-33п-5б;ПШЛ160-36п-5б;ПШЛ160-42п-5б
1.089.1-1.1-2-35 Блок шахты лифта БШЛ63-30-3б;БШЛ63-30-5б
1.089.1-1.1-2-36 Блок шахты лифта БШЛ63-30-4б;БШЛ63-30-6б
1.089.1-1.1-2-37 Блок шахты лифта БШЛ100-30-3б;БШЛ100-30-5б
1.089.1-1.1-2-38 Блок шахты лифта БШЛ100-30-4б;БШЛ100-30-6б
1.089.1-1.1-2-39 Блок шахты лифта БШЛ100-30п-3б
1.089.1-1.1-2-40 Блок шахты лифта БШЛ100-30п-4б
1.089.1-1.1-2-41 Блок шахты лифта БШЛ63-12-2б
1.089.1-1.1-2-42 Блок шахты лифта БШЛ63-12-3б
1.089.1-1.1-2-43 Блок шахты лифта БШЛ100-12-2б
1.089.1-1.1-2-44 Блок шахты лифта БШЛ100-12-3б
1.089.1-1.1-2-45 Блок шахты лифта БШЛ100-12п-2б;БШЛ100-12п-4б
1.089.1-1.1-2-46 Блок шахты лифта БШЛ100-12п-3б;БШЛ100-12п-5б
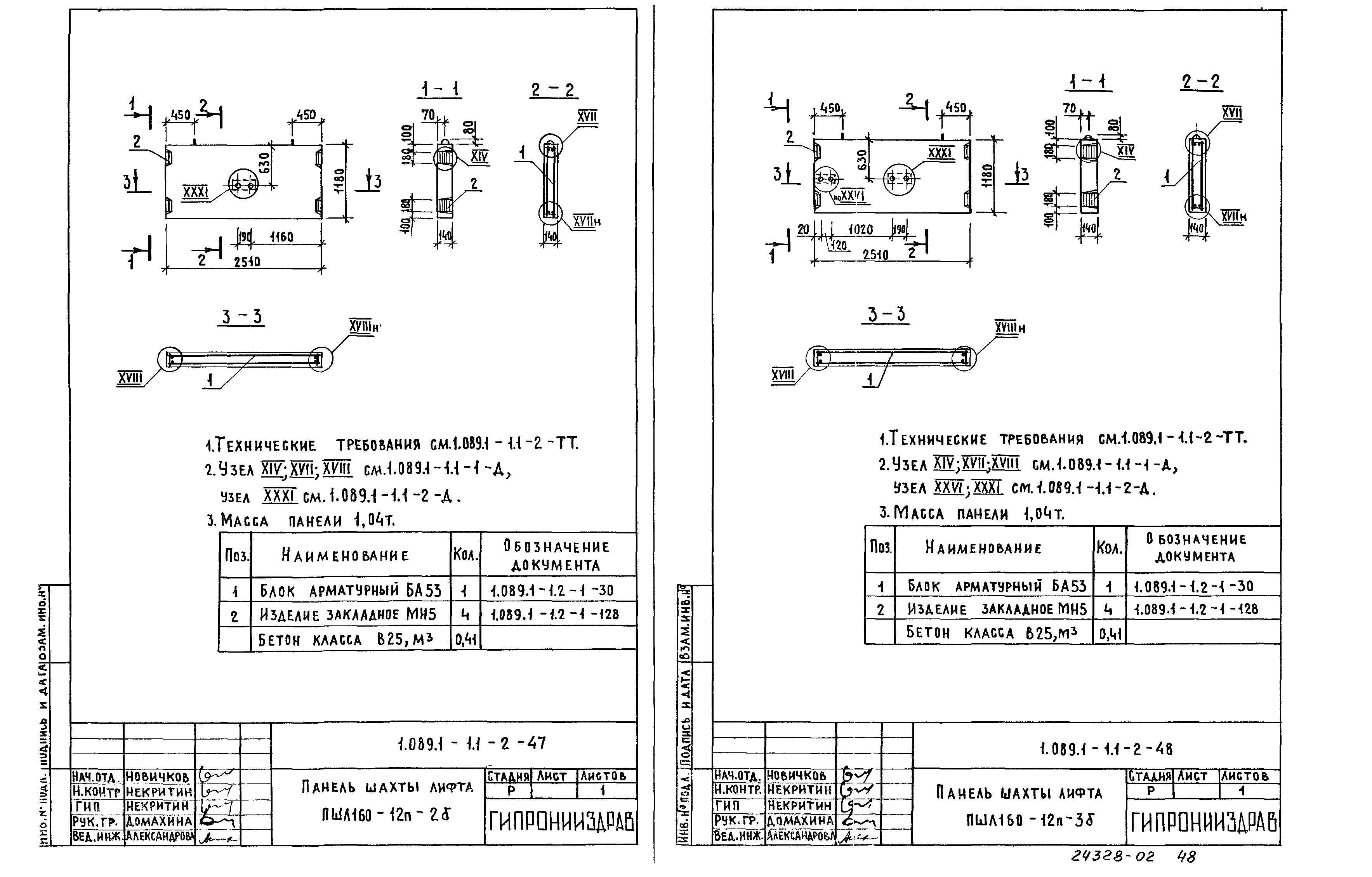
1.089.1-1.1-2-47 Панель шахты лифта ПШЛ160-12п-2б
1.089.1-1.1-2-48 Панель шахты лифта ПШЛ160-12п-3б
1.089.1-1.1-2-Д Узел 24…31
1.089.1-1.1-2-РС Ведомость расхода стали
Разработан: ГипроНИИздрав Минздрава СССР
Утверждён:13.03.1990 ГипроНИИздрав (GiproNIIzdrav 11)
Главоргпроект Госстроя СССР
Издан: ЦИТП Госстроя СССР (CITP, Gosstroy (USSR) 1990 г. )
Расположен в:Техническая документация Строительство Справочные документы Типовые строительные конструкции, изделия и узлы Общероссийский строительный каталог Строительные конструкции, изделия и узлы зданий и сооружений для всех видов строительства Конструкции, изделия и узлы зданий Несущие конструкции двухэтажных и многоэтажных зданий Шахты лифтов
Серия 1.089.1-1Серия 1.089.1-1Серия 1.089.1-1Серия 1.089.1-1Серия 1.089.1-1Серия 1.089.1-1Серия 1.089.1-1Серия 1.089.1-1Серия 1.089.1-1Серия 1.089.1-1Серия 1.089.1-1Серия 1.089.1-1Серия 1.089.1-1Серия 1.089.1-1Серия 1.089.1-1Серия 1.089.1-1Серия 1.089.1-1Серия 1.089.1-1Серия 1.089.1-1Серия 1.089.1-1Серия 1.089.1-1Серия 1.089.1-1Серия 1.089.1-1Серия 1.089.1-1Серия 1.089.1-1Серия 1.089.1-1Серия 1.089.1-1Серия 1.089.1-1Серия 1.089.1-1Серия 1.089.1-1Серия 1.089.1-1Серия 1.089.1-1Серия 1.089.1-1Серия 1.089.1-1Серия 1.089.1-1Серия 1.089.1-1Серия 1.089.1-1Серия 1.089.1-1Серия 1.089.1-1Серия 1.089.1-1Серия 1.089.1-1Серия 1.089.1-1Серия 1.089.1-1Серия 1.089.1-1Серия 1.089.1-1Серия 1.089.1-1Серия 1.089.1-1Серия 1.089.1-1Серия 1.089.1-1Серия 1.089.1-1Серия 1.089.1-1Серия 1.089.1-1

© 2013 Ёшкин Кот :-) Карта сайта