Информационная система
«Ёшкин Кот»

Скачать базу одним архивом
Скачать обновления
История создания базы
Карта сайта

Скачать Серия 1.089.1-1 Выпуск 1-1. Блоки шахт пассажирских лифтов по ГОСТ 5746-83 и плиты перекрытий. Рабочие чертежи

Дата актуализации: 10.08.2017

Серия 1.089.1-1

Выпуск 1-1. Блоки шахт пассажирских лифтов по ГОСТ 5746-83 и плиты перекрытий. Рабочие чертежи

Обозначение: Серия 1.089.1-1
Обозначение англ: Series 1.089.1-1
Статус:не определен законодательством
Название рус.:Выпуск 1-1. Блоки шахт пассажирских лифтов по ГОСТ 5746-83 и плиты перекрытий. Рабочие чертежи
Дата добавления в базу:01.09.2013
Дата актуализации:05.05.2017
Дата введения:01.01.1990
Оглавление:1.089.1-1.1-1-ТТ Технические требования
1.089.1-1.1-1-01 Блок шахты лифта БШЛ63-30-1
1.089.1-1.1-1-02 Блок шахты лифта БШЛ63-33-1
1.089.1-1.1-1-03 Блок шахты лифта БШЛ63-36-1;БШЛ63-42-1
1.089.1-1.1-1-04 Блок шахты лифта БШЛ63-30-2
1.089.1-1.1-1-05 Блок шахты лифта БШЛ63-33-2
1.089.1-1.1-1-06 Блок шахты лифта БШЛ63-36-2;БШЛ63-42-2
1.089.1-1.1-1-07 Блок шахты лифта БШЛ100-30-1
1.089.1-1.1-1-08 Блок шахты лифта БШЛ100-33-1
1.089.1-1.1-1-09 Блок шахты лифта БШЛ100-36-1;БШЛ100-42-1
1.089.1-1.1-1-10 Блок шахты лифта БШЛ100-30-2
1.089.1-1.1-1-11 Блок шахты лифта БШЛ100-33-2
1.089.1-1.1-1-12 Блок шахты лифта БШЛ100-36-2;БШЛ100-42-2
1.089.1-1.1-1-13 Блок шахты лифта БШЛ100-30п-1
1.089.1-1.1-1-14 Блок шахты лифта БШЛ100-33п-1;БШЛ100-36п-1;БШЛ100-42п-1
1.089.1-1.1-1-15 Блок шахты лифта БШЛ100-30п-2
1.089.1-1.1-1-16 Блок шахты лифта БШЛ100-33п-2;БШЛ100-36п-2;БШЛ100-42п-2
1.089.1-1.1-1-17 Блок шахты лифта БШЛ636-33-1
1.089.1-1.1-1-18 Блок шахты лифта БШЛ366-36-1;БШЛ636-42-1
1.089.1-1.1-1-19 Блок шахты лифта БШЛ636-42-3
1.089.1-1.1-1-20 Блок шахты лифта БШЛ636-33-2
1.089.1-1.1-1-21 Блок шахты лифта БШЛ636-36-2;БШЛ636-42-2
1.089.1-1.1-1-22 Блок шахты лифта БШЛ636-42-4
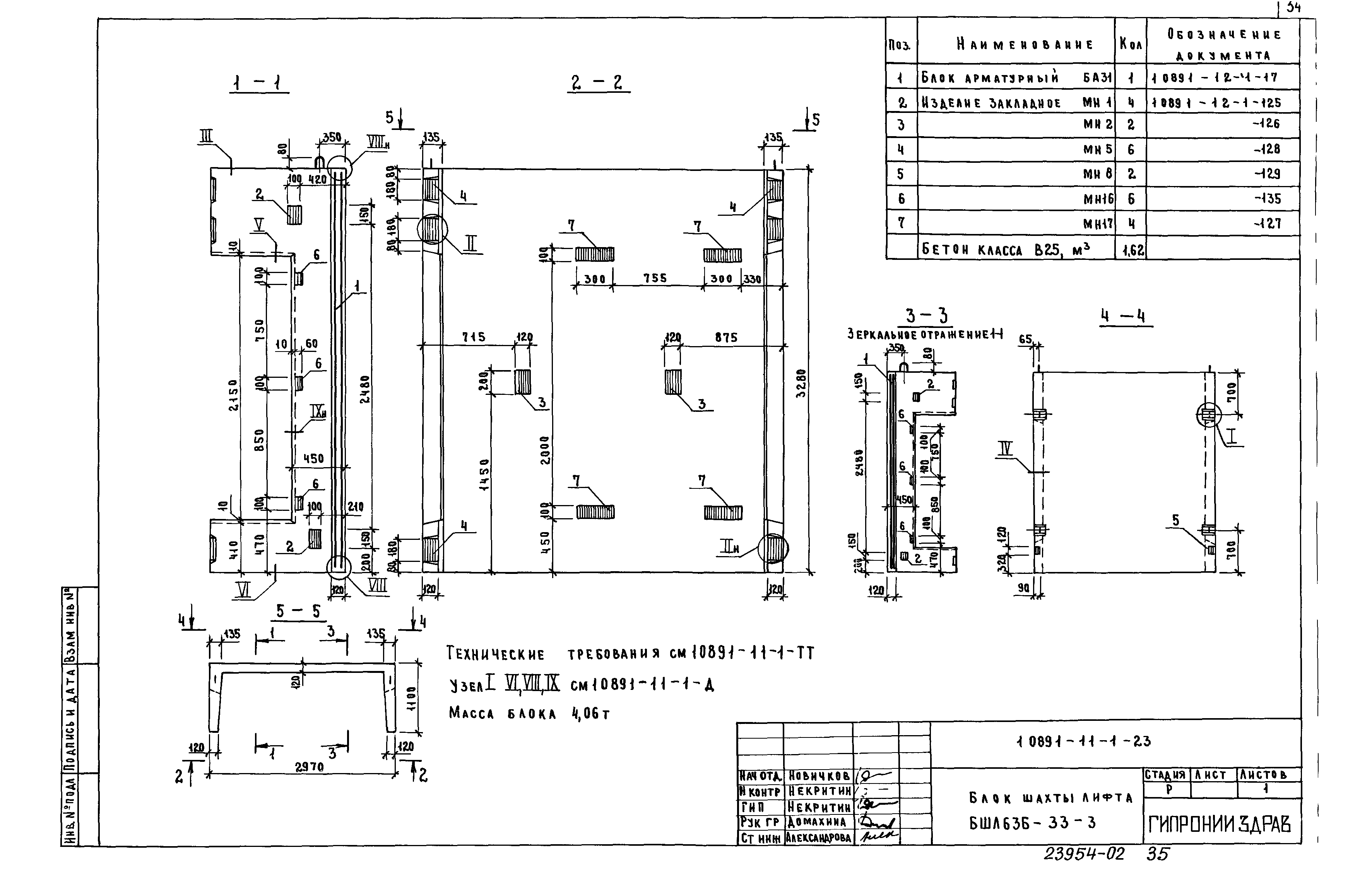
1.089.1-1.1-1-23 Блок шахты лифта БШЛ636-33-3
1.089.1-1.1-1-24 Блок шахты лифта БШЛ636-36-3;БШЛ636-42-5
1.089.1-1.1-1-25 Блок шахты лифта БШЛ636-42-7
1.089.1-1.1-1-26 Блок шахты лифта БШЛ636-33-4
1.089.1-1.1-1-27 Блок шахты лифта БШЛ636-36-4;БШЛ636-42-6
1.089.1-1.1-1-28 Блок шахты лифта БШЛ636-42-8
1.089.1-1.1-1-29 Панель шахты лифта ПШЛ160-33п-1;ПШЛ160-36п-1;ПШЛ160-42п-1
1.089.1-1.1-1-30 Панель шахты лифта ПШЛ160-33п-2
1.089.1-1.1-1-31 Панель шахты лифта ПШЛ160-36п-2;ПШЛ160-42п-2
1.089.1-1.1-1-32 Панель шахты лифта ПШЛ160-33п-3;ПШЛ160-36п-3;ПШЛ160-42п-3
1.089.1-1.1-1-33 Панель шахты лифта ПШЛ160-33п-4
1.089.1-1.1-1-34 Панель шахты лифта ПШЛ160-36п-4;ПШЛ160-42п-4
1.089.1-1.1-1-35 Панель шахты лифта ПШЛ160-33п-5;ПШЛ160-36п-5;ПШЛ160-42п-5
1.089.1-1.1-1-36 Блок шахты лифта БШЛ63-30-3;БШЛ63-30-5
1.089.1-1.1-1-37 Блок шахты лифта БШЛ63-30-4;БШЛ63-30-6
1.089.1-1.1-1-38 Блок шахты лифта БШЛ100-30-3;БШЛ100-30-5
1.089.1-1.1-1-39 Блок шахты лифта БШЛ100-30-4;БШЛ100-30-6
1.089.1-1.1-1-40 Блок шахты лифта БШЛ100-30п-3
1.089.1-1.1-1-41 Блок шахты лифта БШЛ100-30п-4
1.089.1-1.1-1-42 Блок шахты лифта БШЛ63-12-1
1.089.1-1.1-1-43 Блок шахты лифта БШЛ63-12-2
1.089.1-1.1-1-44 Блок шахты лифта БШЛ63-12-3
1.089.1-1.1-1-45 Блок шахты лифта БШЛ100-12-1
1.089.1-1.1-1-46 Блок шахты лифта БШЛ100-12-2
1.089.1-1.1-1-47 Блок шахты лифта БШЛ100-12-3
1.089.1-1.1-1-48 Блок шахты лифта БШЛ100-12п-1
1.089.1-1.1-1-49 Блок шахты лифта БШЛ100-12п-2;БШЛ100-12п-4
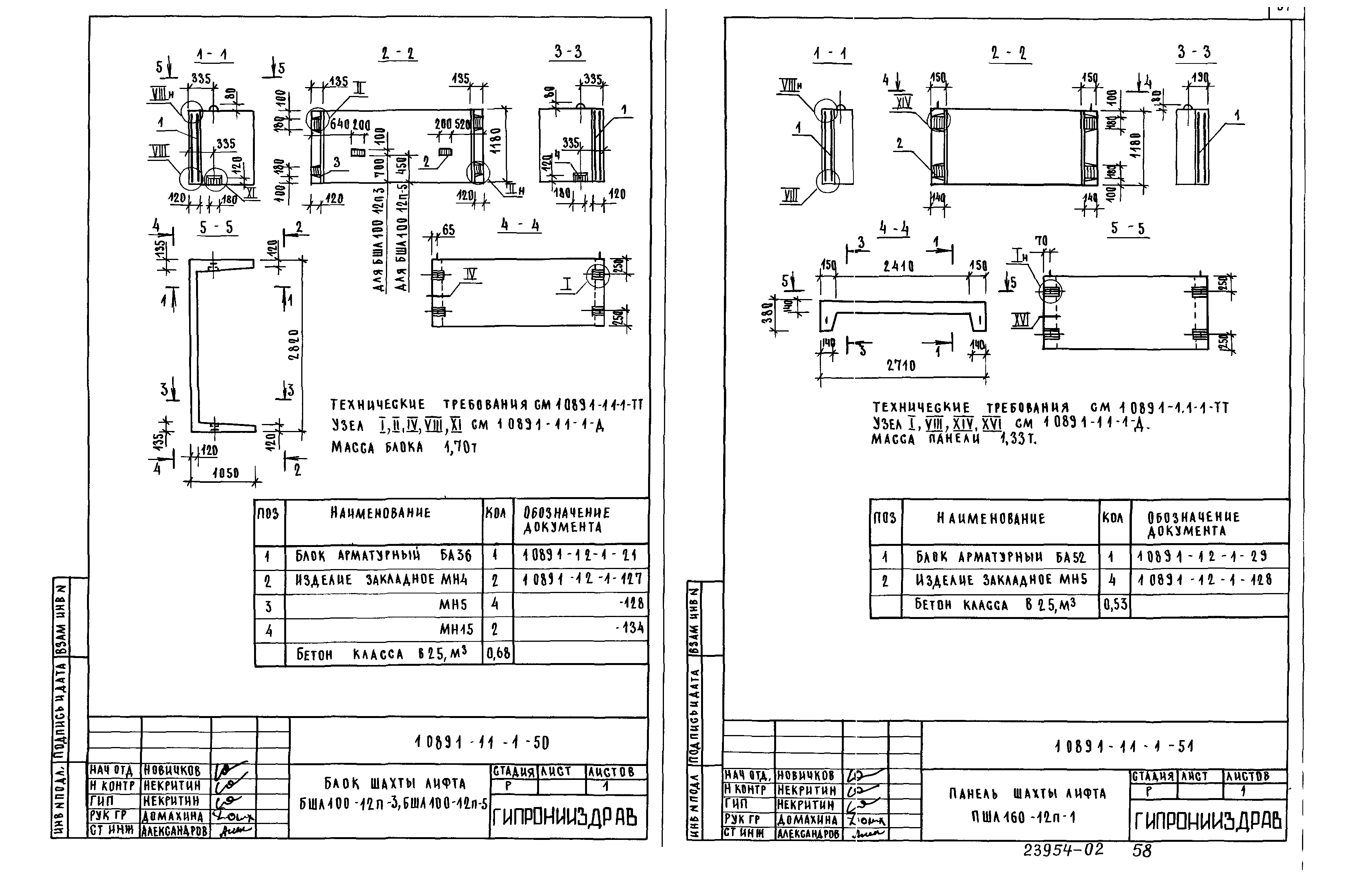
1.089.1-1.1-1-50 Блок шахты лифта БШЛ100-12п-3;БШЛ100-12п-5
1.089.1-1.1-1-51 Панель шахты лифта ПШЛ160-12п-1
1.089.1-1.1-1-52 Панель шахты лифта ПШЛ160-12п-2
1.089.1-1.1-1-53 Панель шахты лифта ПШЛ160-12п-3
1.089.1-1.1-1-54 Панель шахты лифта ПШЛ63-20.23.2
1.089.1-1.1-1-55 Панель шахты лифта ПШЛ63-20.23.2-1
1.089.1-1.1-1-56 Панель шахты лифта ПШЛ100-26.23.2
1.089.1-1.1-1-57 Панель шахты лифта ПШЛ100-26.23.2-1
1.089.1-1.1-1-58 Панель шахты лифта ПШЛ100-21.28.2п
1.089.1-1.1-1-59 Панель шахты лифта ПШЛ100-21.28.2п-1
1.089.1-1.1-1-60 Панель шахты лифта ПШЛ160-27.33.2п
1.089.1-1.1-1-61 Панель шахты лифта ПШЛ636-22.309.2
1.089.1-1.1-1-Д Узел 1…24
1.089.1-1.1-1-РС Ведомость расхода стали
Разработан: ГипроНИИздрав Минздрава СССР
Утверждён:21.09.1989 Госстрой СССР (Государственный комитет Совета Министров СССР по делам строительства) (USSR Gosstroy 4/5-1261)
Расположен в:Техническая документация Строительство Справочные документы Типовые строительные конструкции, изделия и узлы Общероссийский строительный каталог Строительные конструкции, изделия и узлы зданий и сооружений для всех видов строительства Конструкции, изделия и узлы зданий Несущие конструкции двухэтажных и многоэтажных зданий Шахты лифтов
Серия 1.089.1-1Серия 1.089.1-1Серия 1.089.1-1Серия 1.089.1-1Серия 1.089.1-1Серия 1.089.1-1Серия 1.089.1-1Серия 1.089.1-1Серия 1.089.1-1Серия 1.089.1-1Серия 1.089.1-1Серия 1.089.1-1Серия 1.089.1-1Серия 1.089.1-1Серия 1.089.1-1Серия 1.089.1-1Серия 1.089.1-1Серия 1.089.1-1Серия 1.089.1-1Серия 1.089.1-1Серия 1.089.1-1Серия 1.089.1-1Серия 1.089.1-1Серия 1.089.1-1Серия 1.089.1-1Серия 1.089.1-1Серия 1.089.1-1Серия 1.089.1-1Серия 1.089.1-1Серия 1.089.1-1Серия 1.089.1-1Серия 1.089.1-1Серия 1.089.1-1Серия 1.089.1-1Серия 1.089.1-1Серия 1.089.1-1Серия 1.089.1-1Серия 1.089.1-1Серия 1.089.1-1Серия 1.089.1-1Серия 1.089.1-1Серия 1.089.1-1Серия 1.089.1-1Серия 1.089.1-1Серия 1.089.1-1Серия 1.089.1-1Серия 1.089.1-1Серия 1.089.1-1Серия 1.089.1-1Серия 1.089.1-1Серия 1.089.1-1Серия 1.089.1-1Серия 1.089.1-1Серия 1.089.1-1Серия 1.089.1-1Серия 1.089.1-1Серия 1.089.1-1Серия 1.089.1-1Серия 1.089.1-1Серия 1.089.1-1Серия 1.089.1-1Серия 1.089.1-1Серия 1.089.1-1Серия 1.089.1-1Серия 1.089.1-1Серия 1.089.1-1Серия 1.089.1-1Серия 1.089.1-1Серия 1.089.1-1Серия 1.089.1-1Серия 1.089.1-1Серия 1.089.1-1Серия 1.089.1-1Серия 1.089.1-1

© 2013 Ёшкин Кот :-) Карта сайта