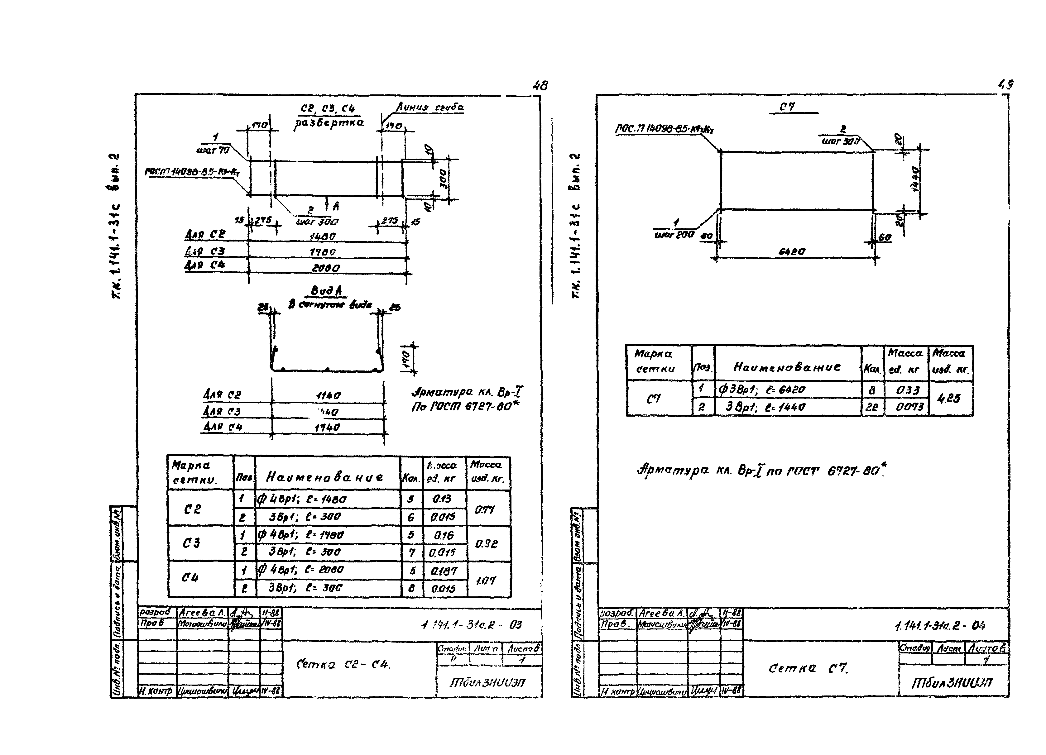
Скачать Серия 1.141.1-31с Выпуск 2. Предварительно напряженные плиты с круглыми пустотами, армированные стержнями из стали класса Ат-V, длиной 6460 мм, шириной 990, 1190, 1490 и 1790 мм для строительства в районах сейсмичностью 7 баллов. Метод натяжения электротермический. Рабочие чертежиДата актуализации: 10.08.2017 Серия 1.141.1-31с
Выпуск 2. Предварительно напряженные плиты с круглыми пустотами, армированные стержнями из стали класса Ат-V, длиной 6460 мм, шириной 990, 1190, 1490 и 1790 мм для строительства в районах сейсмичностью 7 баллов. Метод натяжения электротермический. Рабочие чертежиОбозначение: | Серия 1.141.1-31с | Обозначение англ: | Series 1.141.1-31с | Статус: | не определен законодательством | Название рус.: | Выпуск 2. Предварительно напряженные плиты с круглыми пустотами, армированные стержнями из стали класса Ат-V, длиной 6460 мм, шириной 990, 1190, 1490 и 1790 мм для строительства в районах сейсмичностью 7 баллов. Метод натяжения электротермический. Рабочие чертежи | Дата добавления в базу: | 01.09.2013 | Дата актуализации: | 05.05.2017 | Дата введения: | 01.02.1989 | Разработан: | ТбилЗНИИЭП
| Утверждён: | 29.12.1988 Госкомархитектура (357)
| Расположен в: |
|
                          
|