| ||||||||||||||||||||||||||||||
Скачать Серия 1.041.1-5 Выпуск 3.0. Дополнительные арматурные изделия для связевых плит. Рабочие чертежиДата актуализации: 10.08.2017
|
| Обозначение: | Серия 1.041.1-5 |
| Обозначение англ: | Series 1.041.1-5 |
| Статус: | не определен законодательством |
| Название рус.: | Выпуск 3.0. Дополнительные арматурные изделия для связевых плит. Рабочие чертежи |
| Дата добавления в базу: | 01.09.2013 |
| Дата актуализации: | 05.05.2017 |
| Дата введения: | 01.03.1994 |
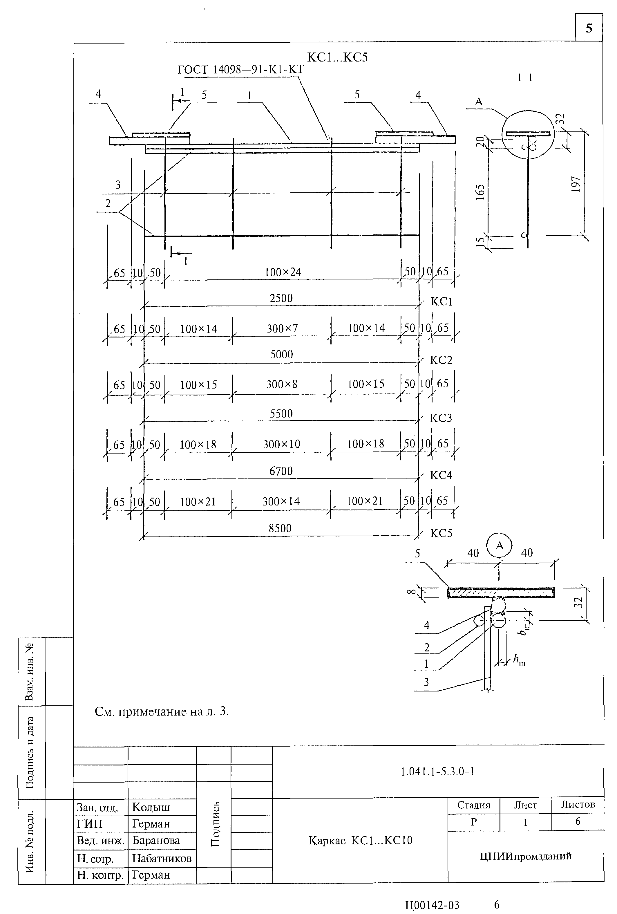
| Область применения: | Выпуск содержит сводные рабочие чертежи дополнительных арматурных изделий для связевых крайних (пристенных) и средних плит и предназначен для выбора технологического оборудования, налаживания арматурного производства на заводе или на централизованном предприятии по изготовлению товарной продукции, общего ознакомления с разработанными изделиями. |
| Оглавление: | 1.041.1-5.3.0-ТТ Технические требования 1.041.1-5.3.0-1 Каркас КС1…КС10 1.041.1-5.3.0-2 Сетка СР1…СР6-2 1.041.1-5.3.0-3 Сетка СН1-1…СН18-2 |
| Разработан: | ЦНИИпромзданий МГСУ Минвуза РФ НИИЖБ |
| Утверждён: | 15.12.1993 Главпроект Госстроя России (9-3-2/284) |
| Расположен в: | |
| Нормативные ссылки: |
|
























