| ||||||||||||||||||||||||||||||||||
Скачать Серия 1.030.1-1 Выпуск 1-2. Часть 1. Панели из легких и ячеистых бетонов. Пространственные каркасы. Рабочие чертежиДата актуализации: 10.08.2017
|
| Обозначение: | Серия 1.030.1-1 |
| Обозначение англ: | Series 1.030.1-1 |
| Статус: | заменен |
| Название рус.: | Выпуск 1-2. Часть 1. Панели из легких и ячеистых бетонов. Пространственные каркасы. Рабочие чертежи |
| Дата добавления в базу: | 01.09.2013 |
| Дата актуализации: | 05.05.2017 |
| Дата введения: | 17.03.1989 |
| Область применения: | Выпуск 1-2 "Панели из легких и ячеистых бетонов. Пространственные арматурные каркасы" входит в состав серии 1.030.1-1 "Стены наружные из однослойных панелей межвидового применения для каркасных общественных зданий, производственных и вспомогательных зданий промышленных предприятий". Выпуск содержит: техническое описание, спецификации и сборочные чертежи пространственных арматурных каркасов, арматурные узлы |
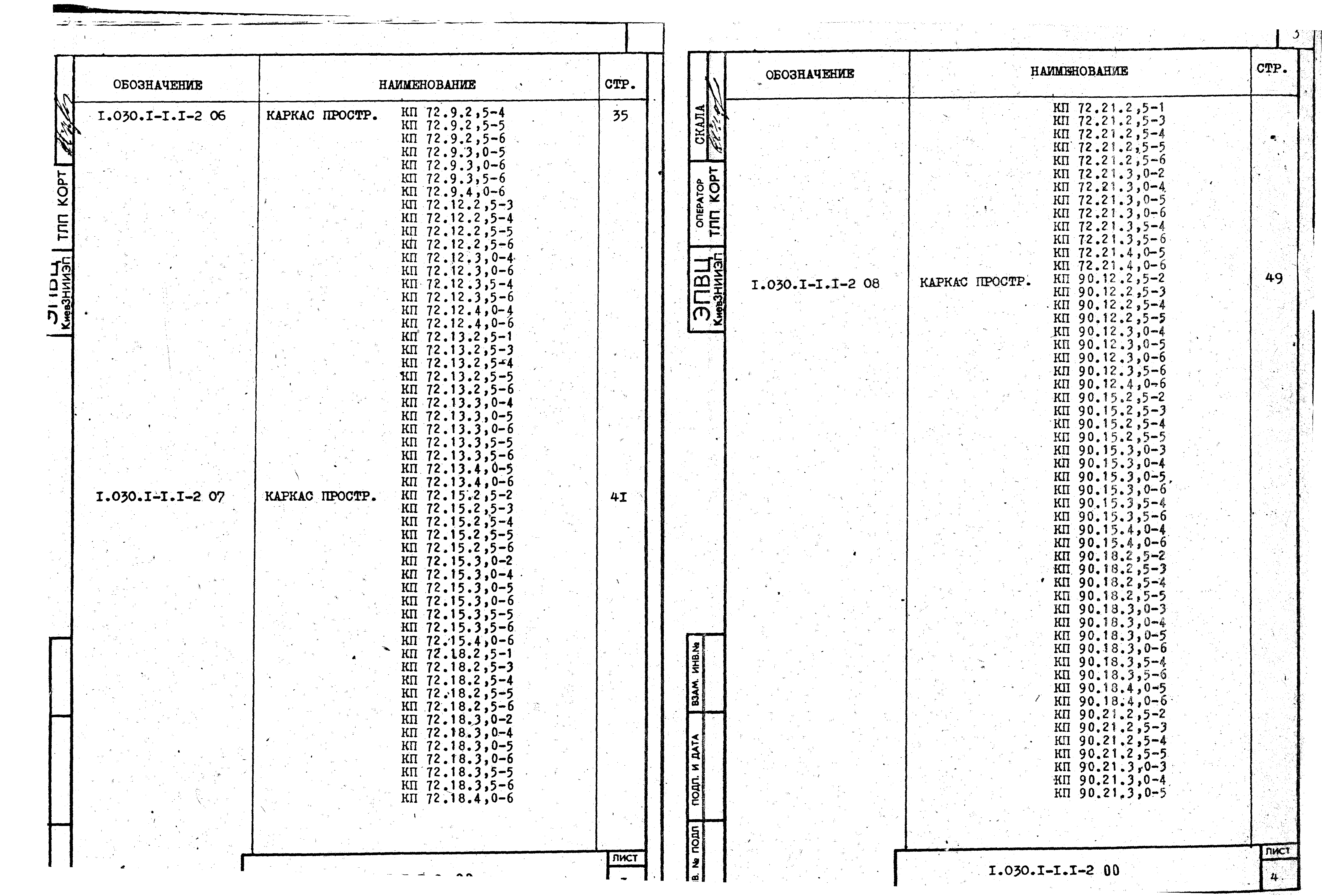
| Оглавление: | 1.030.1-1.1-2 00ТО Техническое описание 1.030.1-1.1-2 01 Каркас простр. КП 30.6.2,5-6; КП 30.6.3,0-6; КП 30.6.3,5-6; КП 30.6.4,0-6; КП 30.9.2,0-6; КП 30.9.2,5-6; КП 30.9.3,0-6; КП 30.9.3,5-6; КП 30.9.4,0-6; КП 30.12.2,0-6; КП 30.12.2,5-6; КП 30.12.3,0; КП 30.12.3,5-6; КП 30.12.4,0-6; КП 30.13.2,5-6; КП 30.13.3,0; КП 30.13.3,5-6; КП 30.13.4,0-6 1.030.1-1.1-2 02 Каркас простр. КП 30.15.2,5-6; КП 30.15.3,0-6; КП 30.15.3,5-6; КП 30.15.4,0-6; КП 30.18.2,0-6; КП 30.18.2,5-6; КП 30.18.3,0-6; КП 30.18.3,5-6; КП 30.18.4,0-6; КП 30.21.2,5-6; КП 30.21.3,0-6; КП 30.21.3,5-6; КП 30.21.4,0-6 1.030.1-1.1-2 03 Каркас простр. КП 60.6.2,5-6; КП 60.6.3,0-6; КП 60.6.3,5-6; КП 60.6.4,0-4; КП 60.6.4,0-6; КП 60.9.2,0-2; КП 60.9.2,0-4; КП 60.9.2,0-6; КП 60.9.2,5-2; КП 60.9.2,5-4; КП 60.9.2,5-6; КП 60.9.3,0-6; КП 60.9.3,5-6; КП 60.9.4,0-6 1.030.1-1.1-2 04 Каркас простр. КП 60.12.2,0-2; КП 60.12.2,0-4; КП 60.12.2,0-6; КП 60.12.2,5-3; КП 60.12.2,5-5; КП 60.12.2,5-6; КП 60.12.3,0-6; КП 60.12.3,5-6; КП 60.12.4,0-6; КП 60.13.2,5-2; КП 60.13.2,5-5; КП 60.13.2,5-6; КП 60.13.3,0-3; КП 60.13.3,0-6; КП 60.13.3,5-6; КП 60.13.4,0-6 1.030.1-1.1-2 05 Каркас простр. КП 60.15.2,0-2; КП 60.15.2,0-3; КП 60.15.2,0-4; КП 60.15.2,0-5; КП 60.15.2,0-6; КП 60.15.2,5-2; КП 60.15.2,5-5; КП 60.15.2,5-6; КП 60.15.3,0-3; КП 60.15.3,0-6; КП 60.15.3,5-6; КП 60.15.4,0-6; КП 60.18.2,0-1; КП 60.18.2,0-3; КП 60.18.2,0-4; КП 60.18.2,0-5; КП 60.18.2,0-6; КП 60.18.2,5-2; КП 60.18.2,5-4; КП 60.18.2,5-6; КП 60.18.3,0-2; КП 60.18.3,5-6; КП 60.18.4,0-6; КП 60.21.2,5-1; КП 60.21.2,5-4; КП 60.21.2,5-6; КП 60.21.3,0-2; КП 60.21.3,0-5; КП 60.21.3,0-6; КП 60.21.3,5-6; КП 60.21.4,0-6 1.030.1-1.1-2 06 Каркас простр. КП 72.9.2,5-4; КП 72.9.2,5-5; КП 72.9.2,5-6; КП 72.9.3,0-5; КП 72.9.3,0-6; КП 72.9.3,5-6; КП 72.9.4,0-6; КП 72.12.2,5-3; КП 72.12.2,5-4; КП 72.12.2,5-5; КП 72.12.2,5-6; КП 72.12.3,0-4; КП 72.12.3,0-6; КП 72.12.3,5-4; КП 72.12.3,5-6; КП 72.12.4,0-4; КП 72.12.4,0-6; КП 72.13.2,5-1; КП 72.13.2,5-3; КП 72.13.2,5-4; КП 72.13.2,5-5; КП 72.13.2,5-6; КП 72.13.3,0-4; КП 72.13.3,0-5; КП 72.13.3,0-6; КП 72.13.3,5-5; КП 72.13.3,5-6;КП 72.13.4,0-5; КП 72.13.4,0-6 1.030.1-1.1-2 07 Каркас простр. КП 72.15.2,5-2; КП 72.15.2,5-3; КП 72.15.2,5-4; КП 72.15.2,5-5; КП 72.15.2,5-6; КП 72.15.3,0-2; КП 72.15.3,0-4; КП 72.15.3,0-5; КП 72.15.3,0-6; КП 72.15.3,5-5; КП 72.15.3,5-6; КП 72.15.4,0-6; КП 72.18.2,5-1; КП 72.18.2,5-3; КП 72.18.2,5-4; КП 72.18.2,5-5; КП 72.18.2,5-6; КП 72.18.3,0-2; КП 72.18.3,0-4; КП 72.18.3,0-5; КП 72.18.3,0-6; КП 72.18.3,5-5; КП 72.18.3,5-6; КП 72.18.4,0-6; КП 72.21.2,5-1; КП 72.21.2,5-3; КП 72.21.2,5-4; КП 72.21.2,5-5; КП 72.21.2,5-6; КП 72.21.3,0-2; КП 72.21.3,0-4; КП 72.21.3,0-5; КП 72.21.3,0-6; КП 72.21.3,5-4; КП 72.21.3,5-6; КП 72.21.4,0-5; КП 72.21.4,0-6 1.030.1-1.1-2 08 Каркас простр. КП 90.12.2,5-2; КП 90.12.2,5-3; КП 90.12.2,5-4; КП 90.12.2,5-5; КП 90.12.3,0-4; КП 90.12.3,0-5; КП 90.12.3,0-6; КП 90.12.3,5-6; КП 90.12.4,0-6; КП 90.15.2,5-2; КП 90.15.2,5-3; КП 90.15.2,5-4; КП 90.15.2,5-5; КП 90.15.3,0-3; КП 90.15.3,0-4; КП 90.15.3,0-5; КП 90.15.3,0-6; КП 90.15.3,5-4; КП 90.15.3,5-6; КП 90.15.4,0-4; КП 90.15.4,0-6; КП 90.18.2,5-2; КП 90.18.2,5-3; КП 90.18.2,5-4; КП 90.18.2,5-5; КП 90.18.3,0-3; КП 90.18.3,0-4; КП 90.18.3,0-5; КП 90.18.3,0-6; КП 90.18.3,5-4; КП 90.18.3,5-6; КП 90.18.4,0-5; КП 90.18.4,0-6; КП 90.21.2,5-2; КП 90.21.2,5-3; КП 90.21.2,5-4; КП 90.21.2,5-5; КП 90.21.3,0-3; КП 90.21.3,0-4; КП 90.21.3,0-5; КП 90.21.3,0-6; КП 90.21.3,5-4; КП 90.21.3,5-5; КП 90.21.3,5-6; КП 90.21.4,0-4; КП 90.21.4,0-6 1.030.1-1.1-2 09 Каркас простр. КП 60.6.2,5-8; КП 60.6.3,0-8; КП 60.6.3,5-8; КП 60.6.4,0-8 1.030.1-1.1-2 10 Каркас простр. КП 62.5.9.2,0-2; КП 62.5.9.2,0-4; КП 62.5.9.2,0-6; КП 62.5.12.2,0-2; КП 62.5.12.2,0-4; КП 62.5.12.2,0-6; КП 62.5.18.2,0-1; КП 62.5.18.2,0-3; КП 62.5.18.2,0-4; КП 62.5.18.2,0-5; КП 62.5.18.2,0-6; 1.030.1-1.1-2 11 Каркас простр. КП 63.9.2,5-2; КП 63.9.2,5-4; КП 63.9.2,5-6; КП 63.12.2,5-3; КП 63.12.2,5-5; КП 63.12.2,5-6; КП 63.18.2,5-2; КП 63.18.2,5-4; КП 63.18.2,5-6 1.030.1-1.1-2 12 Каркас простр. КП 63.5.9.3,0-6; КП 63.5.12.3,0-3; КП 63.5.12.3,0-6; КП 63.5.18.3,0-2; КП 63.5.18.3,0-6 1.030.1-1.1-2 13 Каркас простр. КП 64.9.3,5-6; КП 64.12.3,5-6; КП 64.18.3,5-6 1.030.1-1.1-2 14 Каркас простр. КП 65.9.2,0-2; КП 65.9.2,0-4; КП 65.9.2,0-6; КП 65.12.2,0-2; КП 65.12.2,0-4; КП 65.12.2,0-6; КП 65.18.2,0-1; КП 65.18.2,0-3; КП 65.18.2,0-4; КП 65.18.2,0-5; КП 65.18.2,0-6 1.030.1-1.1-2 15 Каркас простр. КП 65.5.9.2,5-2; КП 65.5.9.2,5-4; КП 65.5.9.2,5-6; КП 65.5.12.2,5-3; КП 65.5.12.2,5-5; КП 65.5.12.2,5-6; КП 65.5.18.2,5-2; КП 65.5.18.2,5-4; КП 65.5.18.2,5-6 1.030.1-1.1-2 16 Каркас простр. КП 66.9.3,0-3; КП 66.12.3,0-3; КП 66.12.3,0-6; КП 66.18.3,0-2; КП 66.18.3,0-6 1.030.1-1.1-2 17 Каркас простр. КП 66.5.9.3,5-6; КП 66.5.12.3,5-6; КП 66.5.18.3,5-6 1.030.1-1.1-2 18 Каркас простр. КП 27.6.2,5-6-1; КП 27.6.3,0-6-1; КП 27.6.3,5-6-1; КП 27.6.4,0-6-1; КП 27.5.6.2,5-6-1; КП 27.5.6.3,0-6-1; КП 27.5.6.3,5-6-1; КП 27.5.6.4,0-6-1 1.030.1-1.1-2 19 Каркас простр. КП 27.9.2,5-6-1; КП 27.9.3,0-6-1; КП 27.9.3,5-6-1; КП 27.9.4,0-6-1; КП 27.12.2,5-6-1; КП 27.12.3,0-6-1; КП 27.12.3,5-6-1; КП 27.12.4,0-6-1; КП 27.13.2,5-6-1; КП 27.13.3,0-6-1; КП 27.13.3,5-6-1; КП 27.13.4,0-6-1; КП 27.15.2,5-6-1; КП 27.15.3,0-6-1; КП 27.15.3,5-6-1; КП 27.15.4,0-6-1; КП 27.18.2,5-6-1; КП 27.18.3,0-6-1; КП 27.18.3,5-6-1; КП 27.18.4,0-6-1; КП 27.21.2,5-6-1; КП 27.21.3,0-6-1; КП 27.21.3,5-6-1; КП 27.21.4,0-6-1 1.030.1-1.1-2 20 Каркас простр. КП 27.5.9.2,5-6-1; КП 27.5.9.3,0-6-1; КП 27.5.9.3,5-6-1; КП 27.5.9.4,0-6-1; КП 27.5.12.2,5-6-1; КП 27.5.12.3,0-6-1; КП 27.5.12.3,5-6-1; КП 27.5.12.4,0-6-1; КП 27.5.13.2,5-6-1; КП 27.5.13.3,0-6-1; КП 27.5.13.3,5-6-1; КП 27.5.13.4,0-6-1; КП 27.5.15.2,5-6-1; КП 27.5.15.3,0-6-1; КП 27.5.15.3,5-6-1; КП 27.5.15.4,0-6-1; КП 27.5.18.2,5-6-1; КП 27.5.18.3,0-6-1; КП 27.5.18.3,5-6-1; КП 27.5.18.4,0-6-1; КП 27.5.21.2,5-6-1; КП 27.5.21.3,0-6-1; КП 27.5.21.3,5-6-1; КП 27.5.21.4,0-6-1; 1.030.1-1.1-2 21 Каркас простр. КП 57.6.2,5-6-1; КП 57.6.3,0-6-1; КП 57.6.3,5-6-1; КП 57.6.4,0-6-1; КП 57.5.6.2,5-6-1; КП 57.5.6.3,0-6-1; КП 57.5.6.3,5-6-1; КП 57.5.6.4,0-6-1 1.030.1-1.1-2 22 Каркас простр. КП 57.9.2,5-2-1;КП 57.9.2,5-4-1;КП 57.9.2,5-6-1; КП 57.9.3,0-6-1; КП 57.9.3,5-6-1; КП 57.9.4,0-6-1; КП 57.12.2,5-2-1; КП 57.12.2,5-4-1; КП 57.12.2,5-6-1; КП 57.12.3,0-3-1; КП 57.12.3,0-6-1; КП 57.12.3,5-6-1; КП 57.12.4,0-6-1; КП 57.13.2,5-2-1; КП 57.13.2,5-5-1; КП 57.13.2,5-6-1; КП 57.13.3,0-3-1; КП 57.13.2,5-6-1; КП 57.13.3,5-6-1; КП 57.13.4,0-6-1 1.030.1-1.1-2 23 Каркас простр. КП 57.15.2,5-2-1; КП 57.15.2,5-5-1; КП 57.15.2,5-6-1; КП 57.15.3,0-3-1; КП 57.15.3,0-6-1; КП 57.15.3,5-6-1; КП 57.15.4,0-6-1; КП 57.18.2,5-2-1; КП 57.18.2,5-4-1; КП 57.18.2,5-6-1; КП 57.18.3,0-2-1; КП 57.18.3,0-6-1; КП 57.18.3,5-6-1; КП 57.18.4,0-6-1; КП 57.21.2,5-2-1; КП 57.21.2,5-4-1; КП 57.21.2,5-6-1; КП 57.21.3,0-2-1; КП 57.21.3,0-5-1; КП 57.21.3,0-6-1; КП 57.21.3,5-6-1; КП 57.21.4,0-6-1 1.030.1-1.1-2 24 Каркас простр. КП 57.5.9.2,5-2-1; КП 57.5.9.2,5-4-1; КП 57.5.9.2,5-6-1; КП 57.5.9.3,0-6-1; КП 57.5.9.3,5-6-1; КП 57.5.9.4,0-6-1; КП 57.5.12.2,5-2-1; КП 57.5.12.2,5-4-1; КП 57.5.12.2,5-6-1; КП 57.5.12.3,0-3-1; КП 57.5.12.3,0-6-1; КП 57.5.12.3,5-6-1; КП 57.5.12.4,0-6-1; КП 57.5.13.2,5-2-1; КП 57.5.13.2,5-5-1; КП 57.5.13.2,5-6-1; КП 57.5.13.3,0-3-1; КП 57.5.13.3,0-6-1; КП 57.5.13.3,5-6-1; КП 57.5.13.4,0-6-1 1.030.1-1.1-2 25 Каркас простр. КП 57.5.15.2,5-2-1; КП 57.5.15.2,5-5-1; КП 57.5.15.2,5-6-1; КП 57.5.15.3,0-3-1; КП 57.5.15.3,0-6-1; КП 57.5.15.3,5-6-1; КП 57.5.15.4,0-6-1; КП 57.5.18.2,5-2-1; КП 57.5.18.2,5-4-1; КП 57.5.18.2,5-6-1; КП 57.5.18.3,0-2-1; КП 57.5.18.3,0-6-1; КП 57.5.18.3,5-6-1; КП 57.5.18.4,0-6-1; КП 57.5.21.2,5-2-1; КП 57.5.21.2,5-4-1; КП 57.5.21.2,5-6-1; КП 57.5.21.3,0-2-1; КП 57.5.21.3,0-5-1; КП 57.5.21.3,0-6-1; КП 57.5.21.3,5-6-1; КП 57.5.21.4,0-6-1 1.030.1-1.1-2 26 Каркас простр. КП 57.6.2,5-8-1; КП 57.6.3,0-8-1; КП 57.6.3,5-8-1; КП 57.6.4,0-8-1; КП 57.5.6.2,5-8-1; КП 57.5.6.3,0-8-1; КП 57.5.6.3,5-8-1; КП 57.5.6.4,0-8-1 1.030.1-1.1-2 27 Каркас простр. КП 27.6.2,5-6-2; КП 27.6.3,0-6-2; КП 27.6.3,5-6-2; КП 27.6.4,0-6-2; КП 27.5.6.2,5-6-2; КП 27.5.6.3,0-6-2; КП 27.5.6.3,5-6-2; КП 27.5.6.4,0-6-2 1.030.1-1.1-2 28 Каркас простр. КП 27.9.2,5-6-2; КП 27.9.3,0-6-2; КП 27.9.3,5-6-2; КП 27.9.4,0-6-2; КП 27.12.2,5-6-2; КП 27.12.3,0-6-2; КП 27.12.3,5-6-2; КП 27.12.4,0-6-2; КП 27.13.2,5-6-2; КП 27.13.3,0-6-2; КП 27.13.3,5-6-2; КП 27.13.4,0-6-2; КП 27.15.2,5-6-2; КП 27.15.3,0-6-2; КП 27.15.3,5-6-2; КП 27.15.4,0-6-2; КП 27.18.2,5-6-2; КП 27.18.3,0-6-2; КП 27.18.3,5-6-2; КП 27.18.4,0-6-2; КП 27.21.2,5-6-2; КП 27.21.3,0-6-2; КП 27.21.3,5-6-2; КП 27.21.4,0-6-2 1.030.1-1.1-2 29 Каркас простр. КП 27.5.9.2,5-6-2; КП 27.5.9.3,0-6-2; КП 27.5.9.3,5-6-2; КП 27.5.9.4,0-6-2; КП 27.5.12.2,5-6-2; КП 27.5.12.3,0-6-2; КП 27.5.12.3,5-6-2; КП 27.5.12.4,0-6-2; КП 27.5.13.2,5-6-2; КП 27.5.13.3,0-6-2; КП 27.5.13.3,5-6-2; КП 27.5.13.4,0-6-2; КП 27.5.15.2,5-6-2; КП 27.5.15.3,0-6-2; КП 27.5.15.3,5-6-2; КП 27.5.15.4,0-6-2; КП 27.5.18.2,5-6-2; КП 27.5.18.3,0-6-2; КП 27.5.18.3,5-6-2; КП 27.5.18.4,0-6-2; КП 27.5.21.2,5-6-2; КП 27.5.21.3,0-6-2; КП 27.5.21.3,5-6-2; КП 27.5.21.4,0-6-2 1.030.1-1.1-2 30 Каркас простр. КП 57.6.2,5-6-2; КП 57.6.3,0-6-2; КП 57.6.3,5-6-2; КП 57.6.4,0-4-2; КП 57.6.4,0-6-2; КП 57.5.6.2,5-6-2; КП 57.5.6.3,0-6-2; КП 57.5.6.3,5-6-2; КП 57.5.6.4,0-4-2; КП 57.5.6.4,0-6-2 1.030.1-1.1-2 31 Каркас простр. КП 57.9.2,5-2-2;КП 57.9.2,5-4-2;КП 57.9.2,5-6-2; КП 57.9.3,0-6-2; КП 57.9.3,5-6-2; КП 57.9.4,0-6-2; КП 57.12.2,5-2-2; КП 57.12.2,5-4-2; КП 57.12.2,5-6-2; КП 57.12.3,0-3-2; КП 57.12.3,0-6-2; КП 57.12.3,5-6-2; КП 57.12.4,0-6-2; КП 57.13.2,5-2-2; КП 57.13.2,5-5-2; КП 57.13.2,5-6-2; КП 57.13.3,0-3-2; КП 57.13.2,5-6-2; КП 57.13.3,5-6-2; КП 57.13.4,0-6-2 1.030.1-1.1-2 32 Каркас простр. КП 57.15.2,5-2-2; КП 57.15.2,5-5-2; КП 57.15.2,5-6-2; КП 57.15.3,0-3-2; КП 57.15.3,0-6-2; КП 57.15.3,5-6-2; КП 57.15.4,0-6-2; КП 57.18.2,5-2-2; КП 57.18.2,5-4-2; КП 57.18.2,5-6-2; КП 57.18.3,0-2-2; КП 57.18.3,0-6-2; КП 57.18.3,5-6-2; КП 57.18.4,0-6-2; КП 57.21.2,5-2-2; КП 57.21.2,5-4-2; КП 57.21.2,5-6-2; КП 57.21.3,0-2-2; КП 57.21.3,0-5-2; КП 57.21.3,0-6-2; КП 57.21.3,5-6-2; КП 57.21.4,0-6-2 |
| Разработан: | НИИЖБ Госстроя СССР ЦНИИпромзданий КиевЗНИИЭП ЦНИИЭП торгово-бытовых зданий и туристских комплексов |
| Утверждён: | 09.08.1984 Госстрой СССР (Государственный комитет Совета Министров СССР по делам строительства) (USSR Gosstroy 132) |
| Расположен в: | |
| Заменяет собой: | |
| Чем заменён: | |
| Нормативные ссылки: |
|
















































































































































