Скачать Серия 1.420.1-32 Выпуск 2-4. Колонны одноэтажные высотой 4,8; 6,0 и 7,2 м. Пространственные каркасы, арматурные и закладные изделия. Рабочие чертежиДата актуализации: 10.08.2017 Серия 1.420.1-32
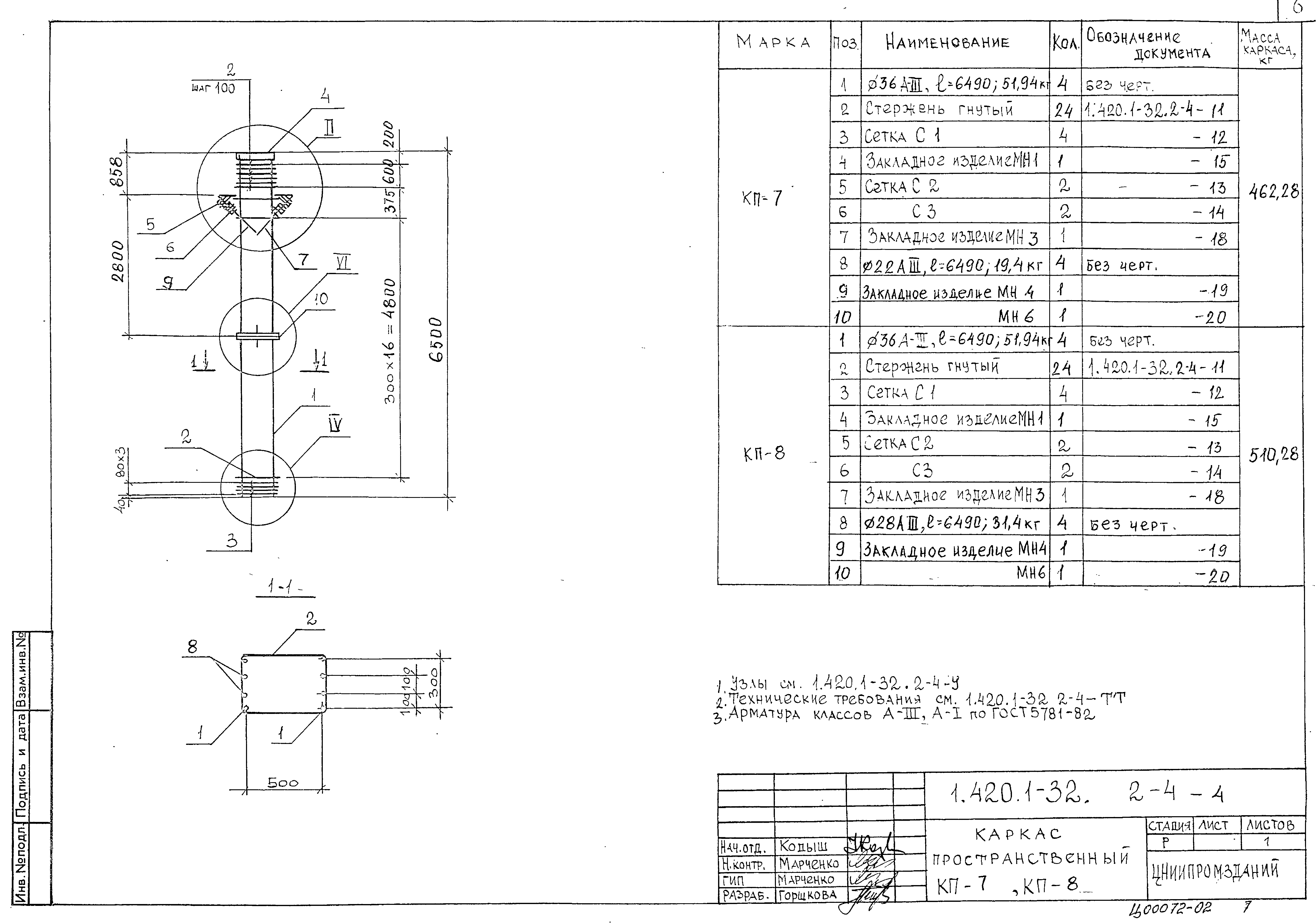
Выпуск 2-4. Колонны одноэтажные высотой 4,8; 6,0 и 7,2 м. Пространственные каркасы, арматурные и закладные изделия. Рабочие чертежиОбозначение: | Серия 1.420.1-32 | Обозначение англ: | Series 1.420.1-32 | Статус: | не определен законодательством | Название рус.: | Выпуск 2-4. Колонны одноэтажные высотой 4,8; 6,0 и 7,2 м. Пространственные каркасы, арматурные и закладные изделия. Рабочие чертежи | Дата добавления в базу: | 01.09.2013 | Дата актуализации: | 05.05.2017 | Дата введения: | 01.01.1994 | Разработан: | ЦНИИпромзданий
| Утверждён: | 21.12.1992 Минстрой России (Russian Federation Minstroy 9-1/395)
| Расположен в: |
|
                     
|