| ||||||||||||||||||||||||||||||
Скачать Серия 1.420.1-25 Выпуск 3. Железобетонные межколонные и пролетные плиты для зданий с сеткой колонн 6х6 м. Рабочие чертежиДата актуализации: 10.08.2017
|
| Обозначение: | Серия 1.420.1-25 |
| Обозначение англ: | Series 1.420.1-25 |
| Статус: | не определен законодательством |
| Название рус.: | Выпуск 3. Железобетонные межколонные и пролетные плиты для зданий с сеткой колонн 6х6 м. Рабочие чертежи |
| Дата добавления в базу: | 01.09.2013 |
| Дата актуализации: | 05.05.2017 |
| Дата введения: | 01.03.1990 |
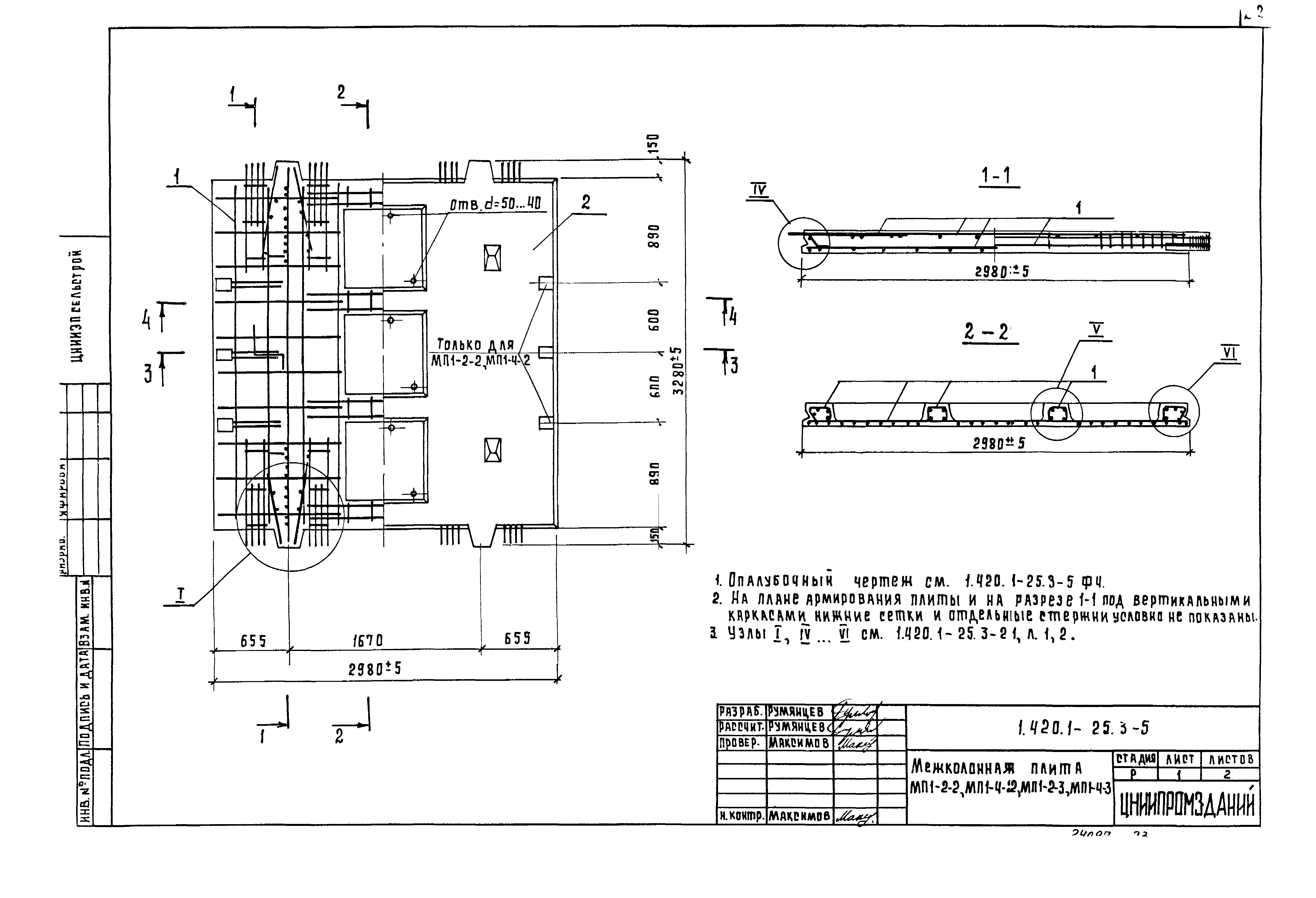
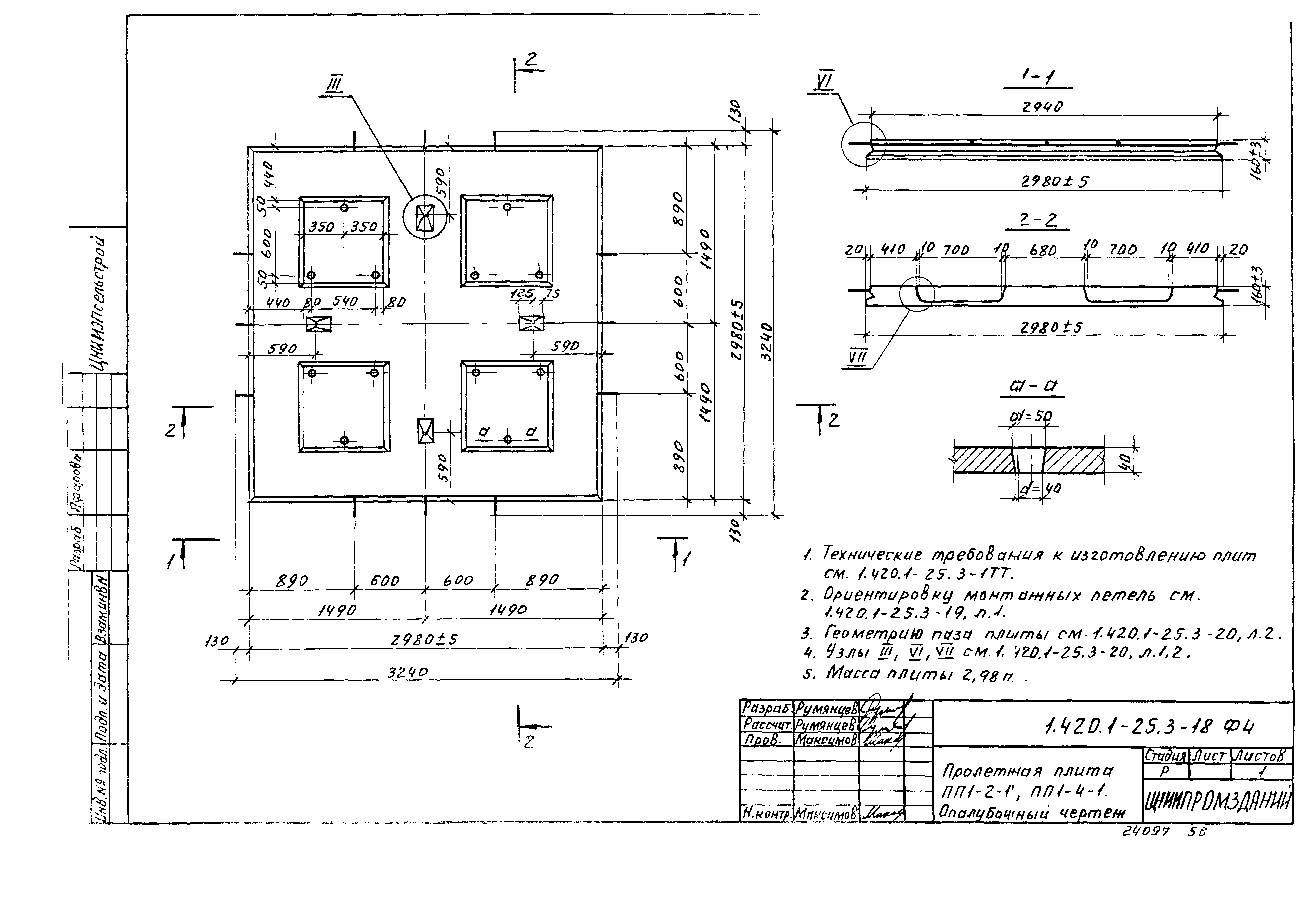
| Оглавление: | 1.420.1-25.3-1ТТ Технические требования 1.420.1-25.3-2ФЧ Межколонная плита МП1-1…МП1-6, МП1-1-1…МП1-6-1. Опалубочный чертеж 1.420.1-25.3-2 Межколонная плита МП1-1…МП1-6, МП1-1-1…МП1-6-1 1.420.1-25.3-3 Каркас КП1, КП2, КП7, КП8 1.420.1-25.3-4 Каркас КП3…КП6, КП9…КП12 1.420.1-25.3-5ФЧ Межколонная плита МП1-2-2…МП1-4-2, МП1-2-3, МП1-4-3. Опалубочный чертеж 1.420.1-25.3-5 Межколонная плита МП1-2-2…МП1-4-2, МП1-2-3, МП1-4-3 1.420.1-25.3-6 Каркас КП13…КП16 1.420.1-25.3-7ФЧ Межколонная плита МПК1-1…МПК1-6. Опалубочный чертеж 1.420.1-25.3-7 Межколонная плита МПК1-1…МПК1-6 1.420.1-25.3-8 Каркас КП17, КП18 1.420.1-25.3-9 Каркас КП19, КП20 1.420.1-25.3-10 Каркас КП21, КП22 1.420.1-25.3-11ФЧ Межколонная плита МПК1-2-1, МПК1-4-1. Опалубочный чертеж 1.420.1-25.3-11 Межколонная плита МПК1-2-1, МПК1-4-1 1.420.1-25.3-12 Каркас КП23, КП24 1.420.1-25.3-13ФЧ Межколонная плита МП2-1…МП2-6. Опалубочный чертеж 1.420.1-25.3-13 Межколонная плита МП2-1…МП2-6 1.420.1-25.3-14 Каркас КП25, КП26 1.420.1-25.3-15 Каркас КП27...КП30 1.420.1-25.3-16ФЧ Пролетная плита ПП1-1…ПП1-6. Опалубочный чертеж 1.420.1-25.3-16 Пролетная плита ПП1-1…ПП1-6 1.420.1-25.3-17 Каркас КП31...КП36 1.420.1-25.3-18ФЧ Пролетная плита ПП1-2-1…ПП1-4-1. Опалубочный чертеж 1.420.1-25.3-18 Пролетная плита ПП1-2-1…ПП1-4-1 1.420.1-25.3-19 Каркас КП37, КП38 1.420.1-25.3-20 Узлы 1…7 (опалубочные) 1.420.1-25.3-21 Узлы 1…25 (армирование) 1.420.1-25.3-22 Узлы 1…28 (пространственные каркасы) 1.420.1-25.3-23 Каркас КР1, Кр3, КР4, КР7 1.420.1-25.3-24 Каркас КР2н(в степени т), КР5н(в степени), Кр6н(в степени т) 1.420.1-25.3-25 Каркас КР8, КР11 1.420.1-25.3-26 Каркас КР9, КР12 1.420.1-25.3-27 Каркас КР13...КР15 1.420.1-25.3-28 Каркас КР16, КР17 1.420.1-25.3-29 Каркас КР10 1.420.1-25.3-30 Стержень поз. 15, 17, 19 1.420.1-25.3-31 Сетка С1…С3 1.420.1-25.3-32 Сетка С1, С5 1.420.1-25.3-33 Сетка С6, С7 1.420.1-25.3-34 Сетка С8, С9 1.420.1-25.3-35 Сетка С10 1.420.1-25.3-36 Сетка С11 1.420.1-25.3-37 Сетка С12 1.420.1-25.3-38 Сетка С13, С14 1.420.1-25.3-39 Сетка С15, С16 1.420.1-25.3-40 Сетка С17, С20 1.420.1-25.3-41 Сетка С18 1.420.1-25.3-42 Сетка С19, С24 1.420.1-25.3-43 Сетка С21, С22 1.420.1-25.3-44 Сетка С23, С25 1.420.1-25.3-45 Сетка С26 1.420.1-25.3-46 Сетка С27 1.420.1-25.3-47 Сетка С28...С30 1.420.1-25.3-48 Сетка С31, С32 1.420.1-25.3-49 Сетка С33, С34 1.420.1-25.3-50 Сетка С35, С37 1.420.1-25.3-51 Сетка С36, С38, С39 1.420.1-25.3-52 Сетка С40 1.420.1-25.3-53 Сетка С41 1.420.1-25.3-54 Сетка С42 1.420.1-25.3-55 Сетка С43 1.420.1-25.3-56 Сетка С44, С45 1.420.1-25.3-57 Сетка С46, С47 1.420.1-25.3-58 Сетка С48 1.420.1-25.3-59 Составная позиция СП1…СП5 1.420.1-25.3-60 Изделие закладное МН1 1.420.1-25.3-61 Изделие закладное МН2 1.420.1-25.3-62 Изделие закладное МН3-1, МН3-2, МН3-3 1.420.1-25.3-63РС Ведомость расхода стали, кг |
| Разработан: | НИИЖБ ЦНИИЭПсельстрой АО ЦНИИпромзданий |
| Утверждён: | 27.09.1989 Главагропромнаучпроект Госкомиссии СМ СССР по продовольствию и закупкам (15-81/5) |
| Издан: | ЦИТП Госстроя СССР (CITP, Gosstroy (USSR) 1990 г. ) |
| Расположен в: | |
| Заменяет собой: |

































































































