Информационная система
«Ёшкин Кот»

Скачать базу одним архивом
Скачать обновления
История создания базы
Карта сайта

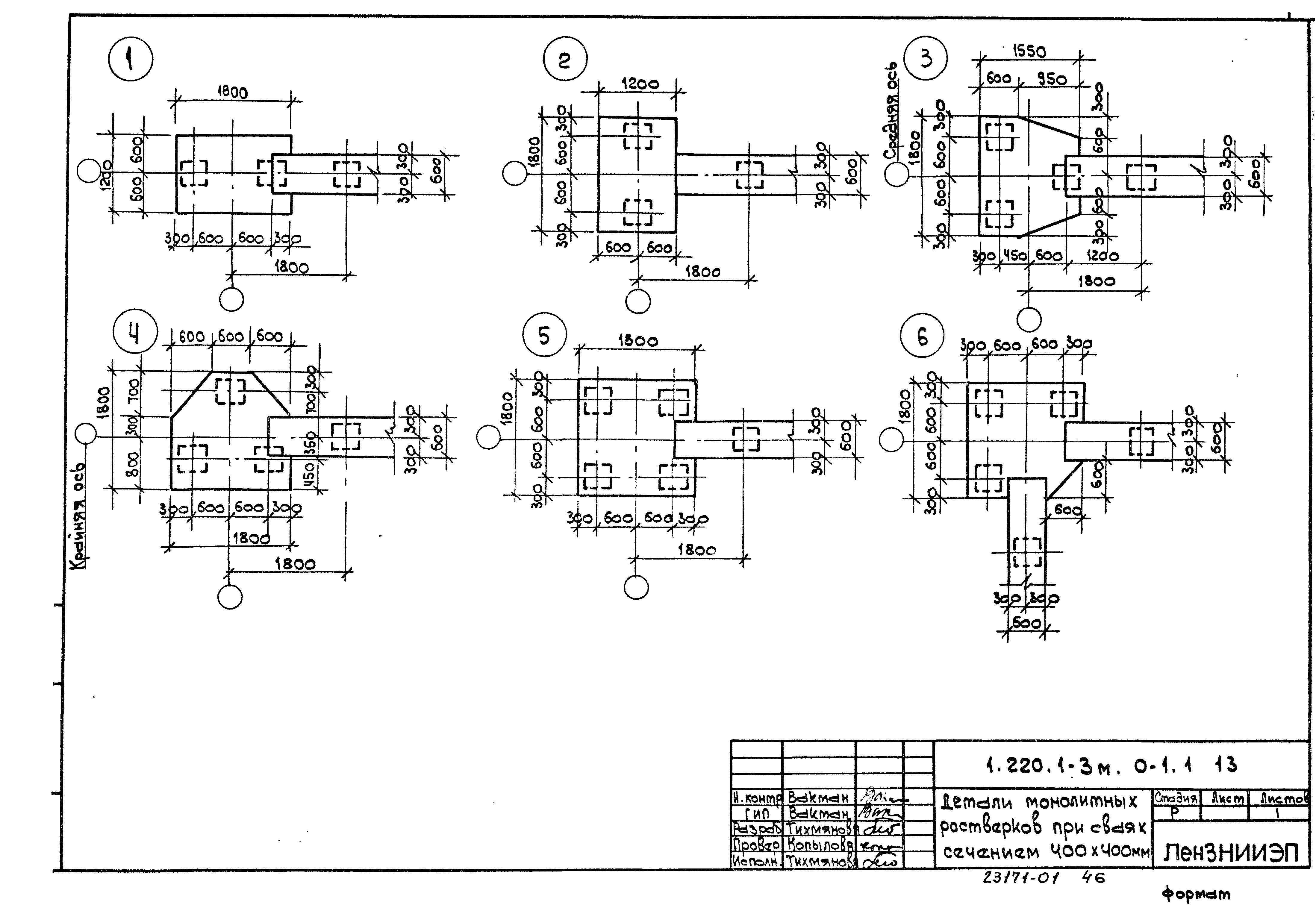
Скачать Серия 1.220.1-3м Выпуск 0-1. Часть 1. Указания по применению изделий серии. Габаритные схемы зданий

Дата актуализации: 10.08.2017

Серия 1.220.1-3м

Выпуск 0-1. Часть 1. Указания по применению изделий серии. Габаритные схемы зданий

Обозначение: Серия 1.220.1-3м
Обозначение англ: Series 1.220.1-3м
Статус:не определен законодательством
Название рус.:Выпуск 0-1. Часть 1. Указания по применению изделий серии. Габаритные схемы зданий
Дата добавления в базу:01.09.2013
Дата актуализации:05.05.2017
Дата введения:01.07.1988
Разработан: ЛенЗНИИЭП Госгражданстроя
КиевЗНИИЭП
Утверждён:23.05.1988 Госкомархитектура (148)
Принят: ЦНИИСК им.Кучеренко (Kucherenko TsNIISK )
Расположен в:Техническая документация Строительство Справочные документы Типовые строительные конструкции, изделия и узлы Общероссийский строительный каталог Строительные конструкции, изделия и узлы зданий и сооружений для всех видов строительства Конструкции, изделия и узлы зданий Несущие конструкции двухэтажных и многоэтажных зданий Каркасные здания
Серия 1.220.1-3мСерия 1.220.1-3мСерия 1.220.1-3мСерия 1.220.1-3мСерия 1.220.1-3мСерия 1.220.1-3мСерия 1.220.1-3мСерия 1.220.1-3мСерия 1.220.1-3мСерия 1.220.1-3мСерия 1.220.1-3мСерия 1.220.1-3мСерия 1.220.1-3мСерия 1.220.1-3мСерия 1.220.1-3мСерия 1.220.1-3мСерия 1.220.1-3мСерия 1.220.1-3мСерия 1.220.1-3мСерия 1.220.1-3мСерия 1.220.1-3мСерия 1.220.1-3мСерия 1.220.1-3мСерия 1.220.1-3мСерия 1.220.1-3мСерия 1.220.1-3мСерия 1.220.1-3мСерия 1.220.1-3мСерия 1.220.1-3мСерия 1.220.1-3мСерия 1.220.1-3мСерия 1.220.1-3мСерия 1.220.1-3мСерия 1.220.1-3мСерия 1.220.1-3мСерия 1.220.1-3мСерия 1.220.1-3мСерия 1.220.1-3мСерия 1.220.1-3мСерия 1.220.1-3мСерия 1.220.1-3мСерия 1.220.1-3мСерия 1.220.1-3мСерия 1.220.1-3мСерия 1.220.1-3мСерия 1.220.1-3мСерия 1.220.1-3мСерия 1.220.1-3мСерия 1.220.1-3мСерия 1.220.1-3мСерия 1.220.1-3мСерия 1.220.1-3мСерия 1.220.1-3мСерия 1.220.1-3мСерия 1.220.1-3мСерия 1.220.1-3мСерия 1.220.1-3мСерия 1.220.1-3мСерия 1.220.1-3мСерия 1.220.1-3мСерия 1.220.1-3мСерия 1.220.1-3мСерия 1.220.1-3мСерия 1.220.1-3мСерия 1.220.1-3мСерия 1.220.1-3мСерия 1.220.1-3мСерия 1.220.1-3мСерия 1.220.1-3мСерия 1.220.1-3мСерия 1.220.1-3м

© 2013 Ёшкин Кот :-) Карта сайта