| ||||||||||||||||||||||||||||
Скачать Серия 1.020.1-3пв Выпуск 4-1. Диафрагмы жесткости нулевого цикла для сборно-монолитного варианта. Рабочие чертежиДата актуализации: 10.08.2017
|
| Обозначение: | Серия 1.020.1-3пв |
| Обозначение англ: | Series 1.020.1-3пв |
| Статус: | действует |
| Название рус.: | Выпуск 4-1. Диафрагмы жесткости нулевого цикла для сборно-монолитного варианта. Рабочие чертежи |
| Дата добавления в базу: | 01.09.2013 |
| Дата актуализации: | 05.05.2017 |
| Дата введения: | 01.11.1985 |
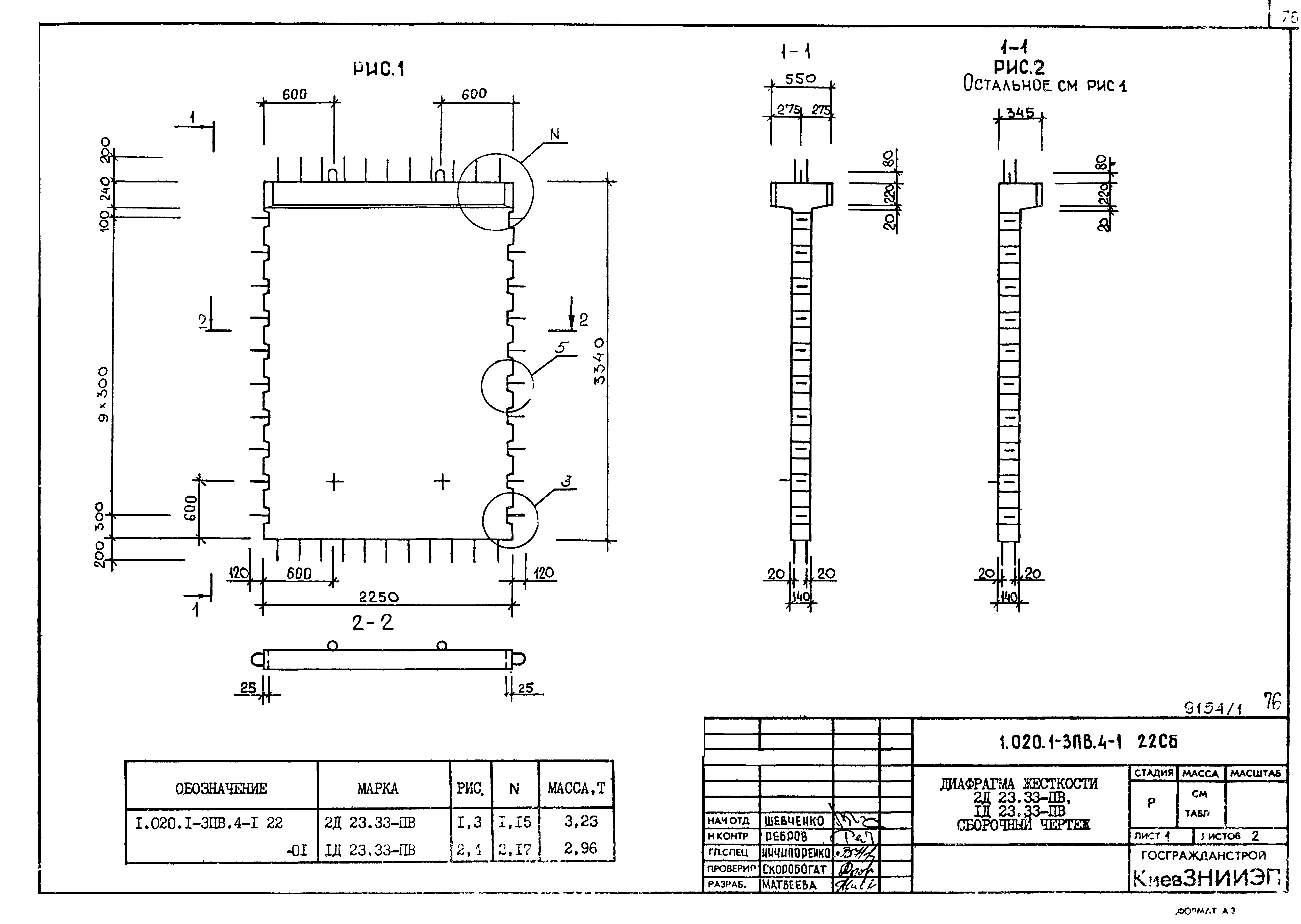
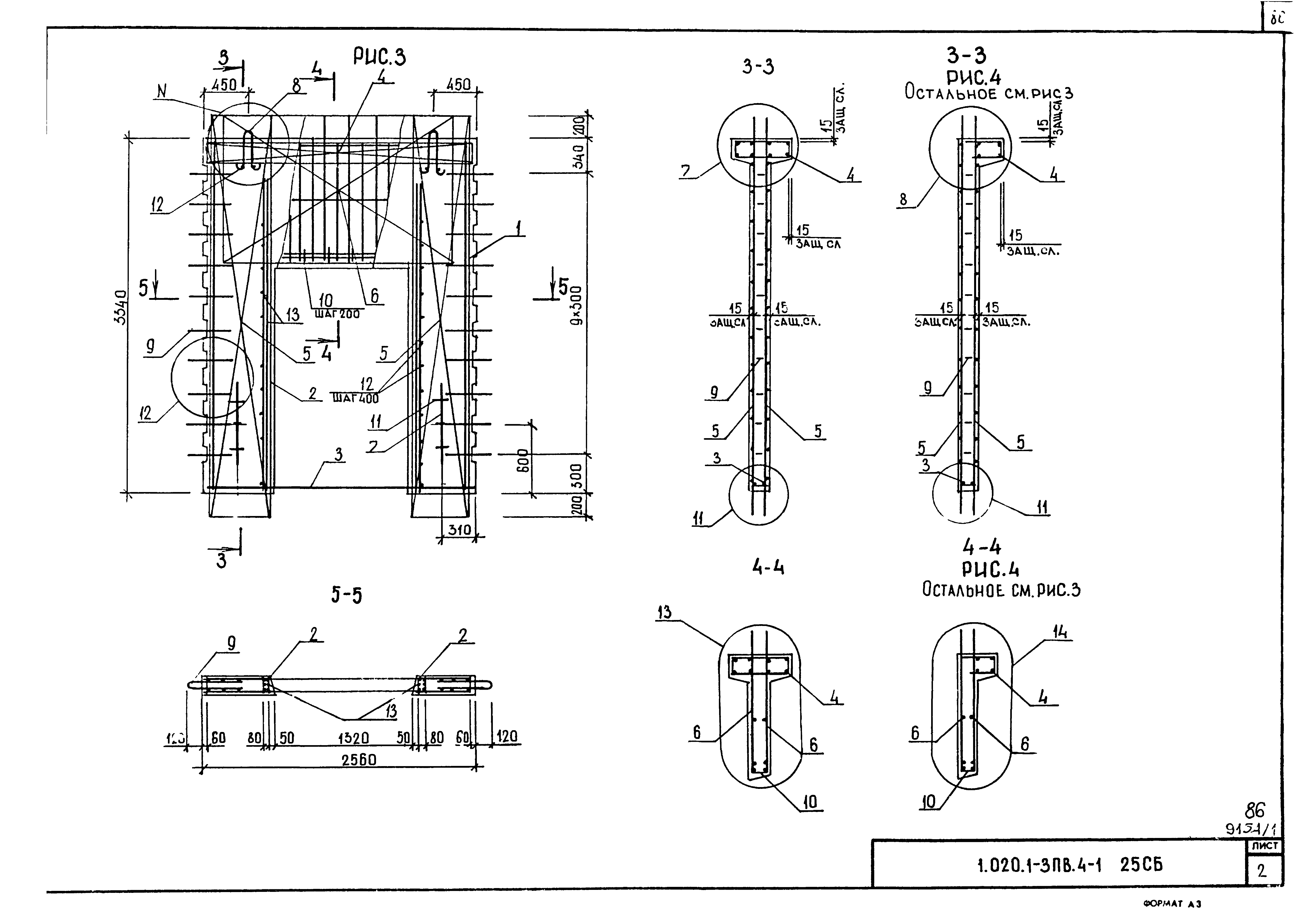
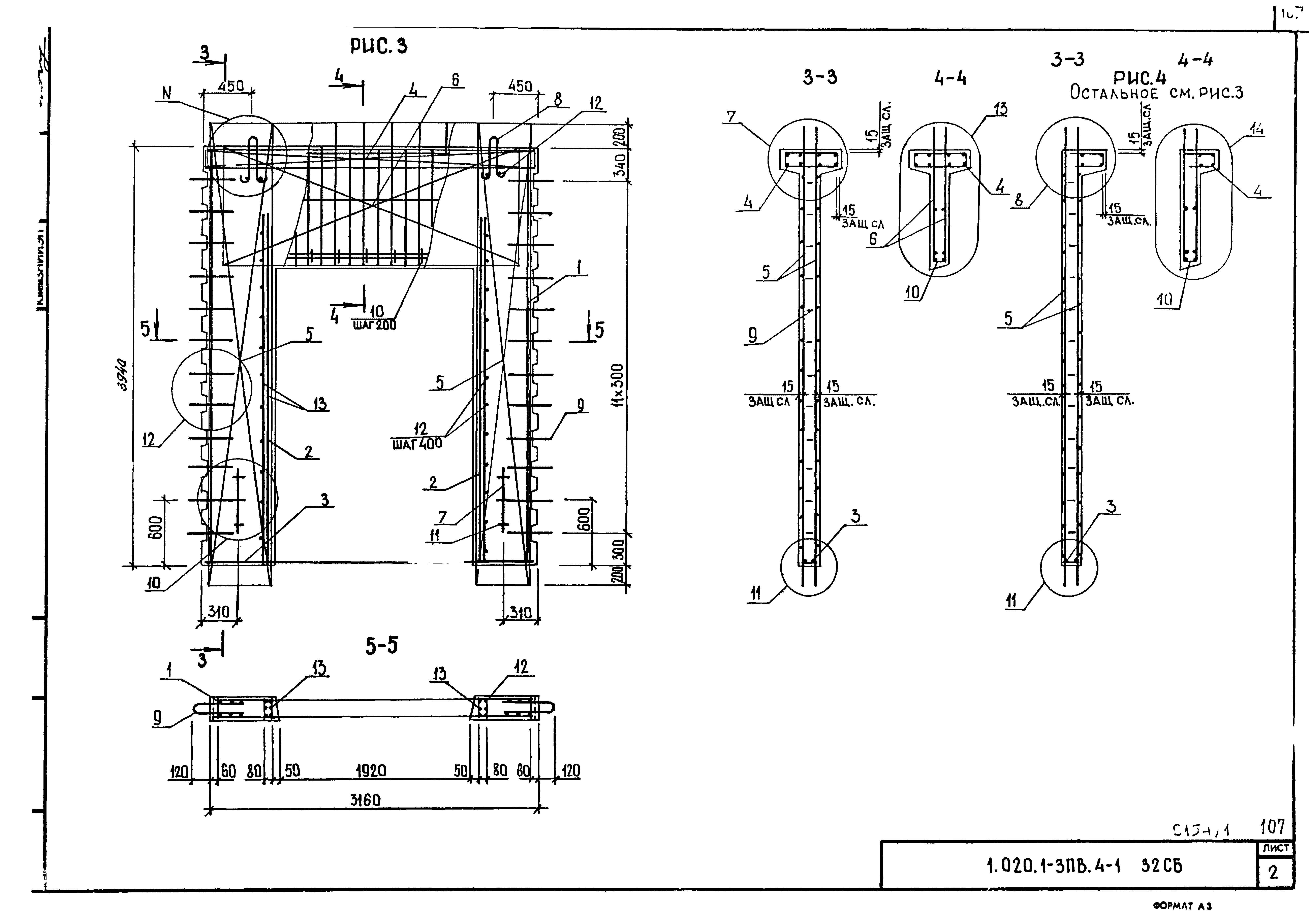
| Оглавление: | 1.020.1-3ПВ.4-1 00ТО Техническое описание 1.020.1-3ПВ.4-1 01 Диафрагма жесткости 2Д 11.17-ПВ, 1Д 11.17-ПВ 1.020.1-3ПВ.4-1 02 Диафрагма жесткости 2Д 26.17-ПВ, 1Д 26.17-ПВ 1.020.1-3ПВ.4-1 03 Диафрагма жесткости 2Д 29.17-ПВ, 1Д 29.17-ПВ 1.020.1-3ПВ.4-1 04 Диафрагма жесткости 2Д 56.17-ПВ, 1Д 56.17-ПВ 1.020.1-3ПВ.4-1 05 Диафрагма жесткости 2ДП 26.17-ПВ, 1ДП 26.17-ПВ 1.020.1-3ПВ.4-1 06 Диафрагма жесткости 2ДП 56.17-ПВ, 1ДП 56.17-ПВ 1.020.1-3ПВ.4-1 07 Диафрагма жесткости 2Д 11.25-ПВ, 1Д 11.25-ПВ 1.020.1-3ПВ.4-1 08 Диафрагма жесткости 2Д 26.25-ПВ, 1Д 26.25-ПВ 1.020.1-3ПВ.4-1 09 Диафрагма жесткости 2Д 29.25-ПВ, 1Д 29.25-ПВ 1.020.1-3ПВ.4-1 10 Диафрагма жесткости 2Д 56.25-ПВ, 1Д 56.25-ПВ 1.020.1-3ПВ.4-1 11 Диафрагма жесткости 2ДП 26.25-ПВ, 1ДП 26.25-ПВ 1.020.1-3ПВ.4-1 12 Диафрагма жесткости 2ДП 56.25-ПВ, 1ДП 56.25-ПВ 1.020.1-3ПВ.4-1 13 Диафрагма жесткости 2ДПК 56.25-ПВ, 1ДПК 56.25Л-ПВ, 1ДПК 56.25П-ПВ 1.020.1-3ПВ.4-1 14 Диафрагма жесткости 2Д 11.30-ПВ, 1Д 11.30-ПВ 1.020.1-3ПВ.4-1 15 Диафрагма жесткости 2Д 26.30-ПВ, 1Д 26.30-ПВ 1.020.1-3ПВ.4-1 16 Диафрагма жесткости 2Д 29.30-ПВ, 1Д 29.30-ПВ 1.020.1-3ПВ.4-1 17 Диафрагма жесткости 2Д 56.30-ПВ, 1Д 56.30-ПВ 1.020.1-3ПВ.4-1 18 Диафрагма жесткости 2ДП 26.30-ПВ, 1ДП 26.30-ПВ 1.020.1-3ПВ.4-1 19 Диафрагма жесткости 2ДП 56.30-ПВ, 1ДП 56.30-ПВ 1.020.1-3ПВ.4-1 20 Диафрагма жесткости 2ДПК 56.30-ПВ, 1ДПК 56.30Л-ПВ, 1ДПК 56.30П-ПВ 1.020.1-3ПВ.4-1 21 Диафрагма жесткости 2Д 11.33-ПВ, 1Д 11.33-ПВ 1.020.1-3ПВ.4-1 22 Диафрагма жесткости 2Д 23.33-ПВ, 1Д 23.33-ПВ 1.020.1-3ПВ.4-1 23 Диафрагма жесткости 2Д 26.33-ПВ, 1Д 26.33-ПВ 1.020.1-3ПВ.4-1 24 Диафрагма жесткости 2Д 29.33-ПВ, 1Д 29.33-ПВ 1.020.1-3ПВ.4-1 25 Диафрагма жесткости 2ДП 26.33-ПВ, 1ДП 26.33-ПВ 1.020.1-3ПВ.4-1 26 Диафрагма жесткости 2ДП 32.33-ПВ, 1ДП 32.33-ПВ 1.020.1-3ПВ.4-1 27 Диафрагма жесткости 2Д 11.39-ПВ, 1Д 11.39-ПВ 1.020.1-3ПВ.4-1 28 Диафрагма жесткости 2Д 23.39-ПВ, 1Д 23.39-ПВ 1.020.1-3ПВ.4-1 29 Диафрагма жесткости 2Д 26.39-ПВ, 1Д 26.39-ПВ 1.020.1-3ПВ.4-1 30 Диафрагма жесткости 2Д 29.39-ПВ, 1Д 29.39-ПВ 1.020.1-3ПВ.4-1 31 Диафрагма жесткости 2ДП 26.39-ПВ, 1ДП 26.39-ПВ 1.020.1-3ПВ.4-1 32 Диафрагма жесткости 2ДП 32.39-ПВ, 1ДП 32.39-ПВ 1.020.1-3ПВ.4-1 00Д1 Узлы 1.020.1-3ПВ.4-1 00РС Ведомость расхода стали на элемент, кг |
| Разработан: | КиевЗНИИЭП ЦНИИЭП торгово-бытовых зданий и туристских комплексов |
| Утверждён: | 30.07.1985 Госстрой СССР (Государственный комитет Совета Министров СССР по делам строительства) (USSR Gosstroy АЧ-30) |
| Расположен в: | |
| Заменяет собой: |




















































































































