| ||||||||||||||||||||||||||||||
Скачать Серия 1.020.1-2с/89 Выпуск 4-1. Диафрагмы жесткости. Рабочие чертежиДата актуализации: 10.08.2017
|
| Обозначение: | Серия 1.020.1-2с/89 |
| Обозначение англ: | Series 1.020.1-2с/89 |
| Статус: | не определен законодательством |
| Название рус.: | Выпуск 4-1. Диафрагмы жесткости. Рабочие чертежи |
| Дата добавления в базу: | 01.09.2013 |
| Дата актуализации: | 05.05.2017 |
| Дата введения: | 01.07.1990 |
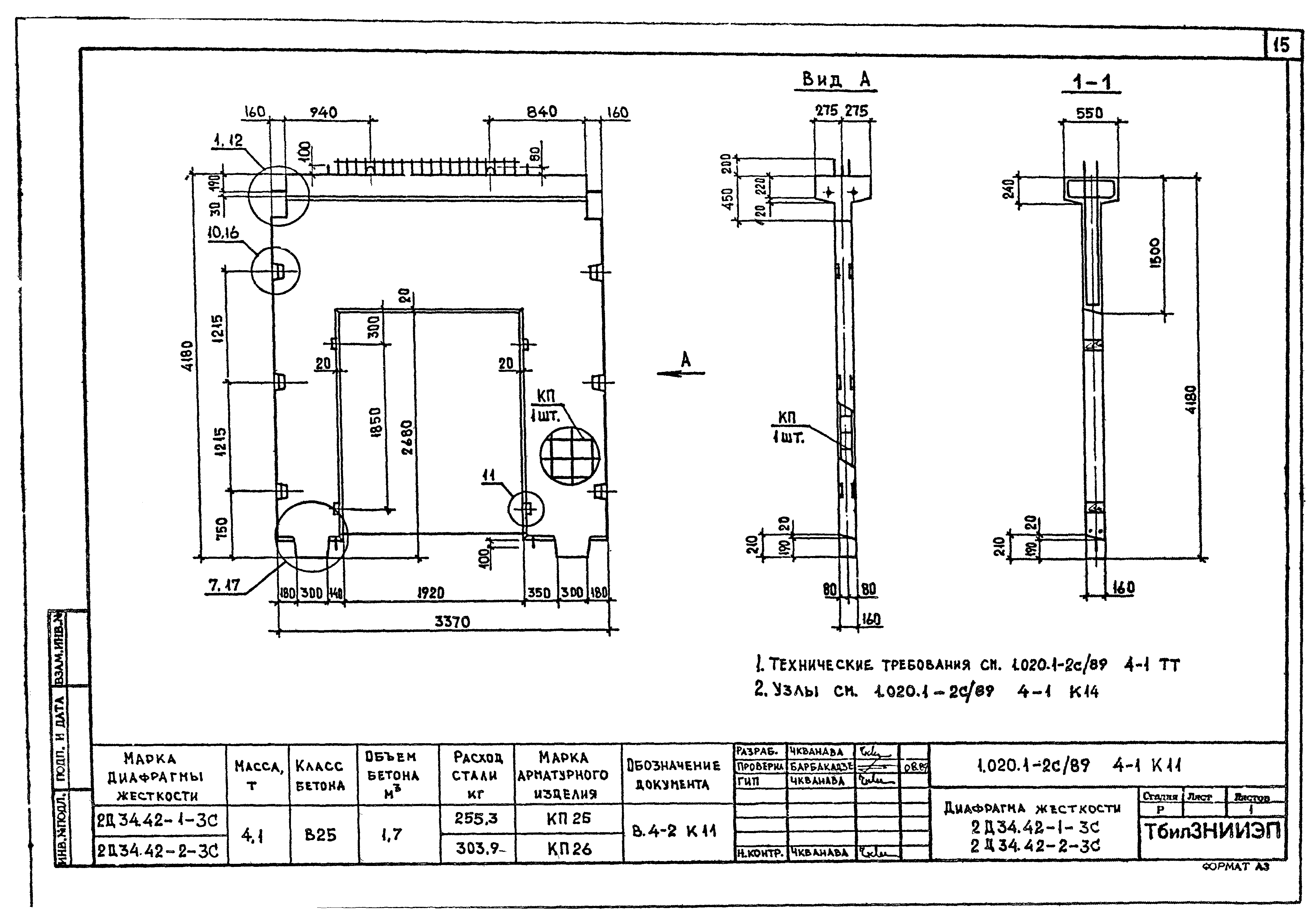
| Оглавление: | 1.020.1-2с/89 4-1 Содержание 1.020.1-2с/89 4-1 ТТ Технические требования 1.020.1-2с/89 4-1 К1 Диафрагма жесткости 2Д56.17-2-С; 2Д56.33-2-С; 1Д56.17-2-С4 1Д56.33-2-С 1.020.1-2с/89 4-1 К2 Диафрагма жесткости 2Д56.33-1-1С; 2Д56.33-2-1С 1.020.1-2с/89 4-1 К3 Диафрагма жесткости 2Д56.33-1-2С; 2Д56.33-2-2С 1.020.1-2с/89 4-1 К4 Диафрагма жесткости 2Д34.17-2-С; 2Д34.33-2-С; 1Д34.17-2-С; 1Д34.33-2-С 1.020.1-2с/89 4-1 К5 Диафрагма жесткости 2Д34.36-2-С; 1Д34.36-2-С 1.020.1-2с/89 4-1 К6 Диафрагма жесткости 2Д34.42-2-С; 1Д34.42-2-С 1.020.1-2с/89 4-1 К7 Диафрагма жесткости 2Д34.33-1-2С; 2Д34.33-2-2С 1.020.1-2с/89 4-1 К8 Диафрагма жесткости 2Д34.36-1-2С; 2Д34.36-2-2С 1.020.1-2с/89 4-1 К9 Диафрагма жесткости 2Д34.42-1-2С; 2Д34.42-2-2С 1.020.1-2с/89 4-1 К10 Диафрагма жесткости 2Д34.36-1-3С; 2Д34.36-2-3С 1.020.1-2с/89 4-1 К11 Диафрагма жесткости 2Д34.42-1-3С; 2Д34.42-2-3С 1.020.1-2с/89 4-1 К12 Диафрагма жесткости 2Д22.36-2-С; 1Д22.36-2-С 1.020.1-2с/89 4-1 К13 Диафрагма жесткости 2Д22.42-2-С; 1Д22.42-2-С 1.020.1-2с/89 4-1 К14 Узел 1…18 1.020.1-2с/89 4-1 РС Ведомость расхода стали |
| Разработан: | НИИЖБ Госстроя СССР ТбилЗНИИЭП |
| Утверждён: | 25.12.1989 Госкомархитектура (244) |
| Принят: | ЦНИИСК им.Кучеренко (Kucherenko TsNIISK ) |
| Расположен в: | |
| Заменяет собой: |
|






























