Информационная система
«Ёшкин Кот»

Скачать базу одним архивом
Скачать обновления
История создания базы
Карта сайта

Скачать Серия 5.407-103 Выпуск 0. Материалы для проектирования

Дата актуализации: 10.08.2017

Серия 5.407-103

Выпуск 0. Материалы для проектирования

Обозначение: Серия 5.407-103
Обозначение англ: Series 5.407-103
Статус:не определен законодательством
Название рус.:Выпуск 0. Материалы для проектирования
Дата добавления в базу:01.09.2013
Дата актуализации:05.05.2017
Дата введения:18.10.1988
Оглавление:5.407-103-0.ПЗ Пояснительная записка
5.407-103-0.10ГЧ Шкафы КРУ типа КМ-1Ф. Габаритные чертеж
5.407-103-0.20ГЧ Шкафы шинных вводов (ШШВ) и релейный шкаф
5.407-103-0.30ГЧ Шкафы шинных перемычек (ШШП)
5.407-103-0.40ГЧ Шкафы переходные (ШП) и шинные вставки (ШВ)
5.407-103-0.50Д Минимальные размеры приближений при компоновках помещения с шинными вводами и перемычками сверху
5.407-103-0.60Д Минимальные размеры приближений при компоновках помещения с кабельными вводами и перемычками снизу
5.407-103-0.70Д Рекомендуемые компоновки помещений КРУ с кабельными каналами, тоннелем и подвалом (Пример)
5.407-103-0.80Д Установка шкафов КРУ типа КМ-1Ф в помещении на полу (Пример)
5.407-103-0.90Д Установка шкафов КРУ типа КМ-1Ф на перекрытии (Пример)
5.407-103-0.100Д Строительное здание на помещение РУ на отм. 0.000 (Пример)
5.407-103-0.110Д Строительное здание на помещение РУ на отм. 3.600 (Пример)
5.407-103-0.120ТБ Таблица выбора чертежей строительных зданий на установку шкафов КРУ КМ-1Ф
5.407-103-0.130Д Строительные здания на участок пола для установки шкафа КМ-1Ф
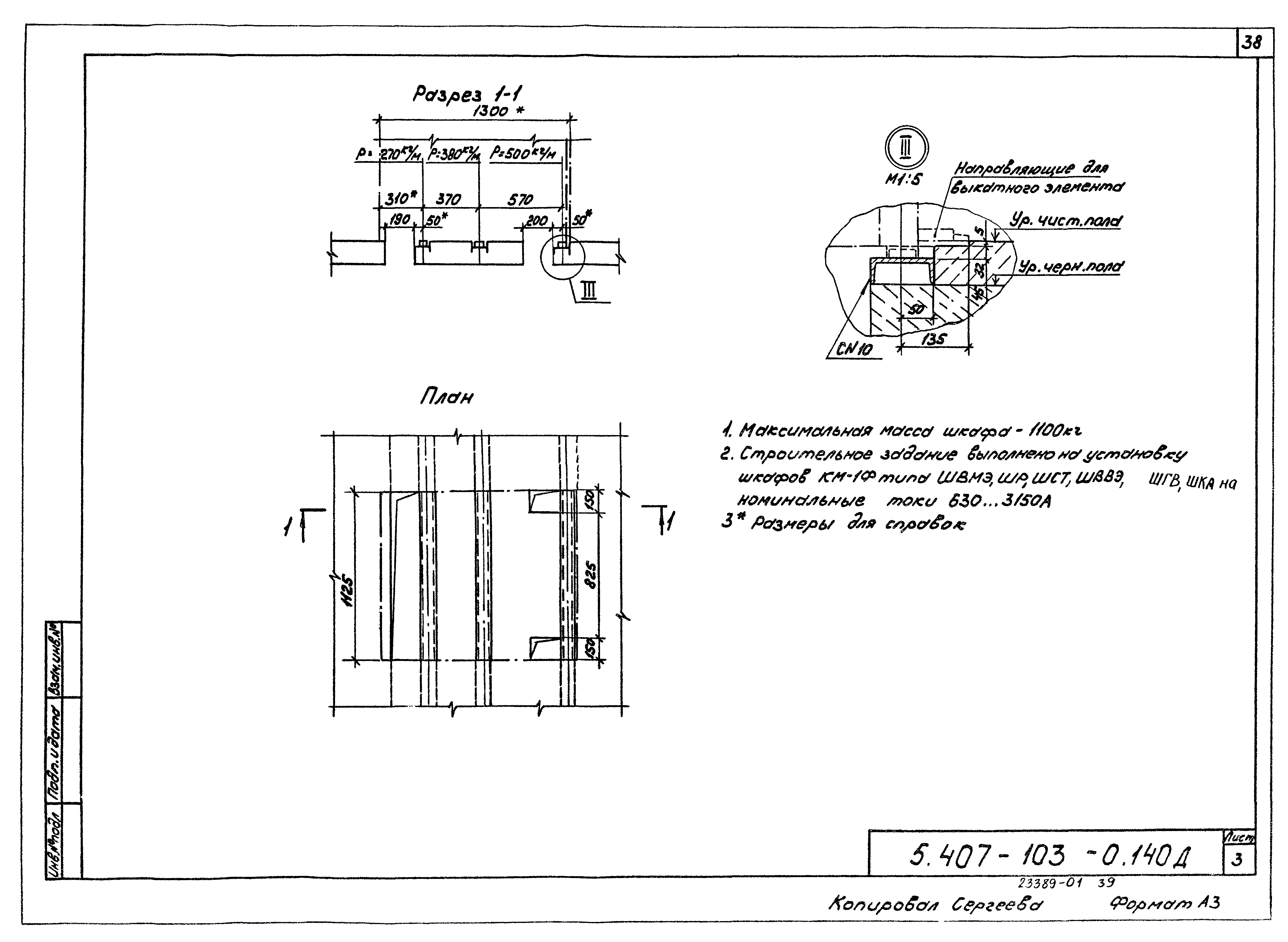
5.407-103-0.140Д Строительные здания на участок перекрытия для установки шкафа КМ-1Ф
5.407-103-0.150Д Строительное здание на проем в стене
Разработан: ВНИПИ Тяжпромэлектропроект им. Ф.Б. Якубовского
Утверждён:18.10.1988 ВНИПИ Тяжпромэлектропроект им. Ф.Б. Якубовского (F.B.Yakubovskiy Tyazhpromelektroproject VNIPI 81)
Издан: ЦИТП Госстроя СССР (CITP, Gosstroy (USSR) 1989 г. )
Расположен в:Техническая документация Строительство Справочные документы Типовые строительные конструкции, изделия и узлы Общероссийский строительный каталог Строительные конструкции, изделия и узлы зданий и сооружений для всех видов строительства Инженерное оборудование Инженерное оборудование; изделия и узлы инженерного оборудования зданий и сооружений Электрооборудование и электросети Установки трансформаторных подстанций и распределительных устройств
Серия 5.407-103Серия 5.407-103Серия 5.407-103Серия 5.407-103Серия 5.407-103Серия 5.407-103Серия 5.407-103Серия 5.407-103Серия 5.407-103Серия 5.407-103Серия 5.407-103Серия 5.407-103Серия 5.407-103Серия 5.407-103Серия 5.407-103Серия 5.407-103Серия 5.407-103Серия 5.407-103Серия 5.407-103Серия 5.407-103Серия 5.407-103Серия 5.407-103Серия 5.407-103Серия 5.407-103Серия 5.407-103Серия 5.407-103Серия 5.407-103Серия 5.407-103Серия 5.407-103Серия 5.407-103Серия 5.407-103Серия 5.407-103Серия 5.407-103Серия 5.407-103Серия 5.407-103Серия 5.407-103Серия 5.407-103Серия 5.407-103Серия 5.407-103Серия 5.407-103Серия 5.407-103Серия 5.407-103

© 2013 Ёшкин Кот :-) Карта сайта